TSL-SWI-WIFI1/ TSL-SWI-WIFI2
TESLA SMART SWITCH/DUAL
(With Neutral Required)
QUICK START GUIDE
- Voice/APP Control
- Smart Home Automation with Multi devices
- Silent switch with LED Indication
Product Indtoruction
Smart switch products are suitable for electrical equipment such as lightning, fans, curtains, etc., through the network, voice and APP remote control functions, with various sensors to easily achieve home automation.
Specification
| Input Power: | 100-240V AC 50/60Hz |
| Resistive load: | Incandescent: 1500W MAX CFL: 600W MAX LED: 600W VAX |
| Communication: | WiFi 2.4G |
| Standby Power: | 0.5W |
| Working Temperature: | -10°C – 45°C |
| Working Humidity: | <90% |
| Life Cycle: | 50k times |
| Dimension: | 86x86x37.5mm |
Product outline
Indicator Light Status
| Light Color Green | Light Status | Switch Status: |
| White | OFF | The switch turns off |
| ON | The switch turns on | |
| Flicker | The switch is in quick configure mode | |
| Green | ON | The switch turns off |
| OFF | The switch turns on |
Contents Supplied
Tools You‘ll Need
Installation
WARNING: RISK OF ELECTRIC SHOCK
This product installation requires handling 100-240 volt wiring.
Follow each step carefully. If any concerns handling wiring, hire a qualified electrician. Ensure all work meets applicable local and national codes.
Turn Off The Breaker
Turn off the circuit breaker and use the electrical tester to test the power. 
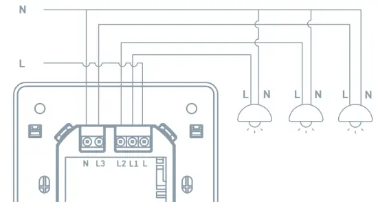
Connection Diagram
1 GANG
2 GANG
3 GANG
Remove The Panel
Remove the switch panel cover of the switch.
Mount The Switch
Use the screws provided.
Attach The Wallplate
Attach the adapter to the switch using the screws provided and snap on the wallplate.
Turn On The power
Turn the power back on at the circuit breaker
APP Operation
1 Preparation for use
- Tesla Smart is available for both iOS and Android OS. Search the name ‚Tesla Smart‘ in App Store or Android Market, or scan the QR-Code to download the App and register or log in to your account.
- Make sure that the smartphone is connected to the 2.4Ghz network.
2 Connect the device
- Open the Tesla Smart app and click the “+” sign to add new device
- Select Switches – Tesla Smart Switch
- Please follow the instructions to add the Tesla Smart Switch step by step

3 Control Switch
- Control switch with APP
Troubleshooting
- Does the switch have no power on? The smart switch products need to be powered by the neutral line. If there is no neutral line in the inch-Manor location, the smart switch can not work
- Can not connect to APP? Make sure the mobile phone and devices (gateways) in the same Wi-Fi network, and the device power and get into pair mode, make sure the device has a good signal to support communication.
- How far can be controlled? Please make sure that the distance between the product and the Wi-Fi router or gateway does not- exceed 25 meters, If the partition wall is used but the material and thickness of the wall will have a greater impact on communication, based on the actual situation, users can consider adjusting the location of the Wi-Fi router or gateway or increasing Wi-Fi routers or gateways to ensure normal product communication.
- Can the Switch still work if the network is disconnected? In the event of network disconnection, the status indicator will flash. At this time, all APP control, smart linkage and other network functions will be invalid but the local control will not be affected.
Reset
Press and hold the switch button for 5s until LED flash to reset the switch and get into quickly configure mode.
Remark:

- Smartphone and device must connect to the same Wi-Fi during setup mode
- The device must be added to the account before it can be controlled remotely
- After the device is successfully accessed, other users, can obtain control of the product through the sharing function.
INFORMATION ABOUT DISPOSAL AND RECYCLING
This product is marked with the symbol for a separate collection. The product must be disposed of in accordance with the regulations for disposal of electrical and electronic equipment (Directive 2012/19/EU on waste electrical and electronic equipment). Disposal together with regular municipal waste is prohibited. Dispose of all electrical and electronic products in accordance with all local and European regulations at the designated collection points which hold the appropriate authorization and certification in line with the local and legislative regulations. Correct disposal and recycling help to minimize impacts on the environment and human health. Further information regarding disposal can be obtained from the vendor, authorized service center or local authorities.
EU DECLARATION OF CONFORMITY
Hereby, Witty, s.r.o declares that the radio equipment type ESW-1WA-A-EU, and ESW-2WAA-EU is in compliance with EU directives. The full text of the EU declaration of conformity is available at the following internet address: teslasmart.com/declaration
Connectivity: Wi-Fi 2,4 GHz IEEE 802.11b/g/n
Frequency band: 2.412 – 2.4835 MHz
Max. radio-frequency power (EIRP): < 20 dBm
Manufacturer
Gee Chang Industrial Building,
121 Des Voeux Road Central
852 00 Hong Kong
www.teslasmart.com


TESLA SMART SWITCH

























