H0596700_B WaterColors LED Lights
Underwater Large and Small Light
Instruction Manual
WARNING
FOR YOUR sAFETY – This product must be installed and serviced by a contractor who is licensed and qualified in pool equipment by the jurisdiction in which the product will be installed where such state or local requirements exist. The maintainer must be a professional with sufficient experience in pool equipment installation and maintenance so that all of the instructions in this manual can be followed exactly. Before installing this product, read and follow all warning notices and instructions that accompany this product. Failure to follow warning notices and instructions may result in property damage, personal injury, or death. improper installation and/or operation will void the warranty.
improper installation and/or operation can create unwanted electrical hazard which can cause serious injury, property damage, or death.
ATTEnTiOn insTAllER – This manual contains important information about the installation, operation and safe use of this product. This information should be given to the owner/ operator of this equipment.
Section 1. safety information
IMPORTANT SAFETY INSTRUCTIONS PERTAINING TO A RISK OF FIRE, ELECTRIC SHOCK, OR INJURY TO PERSONS READ AND FOLLOW ALL INSTRUCTIONS
When installing and using this electrical equipment, basic safety precautions should always be followed, including the following:
WARNING
RisK OF ElECTRiCAl shOCK OR ElECTROCUTiOn. This underwater light must be installed by a licensed or certified electrician in accordance with the National Electrical Code and applicable local codes and ordinances. Improper installation will create an electrical hazard, which could result in death or serious injury to pool or spa users, installers, or others due to electrical shock, and may also cause damage to property. Read and follow the specific instructions below.
WARNING
Before installing this underwater light, read and follow all warning notices and instructions accompanying this light.
Failure to follow safety warnings and instructions can result in severe injury, death, or property damage. Call (707) 776-8200 for additional free copies of these instructions.
CAUTION
Except when the Jandy Pro Series WaterColors LED Lights are installed in an area of the swimming pool that is not used for swimming and the lens is adequately guarded to keep any person from contacting it, the light shall be installed in or on a wall of the pool, with the top of the lens opening not less than 18 inches (457 mm) below the znormal water level of the pool
ATTENTION INSTALLAER
This manual contains important information about the installation, operation and safe use of this product. This information should be given to the owner/operator of this equipment.
NOTICE
The Jandy Pro Series WaterColors LED Lights are intended for installation in fresh water and salt water swimming pools. It is important to ensure that the wet niches in which the lights are installed are intended for their appropriate application, either fresh water or salt water pools.
SAVE THESE INSTRUCTIONS
Section 2. Product Description and Model numbers
| Model # | WatercolorsLight Size | Voltage | Amps | Cord Length | Face Ring Material |
| CPLVLEDS30 | Large | 12 Volt AC | 4.0 | 30 feet | Stainless Steel |
| CPLVLEDS50 | Large | 12 Volt AC | 4.0 | 50 feet | Stainless Steel |
| CPLVLEDS100 | Large | 12 Volt AC | 4.0 | 100 feet | Stainless Steel |
| CPLVLEDP100 | Large | 12 Volt AC | 4.0 | 100 feet | Plastic |
| CPLVLEDS50C | Large | 12 Volt AC | 4.0 | 50 feet | Stainless Steel |
| CPLVLEDS100C | Large | 12 Volt AC | 4.0 | 100 feet | Stainless Steel |
| CPLVLEDP100C | Large | 12 Volt AC | 4.0 | 100 feet | Plastic |
| CPHVLEDS30 | Large | 120 Volt AC | 0.4 | 30 feet | Stainless Steel |
| CPHVLEDS50 | Large | 120 Volt AC | 0.4 | 50 feet | Stainless Steel |
| CPHVLEDS100 | Large | 120 Volt AC | 0.4 | 100 feet | Stainless Steel |
| CPHVLEDP100 | Large | 120 Volt AC | 0.4 | 100 feet | Plastic |
| CPHVLEDS150 | Large | 120 Volt AC | 0.4 | 150 feet | Stainless Steel |
| CPHVLEDS250 | Large | 120 Volt AC | 0.4 | 250 feet | Stainless Steel |
| CPHVLEDS50C | Large | 120 Volt AC | 0.4 | 50 feet | Stainless Steel |
| CPHVLEDS100C | Large | 120 Volt AC | 0.4 | 100 feet | Stainless Steel |
| CPHVLEDP100C | Large | 120 Volt AC | 0.4 | 100 feet | Plastic |
| CSLVLEDS30 | Small | 12 Volt AC | 2.0 | 30 feet | Stainless Steel |
| CSLVLEDS50 | Small | 12 Volt AC | 2.0 | 50 feet | Stainless Steel |
| CSLVLEDS100 | Small | 12 Volt AC | 2.0 | 100 feet | Stainless Steel |
| CSLVLEDP100 | Small | 12 Volt AC | 2.0 | 100 feet | Plastic |
| CSLVLEDS50C | Small | 12 Volt AC | 2.0 | 50 feet | Stainless Steel |
| CSLVLEDS100C | Small | 12 Volt AC | 2.0 | 100 feet | Stainless Steel |
| CSLVLEDP100C | Small | 12 Volt AC | 2.0 | 100 feet | Plastic |
| CSHVLEDS30 | Small | 120 Volt AC | 0.2 | 30 feet | Stainless Steel |
| CSHVLEDS50 | Small | 120 Volt AC | 0.2 | 50 feet | Stainless Steel |
| CSHVLEDS100 | Small | 120 Volt AC | 0.2 | 100 feet | Stainless Steel |
| CSHVLEDP100 | Small | 120 Volt AC | 0.2 | 100 feet | Plastic |
| CSHVLEDS150 | Small | 120 Volt AC | 0.2 | 150 feet | Stainless Steel |
| CSHVLEDS250 | Small | 120 Volt AC | 0.2 | 250 feet | Stainless Steel |
| CSHVLEDS50C | Small | 120 Volt AC | 0.2 | 50 feet | Stainless Steel |
| CSHVLEDS100C | Small | 120 Volt AC | 0.2 | 100 feet | Stainless Steel |
| CSHVLEDP100C | Small | 120 Volt AC | 0.2 | 100 feet | Plastic |
Section 3. installing Jandy Pro series light Fixture during new Construction
WARNING
Risk of Electrical shock or Electrocution.
This underwater light must be installed by a licensed or certified electrician or a qualified pool serviceman in accordance with the National Electrical Code and all applicable local codes and ordinances. Improper installation will create an electrical hazard, which couldresult in death or serious injury to pool or spa users, installers or others due to electrical shock, and may also cause damage to property.
Always disconnect the power to the color light at the circuit breaker before installing or servicing the light. Failure to do so could result in death or serious injury to serviceman, pool or spa users or others due to electrical shock.
3.1 Preparing the light Fixture for installation
NOTE The electrician must complete preparatory steps before light fixture is installed. See Figure 1.
Ensure that the pool meets the requirements of the current National Electrical Code and all local codes and ordinances. A licensed or certified electrician must install the electrical system to meet or exceed those requirements before the underwater light is installed.
Some of the requirements of the National Electrical Code, which the pool electrical systems must meet, are as follows:
- The lighting circuit must have a Ground Fault Circuit Interrupter (GFCI) for 120 volt models, and must have an appropriately rated circuit breaker.
- The junction box (or, for 12 volt models, the low voltage transformer) must be located at least eight (8) inches above water level, at least four (4) inches above ground level, and at least four (4) feet from the edge of the pool. See Figure 1.
- The light fixture and all metal items within five (5) feet of the pool must be properly electrically bonded to a reliable point of grounding.
- The wet niche must be properly installed so that the top edge of the underwater light’s lens is at least 18 inches below the surface of the water in the pool. See Figure 1.
- The wet niche must be properly electrically bonded and grounded via the No. 8 AWG ground connector located at the rear of the niche. See Figure 1.
NOTE To be certain that the pool’s electrical system meets all applicable requirements, the electrician should also consult the local building department. Use only approved wet niches (see following note) to ensure a safe and proper installation.
NOTE Jandy Pro Series lights are ETL listed (ETL report/ file 3141154CHI) for installation with only the following manufacturer’s wet niche fixtures:
large niche Model numbers:
Jandy Pro Series: PLNICLRG, PLNICVFLRG, SSNICLRG1R, SSNICLRG1S
Pentair: 620004, 78210200 thru 700, 78210401, 79206700
Hayward DuraNiche: SP0600U Sta-Rite: 05161-2352 thru 2369, 05163-2395 thru 2396
small niche Model numbers:
Jandy Pro Series: PLNICSM, SSNICSM, Pentair: 78241100, 78242200, 78242300 78243100 thru 300, 78244100 thru 300, 79206600
Hayward DuraNiche: SP0601U Sta-Rite: 05166-1017 thru 1034, 05167-1035 thru 1037
Pentair® and Sta-Rite® are registered trademarks of Pentair, Inc. Hayward® is a registered trademark and DuraNiche™ is a trademark of Hayward Pool Products, Inc.
Figure 1. Jandy Pro series Digital Color light installation
3.2 Installing the light Fixture
NOTE Perform these steps only after the electrical system requirements are met.
- Feed cord through conduit to junction box, leaving at least four (4) feet of cord at the light fixture to coil into the base of the light niche, see Figure 1. The four (4) feet of cord allows the light to be serviced after the pool is filled with water.
- Cut the cord at the junction box, leaving at least six (6) inches of cord to make connections.
- Strip six (6) inches of the outer cord jacket to expose the three insulated wires. Be careful not to damage the insulation on the three (3) inner wires.
- Install strain relief over cord jacket and connect all three (3) wires to the corresponding circuit wires in the junction box. Install the junction box cover.
- Coil the 4-foot length of cord around the fixture or into the base of the pool niche, and place the light assembly into the niche.
- Engage the retainer tab on the bottom of the face ring, then pivot the top of the fixture inward and tighten the special pilot screw.
WARNING
Use only the special pilot screw provided with this underwater light. This screw mounts and electrically grounds the housing securely to the mounting ring and wet niche. Failure to use the screw provided couldcreate an electrical hazard, which could result in deathor serious injury to pool or spa users, installers or others due to electrical shock. . - Fill the pool until the underwater light is completely submerged in water before operating the light for more than 10 seconds. Turn on main switch or circuit breaker, and the switch, which operates the underwater light, to check for proper operation. Refer to Section 6, Operating Instructions.
WARNING
Never operate this underwater light for more than 10 seconds unless it is totally submerged in water.
Without total submersion, the light assembly will get extremely hot, which may result in serious burns or in breakage of the bulb or lens. This may result in serious injury to pool or spa users, installers, or bystanders or damage to property.
Section 4. Replacing Jandy Pro series light Fixture in an Existing Pool or spa
WARNING
Risk of Electrical shock or Electrocution.
This underwater light must be installed by a licensed or certified electrician or a qualified pool serviceman in accordance with the National Electrical Code and all applicable local codes and ordinances. Improper installation will create an electrical hazard, which could result in death or serious injury to pool or spa users, installers or others due to electrical shock, and may also cause damage to property.
Always disconnect the power to the color light at the circuit breaker before installing or servicing the light. Failure to do so could result in death or serious injury to serviceman, pool or spa users or others due to electrical shock.
4.1 Preparing the light Fixture for Replacement
Verify that the pool meets the requirements of the current National Electrical Code® (NEC) and all local codes and ordinances. A licensed or certified electrician must
install the electrical system to meet or exceed those requirements before the underwater light is installed.
Some of the requirements of the National Electrical Code, which the pool’s electrical system must meet, are as follows:
- The lighting circuit must have a Ground Fault Circuit Interrupter (GFCI) for 120 volt models, and must have an appropriately rated circuit breaker.
- The junction box (or, for 12 volt models, the low voltage transformer) must be located at least eight (8) inches above water level, at least four (4) inches above ground level or pool deck level, and at least 48 inches from the edge of the pool or spa. See Figure 1.
- The light fixture and all metal items within five (5) feet of the pool must be properly electrically bonded to a reliable point of grounding.
- The wet niche must be properly installed so that the top edge of the underwater light’s lens is at least 18 inches below the surface of the water in the pool. See Figure 1.
5. The wet niche must be properly electrically bonded and grounded via the No. 8 AWG ground connector located at the rear of the niche. See Figure 1.
To be certain that the pool’s electrical system meets all applicable requirements, the electrician should also consult the local building department.
4.2 Replacing the light Fixture
NOTE Perform these steps only after the electrical system requirements are met.
WARNING
Failure to bring the pool’s electrical system up to code requirements before installing the underwater light will create an electrical hazard which could result in death or serious injury to pool or spa users, installers, or others due to electrical shock, and may also cause damage to property.
NOTE The light fixture may be replaced without removing water from the pool.
- Turn off the main electrical switch or circuit breaker, as well as the switch, which operates the underwater light.
- Unscrew the special pilot screw at top of the face ring and remove the light assembly from the niche, and place the assembly on the deck.
WARning
Be sure to keep the special pilot screw provided with this underwater light. This screw mounts and electrically grounds the housing securely to the mounting ring and wet niche. Failure to use the screw provided could create an electrical hazard, which could result in death or serious injury to pool or spa users, installers or others due to electrical shock. - Remove Junction Box cover, disconnect the light fixture wires and strain relief, and then pull the cord out of the conduit from the niche.
- Feed the new light fixture cord through the conduit from the niche to the Junction Box.
NOTE Depending on the length of the conduit, special tools may be required to pull the cord through the conduit. - Leave at least four (4) feet of cord to coil around the light fixture or coiled into the base of the light niche, see Figure 1. This allows the light to be serviced after the pool is filled with water.
- Cut the cord at the Junction Box, leaving at least six (6) inches of cord to make connections.
- Strip six (6) inches of the outer cord jacket from the cord to expose the three insulated wires. Be careful not to damage the insulation on the three (3) inner wires.
- Install the strain relief over the cord jacket and connect all three wires to the corresponding circuit wires in the junction box. Install the junction box cover.
- Reinstall the light assembly into the niche and tighten the special pilot screw.
WARning
Use only the special pilot screw provided with this underwater light. This screw mounts and electrically grounds the housing securely to the mounting ring and wet niche. Failure to use the screw provided could create an electrical hazard, which could result in death or serious injury to pool or spa users, installers or others due to electrical shock. - Fill the pool until the underwater light is completely submerged in water before operating the light for more than 10 seconds. Turn on main switch or circuit breaker, as well as the switch, which operates the underwater light, to check for proper operation. Refer to Section 6, Operating Instructions.
WARNING
Never operate this underwater light for more than 10 seconds unless it is totally submerged in water. Without total submersion, the light assembly will get extremely hot, which may result in serious burns or in breakage of the bulb or lens. This may result in serious injury to pool or spa users, installers, or bystanders or in damage to property.
Section 5. Wiring Options for Controlling Jandy Pro series WaterColors lED lights
NOTE The Jandy Pro series WaterColors lights will not operate properly with light dimmers. Do not wire the Jandy Pro Series Lights to any dimming circuitry. To the extent allowed by code and capacity of the electrical equipment, multiple Jandy Pro Series lights may be controlled with a single switch so their colors will always be synchronized.
Separate switches may be used to control the on/off and color functions of each Jandy Pro Series light. It is recommended that these switches be located next to each other to facilitate simple color synchronization when desired. All switches must be operated at the same time to assure color synchronization. Otherwise, the lights will work independently of each other.
5.1 Wiring to an Aqualink Rs Control system
The Jandy Pro Series WaterColors Lights can be wired into the Jandy Pro Series AquaLink RS control system to provide simplified operation of the lights, as well as a means to synchronize the color change function. Connect the lights to one of the auxiliary relays in the Power Center.
NOTE It is recommended to connect one light per relay so each light can be controlled separately. However, up to four lights can be connected on a single relay. If there are more than four lights installed on one AquaLink RS system, ensure there is more than one auxiliary relay available in the Power Center.
Refer to Figures 2 and 3 to connect the Jandy Pro Series Color Lights to the Power Center.
CAUTION
A Ground Fault Circuit Interrupter (GFCI) must be provided for 120 volt models. The conductors on the load side of the GFCI circuit shall not occupy conduit, boxes, or enclosures containing other conductors unless the additional conductors are also protected by a GFCI. Refer to local codes for complete details.
NOTE The Jandy Pro Series WaterColors Lights are available in 120-volt and 12-volt versions. If installing a 12-volt light, a 120-volt/12-volt step-down (AC) transformer must be used. For more information about 12-volt installations, refer to Section 8 of this manual.
5.2 Wiring to a Time Clock
The Jandy Pro Series WaterColors Lights can be wired into a basic time clock to automatically turn on the lights at a predesignated time. Refer to Figure 4 to connect the lights into the time clock.
5.3 Wiring to a switch
The Jandy Pro Series WaterColors Lights can be wired into a switch to manually turn on/off the lights. Refer to Figure 5 to connect the lights into the switch.
Section 6. Jandy Pro series WaterColors lED light Operating instructions
6.1 To Operate the light and Change Colors
Turn the light ON. The first time the light is turned on, the color sequence begins with the Alpine White. To change the color, turn the light OFF and then ON within three (3) seconds. Continue turning OFF and ON until the desired light color mode is reached. See Table 1 for the color mode sequence.
Table 1. Jandy Pro series WaterColors lights sequence
| sequence Order | Color Modes |
| 1 | Alpine White |
| 2 | Sky Blue |
| 3 | Cobalt Blue |
| 4 | Caribbean Blue |
| 5 | Spring Green |
| 6 | Emerald Green |
| 7 | Emerald Rose |
| 8 | Magenta |
| 9 | Violet |
| 10 | Slow Color Splash |
| 11 | Fast Color Splash |
| 12 | America the Beautiful |
| 13 | Fat Tuesday |
| 14 | Disco Tech |
NOTE When the light is turned OFF for more than seven (7) seconds, it will remain in the color set that is currently active. When the light is turned back ON, the light will
be on the same color set. 
6.2 To Reset to the Beginning of the Color sequence
Turn the light OFF, wait four (4) to five (5) seconds, then turn ON, the light will return to the beginning of the color cycle (Alpine White).
NOTE If an AquaLink RS control system is being used the color set can be selected using the indoor controller.
NOTE To synchronize colors on multiple Jandy Pro Series WaterColors Light systems wired to separate switches, perform the above actions on all of their switches simultaneously. All Jandy Pro Series WaterColors Lights will synchronize automatically if activated by the same switch. No other accessories are required.
Section 7. Replacing light Engine (PCB)
WARNIG
Always disconnect power to the color light at the circuit breaker before servicing the light. Failure to do so could result in death or serious injury to installer, serviceman, pool or spa users or others due to electrical shock.
- Turn off the main electrical switch or circuit breaker, as well as the switch, which operates the underwater light.
- Be sure to have the following items:
• A new lens gasket, P/N R0451101 for the large light or P/N R0400501 for the small light.
• A light engine. See Table 2 for specification.
WARNING
Replace light engine with the same type. Failure to replace the light engine with the same type will damage the light assembly and may cause an electrical hazard resulting in death or serious injury to pool or spa users, installers, or others due to electrical shock, and may also cause damage to property. Be sure the power is switched OFF before removing or installing PCB. Allow PCB to cool before replacing. - To remove the light assembly, unscrew the special pilot screw at the top of the face ring, remove light assembly from niche and gently place assembly on the deck. It is not necessary to drain down the pool. See Figure 6.
Table 2. light specificationsJandy Pro Series Model Fixture Voltage Light Engine (PCB) Part Number WaterColors Large Light 12 Volt AC R0474000 WaterColors Large Light 120 Volt AC R0474100 WaterColors Small Light 12 Volt AC R0473900 WaterColors Small Light 120 Volt AC R0473900
WARNING
Be sure to keep the special pilot screw from this underwater light. This screw mounts and electrically grounds the housing securely to the mounting ring and wet niche. Failure to use the screw provided could create an electrical hazard, which could result in death or serious injury to pool or spa users, installers or others due to electrical shock. - Pool Clamp Removal.
a. Loosen the Phillips head screws (six (6) for small light, eight (8) for large light) to allow the bottom clamp to be removed from the face ring assembly. Do not remove the screws or the retaining rings. The retaining rings prevent the screws from falling free from the bottom clamp and also aid in ease of assembly.
b. Remove the bottom clamp, the face ring assembly, the glass lens, and the gasket from the fixture. Remove the gasket from the lens. Refer to Section 9, Exploded View and Replacement Parts. - Light Engine Replacement
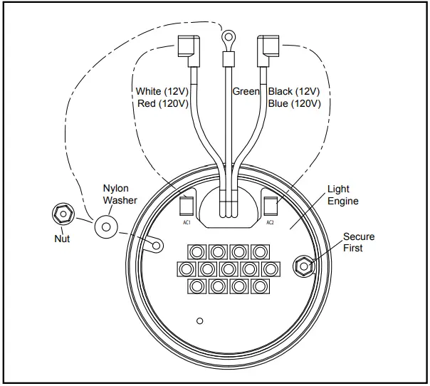
a. 12V Small Light Engine (PCB) Replacement
1. Remove two (2) nuts and two (2) washers.
2. Unplug the quick disconnect terminals from the light engine.
3. Remove the light engine from the light fixture.
4. Place new light engine into the fixture with the orientation shown in Figure 7.
5 Secure the light engine with one (1) nylon washer and one (1) nut. Torque to 12 in-lbs.
6. Place a nylon washer on the other stud and place the green ground wire terminal on the nylon washer and secure both with the nut.
Torque to 12 in-lbs.
Figure 6. Removing the Jandy Pro series WaterColors light Assembly for light Engine Replacement
7. Plug in the quick disconnect wire (white for the 12V and red for the 120V) onto the terminal (AC1) of the light engine.
8. Plug in the quick disconnect wire (black for the 12V and blue for the 120V) onto terminal (AC2) of the light engine.
b. Large Light Engine (PCB) Replacement (120V and 12V)
1. Remove three (3) nuts and washers.
2. Unplug the quick disconnect terminals from the PCB.
3. Remove the light engine from the light fixture.
4. Place new light engine into the fixture with the orientation shown in Figure 8.
5 Secure the new light engine (PCB) with two (2) nylon washers and two (2) nuts. Torque to 12 in-lbs.
6. Plug in the white quick disconnect wire onto the terminal (J2) of the light engine.
7. Plug in black quick disconnect wire onto terminal (J6) of the light engine for the 12V models; or terminal (J3) of the light engine for 120V models.
8a. For 12V models, place a nylon washer on the stud and place the green ground wire terminal on the nylon washer and secure both with the nut. Torque to 12 in-lbs.
8b. For 120V models, place the green ground wire on the stud and secure with the nut. Torque to 12 in-lbs. - Reassemble the fixture.
a. If not already done, remove the gasket from the glass lens and install a new gasket, P/N R0451101 for the large light and R0400501 for the small light, on the lens. On the small light, remove the diverger from the lens.
NOTE A new lens gasket must be used each time the light is reassembled.
WARNING
Risk of Electrical shock or Electrocution. Always install a new lens gasket whenever disassembling the light (Jandy Color Light Gasket P/N R0451101 for large light and P/N R0400501 for small light). Failure to do so may permit water to leak into the assembly, which could cause:
(a) An electrical hazard resulting in death or serious injury to pool or spa users, installers, or others due to electrical shock, or
(b) A malfunction of the Jandy WaterColors Light, which likewise could result in serious injury to pool or spa users, installers, or bystanders, or in damage to property.
Figure 7. small light Engine (PCB) Replacement and Wiring
b. While holding the fixture upright, place the glass lens with the gasket on top of the fixture. Please note that the lens gasket is not symmetrical. Therefore, it must be installed correctly so that the lens can seal to the fixture housing. Place the gasket on the lens so that the thick molded side of the gasket will mate with the housing when
the lens is installed, see Figure 10. On the small light, replace the diverger by tucking the tabs between the lens and gasket.
NOTE Be sure to face the dull side of the diverger down towards the PCB.
c. Position the lens and gasket on the fixture. Place the face ring assembly over the lens and align the pilot screw with the small arrow mark on the face of the lens. Note that the small arrow mark on the face of the lens and the pilot screw of the face ring must be aligned with the arrow located on fixture label that reads, “Arrow on this label must line up with the pilot screw on the Face Ring”. See Figure 9.
d. While holding the aligned face ring assembly and fixture together, turn the assembly upside down and set it on the old gasket, using the old gasket as an assembly fixture. This will keep the lens and gasket assembly from being pushed out of the face ring while you secure it to the light fixture.
e. Spread the bottom clamp over the electrical cord and slide it onto the back of fixture to the top clamp.
f. Tighten the Phillips head screws (eight (8) for large light and six (6) for small light) on the light in alternating cross-pattern. Torque screws to approximately 20 in-lbs. Do not over-tighten.
g. Discard the old gasket.
Figure 8. large light Engine (PCB) Replacement and Wiring
Figure 9. Alignment of the lens, Face Ring, housing and Clamps for WaterColors lights - Reinstall the Jandy Pro Series Light into niche fixture.
a. Coil the extra four (4) feet of cord around the fixture or into the base of the niche and place the light assembly into the niche.
b. Engage the retainer tab on the bottom of the face ring, then pivot the top of the fixture inward and tighten the special pilot screw.
WARNING
Use only the special pilot screw provided with this underwater light. This screw mounts and electrically grounds the housing securely to the mounting ring and wet niche. Failure to use the screw provided could create an electrical hazard, which could result in death or serious injury to pool or spa users, installers or others due to electrical shock. - If pool is empty, fill the pool until the underwater light is completely submerged in water before operating the light for more than 10 seconds. Turn on main switch or circuit breaker, as well as the switch, which specifically operates the underwater light, to check for proper operation.
WARNING
Never operate this underwater light for more than 10 seconds unless it is totally submerged in water. Without total submersion, the light assembly will get extremely hot, which may result in serious burns or in damage to the light. This may result in serious injury to pool or spa users, installers, or bystanders or in damage to property.

Figure 10. Cross section of Jandy Pro series WaterColors lED light
Section 8. Twelve (12) Volt Installation
A separate 12-Volt AC Transformer is required on all 12Volt Models. For Jandy Pro Series WaterColors Light use a 150-watt multi-tap 12-volt system per light.
NOTE For optimum performance Jandy Pro Series recommends to use one transformer per 12-volt light.
To ensure maximum safety, it is strongly recommended that a transformer that has been listed or recognized by a Nationally Recognized Testing Laboratory (NRTL) for the application be used.
Section 9. Exploded View and Replacement Parts
9.1 Jandy Pro series large WaterColors lED light

Figure 11. Jandy Pro series large WaterColors lED light Exploded View
| DWg # | Part # | Description | Field Replaceable |
| 1 | N/A | WaterColors Light Housing | NO – Purchase New Light |
| 2 | R0474000 | Light Engine PCB, 12V Large LED Light w/ Light Shaping Diverger | YEs |
| 2 | R0474100 | Light Engine PCB, 120V Large LED Light W/ Light Shaping Diverger | YEs |
| 3 | R0451101 | Silicone Gasket | YEs |
| 4 | R0450601 | Glass Lens | YEs |
| 5 | R0450701 | Clamp Assembly | YEs |
| 6 | R0450801 | Face Ring, Stainless Steel (SS) | YEs |
| 6 | R0450802 | Face Ring, Plastic, Whitet | YEs |
| 6 | R0450803 | Face Ring, Plastic, Black | YEs |
| 6 | R0450804 | Face Ring, Plastic, Gray | YEs |
| 6 | R0450805 | Face Ring, Plastic Set | YEs |
| 7 | R0450901 | Pilot Screw, with Retainer | YEs |
| 8 | R0451001 | Clamp Screws (8 Screws and 8 Retainers) | YEs |
9.2 Jandy Pro series small WaterColors lED light

Figure 12. Jandy Pro series small WaterColors lED light Exploded View
| DWg # | Part # | Description | Field Replaceable |
| 1 | N/A | WaterColors Light Housing | NO – Purchase New Light |
| 2 | R0473900 | Light Engine, 12V/120V Small LED Light | YEs |
| 3 | R0474200 | Diverger, Light Shaping, Small LED Light | YEs |
| 4 | R0400501 | Silicone Gasket | YEs |
| 5 | R0400601 | Glass Lens | YEs |
| 6 | R0451201 | Clamp Assembly | YEs |
| 7 | R0451301 | Face Ring, Stainless Steel (SS) | YEs |
| 7 | R0451302 | Face Ring, Plastic, White | YEs |
| 7 | R0451303 | Face Ring, Plastic, Black | YEs |
| 7 | R0451304 | Face Ring, Plastic, Gray | YEs |
| 7 | R0451305 | Face Ring, Plastic Set | YEs |
| 8 | R0450901 | Pilot Screw, with Retainer | YEs |
| 9 | R0451401 | Clamp Screws (6 Screws and 6 Retainers) | YEs |
![]()
Zodiac Pool Systems, Inc.
2620 Commerce Way, Vista, CA 92081
1.800.822.7933 | www.ZodiacPoolSystems.com
ZODIAC® is a registered trademark of Zodiac International, S.A.S.U., used under license.
All trademarks referenced herein are the property of their respective owners.
©2012 Zodiac Pool Systems, Inc. H0305500 Rev B 1208

To ensure best customer service and tracking of warranty, we recommend you register your product at:
Jandy.com/Registration (USA)
Jandy.ca/Registration (Canada)
USA & Canada
Jandy Limited Warranty
Zodiac Pool Systems LLC, a Fluidra Company (“Fluidra”) warrants all Jandy® branded products to be free from manufacturing defects in materials and workmanship for a period of one (1) year from the date of retail purchase, with the exceptions listed below.
- Variable speed pumps are warranted for three (3) years.
- JXi™ heaters are warranted for one (1) year. Heat Exchangers on JXi Gas Heaters with factory-installed VersaFlo™ Integrated Bypass are warranted for five (5) years.
- Heat pumps are warranted for two (2) years. Heat pump compressors and heat exchangers are warranted for five (5) years.
- Nicheless underwater lights are warranted for three (3) years.
- Complete electronic salt water chlorine systems (controller and cell purchased and installed together) are warranted for three (3) years.
- Those certain Never Lube® valves made from CPVC are warranted for the life of the pool on which they were originally installed. For the avoidance of any doubt, any Never Lube valve made from PVC is only warranted to be free from manufacturing defects in materials and workmanship for a period of one (1) year from the date of retail purchase.
- Refrigerant and other expendables are not warranted.
- Replacement products, or parts, provided at no charge are warranted only until the original finished good’s warranty has expired. Purchased replacement parts are warranted for ninety (90) days from the date of retail purchase, with the exception of electronic salt water chlorine generator cells and electrodes, which are warranted for one (1) year.
- Maintenance tools are warranted for ninety (90) days.
- All Jandy branded products used in a commercial application are warranted for a period of one (1) year from the date of retail purchase, unless a lesser amount of time is stated above in exceptions 1 through 9. A commercial application is defined as any application other than a single-family dwelling.
This Jandy Limited Warranty does not apply to Jandy branded products purchased through the Internet or other e-commerce platforms, with the exception of Jandy branded
valves less than three (3) inches in diameter, parts, and pool product accessories.
This warranty applies only to products installed and serviced by a contractor who is licensed and qualified in pool equipment by the jurisdiction in which the product will be installed, where such state or local requirements exists. In the event no such state or local requirement exists, the installer and maintainer must be a professional with sufficient experience in pool equipment installation and maintenance. This warranty applies only to products purchased and utilized in the 50 United States and Canada, is limited to the first retail purchaser, is not transferable, and does not apply to products that have been moved from their original installation sites. The liability of Fluidra shall not exceed the replacement of the defective product or its parts, and does not include transportation costs, costs for labor to service or repair the defective product, or any items or materials required to make the repair including, but not limited to, refrigerant and other expendables. Fluidra is not responsible for charges or delays incurred when a servicer is unable to perform service due to lock outs, animals, intolerable pool or spa water temperature when entry into pool or spa is required to perform service, service refusals, etc. No reimbursements will be made for loss and/or usage of water, fuel or other resources resulting from product defect. A third party service provider may charge the end-user customer for parts and/or labor required to resolve any issue not covered under warranty, such as improper installation. Fluidra is not responsible for these charges. Product discoloration, or any other cosmetic or superficial damage or deterioration, regardless of its cause, is not covered by this warranty. This warranty does not cover failures, defects, malfunctions or complaints resulting from any of the following:
- Failure to properly install, operate or maintain the product in accordance with Fluidra’s published installation, operation and/or maintenance manuals.
- Improper equipment sizing or product mis-applications.
- The workmanship of any installer of the product.
- Use of non-factory authorized parts or accessories in conjunction with the product(s).
- Product modifications or adjustments that are not in accordance with Fluidra’s published installation, operation and/or maintenance manuals.
- Not maintaining proper pool and/or spa chemical balance [pH levels between 7.2 and 7.8, with ideal range being between 7.4 and 7.6; Cyanuric Acid (CYA) between 30 to 100 ppm; Total Alkalinity (TA) between 80 to 120 ppm (100 to 150 ppm for vinyl pools); Total Dissolved Solids (TDS) less than 1500 ppm, not including salt ppm; and Total (or Calcium) Hardness less than 800 ppm, with an ideal range being between 200 ppm and 400 ppm].
- Corrosion, erosion, scaling, calcification or other conditions caused by water hardness, chemical imbalance, or lack of product maintenance.
- Chemical contamination of combustion air; or improper use of pool/spa chemicals, such as introducing chemicals upstream of the heater or cleaner hose, or through the skimmer; or use of copper-based algaecides in conjunction with Nature2 products.
- Abuse, damage during transit or installation, mis-handling, tampering, vandalism, alterations, accidents, fires, floods, storms, earthquakes, power surges, lightning, pets or other animals, insects and/or their hives or nests, negligence, or acts of God.
- Not grounding and/or bonding as specified, mis-wiring, loose wiring, cut or kinked wires, loose cable connections, incorrect wire runs, incorrect breaker size, breaker(s) in “off” position, improper wire gauge, moisture in electrical conduit, improper electrical supply, dead batteries, incorrect plumbing, inadequate size of pipe and/or fittings, cross-threading, over-tightening, under-tightening, glue drips or residue, improperly secured covers, improper valve placement or usage, unsynchronized valve actuators, valve actuators in “off” position, improper gas pipe sizing, lack of fuel, or inadequate heater vent pipe sizing, programming errors.
- Freezing, corrosion, cracking, overheating, warping, flooding, moisture intrusion or any other condition caused by or related to weather, climate, improper winterization, improper equipment placement, inadequate ventilation, inadequate water circulation, roof run-off, sprinklers, irrigation systems, or lights or other products on or near the pool/spa or pool/spa equipment pad.
- Operating the product at water flow rates below minimum, or above maximum, specifications. Operating any product or piece of equipment including, but not limited to, pumps, with insufficient quantities of water.
- Dirty, clogged, blocked, covered or obstructed plumbing, chlorine generator cells or sensors, pump strainer baskets, pump impellers, heater orifices (including blockage by spider webs), heater grills, doors, flue boxes, flue vents or flue collectors, filter elements, or filter breather tubes.
- Collateral damage caused by failure of any component including O-rings, pump strainer baskets, DE grids, sand filter laterals, or cartridge elements.
This is the only warranty given by Fluidra. No one is authorized to make any other warranties on behalf of Fluidra. THE DURATION OF IMPLIED WARRANTIES, INCLUDING THE IMPLIED WARRANTY OF MERCHANTABILITY AND THE IMPLIED WARRANTY OF FITNESS FOR A PARTICULAR PURPOSE, ARE LIMITED TO THE DURATION OF THE EXPRESS WARRANTIES LISTED ABOVE. Some states and/or provinces do not allow limitations on how long an implied warranty lasts, so the above limitation may not apply to you. Fluidra expressly disclaims and excludes any liability for consequential, incidental, indirect, or punitive damages for breach of any expressed or implied warranty. In no event shall Fluidra be liable for incidental or consequential damages of any nature, including damage to vinyl liners, plaster, aggregate-based pool surfaces, tile, stone, coping, fixtures, skimmers or skimmer covers, plumbing, drains, equipment covers or shelters, landscaping, animals, plants, or dwellings. Some states and/or provinces do not allow the exclusion or limitation of incidental or consequential damages, so the above limitation may not apply to you. Certain vinyl liner patterns are particularly susceptible to rapid surface wear or pattern removal caused by objects coming into contact with the vinyl surface, including pool brushes, pool toys, floats, fountains, chlorine dispensers, and automatic pool cleaners. Some vinyl liner patterns can be seriously scratched or abraded by rubbing the surface with a pool brush. Ink from the pattern can also rub off during the installation process or when it comes into contact with objects in the pool. Fluidra is not responsible for, and this warranty does not cover, pattern removal, cuts, abrasions or markings on vinyl liners.
This warranty gives you specific legal rights. You may also have other rights that vary by state and/or province. For warranty consideration, contact the original dealer and provide the following information: proof of purchase, model number, serial number, date of retail purchase, and date of installation. The dealer will contact the factory to obtain instructions regarding the claim and to determine the location of the nearest independent service company. If the dealer is not available, you can locate an independent service company in your area by visiting www.fluidrausa.com or by emailing our Technical Support Department at [email protected], or by calling our Technical Support Department at 800-822-7933. All returned parts must have a Returned Material Authorization number to be evaluated under the terms of this warranty.
USA | 2882 Whiptail Loop # 100, Carlsbad, CA 92010 | 1.800.822.7933 | Jandy.com
Canada | 2-3365 Mainway, Burlington, ON L7M 1A6 Canada | 1.888.647.4004 | Jandy.ca
©2020 Zodiac Pool Systems LLC. All rights reserved. Jandy® is a registered trademark of Zodiac Pool Systems LLC.
All other trademarks are the property of their respective owners. H0333803 Rev W
Figure 6. Removing the Jandy Pro series WaterColors light Assembly for light Engine Replacement
Figure 7. small light Engine (PCB) Replacement and Wiring
Figure 8. large light Engine (PCB) Replacement and Wiring
Figure 9. Alignment of the lens, Face Ring, housing and Clamps for WaterColors lights


















