OPL Series OPLHAFCS Mechanical Pressure Gauges
Instruction Manual
sect. 15 00-02-0178
rev. 2022/08/19
Installation of 4-1/2 (114 mm) Dial Level Gage
Model Series: OPLHG, OPLHAGS, OPLHFG, OPLHAFGS, OPLHGE, OPLHAGES, OPLHC, OPLHACS, OPLHFC, OPLHAFCS, OPLHCE, OPLHACES, OPLHBP, OPLHABPS, OPLHBPE and OPLHABPES
Please read the following instructions and warnings before installation. Visually inspect the product for any damage that may have occurred during shipping. General information and instructions are intended for all 4-1/2 in. (114 mm) dial-level models.
OPLHC, OPLHFC, and OPLHCE gage instruments use a bronze bourdon (C-Tube) tube sensing element. All feature adjustable high and low limit contacts that close to common to operate a shutdown, alarms, automation processes, etc. Model OPLHC has a flange case for wall or surface mounting. Models OPLHFC and OPLHCE are for panel mounting. Sensing is 1/4 NPT male.
OPLHACS, OPLHAFCS, and OPLHACES gage instruments use a 300 series stainless steel port and bellows as the sensing element. All have the same adjustable contact arrangement as the OPLHC family. OPTICS has a flanged case for wall or surface mounting. Models OPLHAFCS and OPLHACES are for panel mounting. Sensing is 1/4 NPT female.
OPLHBP, OPLHABPS, OPLHBPE, and OPLHABPES are the same as OPLHC and OPLHACS families and include a built-in latching relay available for 12 VDC, 24 VDC, 24 VAC or 120 VAC. Suitable for on/off or start/stop control.
OPLHG, OPLHGE, OPLHAGS, OPLHAGES, and OPLHAFGS are indicating only (without switch contact) versions of the above models.
Warnings
Before beginning installation of this product:
- Disconnect all electrical power to the machine
- Make sure the machine cannot operate during installation
- Follow all safety warnings of the machine manufacturer
- Read and follow all installation instructions
Precautions
- Do NOT exceed the rated level range.
- Dope or use Teflon tape on connection threads
- Do not block the inlet orifice with pipe dope/sealant
- For direct mount into the process, a vertical or ninety-degree mounting is recommended
- Use a wrench on the shank to tighten or loosen the connection
- Do not overtighten the unit
- Do not twist the case when screwing the unit into the process, this will damage internal components and will void the warranty
- Use shock mounts as necessary to protect from vibration
* Selected configurations are CSA-approved. Consult the factory for details.
** Selected configurations are third-party listed. Consult FW Murphy for details.
IMPORTANT: Gages are pre-calibrated in feet of the static head above the gage connection. If the gage is installed at an elevation higher or lower than the tank bottom the gage pointer must be reset for proper level indication. (See Adjusting Limit Contacts and Gage Pointer section.)
Specifications
Case: Die cast aluminum Contacts: See typical wiring information
Movement: 300 series stainless steel; geared
Sensing connections:
OPLHG, OPLHFG, OPLHGE, OPLHC, OPLHCE, OPLHFC, OPLHBP, OPLHBPE: 114 NPT (male) OPLHACS, OPLHACES, OPLHAGS, OPLHAGES, OPLHABPS, OPLHABPES, OPLHAFCS, OPLHAFGS: 1/4 NPT (female)
-EX Explosion-proof Case Option: 1/4 NPT (female)
Accuracy: ± 2% for the first and last quarters of the scale, the middle half of scale is± 1 %
Bourdon tube (OPLHC) models: in the 20 ft. (6 m) range have an accuracy of 3% full-scale
OPLHAC (Bellows) models: 0-5′ 3% full scale, 0-10′ 2% full-scale
Dial: 4-1/2 in. (114 mm), white on black background
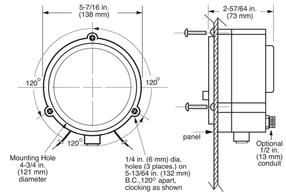
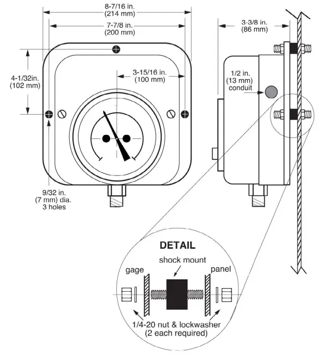
Conduit: Square case: 1/2 NPT, conduit
Round case: Optional 1/2 NPT male (with “ES” option)
Overrange: Do not exceed 10% above the full range
In order to consistently bring you the highest quality, full-featured products, we reserve the right to change our specifications and designs at any time. FW MURPHY product names and the FW MURPHY logo are proprietary trademarks. This document, including textual matter and illustrations, is copyright protected with all rights reserved. (c) 2022 FW MURPHY. A copy of our typical warranty may be viewed or printed by going to www.fwmurphy.com/warranty.
Case Mounting
Wall Mount
Flanged case design intended for a wall mount. Shown with shock mounts (optional).
Flush Mount
A round case design is to be mounted within a panel from 1/32 in. (1 mm) to 1/8 in. (3 mm) thick.
Explosion-proof Case Mount
An explosion-proof case can be mounted from the face or rear.
Flush mount/wall mount
Installation Instructions and Options
IMPORTANT: Gages are pre-calibrated in feet of the static head above the gage connection. If the gage is installed at an elevation higher or lower than tank bottom the gage pointer must be reset for proper level indication. See Adjusting Limit Contacts and Gage Pointer section.
Direct Mount
- Connection should be made near the bottom of the tank but above sludge level. See Above Ground Tank illustration.
- The gage connection can be into the side or bottom of the tank.
- After initial installation Stick the tank to determine the level and reset the pointer to that level. See Adjusting Limit Contacts and Gage Pointer section.
Bubbler System for Above/Underground Tanks
- Connect a level sensor tube to the gauge instrument. See Below Ground Tank and Direct and Remote Tank illustrations.
- Keep sensing tubing above sludge level. Keep connections away from the suction line of the pump. A consistent airflow through the tubing is suggested and will increase the accuracy of the unit. Flow control should be used to limit the flow of air. There should be a constant flow of air. Too high of a rate of airflow will cause the reading to have errors showing the tank level to be higher than it is.
NOTE: Minimum pressure regulator setting in psi= maximum gauge instrument range in feet of the head x conversion factor ( example: 0.4335 for freshwater) - After initial installation, Stick the tank to determine the level and reset the pointer to that level. See Adjusting Limit Contacts and Gage Pointer section.
Adobe Ground Tank

Blow Ground Tank
Adjusting Limit Contacts and Gage Pointer
Limit Contact Adjustments
Facing the dial, the left side knob is Low limit contact. The right side is High limit contact. To set limit contact, turn the knob to the desired point on the scale.
Limit Contact Wiping Feature (SPL)
The force of the pointer causes the flexible contact arm (A) to tilt resulting in a wiping action (D). This clears away film or corrosion formed on the contact surfaces.
A. Contact arm-flex
B. Contact arm
C. Pointer Contact
D. Initial point of contact
E. Limit contact knob
Gage Pointer Adjustments
IMPORTANT: To adjust the gauge pointer for high or low elevated tanks, subtract the tank elevation from the gauge reading to determine the actual tank reading.
To reset to zero or to a known value proceed as follows:
- Turn off the power. Remove the snap ring and the lens/contact assembly (or open hinged cover).
- Hold the pointer hub with the thumb and forefinger then turn the screw to the desired point. Avoid touching the gold flashed, and silver contact areas. See DETAIL “A”.
- Replace lens contact assembly and snap ring (or close hinged cover), and turn on the power.
NOTE: Span adjustments and recalibration must be performed by an authorized mechanic or return the unit to the factory.
Operation Test Instructions
For All Models
- Operational test(s) are performed after the unit is properly installed and wired.
- When pressure (level) is applied to the instrument, the pointer will travel upscale in a clockwise direction. Adjust the contacts so that neither is touching the pointer.
- Test each limit contact separately by turning it so that it touches the pointer. This should operate the control circuit or device; For Example: start a pump on a high tank level and stop it on a low tank level.
- When the desired operation is verified, set the adjustable contacts at the low and high levels.
- For the OPLHC, OPLHCE, OPLHACS, and OPLHAES models, to maintain the NEMA 3R rating, tighten and torque the two cover screws to 27 to 35 in-lbs. after installation and testing are completed.
Typical Electrical Diagrams
WARNING
Perform the wiring operation with the power source OFF. Make sure the voltage and current requirements are within the gauge ratings. Before wiring determines voltage and polarity for the application. Use the appropriate wire size. All connections should be made using spade (forked) or ring terminals. For pigtail connections use wire nuts. A conduit is recommended to protect wires from damage.
OPLHC, OPLHFC, OPLHCE, OPLHACS, OPLHAFCS and OPLHACES
Contact Ratings: 1 SPDT, Center off; 2 A, 30 VDC, 0.1 A, 125 VAC pilot duty.
NOTE: Diagrams above show the pointer in the at rest (shelf) position.
BP Versions
Contact Ratings: SPDT dry relay contacts; 10 A, 125 VAC.
NOTE: Diagram is shown with the pointer in the at rest (shelf) position.
Transformer Relay Assemblies
For higher voltages, the FW Murphy TR Assemblies can be used in conjunction with any Swichgage® instrument.
All Trademarks and service marks used in this document are the property of their respective owners.
FW MURPHY PRODUCTION CONTROLS
SALES, SERVICES & ACCOUNTING
4646 S. HARVARD AVE.
TULSA, OK 74135
MANUFACTURING
2151 RANDON DYER ROAD
ROSENBERG, TX 17411
5157 FARINON DRIVE
SAN ANTONIO, TX 78249
DOMESTIC SALES & SUPPORT FW MURPHY PRODUCTS PHONE: 918 951 1000
EMAIL [email protected] WWW.EWMURPHY.COM
FW MURPHY CONTROL SYSTEMS & SERVICES PHONE: 281 633 4500
EMAIL: [email protected]
INTERNATIONAL SALES & SUPPORT CHINA
PHONE: +86 511 8188 6060
EMAIL: INTERNATIONALPFWMURPHY.COM
LATIN AMERICA & CARIBBEAN PHONE: +1 918 770 8775
EMAIL: [email protected]
SOUTH KOREA PHONE: +82 70 7951 4100
EMAIL: [email protected]\![]()

















