UC-5100 Series Quick Installation Guide
Version 1.2, January 2021
Technical Support Contact Information
www.moxa.com/support

Overview
The UC-5100 Series embedded computers are designed for industrial automation applications. The computers feature 4 RS-232/422/485 full-signal serial ports with adjustable pull-up and pull-down resistors, dual CAN ports, dual LANs, 4 digital input channels, 4 digital output channels, an SD socket, and a Mini PCIe socket for the wireless module in a compact housing with convenient front-end access to all these communication interfaces.
Model Names and Package Checklist
The UC-5100 Series includes the following models:
UC-5101-LX: Industrial computing platform with 4 serial ports, 2 Ethernet ports, SD socket, 4 DI, 4 DO, -10 to 60°C operating temperature range
UC-5102-LX: Industrial computing platform with 4 serial ports, 2 Ethernet ports, SD socket, Mini PCIe socket, 4 DI, 4 DO, -10 to 60°C operating temperature range
UC-5111-LX: Industrial computing platform with 4 serial ports, 2 Ethernet ports, SD socket, 2 CAN ports, 4 DI, 4 DO,-10 to 60°C operating temperature range
UC-5112-LX: Industrial computing platform with 4 serial ports, 2 Ethernet ports, SD socket, Mini PCIe socket, 2 CAN port, 4 DI, 4 DO, -10 to 60°C operating temperature range
UC-5101-T-LX: Industrial computing platform with 4 serial ports, 2 Ethernet ports, SD socket, 4 DI, 4 DO, -40 to 85°C operating temperature range
UC-5102-T-LX: Industrial computing platform with 4 serial ports, 2 Ethernet ports, SD socket, Mini PCIe socket, 4 DI, 4 DO, -40 to 85°C operating temperature range
UC-5111-T-LX: Industrial computing platform with 4 serial ports, 2 Ethernet ports, SD socket, 2 CAN port, 4 DI, 4 DO, -40 to 85°C operating temperature range
UC-5112-T-LX: Industrial computing platform with 4 serial ports, 2 Ethernet ports, SD socket, 2 CAN port, Mini PCIe socket, 4 DI, 4 DO, -40 to 85°C operating temperature range
NOTE – The operating temperature range of the wide temperature models is:
-40 to 70°C with an LTE accessory installed
-10 to 70°C with a Wi-Fi accessory installed
Before installing a UC-5100 computer, verify that the package contains the following items:
- UC-5100 Series computer
- Console cable
- Power jack
- Quick Installation Guide (printed)
- Warranty card
Notify your sales representative if any of the above items are missing or damaged.
NOTE The console cable and power jack can be found beneath the molded pulp cushioning inside the product box.
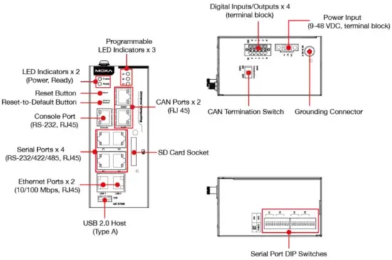
Appearance
UC-5101
UC-5102
UC-5111
UC-5112
LED Indicators
The function of each LED is described in the table below:
| LED Name | Status | Function |
| Power | Green | The power is on and the device is functioning normally |
| Off | Power is off | |
| Ready | Yellow | OS has been successfully enabled and the device is ready |
| Ethernet | Green | Steady On 10 Mbps Ethernet link Blinking: Data transmission is in progress |
| Yellow | Steady On: 100 Mbps Ethernet link Blinking: Data transmission is in progress | |
| Off | Transmission speed below 10 Mbps or the cable is not connected | |
| Serial (Tx) | Green | The serial port is transmitting data |
| Off | The serial port is not transmitting data | |
| Serial (Rx) | Yellow | The serial port is receiving data |
| Off | The serial port is not receiving data |
| LED Name | Status | Function |
| L1/L2/L3 (UC-5102/5112) | Yellow | The number of glowing LEDs indicates the signal strength. All LEDs: Excellent L1 & L2 LEDs: Good L1 LED: Poor |
| Off | No wireless module detected | |
| L1/L2/L3 (UC-5101/5111) | Yellow/Off | Programmable LEDs defined by users |
The UC-5100 computer is provided with a Reset button, which is located on the front panel of the computer. To reboot the computer, press the reset button for 1 second.
Reset to Default Button
The UC-5100 is also provided with a Reset to Default button which can be used to reset the operating system back to the factory default status. Press and hold the Reset to Default button between 7 to 9 seconds to reset the computer to the factory default settings. When the reset button is held down, the Ready LED will blink once every second. The Ready LED will become steady when you hold the button continuously for 7 to 9 seconds. Release the button within this period to load the factory default settings.
Installing the Computer
DIN-rail Mounting
The aluminum DIN-rail attachment plate comes attached to the product casing. To mount the UC-5100 on to a DIN rail, make sure that the stiff metal spring is facing upwards and follow these steps.
| Step 1 | Step 2 |
| Insert the top of the DIN rail into the slot just below the stiff metal spring in the upper hook of the DIN-rail mounting kit. | Push the UC-5100 towards the DIN rail until the DIN-rail attachment bracket snaps into place. |
![]() | ![]() |
Wiring Requirements
Be sure to read and follow these common safety precautions before proceeding with the installation of any electronic device:
- Use separate paths to route wiring for power and devices. If power wiring and device wiring paths must cross, make sure the wires are perpendicular at the intersection point.
NOTE Do not run signal or communication wiring and power wiring in the same wire conduit. To avoid interference, wires with different signal characteristics should be routed separately. - Use the type of signal transmitted through a wire to determine which wires should be kept separate. The rule of thumb is that wiring that shares similar electrical characteristics can be bundled together.
- Keep input wiring and output wiring separate.
- It is strongly advised that you label wiring to all devices for easy identification.
ATTENTION
Safety First!
Be sure to disconnect the power cord before installing and/or wiring your UC-5100 Series computers.
Wiring Caution!
Calculate the maximum possible current in each power wire and common wire. Observe all electrical codes dictating the maximum current allowable for each wire size. If the current goes above the maximum ratings, the wiring could overheat, causing serious damage to your equipment. This equipment is intended to be supplied by a certified External Power Supply, the output of which meets SELV and LPS regulations.
Temperature Caution!
Be careful when handling the unit. When the unit is plugged in, the internal components generate heat, and consequently, the outer casing may feel hot to the touch.
This equipment is intended for installation in Restricted Access Locations.
Connecting the Power
Connect the 9 to 48 VDC power line to the terminal block, which is a connector to the UC-5100 Series computer. If the power is supplied properly, the Power LED will glow a solid green light. The power input location and pin definition are shown in the adjacent diagram.
SG: The Shielded Ground (sometimes called Protected Ground) contact is the contact at the bottom of the 3-pin power terminal block connector when viewed from the angle shown here. Connect the wire to an appropriate grounded metal surface or to the grounding screw on top of the device.
NOTE The input rating of UC-5100 Series is 9-48 VDC, 0.95-0.23 A.
Grounding the Unit
Grounding and wire routing help limit the effects of noise due to electromagnetic interference (EMI). Run the ground connection from the terminal block connector to the grounding surface prior to connecting the power. Note that this product is intended to be mounted on a well-grounded mounting surface, such as a metal panel.
Connecting to the Console Port
The UC-5100’s console port is an RJ45-based RS-232 port located on the front panel. It is designed for connecting to serial console terminals, which are useful for viewing boot-up messages, or for debugging system boot-up issues.
Connecting to the Network
The Ethernet ports are located on the front panel of the UC-5100. The pin assignments for the Ethernet port are shown in the following figure. If you are using your own cable, make sure that the pin assignments on the Ethernet cable connector match the pin assignments on the Ethernet port.
Connecting to a Serial Device
The serial ports are located on the front panel of the UC-5100 computer. Use a serial cable to connect your serial device to the computer’s serial port. These serial ports have RJ45 connectors and can be configured for RS-232, RS-422, or RS-485 communication. The pin location and assignments are shown in the table below.
Connecting to a DI/DO Device
The UC-5100 Series computer comes with 4 general-purpose input connectors and 4 general-purpose output connectors. These connectors are located on the top panel of the computer. Refer to the diagram on the left for the pin definitions of the connectors. For the wiring method, refer to the following figures.
The UC-5100 Series computer comes with 4 general-purpose input connectors and 4 general-purpose output connectors. These connectors are located on the top panel of the
computer. Refer to the diagram on the left for the pin definitions of the connectors. For the wiring method, refer to the following figures.
Connecting to a CAN Device
The UC-5111 and UC-5112 are provided with 2 CAN ports, allowing users to connect to a CAN device. The pin location and assignments are shown in the following table:
Connecting the Cellular/Wi-Fi Module and Antenna
The UC-5102 and UC-5112 computers come with one Mini PCIe socket for installing a cellular or Wi-Fi module. Unfasten the two screws on the right panel to remove the cover and find the location of the socket.
The cellular module package includes 1 cellular module, and 2 screws. The cellular antennas should be purchased separately to fit your installation requirements.
- Follow these steps to install the cellular module. Set the antenna cables aside for convenience of installation and clear the wireless module socket as shown in the figure.

- Insert the cellular module into the socket and fasten two screws (included in the package) on to the top of the module. We recommended using a tweezer when installing or removing the module.
- Connect the free ends of the two antenna cables next to the screws as shown in the image.

- Replace the cover and secure it using two screws.
- Connect the cellular antennas to the connectors. Antenna connectors are located on the front panel of the computer.

The Wi-Fi module package includes 1 Wi-Fi module, and 2 screws. The antenna adapters and Wi-Fi antennas should be purchased separately to fit your installation requirements.
Follow these steps to install a Wi-Fi module.
- Set the antenna cables aside for convenience of installation and clear the wireless module socket as shown in the figure.

- Insert the cellular module into the socket and fasten two screws (included in the package) on to the top of the module. We recommended using a tweezer when installing or removing the module.
- Connect the free ends of the two antenna cables next to the screws as shown in the image.

- Replace the cover and secure it with two screws.
- Connect the antenna adapters to the connectors on the front panel of the computer.

- Connect the Wi-Fi antennas to the antenna adapters.

Installing Micro SIM Cards
You will need to install a Micro SIM card on your UC-5100 computer. Follow these steps to install the Micro SIM card.
- Remove the screw on the cover located on the front panel of the UC-5100.

- Insert the Micro SIM card into the socket. Make sure you place the card in the right direction.
To remove the Micro SIM card, simply push the Micro SIM card and release it.
Note: There are two Micro SIM card sockets allowing users to install two Micro SIM cards simultaneously. However, only one Micro SIM card can be enabled for use.
Installing the SD Card
The UC-5100 Series computers come with a socket for storage expansion that allows users to install an SD card. Follow these steps to install the SD card:
- Unfasten the screw and remove the panel cover. The SD socket is located on the front panel of the computer.
- Insert the SD card into the socket. Ensure that the card is inserted in the right direction.

- Replace the cover and fasten the screw on the cover to secure the cover.
To remove the SD card, simply push the card in and release it.
Adjusting the CAN DIP Switch
The UC-5111 and UC-5112 computers come with one CAN DIP switch for users to adjust the CAN termination resistor parameters. To set up the DIP switch, do the following:
- Find the DIP switch location on the top panel of the computer

- Adjust the setting as required. The ON value is 120Ω, and the default value is OFF.
Adjusting the Serial Port DIP Switch
The UC-5100 computers come with a DIP switch for users to adjust the pull-up/pull-down resistors for the serial port parameters. The serial port DIP switch is located on the bottom panel of the computer.
Adjust the setting as required. The ON setting corresponds to 1K and the OFF setting corresponds to 150K. The default setting is OFF.
Each port consists of 4 pins; you must switch all 4 pins of a port simultaneously to adjust the value of the port.
































