MOXA UC-3100 Series Arm-Based Computers Installation Guide
Version 4.1, April 2021
Technical Support Contact Information
www.moxa.com/support
![]()
P/N: 1802031000025
![]()
Overview
Moxa UC-3100 Series computers can be used as smart edge gateways for data pre-processing and transmission, as well as for other embedded data-acquisition applications. The UC-3100 Series includes three models, UC-3101, UC-3111 and UC-3121, each supporting different wireless options and protocols. Please refer to the datasheet for more information.
Package Checklist
Before installing the UC-3100, verify that the package contains the following items:
- 1 x UC-3100 Arm-based computer
- 1 x DIN-rail mounting kit (preinstalled)
- 1 x Power jack
- 1 x 3-pin terminal block for power
- 1 x CBL-4PINDB9F-100: 4-pin pin header to DB9 female console port cable, 100 cm
- 1 x Quick installation guide (printed)
- 1 x Warranty card
IMPORTANT: Notify your sales representative if any of the above items are missing or damaged.
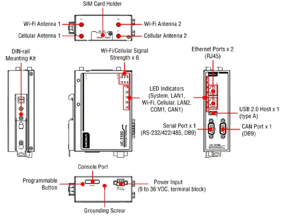
Panel Layout
The following figures show the panel layouts of the UC-3100 models:
UC-3101

UC-3111

UC-3121

LED Indicators

Installing the UC-3100
The UC-3100 can be mounted on to a DIN rail or on to a wall. The DIN-rail mounting kit is attached by default. To order a wall-mounting kit, contact a Moxa sales representative.
DIN-rail Mounting
To mount the UC-3100 on to a DIN rail, do the following:
- Pull down the slider of the DIN-rail bracket located at the back of the unit
- Insert the top of the DIN rail into the slot just below the upper hook of the DIN-rail bracket.
- Latch the unit firmly on to the DIN rail as shown in the illustrations below.
- Once the computer is mounted properly, you will hear a click and the slider will rebound back into place automatically.

Wall Mounting (optional)
The UC-3100 can also be wall mounted. The wall-mounting kit needs to be purchased separately. Refer to the datasheet for more information.
- Fasten the wall-mounting kit to the UC-3100 as shown below:

- Use two screws to mount the UC-3100 on to a wall.
These two screws are not included in the wall-mounting kit and must be purchased separately. Refer to the detailed specifications below:
Head Type: flat
Head Diameter >5.2 mm
Length >6 mm
Thread Size: M3 x 0.5 mm
Connector Description
Power Connector
Connect the power jack (in the package) to the UC-3100’s DC terminal block (located on the bottom panel), and then connect the power adapter. It takes several seconds for the system to boot up. Once the system is ready, the SYS LED will light up.
Grounding
Grounding and wire routing help limit the effects of noise due to electromagnetic interference (EMI). There are two ways to connect the UC-3100 grounding wire to the ground.
- Through the SG (Shielded Ground, sometimes called Protected Ground):
The SG contact is the left-most contact in the 3-pin power terminal block connector when viewed from the angle shown here. When you connect to the SG contact, the noise will be routed through the PCB and the PCB copper pillar to the metal chassis.
- Through the GS (Grounding Screw):
The GS is located between the console port and the power connector. When you connect to the GS wire, the noise is routed directly from the metal chassis.
NOTE The grounding wire should have a minimum diameter of 3.31 mm2.
Ethernet Port
The 10/100 Mbps Ethernet port uses the RJ45 connector. The pin assignment of the port is shown below:

Serial Port
The serial port uses the DB9 male connector. It can be configured by software for the RS-232, RS-422, or RS-485 mode. The pin assignment of the port is shown below:

CAN Port
The UC-3121 comes with a CAN port which uses the DB9 male connector and is compatible with the CAN 2.0A/B standard. The pin assignment of the port is shown below:

SIM Card Socket
The UC-3100 comes with two nano-SIM card sockets for cellular communication. The nano-SIM card sockets are located on the same side as the antenna panel. To install the cards, remove the screw and the protection cover to access the sockets, and then insert the nano-SIM cards into the sockets directly. You will hear a click when the cards are in place. The left socket is for SIM 1 and the right socket is for SIM 2. To remove the cards, push the cards in before releasing them.

RF Connectors The UC-3100 comes with RF connectors to the following interfaces.
Wi-Fi
The UC-3111 and UC-3121 models come with a built-in Wi-Fi module. You must connect the antenna to the RP-SMA connector before you can use the Wi-Fi function. The W1 and W2 connectors are interfaces to the Wi-Fi module.
Bluetooth
The UC-3111 and UC-3121 models come with a built-in Bluetooth module. You must connect the antenna to the RP-SMA connector before you can use the Bluetooth function. The W1 connector is the interface to the Bluetooth module.
Cellular
The UC-3100 models come with a built-in cellular module. You must connect the antenna to the SMA connector before you can use the cellular function. The C1 and C2 connectors are interfaces to the cellular module. For additional details refer to the UC-3100 datasheet.
GPS
The UC-3111 and UC-3121 models come with a built-in GPS module. You must connect the antenna to the SMA connector with the GPS mark before you can use the GPS function.
SD Card Socket
The UC-3111 and UC-3121 models come with a SD-card socket for storage expansion. The SD card socket is located next to the Ethernet port. To install the SD card, remove the screw and the protection cover to access the socket, and then insert the SD card into the socket. You will hear a click when the card is in place. To remove the card, push the card in before releasing it.
Console Port
The console port is an RS-232 port that you can connect to with a 4-pin pin header cable (available in the package). You can use this port for debugging or firmware upgrade.

USB
The USB port is a type-A USB 2.0 version port, which can be connected with a USB storage device or other type-A USB compatible devices.
Real-time Clock
The real-time clock is powered by a lithium battery. We strongly recommend that you do not replace the lithium battery without the help of a Moxa support engineer. If you need to change the battery, contact the Moxa RMA service team.
![]()
ATTENTION
There is a risk of explosion if the battery is replaced with an incorrect type of battery.
Accessing the UC-3100 Using a PC
You can use a PC to access the UC-3100 by one of the following methods:
A. Through the serial console port with the following settings:
Baudrate = 115200 bps, Parity = None, Data bits = 8, Stop bits = 1, Flow Control = None
![]()
ATTENTION
Remember to choose the “VT100” terminal type. Use the console cable to connect a PC to the UC-3100’s serial console port.
B. Using SSH over the network. Refer to the following IP addresses and login information:

Login: moxa
Password: moxa
![]()
ATTENTION
- This device is an open-type device that is to be installed in an enclosure only accessible with the use of a tool, suitable for the environment.
- This equipment is suitable for use in Class I, Division 2, Groups A, B, C, and D or non-hazardous locations only.
- WARNING – EXPLOSION HAZARD. DO NOT DISCONNECT WHILE CIRCUIT IS LIVE UNLESS THE AREA IS FREE OF IGNITIBLE CONCENTRATIONS.
- WARNING – EXPLOSION HAZARD – External Connection (Console Port) is not to be used in a Hazardous Location.
- ANTENNAS INTENDED FOR USE IN CLASS I, DIVISION 2 HAZARDOUS LOCATIONS MUST BE INSTALLED WITHIN THE END USE ENCLOSURE. FOR REMOTE MOUNTING IN AN UNCLASSIFIED LOCATION, ROUTING AND INSTALLATION OF THE ANTENNAS SHALL BE IN ACCORDANCE WITH NATIONAL ELECTRICAL CODE REQUIREMENTS (NEC/CEC) Sec. 501.10(b).
- This product is intended to be supplied by an IEC/EN 60950-1 or IEC/EN 62368-1 approved power supply suitable for use at 75 °C minimum the output of which meets ES1 and PS2 or LPS and the power supply output rated at 9-36 VDC, 0.8A minimum
- The power cord adapter should be connected to a socket outlet with an earthing connection or the power cord and adapter must comply with Class II construction.
- This equipment is intended to be used in Restricted Access Locations, such as a computer room, with access limited to SERVICE PERSONAL or USERS who have been instructed on how to handle the metal chassis of equipment that is so hot that special protection may be needed before touching it. The location should only be accessible with a key or through a security identity system.
External metal parts of this equipment are extremely hot!! Before touching the equipment, you must take special precautions to protect your hands and body from serious injury.
ATEX Specifications

- Ex nA IIC T4 Gc
- Ambient Range:-40°C ≤ Ta ≤ +70°C, or -40°C ≤ Tamb ≤ +70°C
- Rated Cable Temp ≧ 90 °C
- Standards Covered:
EN 60079-0:2012+A11:2013
EN 60079-15:2010 - Hazardous Location : Class I, Division 2, Groups A, B, C, and D
Special Conditions of Use:
These devices shall be mounted in a suitable tool-accessible ATEX-certified enclosure that is rated at least IP54 as defined in EN 60529 and Pollution Degree 2 as defined in EN 60664-1, and the devices shall be used within their rated electrical and environmental ratings.
Moxa Inc.
No. 1111, Heping Rd., Bade Dist., Taoyuan City 334004, Taiwan























