Control iD iDFace

Thank you for purchasing iDFace! To access detailed information about your new product, please check the following link: www.controlid.com.br/userguide/idface-en.pdf
Necessary Materials
In order to install your iDFace, you will need the following items: drill, wall plugs and screws,screwdriver, 12V power supply rated for at least 2A and an electronic lock.
Installation
For the correct operation of your iDFace, the following precautions should be taken:
- Install in a place that is not exposed to direct sunlight. This lighting factor must be considered in order to ensure the quality of the captured images.
- Avoid metallic objects near the rear of the device in order not to impair the proximity reader’s range. In case this is not possible, use insulating spacers.
- Before securing the device in place, ensure all connecting cables are correctly routed towards the device.
- Fix the bottom part of the wall support for iDFace at 1.35m from the ground for the passage of people or at 1.20m for the recognition of a person inside a car.

The device installation process is simple and should follow the diagram below:

- For greater security during the installation, place the External Access Module (EAM) in a secure region (internal area of the facility).
- Use the reference pattern in the back of this guide to drill the 3 holes required to install the iDFace and fit the wall plugs in.
- Connect the EAM to a +12V power source and to the lock using the cables supplied.
- Prepare a 4 – way cable long enough to connect the EAM to the iDFace. For distances greater than 5m, use a twisted pair cable for the data signals. If you choose a Cat 5 cable to connect the EAM to the iDFace, use 3 pairs for power and 1 pair for the data signals. In this case, the distance cannot surpass 25m. Remember to use the same pair for signals A and B.
Recommended setup for Cat 5 cable+12V Green + Orange + Brown GND Green/Wh + Orange/Wh + Brown/Wh A Blue B Blue/Wh - Connect the wire harness provided with iDFace to the 4 wires in the previous item.
- Remove the wall support from the iDFace.
- Screw the wall support with the wall plugs.
- Remove the sealing lid from the bottom and connect the 4-way wire to the iDFace.

- Insert and fix the lid and the sealing rubber.
The lid and the sealing rubber are essential for IP65 protection. Please make sure to position and fix them on the back of the product properly. - Secure the iDFace on the wall support and secure it in place with the screws provided together with the connection cables.

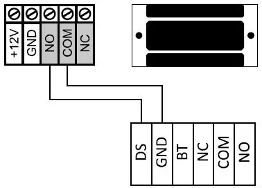
Description of the Connection Terminals
On your iDFace, there is a connector on the back of the device, right next to the network connector (Ethernet). In the External Access Module (EAM) there is a matching connector and 3 other connecting pins that will be used to connect locks,switches and scanners as explained ahead.
iDFace: 4 – Pin Connector

EAM: 2 – Pin Connector (Power Supply)

The connection to a +12V power supply rated for at least 1A is fundamental for the correct operation of the device.
EAM: 4 – Pin Connector

EAM: 5 – Pin Connector (Wiegand In/Out)

External card readers should be connected to Wiegand WIN0 and WIN1. In case there is a control board, one can connect the Wiegand WOUT0 and WOUT1 outputs to the control board so that the user´s ID identified in the iDFace is transferred to it.
EAM: 6 – Pin Connector (Door Control/Relay)

The push button and door sensor inputs can be configured as NO or NC and must be connected to dry contacts (switches, relays etc.) between the GND and respective pin.
iDFace Settings
The configuration of all the parameters of your new iDFace can be set through the LCD display (Graphical
User Interface – GUI) and/or through a standard internet browser (as long as the iDFace is connected to an Ethernet network and have this interface enabled).
In order to configure, for example, the IP address,subnet mask and gateway, through the touch screen,follow these steps: Menu → Settings → Network.
Update the information as you wish and connect the device to the network.
Web Interface Settings
First, connect the device directly to a PC using an Ethernet cable (cross or direct). Next, set a fixed IP on your computer for network 192.168.0.xxx (where xxx is different from 129 so that there is no IP conflict) and mask 255.255.255.0.
To access the device settings screen, open a web browser and enter the following URL: http://192.168.0.129
The login screen will be shown. The default access credentials are:
- Username: admin
- Password: admin
Through the web interface you can change the device’s IP. If you change this parameter, remember to write down the new value so that you can connect to the product again.
User Enrollment and Identification
The quality of a facial recognition system is directly related to the quality of the image captured by the iDFace during the enrollment stage. Thus, during this process, please make sure that the face is aligned to the camera and is 50 cm away. Avoid atypical facial expressions and objects that can hide important regions of the face (mask, sunglasses and others).
For the identification process, position yourself in front and inside the field of view of the iDFace’s camera and wait for the indication of access allowed or denied in the product’s display.
Avoid using objects that can block the capture of images of the eyes.
The recommended distance between the device and the user (1.45 – 1.80m tall) is from 0.5 to 1.4 meters.
Please make sure the user is positioned in the camera’s field of view.

Electronic lock types
iDFace, through the relay in the External Access Module, is compatible with almost all of the locks available in the market.
Magnetic lock
The magnetic or electromagnetic lock consists of a coil (fixed part) and a metal part (armature plate) which is attached to the door (mobile part). While there is a current passing through the magnetic lock, the fixed part will attract the mobile part. When the distance between these two parts is small, ie. when the door is closed and the dock is on top of the fixed part, the attraction force between the parts can reach over 1000kgf.
Thus, the magnetic lock is normally connected to the NC contact of the activation relay, as we normally want for the current to go through the electromagnet and, if we want the door to open, the relay must open and interrupt the current flow.
In this guide, the magnetic lock will be represented by:

Electric bolt
The electric bolt lock, also known as solenoid lock,consists of a fixed part with a mobile pin connected to a solenoid. The lock normally comes with a metal plate that will be attached to the door (mobile part).
The pin on the fixed part enters the metal plate preventing the door from opening.
In this guide, the solenoid pin lock will be represented by:

The gray terminals may not be present in all locks. If there is a power supply connection (+ 12V or + 24V), it is essential to connect it to a source before operating the lock.
Electromechanical Lock
The electromechanical lock or strike lock consists of a latch connected to a solenoid through a simple mechanism. After opening the door, the mechanism returns to its initial state allowing the door to be closed again.
Thus, the electromechanical lock typically has two terminals connected directly to the solenoid. When current passes through the lock, the door will be unlocked.
In this guide, the electromechanical lock will be represented by:

Confirm the operating voltage of the lock before connecting it to the iDFace! Many electromechanical locks operate at 110V/220V and must therefore use a different wiring set up.
Wiring Diagrams
iDFace and EAM (Mandatory)

Magnetic Lock

Solenoid Pin Lock (Fail Safe)

We recommend the use of a dedicated power supply to source power to the Solenoid Lock.
Electromechanical Lock (Fail Secure)

We recommend the use of an exclusive power supply to source power to the Electromechanical Lock.
Push Button

Door Sensor





















