SUNSUN CQB-2000 Series Fountain Pond Pump

Read and follow the operating instructions and safety information before using for the first time.
Technical changes reserved
- Due to further developments, illustrations, functioning steps, and technical data can differ insignificantly.
Updating the documentation
- If you have suggestions for improvement or have found any irregularities, please contact us.
The information contained in this document may alter at any time without previous notice. It is prohibited to copy or spread any parts of this document in any way without prior written allowance. All rights reserved. The WilTec Wildanger Technik GmbH cannot be held accountable for any possible mistakes in this operating manual, nor in the diagrams and figures shown. Even though WilTec Wildanger Technik GmbH has undergone the biggest possible efforts to ensure that the operating manual is complete, faultless, and up to date, mistakes cannot be entirely avoided. If you should find a mistake or wish to make a suggestion for improvement, we look forward to hearing from you.
- Send an e-mail to: [email protected]
- or use our contact form: https://www.wiltec.de/contacts/
- The most recent version of this manual in various languages can be found in our online shop via: https://www.wiltec.de/docsearch
- Our postal address is: WilTec Wildanger Technik GmbH Königsbenden 12 52249 Eschweiler Germany
To return orders for exchange, repair, or other purposes, please use the following address. Attention! To allow for a smooth execution of your complaint or return, it is important to contact our customer service team before returning the goods.
Returns Department
- WilTec Wildanger Technik GmbH
- Königsbenden 28 52249 Eschweiler
- E-mail: [email protected]
- Tel: +49 2403 55592–0
- Fax: +49 2403 55592–15
Introduction
Thank you for purchasing this quality product. To minimize the risk of injury we urge that our clients take some basic safety precautions when using this device. Please read the operation instructions carefully and make sure you have understood its content. Keep these operation instructions safe.
Safety guideline
BEWARE
The use of this device is allowed on standing water bodies, garden pond water or swimming ponds and their surrounding areas only with fault current protection switch with a triggering nominal current up to 30 mA (according to VDE 0100 Article 702 and 738). The device is not suitable for use in swimming pools, paddling pools, and other water bodies in which during operation people could be present. The operation of the device during the presence of people in the danger zone is not allowed. Ask your electrician. The device is not intended for use by persons (including children) with impaired or limited physical, sensory, and mental abilities, or lack of experience and/or real knowledge unless they are supervised by a person responsible for their safety or follow the instructions made by this person on how to use the device correctly. Children should be supervised to make sure that they do not play with the device.
ATTENTION
- Run a visual inspection of the device before every use. Do not use the device if the safety appliances are damaged or worn out. Never override safety regulations.
- Use the device exclusively according to the intended purpose stated in the instructions for use.
- You are responsible for the safety of the working environment.
- If the cable or the plug is damaged due to external influences the cable must not be repaired! It must be replaced with a new one. This work can be carried out only by an electrician.
- The voltage indicated on the type plate of the device of 230 V alternating voltage must correspond to the existent mains voltage.
- Never lift, carry, or suspend the device by using the power cable.
- Make sure that the electrical plug connection is placed in a flood-proof area and is protected from moisture.
- Before working on the pond pump disconnect the appliance by taking the plug out of the socket.
- Avoid exposing the appliance to a direct water jet or rain.
- The user is responsible for the compliance with location-specific safety and installation regulations. Ask an electrician.
- Consequential damage arising from flooded rooms caused by dysfunctions of the appliance must be avoided by means of the appropriate measures (e.g., installing an alarm system, or re-serve a pump).
- In case of malfunction, the repair work can be carried out only by a qualified electrician.
- The appliance must not run dry or with a completely closed intake port. The manufacturer’s guarantee is no longer valid if the damage is caused by dry running.
- The appliance must not be used for swimming pools.
- The device cannot be employed for potable water circuits.
WARNING: Read carefully all the safety guidelines and instructions. Non-compliance with the safety rules and regulations can lead to an electric shock, fire, and/or serious injury. Keep the instructions and the safety guidelines in a safe place in case you need them in the future.
Stability
- The max. the temperature of the conveyed liquid should not exceed +35 ℃ in permanent operation.
- The conveyance of aggressive fluids (acids, bases, etc.) as well as of abrasive substances (e.g., sand) must be avoided.
Electrical connection
- The electrical connection takes place via an electric safety socket 230 V ~ 50 Hz. Fuse protection at least 6 A.
- The engine is protected against overloading or blocking by means of built-in motor protection. In case of overheating the pump is turned off automatically due to the overheating protection and after the cooling the pump is automatically started.
Power connection
The pond pump is equipped with a safety plug. The device is designed for connection to an isolated ground receptacle with 230 V~50 Hz. Make sure that the socket outlet is sufficiently fused (at least 6 A) and safe. Insert the plug in the socket outlet and the pond pump is ready for use.
Installation
Notes
- The pump must be installed underwater. Make sure that moisture or water never reaches the mains connection.
- The pump is to be installed as follows: in a fixed position with fixed or flexible hose.
- Take care, that there are no bubbles in the hoses.
- Immerse the pump into the pond water (min 20 cm), so that it is filled with water.
- To avoid the premature clogging of the filter, position the pump above the pond sludge.
- The pump is started by plugging in the mains plug.
Commissioning
After reading the installation instructions carefully, you can start the new pump if you note the following aspects
- Connect the rubber feet with the motor body and filter basket.
- Check if the pressure pipes have been installed properly.
- Make sure that the electrical connection is 230 V~50 Hz.
- Check if the socket is in proper working order.
- Make sure that moisture or water never reaches the mains connection.
- Install the pump under the water surface.
- Avoid that the pump operating dry.
Warranty Information
Not covered by warranty
- damaging the mechanical seal due to dry running or pumping cleaning agents or other chemical substances;
- damages in transit;
- damages caused by unauthorised interference
- parts subject to wear (propeller, sealing flange) do not fall under warranty.
Hints for maintenance
The pond motor pump is a maintenance-free and practice-proven quality product that was subjected to rigorous final inspections. For a long working life and continuous operation, we recommend regular checking and proper care.
Maintenance and cleaning
Overload protection
The pump has integrated overheat protection. After the pump is stopped it must cool down for a while due to the overheating control device, before it runs again. In case it does not run again by itself, the following checks shall be conducted
Has the pump cooled down sufficiently due to the overheating protection after being stopped?
Is the water supply sufficient?
- Improve the water supply!
Is the filter clogged?
- If necessary, rinse the filter!
Is there dirt in the pump housing?
- Perform cleaning!
Is the hose or the pipe clogged?
- Clear the hose/pipe!
Is the hose broken, or too long?
- Check, replace, shorten!
Technical specifications
| Model (Item №) | Dimensions (㎜) | Motor type | Current supply | Power consumption (W) | Max. delivery head (m) | Max. flow rate (ℓ⁄h) | Hose connection Ø (㎜) |
| CQB-2003 (50337) | 193 × 99 × 99 |
Synchro- nous |
230 V / 50 Hz | 35 | 2.0 | 2300 | 19 (¾″) 25 (1″) |
| CQB-2503 (50338) | 35 | 2.5 | 2400 | ||||
| CQB-2000 (50248) | 175 × 105 × 100 | 35 | 2.0 | 2400 |
21 / 25 | ||
| CQB-2500 (50249) | 45 | 2.4 | 2700 |
Maintenance and cleaning of the pump
Procedure
- Disconnect the pump!
- Pull the front filter away from the motor body. Now you can see the motor body.
- Pull the impeller out of the motor body and clean everything by using a sponge with water.
Re-assembly
- Introduce the rotor/impeller assembly carefully in the motor housing/pump body. Make sure that the rotor is properly placed and can rotate freely.
- Connect the pump housing with the filter basket and place them onto the motor body. Then the pump is ready to use.
Exploded views
CQB-2000/2500 (50248/50249)

| № | Name | № | Name | № | Name |
| 1 | Front filter | 5 | Rubber bearing | 9 | Big filter |
| 2 | Impeller cover | 6 | O-ring 2 | 10 | Motor |
| 3 | O-ring 1 | 7 | Big outlet | 11 | Rubber feet |
| 4 | Impeller/rotor | 8 | Small outlet |
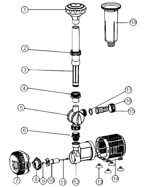
CQB 2003/2503 (50337/50338)


Disposal regulations
EU guidelines regarding the disposal of scrap electric appliances (WEEE, 2012/19/EU) were implemented in the law related to electrical and electronic equipment and appliances. All WilTec electric devices that fall under the WEEE regulations are labeled with the crossed-out wheeled waste bin logo. This logo indicates that this electric equipment must not be disposed of with domestic waste. The company WilTec Technik GmbH has been registered in the German registry EAR under the WEEE-registration number DE45283704.
Disposal of used electrical and electronic appliances (intended for use in the countries of the European Union and other European countries with a separate collection system for these appliances). The logo on the article or on its packaging points out that this article must not be treated as normal household waste but must be disposed to a recycling collection point for electronic and electrical waste equipment. By contributing to the correct disposal of this article you protect the environment and the health of your fellow men. Environment and health are threatened by inappropriate disposal. Material recycling helps reduce the consumption of raw materials. Additional information on recycling this article can be provided by your local community, municipal waste disposal facilities, or the store where you purchased the article.

Address: WilTec Wildanger Technik GmbH Königsbenden 12 / 28 D-52249 Eschweiler
Important notice: The reprint or reproduction, even of excerpts, and any commercial use, even in part, of this instruction manual require the written permission of WilTec Wildanger Technik GmbH.




















