
Instruction and warning book
COD. 3.031603
THERMAL SOLAR SYSTEM COMBINATION KIT FOR TRIO PACK ELECTRIC

GENERAL WARNINGS.
All Immergas products are protected with suitable transport packaging.
The material must be stored in a dry place protected from the weather.
This instruction manual provides technical information for installing the Immergas kit. As for the other issues related to kit installation (e.g. safety at the workplace, environmental protection, accident prevention), it is necessary to comply with the provisions specified in the regulations in force and with the principles of good practice. Improper installation or assembly of the Immergas appliance and/ or components, accessories, kits and devices can cause unexpected problems for people, animals, and objects. Read the instructions provided with the product carefully to ensure proper installation. Installation and maintenance must be performed in compliance with the regulations in force, according to the manufacturer’s instructions and by professionally qualified staff, meaning staff with specific technical skills in the plant sector, as envisioned by the law.
GENERALITIES.
Using this kit, the solar thermal system is combined with the Trio Pack Electric. Before performing any intervention, disconnect the power supply to the installed indoor unit by acting on the switch placed upstream from the appliance.
INSTALLATION ON TRIO PACK ELECTRIC.
To install proceed as follows:
- Close the cold water inlet upstream of the system and empty the storage tank unit.
- Disconnect the power supply.
- Remove the two plugs on the storage tank unit to make the connections of the relative pipes (UCS and EFS) (see Fig. 7).
- Remove the two pipes indicated in figure 1.

- Pre-assemble the mixing valve (1) to the fitting (2) and to the pipe (3) interposing the relative gaskets.
N.B .: make sure that the side with the word “HOT” of the mixing valve faces upwards as shown in Fig. 2.
- Secure the solar unit (4) to the metal-sheet plate (5) with the screws (6) supplied (see Fig. 3).

- Secure the bracket (7) to the metal-sheet plate (5) supplied as indicated in Fig. 4 and lock it in place by tightening the screws (8) supplied.
- Mount the vessel (9) on the bracket (7). Complete the assembly by fixing the safety valve (10), the pipe (11) and the fitting (12) interposing the relative gaskets as shown in Fig. 4.

- Pre-mount the control unit (13) on the metal-sheet plate (15) using the screws (14) supplied.
- Mount the metal-sheet plate (15) on the solar unit (16) as shown in Fig. 5 and secure it using the screw (17) supplied.

- Secure the plate exchanger (18) to the hydronic unit (19) with the screws (20) supplied (see Fig. 6).

- Proceed with the hydraulic connections of the kit (Fig. 7).
- Connect all the pipes according to the following sequence, taking care to interpose the flat gaskets present in the kit, RP – MP (long) – UCS – RP (short) – EFS pipe.
- Connect the two solar system pipes to the specially prepared fittings, using one of the pre-cut slots (B).
- Connect the silicone pipe (21) to the safety valve fitting and insert it into the tank (23).
- Insert the solar tank probe (22) in its seat.
- Reopen the cold water inlet and restore power to the system.


SOLAR CONTROL UNIT INSTALLATION.
If necessary, the contacts cover can be removed by unscrewing the fixing screw provided (Fig. 8) and accessing the connections area (Fig. 9).
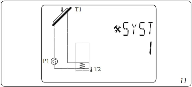
Description of solar control unit controls.
- The accumulation of solar energy is operating.
- Simplified scheme of the system.
• The pump logos light up when they are activated.
• Solid triangles on the valve logo indicate circulation.
• The inside of the tank will be active during loading. - Operating mode menu.
- Name of the value or parameter displayed at number “5”.
- The temperature of the different sensors or value of the parameter displayed under number “4”.
A: Keypad description:
Plus key (►+);
Minus (-◄);
Confirmation key or navigation key in the menu (OK).
N.B .: on the main screen it is possible to choose the sensor that must always be displayed; press the (OK) key to display the desired sensor.
Installation menu.
Press the (OK) key for 5 seconds to access the installation menu.
When accessing the installation menu (the first parameter “Syst” is displayed), it is possible to choose another parameter by pressing the navigation key (OK). Once the desired parameter is displayed, it is possible to change the value with the (►+) or (-◄) keys.
Lock function.
To avoid errors after installation, all critical parameters (system and Extra function) are not accessible after more than 4 hours have passed from start up. If you want to change them, you will need to disconnect and reconnect the control unit. No settings are lost during disconnection or after an electrical blackout.
Key:
After 4 hours, all other settings can be changed to optimize the A Control unit; system.


System choice.
“SySt” parameter (Default value “1” cannot be modified). System 1. Base system, with 1 tank, 1 pump, series of manifolds, and 2 sensors. It can be enriched with extra functions with 1 or 2 sensors T3 (NTC) or T4 (PT1000) (Thermostat, Cooling, Anti-stagnation or diff Control function).

Tank 1 charging is possible if the temperature difference “dt” between the collector (T1) and tank 1 (T2) is sufficient. Choice of the manifold. “TubE” parameter (Default value “off “). Once the “TubE” parameter has been selected, press the navigation key to the right (+) to choose the type of manifold installed.
- At this point select “on” if your system uses a vacuum pipe manifold. (This function can also be used with a flat manifold if the sensor is mounted on the outer parts of the manifold). This function works as follows. Every 30 minutes the pump runs for 40 seconds to measure the correct value on the manifold and avoid a cycle with short charge.
- Select “off ” if the system works with a flat manifold under normal conditions of use.
Manifold maximum temperature.
“ColM” parameter (Default value “120”). - Set the level to start the overheating protection for the manifold (Adjustable from 110 to 150°C, with factory setting at 120°C). Overheating protection. “OvrH” parameter (Default value “On”). This function will stop the circulations of all manifolds (P1 and P2) when the manifold temperature increases above “ColM” plus a compensation value (default value +10°C, modifiable). This function is used to protect the system elements (pipes, fittings, ring seals ..).
- To activate the function press (►+) selecting “on”.
- The compensation level can now be adjusted.
“Ovrt” parameter (Default value “20°C”).
This compensation is generally used to avoid a too fast reaction of the overheating protection function (especially useful with the vacuum pipe manifold). (Adjustable from +10°C to +30°C with factory value +10°C).
N.B .: for safety reasons, the overheating protection must always be “on”.
Cooling.
“Cool” parameter (Default value “On”). This option is used to protect the manifold liquid and works as described below. It activates the solar pump P1 or P2 if the temperature on the series of manifolds T1 or T4 exceeds the “Max temp” value even if the maximum temperature set in the tank is exceeded. Circulation stops when the temperature has dropped by 10°C (The pumps stop if the water temperature in the tank reaches 90°C). “Rcoo” parameter (Default value “On”).
When the water temperature in the tank exceeds the “Maxtemp tank1” setting level and the manifold temperature has dropped by 10°C, the pump is activated to cool the tank through manifolds. The pump will turn off when the water temperature drops to the “tkM1” setting level or when the difference between the temperature of the series of manifolds and the tank is less than 2°C.
Anti-freeze protection. “FrEZ” parameter (Default value “off “). This option keeps the temperature of the solar panel T1 or T4 above the level set for frost with the “Frzt” parameter by activating pump P1 or P2. This option can be used to reduce the accumulation of snow on the panel and increase efficiency during the day or avoid damage to the solar liquid.
N.B .: it is preferable not to use this function in areas that are too cold to avoid using too much energy stored in the tank. - To activate the function, press (+) and select “on”.
- The Freeze setting level can now be adjusted.
“FrZt” parameter (default value “10°C” (Adjustable from -20°C to + 7°C with recommended value 3°C).
Display.
“Disp” parameter (Default value “OFF”).
Backlight function. - To disable or disable the backlight function, press (+) or (-).
- If it is “Off” the backlight will turn off automatically 3 minutes after pressing the button.
- If it is “On” the backlight will always be active.
Factory setting.
“Fact” parameter. - If you want to reload all the parameters with the factory values, hold down the (+) key for a few seconds.
N.B.: for reasons of protection from errors and security reasons, the chosen system will not be reset.
Setting menu (setting) In this menu you have all the adjustable parameters for your system. The various parameters are not available on all systems.
To access the Setting menu, press the (-◄) and (►+) keys simultaneously. Once you have entered the Installation menu (the first parameter
“TkM1” is displayed), it is possible to choose another parameter by pressing the navigation key (OK). Once the desired parameter is displayed, it is possible to change the value with the (►+) or (-◄) keys. - The maximum temperature on tank 1.
“TkM1” parameter (Default value “65°C”). - The maximum value of the desired water temperature on tank 1 during normal operation (Adjustable from 15 to 95°C with factory value 65°C).
- Maximum delta temperature for tank 1
“dtM1” parameter (Default value “15°C”). - Difference between the temperature T1 of the manifold and the temperature T2 of the tank 1 to activate the main pump 1 (Adjustable from 3 to 40°C with a recommended value of 7°C).
- Minimum delta temperature for tank 1.
“dtm1” parameter (Default value “7°C”). - Difference between the temperature T1 of the manifold and the temperature T2 of the tank 1 to stop the main pump 1 (Adjustable from 2 to (dTMax tank1
- 2°C) with a recommended value of 3°C).
- Minimum temperature on the manifold.
“mtCo” parameter (Default value “25°C”). - This setting level is used to define a minimum temperature on the manifold to authorize solar charging (Adjustable between 0°C and 99°C with default value 25°C).
CIRCULATION PUMP (THERMAL SOLAR SYSTEM COMBINATION KIT).
The units are supplied with pumps equipped with a speed regulator. These settings are adequate for most plant solutions. The pump is equipped with electronic control that allows you to set advanced functions. For correct operation, it is necessary to choose the type of operation most suitable for the system and select the speed in the available range, favouring energy savings.
Operating status display (Fig. 12). When starting the circulating pump, the LED (2) lights up green for about 2 seconds, then it starts flashing for a short time at higher intensity and finally it switches off during normal operation. The LED (3) switches on only during PWM setting, not usable in the application. The three yellow LEDs (4) indicate the three constant curve speeds.

Operating mode selection
The operating mode is always visible and it is indicated by the The operating mode is always visible and it is indicated by the 3 yellow LEDs (4).
Info: If the pump is not powered, all LEDs are off.
To change operation mode, press the button (1). Each time the button is pressed, all possible functions are scrolled cyclically according to the following table:
| Pump Led | Description |
| Constant curve speed 1 | |
| Constant curve speed 2 | |
| Constant curve speed 3 | |
| PWM – Do not use | |
| PWM – Do not use |
| Pump Led (First red LED) | Description | Diagnostics | Remedy |
| Mechanically blocked pump | The pump fails to restart automatically due to an anomaly | Wait for the pump to make the automatic release attempts, or manually release the motor shaft by acting on the screw inthe centre of the head. If the fault persists, replace the pump. | |
| Abnormal situation (the pump continues to operate). low supply voltage | Voltage out of range <160 Vac | Check the power supply | |
| Electric fault (Pump blocked) | The pump is blocked due to a too low power supply or a serious malfunction | Check the power supply. If the fault persists, replace the pump |
Available head of solar circulation unit.

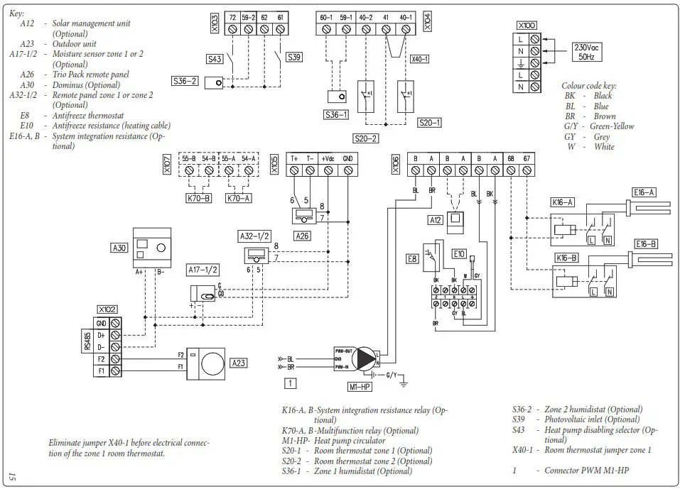
CONNECTION DIAGRAM.

N.B.: si raccomanda di fare eseguire una corretta manutenzione periodica.
During the useful life of the products, performance is affected by external factors, e.g. the hardness of the DHW, atmospheric agents, deposits in the system, and so on. The data declared refer to new products that are correctly installed and used with respect to the Standards in force.
N.B.: correct periodic maintenance is highly recommended.
Il libretto istruzioni è realizzato in carta ecologica This instruction booklet is madeof ecological paper.
![]()
Immergas TOOLBOX
L’App studiata da Immergas per i professionisti
The App designed by Immergas for professionals
![]()
immergas.com
To request further specific details, sector Professionals can also use the following e-mail address: [email protected]
Immergas S.p.A.
42041 Brescello (RE) – Italy
Tel. 0522.689011
Fax 0522.680617




























