![]()
snap one 040-00460a Wi-Fi Limited
Wi-Fi Limited Module Integration Instructions
Model: 040-00460a
This module has been granted limited modular approval for use in the C4-T4 Series of Automation Controllers. This device is for internal use only and is NOT sold to 3rd parties. Use of this device on products other than those listed below will require additional certifications.
- The host product with the module installed must be evaluated for simultaneous transmission requirements.
- The user manual for the host product must clearly indicate the operating requirements and conditions that must be observed to ensure compliance with current FCC/IC RF exposure guidelines.The Module must only be used in the following device and antenna combinations
DEVICE ANTENNA PORT ANTENNA MODEL C4-T4IW10-XX* Antenna 0 1005097 Antenna 1 1005098 C4-T4IW8-XX* Antenna 0 1005095 Antenna 1 1005096 C4-T4T10-XX* Antenna 0 1005180 Antenna 1 1005179 C4-T4T8-XX* Antenna 0 1005178 Antenna 1 1005179 - XX is a unit color identifier (Black or White)
- A label must be affixed to the outside of the host product with the following statements:
- “Contains FCC ID: 2AJACT4TS”
- “Contains IC: 7848A-T4TS”
The final host/module combination may also need to be evaluated against the FCC Part 15B criteria for unintentional radiators in order to be properly authorized for operation as a Part 15 digital device. If the final host/module combination is intended for use as a portable device (see classifications below) the host manufacturer is responsible for separate approvals for the SAR requirements from FCC Part 2.1093 and RSS-102. The module incorporates a MuRata radio module with a single transciever output that connects to an RF switch for diversity. The switch drives two MHF 4L coaxial sockets to which a the antennas can be attached.
Signal and power connector
Connect signal and power through Novastack 35-P board connector details: I-PEX Connectors: 20709-050E-01 0 CONN, 50PIN PLUS 2 POWER RECEPTACLE 0.7MM HEIGHT 0.35MM PITCH
| Reference | A | B | C | D | E | F |
| Dimension in mm |
8.40 |
9.42 |
10.92 |
10.75 |
9.70 |
11.10 |
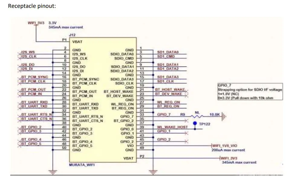
Receptacle pinout:

Device classifications
Since host devices vary widely with design features and configurations, module integrators shall follow the guidelines below regarding device classification and simultaneous transmission and seek guidance from their preferred regulatory test lab to determine how regulatory guidelines will impact the device compliance. Proactive management of the regulatory process will minimize unexpected schedule delays and costs due to unplanned testing activities. The module integrator must determine the minimum distance required between their host device and the user’s body. The FCC provides device classification definitions to assist in making the correct determination. Note that these classifications are guidelines only; strict adherence to a device classification may not satisfy the regulatory requirement as near-body device design details may vary widely. Your preferred test lab will be able to assist in determining the appropriate device category for your host product and if a KDB or PBA must be submitted to the FCC.
Note: The module you are using has been granted modular approval for mobile applications. Portable applications may require further RF exposure (SAR) evaluations. It is also likely that the host/module combination will need to undergo testing for FCC Part 15 regardless of the device classification. Your preferred test lab will be able to assist in determining the exact tests which are required on the host/module combination
FCC definitions
Portable: (§2.1093) —A portable device is defined as a transmitting device designed to be used so that the radiating structure(s) of the device is/are within 20 centimeters of the body of the user Mobile: (§2.1091) (b) —A mobile device is defined as a transmitting device designed to be used in other than fixed locations and to generally be used in such a way that a separation distance of at least 20 centimeters is normally maintained between the transmitter’s radiating structure(s) and the body of the user or nearby persons. Per §2.1091d(d)(4) In some cases (for example, modular or desktop transmitters), the potential conditions of use of a device may not allow easy classification of that device as either Mobile or Portable. In these cases, applicants are responsible for determining minimum distances for compliance for the intended use and installation of the device based on evaluation of either specific absorption rate (SAR), field strength, or power density, whichever is most appropriate.
Simultaneous transmission evaluation
This module has not been evaluated or approved for simultaneous transmission as it is impossible to determine the exact multi-transmission scenario that a host manufacturer may choose. Any simultaneous transmission condition established through module integration into a host product must be evaluated per the requirements in KDB447498D01(8) and KDB616217D01,D03 (for laptop, notebook, netbook, and tablet applications).These requirements include, but are not limited to:
- Transmitters and modules certified for mobile or portable exposure conditions can be incorporated inmobile host devices without further testing or certification when:
- The closest separation among all simultaneous transmitting antennas is >20 cm,
Or - Antenna separation distance and MPE compliance requirements for ALL simultaneous transmitting antennas have been specified in the application filing of at least one of the certified transmitters withinthe host device. In addition, when transmitters certified for portable use are incorporated in a mobile host device, the antenna(s) must be >5 cm from all other simultaneous transmitting antennas.
- All antennas in the final product must be at least 20 cm from users and nearby persons.
FCC statements
This device complies with part 15 of the FCC Rules. Operation is subject to the following two conditions:
- This device may not cause harmful interference, and
- This device must accept any interference received, including interference that may cause undesired operation.
Warning: Changes or modifications to this unit not expressly approved by the party responsible for compliance could void the user’s authority to operate the equipment. This device complies with part 15 of the FCC Rules. Operation is subject to the following two conditions:
FCC Radiation Exposure Statement
This equipment complies with FCC radiation exposure limits set forth for an uncontrolled environment.
FCC Modular Usage Statement
Note 1: This module certified complies with RF exposure requirements under mobile or fixed condition; this module is to be installed only in mobile or fixed applications. A mobile device is defined as a transmitting device designed to be used in other than fixed locations and to generally be used in such a way that a separation distance of at least 20 centimeters is normally maintained between the transmitter’s radiating structure(s) and the body of the user or nearby persons. Transmitting devices designed to be used by consumers or workers that can be easily re-located, such as wireless devices associated with a personal computer, are considered to be mobile devices if they meet the 20 centimeter separation requirement. A fixed device is defined as a device is physically secured at one location and is not able to be easily moved to another location.
Note 2: Host product manufacturers must provide in their user manual the required RF exposure information for mobile & fixed usage of this module. Host product manufacturers must use the following RF exposure statement in their user manual “This equipment complies with FCC radiation exposure limits set forth for an uncontrolled environment. This equipment should be installed and operated with a minimum distance of 20 cm between the radiator and all persons. This transmitter must not be co-location or operating in conjunction with any other antenna or transmitter.”
Note 3: To ensure compliance with all non-transmitter functions the host manufacturer is responsible for ensuring compliance with the module(s) installed and fully operational. For example, if a host was previously authorized as an unintentional radiator under the Supplier’s Declaration of Conformity procedure without a transmitter certified module and a module is added, the host manufacturer is responsible for ensuring that the after the module is installed and operational the host continues to be compliant with the part 15B unintentional radiator requirements. Since this may depend on the details of how the module is integrated with the host, the manufacturer shall provide guidance to the host manufacturer for compliance with the part 15B requirements
ISED Statements
This device complies with Innovation, Science and Economic Development Canada’s licenseexempt RSS standard(s). Operation is subject to the following two conditions:
- this device may not cause interference, and
- this device must accept any interference, including interference that may cause undesired operation of the device.
ISED RF Exposure Statement
This equipment complies with ISED radiation exposure limits set forth for an uncontrolled environment. This equipment should be installed and operated with minimum distance 20cm between the radiator & your body. This transmitter must not be co-located or operating in conjunction with any other antenna or transmitter
ISED Modular Usage Statement
NOTE 1: When the ISED certification number is not visible when the module is installed inside another device, then the outside of the device into which the module is installed must also display a label referring to the enclosed module. This exterior label can use the wording “Contains transmitter module IC: 7848A-T4TS” or “Contains IC:
Wi-Fi Limited Module Integration Instructions


















