Danfoss AKS 38 Liquid Level Switch Installation Guide
Figures



Refrigerants
Applicable to HCFC, non flammable HFC and R717 (Ammonia).
Temperature range
-50 °C/+65 °C (-58 °F/149 °F)
Pressure range
AKS 38 is designed for a max. working pressure of 28 bar g (406 psi g)
IMPORTANT
Should pressure testing in excess of 28 bar g (406 psi g) be necessary then the internal float assembly must be removed, thus allowing a maximum test pressure of 42 bar g (609 psi g)
Electrical data
- Change-over Micro (SPDT) switch
- 250 V a.c / 10 A
- 30 V d.c / 5 A
- DIN Plug
- DIN 43650 connection
- PG 11, 8-10 mm (0.31” – 0.39”)
- Screw terminal 1.5 mm2 (16 AWG)
- 3+PE
Liquid level differential
Variable between 12.5 mm to 50 mm (½” to 2”) in 12.5 mm (½”) increments. Required differential setting should be made prior to installation.
Factory set at 50 mm (2”).
Enclosure
IP 65
Installation
IMPORTANT
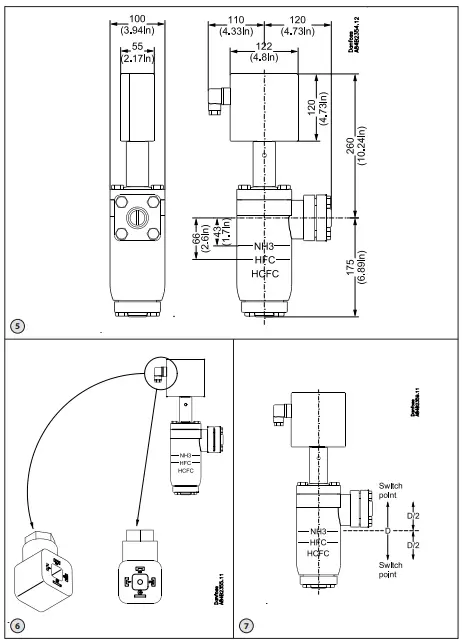
AKS 38 must always be installed in a vertical position (fig. 1 and 2).
AKS 38 is supplied complete with flanges (fig 2, pos. 14). The external surfaces of the flanges must be prevented against corrosion with a suitable protective coat after installation.
To avoid an oil seal forming which would affect the movement of the internal float the bottom connecting pipe must have an incline towards the liquid separator.
Shut-off valves should be mounted as close as possible to the float for service (fig. 1).
Switch point
The switch point is relative to the actual liquid level marking on the AKS 38 housing. See fig 7.
The upper switch point is actually (D : 2) higher than the actual liquid level marking.
The lower switch point is actually (D : 2) lower than the actual liquid level marking.
Where D = differential.
Adjusting the liquid level differential switch point (see fig. 9)
The float comes factory set with a differential setting of 50 mm (2”) with the lower locking ring C in position b. To acheive smaller differential settings reposition the lower locking ring C at b1 = 37.5 mm (1½”); (b2 = 25 mm (1”); b3 = 12.5 mm (½”).
The upper locking ring D in position a should not be adjusted or repositioned.
IMPORTANT
The adjustment must be made before AKS 38 is installed in the refrigeration system. Use two thumbs for repositioning the locking rings. Do not use any tools.
Remove the AKS 38 switch box (fig. 3, pos. 2).
- Unfasten the M4 × 8 (fig. 3, pos. 3) pinol tailstock screw with a Allen key.
- Remove the switch box by slowly easing upwards.
Remove the AKS 38 housing top cover (fig. 3, pos. 4).
- Unfasten the 4 × M12 × 35 stainless steel bolts (fig. 3, pos. 5).
- Remove the complete top cover including installed pressure tube (fig. 3, pos. 7).
Remove the complete float assembly (fig.3, pos. 1 and fig. 4, pos. 1) from the AKS 38 housing (fig. 3, pos. 6).
- Reposition the lower locking ring at the required differential setting.
- See fig. 8 and fig. 9.
Reassembly
- Refit the float assembly back into the AKS 38 housing (fig. 3, pos. 6).
- Reinstall the complete top cover (fig. 3, pos. 4) and fasten the 4 × M12 × 35 bolts (fig. 3, pos. 5).
Max. tightening torque: 74 Nm (100 ft-lb). - Reinstall the switch box (fig. 3, pos. 2) by slowly forcing it down over the pressure tube (fig. 3, pos. 7).
- Position the switch box (fig. 3, pos. 2) as required and fasten the M4 × 8 pinol tailstock screw (fig. 3, pos. 3) with a Allen key.
Electrical installation
Make electrical connection to DIN plug using cable with maximum 4 cores and wire in accordance with wiring diagram (fig. 8).
- Common
- Normally Closed
- Normally Open Earth terminal
Maintenance
IMPORTANT
The AKS 38 must be evacuated before opening to air.
Replacing the internal float assembly (fig. 3, pos.1)
- Unscrew the stainless steel bolts 4 × M12×35 (fig. 3, pos. 5).
- Remove the top cover (fig. 3, pos. 4) including installed pressure tube (fig. 3, pos. 7) and switch box (fig. 3, pos. 2).
- Remove the internal float assembly (fig 3, pos. 1).
- Install the new float assembly.
Replacing the flange gaskets (fig. 2, pos. 15)
- Unscrew the 4 × M12×35 stainless steel bolts on the side flange (fig. 2, pos. 13).
- Unscrew the 4 × M12×35 stainless steel bolts on the bottom flange (fig. 2, pos. 13).
- Remove both gaskets (fig. 2, pos. 14).
- Install the new gaskets.
- Fasten 4 × M12×35 stainless steel bolts in each flange. Max. tightening torque: 74 Nm (100 ft-lb).
Replacing the top cover gasket (fig. 3, pos. 8)
- Unscrew the 4 × M12×x35 stainless steel bolts (fig. 3, pos. 5).
- Remove the top cover (fig. 3, pos. 4) including installed pressure tube (fig. 3, pos. 7) and switch box (fig. 3, pos. 2).
- Remove the gasket (fig. 3, pos. 8).
- Install the new gasket.
- Fasten 4 × M12×35 stainless steel bolts (fig. 3, pos. 5).
Max. tightening torque: 74 Nm (100 ft-lb).
Replacing the aluminium gasket (fig. 3, pos. 11)
- Unscrew the M4 × 8 pinol tailstock screw (fig. 3, pos. 3) with a Allen key.
- Remove the switch box (fig. 3, pos. 2) by slowly easing upwards.
- Unscrew the pressure tube (fig. 3, pos. 7) with a 32 mm wrench.
- Remove the aluminium gasket (fig. 3, pos. 11).
- Install the new gasket.
- Reinstall the pressure tube.
- Reinstall the switch box.
Replacing the switchbox (fig. 3, pos 2)
- Remove the DIN-plug (fig. 6).
- Unscrew the M4 × 8 pinol tailstock screw (fig. 3, pos. 3) with a Allen key.
- Remove the switch box (fig. 3, pos. 2) by slowly easing upwards.
- Install the new switch box.
Replacing the O-ring at the pressure tube (fig. 3, pos. 9)
- Unscrew the M4 × 8 pinol tailstock screw (fig. 3, pos. 3) with a Allen key.
- Remove the switch box (fig. 3, pos. 2) by slowly easing upwards.
- Remove the O-ring.
- Install the new O-ring.
- Reinstall the switch box.
Danfoss A/S
Climate Solutions • danfoss.com • +45 7488 2222
Any information, including, but not limited to information on selection of product, its application or use, product design, weight, dimensions, capacity or any other technical data in product manuals, catalogues descriptions, advertisements, etc. and whether made available in writing, orally, electronically, online or via download, shall be considered informative, and is only binding if and to the extent, explicit reference is made in a quotation or order confirmation. Danfoss cannot accept any responsibility for possible errors in catalogues, brochures, videos and other material. Danfoss reserves the right to alter its products without notice. This also applies to products ordered but not delivered provided that such alterations can be made without changes to form, fit or function of the product.
All trademarks in this material are property of Danfoss A/S or Danfoss group companies. Danfoss and the Danfoss logo are trademarks of Danfoss A/S. All rights reserved.



















