U219804 VRR LED Retrofit Kit
Instruction Manual
U219804 VRR LED Retrofit Kit
READ AND FOLLOW ALL SAFETY INSTRUCTIONS!
SAVE THESE INSTRUCTIONS AND DELIVER TO OWNER AFTER INSTALLATION
- To reduce the risk of death, personal injury or property damage from fire, electric shock, falling parts, cuts/abrasions, and other hazards please read all warnings and instructions included with and on the fixture box and all fixture labels.
- Before installing, servicing, or performing routine maintenance upon this equipment, follow these general precautions.
- Installation and service of luminaires should be performed by a qualified licensed electrician.
- Maintenance of the luminaires should be performed by person(s) familiar with the luminaires’ construction and operation and any hazards involved. Regular fixture maintenance programs are recommended.
- It will occasionally be necessary to clean the outside of the refractor/lens. Frequency of cleaning will depend on ambient dirt level and minimum light output which is acceptable to user. Refractor/lens should be washed in a solution of warm water and any mild, non-abrasive household detergent, rinsed with clean water and wiped dry. Should optical assembly become dirty on the inside, wipe refractor/lens and clean in above manner, replacing damaged gaskets as necessary.
- DO NOT INSTALL DAMAGED PRODUCT! This luminaire has been properly packed so that no parts should have been damaged during transit. Inspect to confirm. Any part damaged or broken during or after assembly should be replaced.
- Recycle: For information on how to recycle LED electronic products, please visit www.epa.gov.
- These instructions do not purport to cover all details or variations in equipment nor to provide every possible contingency to meet in connection with installation, operation, or maintenance. Should further information be desired or should particular problems arise which are not covered sufficiently for the purchaser’s or owner’s purposes, this matter should be referred to Acuity Brands Lighting, Inc.
WARNING RISK OF ELECTRIC SHOCK
- Disconnect or turn off power before installation or servicing.
- Verify that supply voltage is correct by comparing it with the luminaire label information.
- Make all electrical and grounded connections in accordance with the NatioElectrical Code (NEC) and any applicable local code requirements.
- All wiring connections should be capped with UL approved recognized wire connectors.
WARNING RISK OF BURN
- Allow lamp/fixture to cool before handling.
Do not touch enclosure or light source. - Do not exceed maximum wattage marked on luminaire label.
- Follow all manufacturer’s warnings, recommendations and restrictions for: driver type, burning position, mounting locations/methods, replacement and recycling.
CAUTION RISK OF FIRE
- Keep combustible and other materials that can burn, away from lamp/lens.
- Do not operate in close proximity to persons, combustible materials or substances affected by heat or drying.
CAUTION: RISK OF PRODUCT DAMAGE
- Never connect components under load.
- Do not mount or support these fixtures in a manner that can cut the outer jacket or damage wire insulation.
- Unless individual product specifications deem otherwise: Never connect an LED product directly to a dimmer packs, occupancy sensors, timing devices, or other related control devices. LED fixtures must be powered directly off a switched circuit.
- Unless individual product specifications deem otherwise: Do not restrict fixture ventilation. Allow for some volume of airspace around fixture. Avoid covering LED fixtures with insulation, foam, or other material that will prevent convection or conduction cooling.
- Unless individual product specifications deem otherwise: Do not exceed fixtures maximum ambient temperature.
- Only use fixture in its intended location.
- LED products are Polarity Sensitive. Ensure proper Polarity before installation.
- Electrostatic Discharge (ESD): ESD can damage LED fixtures. Personal grounding equipment must be worn during all installation or servicing of the unit.
- Do not touch individual electrical components as this can cause ESD, shorten lamp life, or alter performance.
- Some components inside the fixture may not be serviceable. In the unlikely event your unit may require service, stop using the unit immediately and contact an ABL representative for assistance.
- Always read the fixtures complete installation instructions prior to installation for any additional fixture specific warnings.
Please see product specific installation instructions for additional warnings or any applicable FCC or other regulatory statements.
Failure to follow any of these instructions could void product warranties. For a complete listing of product Terms and Conditions, please visit www.acuitybrands.com.
WARNING – Risk of fire or electric shock. Luminaire wiring and electrical parts may be damaged when drilling for installation of LED retro fit kit. Check for enclosed wiring and components.
WARNING – Risk of fire of electric shock. LED Retrofit kit installation requires knowledge of luminaires electrical systems. If not qualified, do not attempt installation. Contact a qualified electrician.
WARNING – Risk of fire of electric shock. Install this kit only in the luminaires that have the construction features and dimensions shown in the photographs and/or drawings.
WARNING – To prevent wiring damage or abrasion, do not expose wiring to edges of sheet metal or other sharp objects.
Do not make or alter any open holes in an enclosure of wiring or electrical components during kit installation.
Parts List
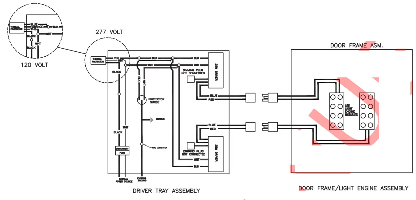
Driver Tray- Quantity 1- Nominal 10-1/2” x 10-1/2” x 4-3/4” Aluminum metal tray with 1 or 2 electronic drivers and 1 surge protector attached. Connected via wires to thermal protector assembly.
Any replacement driver must be equivalent to the existing Samsung model number.
Any replacement surge protector must be equivalent to the existing Thomas Research model number.
Any replacement thermal protector must be equivalent to the existing Sensata model number.
Door Frame/Light Engine Assembly- Quantity 1 – Nominal 13-1/4” x 13-1/4” white metal tray with 1, 2, or 3 LED Light Engines Modules attached. Also may consist of optional lens.
Any replacement modules must be equivalent to the existing Samsung model number.
Pre-Pack- Consisting of screws, wire nut and “modification” label.
VRR LED Retrofit Kit Installation Instructions
- Remove door frame assembly from existing housing and discard.
- Remove all existing internal electrical (including thermal protector) and metal components. Discard according to local environmental regulations. For example, old ballasts and capacitors that contain PCBs must be treated as hazardous waste. Removed HID and compact fluorescent lamps may be required to be disposed of as hazardous waste.
- Pull supply wire to the side of housing which has the thermal protector cut out.

- Install power tray (access plate towards thermal protector cut out) with screws provided into fi xture and remove the access plate cover.

- Install thermal protector assembly into the side of housing and secure with screws supplied.
- Make wire connections and place safely above power tray. BRANCH CIRCUIT CONDUCTORS (POWER FEED WIRING TO LIGHT FIXTURE)
MUST BE RATED 90 DEG C (OR HIGHER TEMPERATURE). Reference wiring diagram for appropriate fixture (see pages 5 and 6)
- Reinstall access cover plate.
- Install the door frame by fi rst attaching lens tether clips through holes in the housing.

- Make LED module connections by making plug connection between power tray and door frame assembly. (making sure red and blue wires align).

- Finish installing door frame with screws supplied.

- Apply modification label to fixture next to existing identification label.
WARNING: Risk of fi re or electric shock. Th is VRR LED Retrofit Kit should be installed in a Lithonia VRR luminaire only, having the construction features shown in the photographs attached. Th e kit is not designed for retrofitting other luminaire types.
Do not make or alter any open holes in an enclosure of wiring or electrical components during kit installation.
To prevent wiring damage or abrasion, do not expose wiring to edges of sheet metal or other sharp objects.
VRRR LED 1L

VRRR LED 3L

VRRR LED 4L

VRRR LED 3L DS

VRRR LED 4L DS

























