LAVABO Kubus 040 Kitchen Faucet
Product Information
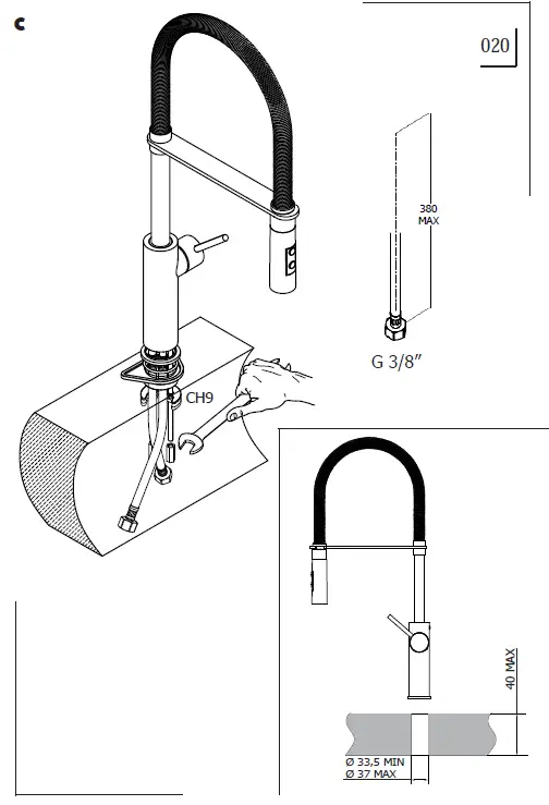
The Kubus 040 & 020 is a DVGW – DW-6506CU0348 certified product that is used for hot and cold water supply. It comes with a cartridge and an aerator that can be replaced if necessary. The product has a maximum capacity of 380 and works at a maximum temperature of 40 degrees Celsius. The product has a G 3/8 connection and the package includes the necessary components for assembly.
Product Usage Instructions
Step 1: Unpack all the components and ensure that all the parts are included in the package.
Step 2: Find a suitable location for installation and ensure that the water supply is turned off before proceeding with the installation.
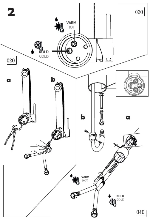
Step 3: Install the product by following the assembly diagram provided in the user manual. Ensure that all the connections are tight and secure.
Step 4: Turn on the water supply and check for any leaks or malfunctions. If everything is working correctly, you can start using the product.
How to replace Cartridge: To replace the cartridge, follow the steps provided in CH9. Turn off the water supply, remove the handle and unscrew the cartridge. Replace with a new cartridge and reassemble the product.
How to replace Aerator: To replace the aerator, follow the steps provided in CH2.5. Unscrew the aerator from the spout and replace with a new one.
How to replace Flex Inox: To replace the Flex Inox, follow the steps provided in CH13. Turn off the water supply, remove the old Flex Inox and replace with a new one.
How to replace Spout and Aerator: To replace the spout and aerator, follow the steps provided in CH2.5. Turn off the water supply, remove the spout and aerator and replace with new ones.
Assembly


Working
Service
How to replace Cartridge
How to replace Aerator
How to replace Flex Inox
How to replace Spout and Aerator
- Spout
- Aerator
Lavabo A/S
Fløjbjergvej 52
DK6580 Vamdrup
Tlf. +45 75 55 88 66
E-mail: [email protected]
www.lavabo.dk

























