KEMPPI SuperSnake GT02S Welding Machine Subfeeder

PREFACE
General
Congratulations on choosing the SuperSnake equipment. Used correctly, Kemppi products can significantly increase the productivity of your welding, and provide years of economical service.
This operating manual contains important information on the use, maintenance and safety of your Kemppi product. The technical specifications of the device can be found at the end of the manual.
Please read the manual carefully before using the equipment for the first time. For your
own safety and that of your working environment, pay particular attention to the safety instructions in the manual.
For more information on Kemppi products, contact Kemppi Oy, consult an authorised Kemppi dealer, or visit the Kemppi web site at www.kemppi.com.
The specifications presented in this manual are subject to change without prior notice.
Important notes
Items in the manual that require particular attention in order to minimise damage and personal harm are indicated with the ’NOTE!’ notation. Read these sections carefully and follow their instructions.
Disclaimer
While every effort has been made to ensure that the information contained in this guide
is accurate and complete, no liability can be accepted for any errors or omissions. Kemppi reserves the right to change the specification of the product described at any time without prior notice. Do not copy, record, reproduce or transmit the contents of this guide without prior permission from Kemppi.
About SuperSnake products
SuperSnake is a combined solution for distance wire feeding and restricted access welding. It extends the reach of standard euro MIG/MAG welding guns up to 30 metres, providing simple distance wire feeding for a variety of filler wires, taking quality welding to locations other welding equipment can’t reach.
SuperSnake models connect easily to FastMig MXF/MXP wire feed units with a special MXF synchronisation kit, and to ProMig 501, 501L and 530 wire feed units with a ProMig 50 synchronisation kit.
INSTALLATION
Before use
The product is packed in specially designed transport cartons. However, before use always make sure the products have not been damaged during transportation.
Check also that you have received the components you ordered and the instruction manuals needed, as described in the Quick start guide pack. Product packaging material is recyclable.
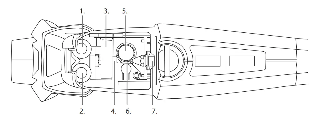
Machine introduction

- Euro gun connector
- Feed mechanism door
- Feed mechanism door lock
- Bumper profile body
- Meter display (Not available in ProMig applications)

- Wire speed/Arc length regulation
- Voltage/Power regulation
- Pressure arm adjuster
- Wire guide tube
- Powered drive roll
- Pressure drive roll
- Brights LED
Connecting cables
NOTE! Always check before use that the interconnecting cable, shielding gas hose, earth return lead/clamp, and mains cable is in a serviceable condition. Ensure that connectors are correctly fastened. Lose connectors can impair welding performance and damage connectors.
Sub feeder syncronization kit
To enable SuperSnake connection, MXF/MXP wire feed units must first be fitted with a FastMig MXF synchronisation kit (W004030), and ProMig wire feed units with ProSync 50 kit (6263121). Follow the installation instructions provided in the kit delivery.
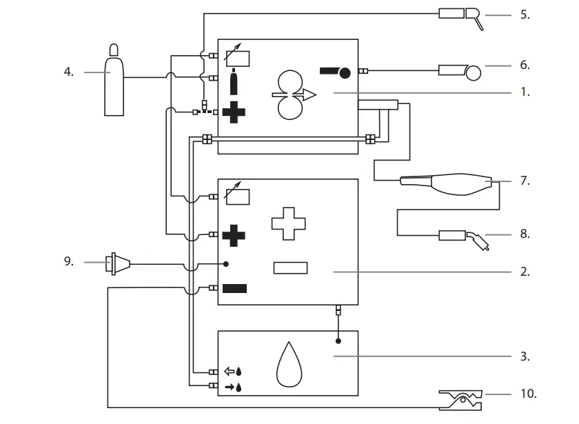
Water cooled system
FastMig KMS/Pulse/X + MXF/MXP + FastCool 10 Pro Evolution + ProMig + ProCool 30

- MXF, MXP or ProMig wire feed unit
- FastMig Pulse or Pro Evolution power source
- FastCool or ProCool 30 water cooler and power connection
- Gas supply
- MMA electrode holder
- Remote control device
- SuperSnake GT02SW
- Liquid cooled welding Gun
- Power cable
- Earth return lead and clamp
Gas cooled system
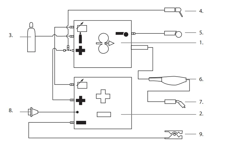
FastMig KMS/Pulse/X + MXF/MXP

- MXF, MXP or ProMig wire feed unit
- FastMig Pulse or Pro Evolution power source
- Gas supply
- MMA electrode holder
- Remote control device
- SuperSnake GT02S
- Air cooled welding Gun
- Power cable
- Earth return lead and clamp
ASSEMBLY OF SUPERSNAKE GT02S AND GT02SW
Before connection

Uncoil SuperSnake taking the feed mechanism body towards the intended welding area, and away from the welding machine. Ensure there are no tight bends before you load the filler wire.
Ensure that the correct filler wire support liner is fitted and installed correctly for the intended welding application. Kemppi manufacturer a range of support liners for different filler material types, including Steel wound and DL Chili. Please read the guide notes on liner selection and installation before use.
SuperSnake wire feed mechanism
Before loading the filler wire to SuperSnake please set the wire feed mechanism. Ensure the grooved drive rolls suit the filler wire size and type. Close and adjust the pressure arm.

Wire feed roll, wire guide tubes and wire liners
| Wire feed rolls | ø, mm | ||
| Fe, Ss (Al, Mc, Fc) V groove
| 0.8 | W004276 | |
| 1.0 | W004277 | ||
| 1.2 | W004278 | ||
| 1.6 | W004279 | ||
| Mc, Fc (Fe) V groove, knurled
| 1.2 | W004281 | |
| 1.6 | W006608 | ||
| 2.0 | W006609 | ||
| Al (Ss, Fe, Mc, Fc) U groove
| 1.2 | W004280 |


Mounting and locking of wire spool
Ensure quality filler wire is loaded to the wire feed cabinet. Check that the correct wire guide tube and wire drive rolls are selected and fitted for the filler wire type used.

NOTE! Check that the filler wire spool is correctly mounted and locked into position. Ensure the spool is not damaged or deformed in such a way that it can rub or chaff against the internal surface of the wire feed unit chassis or door. This may result in increased drag, impacting on weld quality. This may also result in long term wire feed unit damage, rendering the unit unserviceable or unsafe to use.
Loading the filler wire and automatic feed

Automatic wire feed makes wire spool changes faster. When changing the wire spool, the pressure of feed rolls need not be released. Simply ensure that the groove of the feed roll matches the diameter of filler wire used. Release the wire end from the spool and cut off any deformed section. Be careful the wire does not spill from the spool sides. Straighten about 20 cm of filler and present the filler wire tip to the back of the wire feed rolls and press the wire inch button on the wire feed panel.
Now take a fine file or abrasive cloth and remove any sharp edges from the filler wire end, before loading to SuperSnake. This prevents damage to plastic liners in particular, and also prevents pick-up and stubbing inside metal liners when loading.

NOTE! Smaller diameter filler wires may need to be loaded manually – with the feed roll pressure arms released. This is because it is easy to over estimate the pressure required to feed these smaller filler wires. Too high feed roll pressures can easily deform filler wires and contribute to later feeding problems.
Adjustment of MXF/MXP pressure arms
Adjust the drive pressure to the filler wire with the thumb screws mounted over the pressure arms. Notice the graduated scales indicating load. The load applied should be sufficient to overcome a light braking force applied by hand to the filler wire, as it exits the welding gun contact tip.
For smaller diameter and soft filler wires, less feed pressure is required. It should be possible to apply a light breaking force to the filler wire by hand, as it exits the gun contact tip. But slightly more wire flow restriction should render the drives rolls to slip slightly over the filler wire without deforming the wire
NOTE! Excessive pressure causes flattening of the filler wire and damage to coated or cored filler wires. It also causes undue wear of the feed rolls and increases gearbox load, so reducing service life.
Adjustment of spool brake
Brake force is adjusted through the hole behind the locking clip. Remove the locking clip by hand, and adjust the tension and pressure to the friction pads mounted inside with a screw driver. See diagram and location A.

The load applied varies depending on the size and weight of the filler wire and spool, but also the filler wire feed speed set. The heavier the wire wire spool and the faster the feed speed, the greater the need to increase the braking load. Adjust the pressure, secure the locking clip, set the wire feed speed and check that the braking force is enough to ensure the filler wire does not spill from the spool on overrun.
NOTE! Too much or unnecessary loads can impact welding quality, load and wear to the wire feed system.
Communication cables
Support the SuperSnake coupling and guide the filler wire into the SuperSnake liner.
Then carefully mate and connect SuperSnake to the wire feed unit connector. Secure the SuperSnake by hand tightening the orange collar. The SuperSnake coupling transfers welding power, shielding gas and gun trigger lines. In addition you must connect both cable plugs
to the FastMig or ProMig wire feed unit sockets (from MXF synchronisation kit W004030 or ProMig ProSync 50 kit 6263121). This ensures wire feed motor synchronization, metering and remote control functions. Align and connect the plugs to the sockets and lightly tighten by hand. In ProSync applications, welding values are not shown. Instead, the display shows only dashes – – – .

Automatic wire feed to intermediate cable and gun

You are now ready to ‘Auto Load’ the filler wire. Ensure the FastMig or ProMig wire feed mechanism pressure arms are in place and correctly adjusted. Press the WIRE INCH button on the wire feed panel. MXF/PF system will automatically load the filler wire to the SuperSnake feed mechanism, and through the gun connector block. There should be a small amount of filler wire sticking out ready for gun connection.
NOTE! In ProMig applications, the automatic Wire Inch function is not available. You must press and hold the Wire Inch button or welding gun trigger, until the filler wire reaches SuperSnake.
Connecting the welding gun
Prepare your welding gun for connection. SuperSnake is designed to accept a wide variety of welding guns fitted with the standard Euro fitting. To ensure reliable welding performance, please ensure the gun is suitable for the intended welding application and is in good working order, correctly fitted with a suitable liner and contact tip.
Tread the filler wire into the welding gun and connect to the SuperSnake. Hand tighten the gun collar.
NOTE! Kemppi manufacture a range of quality welding guns, low friction loss gun liners and gun consumables, designed to compliment our welding products. Please consider these products before selecting an alternative.
Welding power controls
Ensure Remote control function is selected on the wire feed unit. SuperSnake provides
wire feed speed and voltage control in Basic MIG/MAG mode, plus Power and Arc length in 1-MIG and Pulse MIG. Note that Pulse MIG is not available in ProMig applications. Convenient welding parameter adjustments can be made during welding, allowing easy fine tuning of the welding arc.

- Welding power adjustment
Meter display (not available in ProMig applications)
The meter display provides essential welding data indicators. Depending on the MIG/MAG process selected, Voltage, Amperage, Wire feed speed, Plate thickness and Polarity will be indicated. Power and arc length adjustment can be made, prior to, and during welding via the potentiometers housed under the SuperSnake cabinet door. Post weld data is retained in the display for approximately 30 seconds after welding stops, providing that no additional control signals are received during this time.

- Voltage
- Welding current
- Wire feed speed
Water cooled models
Water cooled SuperSnake models allow connection to the cooling fluid supply for liquid cooled guns. Snap connectors fitted at either end of SuperSnake unit are marked RED and BLUE, allowing simple, fast and convenient connection. Ensure the cooling fluid circuit is correctly connected.
Setting the shielding gas
The shielding gas flow rate from the welding gun is set according to the application, weld joint, gas type and gas nozzle shape and size. The flow rate should be measured at the welding gun nozzle before welding via a Rotameter, and normally measure’s between 10 – 20 litres per minute for many welding applications.

NOTE! Handle shielding gas bottle with care. Assess the risks associated with handling and using compressed gas. Always use a cylinder transport carriage and secure the cylinder safely.
MAINTENANCE
When considering and planning routine maintenance, please consider the the frequency of machine use and the working environment. Correct operation of the machine and regular maintenance will help you avoid unnecessary downtime and equipment failure.
NOTE! Disconnect the machine from the mains before handling the electrical cables.
Daily maintenance
- Check the overall condition of SuperSnake and the welding gun. Remove welding spatter from the contact tip and clean the gas nozzle. Replace worn or damaged parts. Only use original Kemppi spare parts.
- Check the condition and connection of the welding circuit components: welding gun, earth return cable and clamp, sockets and connectors.
- Check the condition of the feed rolls, needle bearings and shafts. Clean and lubricate bearings and shafts with a small quantity of light machine oil if necessary. Assemble, adjust and test function.
NOTE! Clean system with dry compressed air at least every 5 x wire spool changes. Keep sub feeder cover open during the cleaning process.
Service shop maintenance
Kemppi Service Workshops complete maintenance according to their Kemppi service agreement.
Regular preventative maintenance by trained technicians will increase equipment life and ensure reliable operation.
DISPOSAL OF THE MACHINE
In observance of European Directive 2002/96/EC on waste electrical and electronic equipment, and its implementation in accordance with national law, electrical equipment that has reached the end of its life must be collected separately and taken to an appropriate environmentally responsible recycling facility.
The owner of the equipment is obliged to deliver a decommissioned unit to a regional collection centre, per the instructions of local authorities or a Kemppi representative. By applying this European Directive you will improve the environment and human health.
ORDERING NUMBERS
| SuperSnake GT02S | 10m | Gas cooled | 6153100 |
| SuperSnake GT02S | 15m | Gas cooled | 6153150 |
| SuperSnake GT02S | 20m | Gas cooled | 6153200 |
| SuperSnake GT02S | 25m | Gas cooled | 6153250 |
| SuperSnake GT02SW | 10m | Water cooled | 6154100 |
| SuperSnake GT02SW | 15m | Water cooled | 6154150 |
| SuperSnake GT02SW | 20m | Water cooled | 6154200 |
| SuperSnake GT02SW | 25m | Water cooled | 6154250 |
| SuperSnake GT02SC For MagTrac F61 welding carriage | 15m | Gas cooled | 61531501 |
| MXF sync kit | W004030 | ||
| Rubber protection cover (for liquid cooled models) | W004466 | ||
TECHNICAL DATA
| Connection voltage | 50 V DC | ||
| Output 40 °C | 380 A | ||
| Cabel ø | 50 mm2 | ||
| Welding current | I₂ | 100% | 300 A |
| I₂ | 60% | 380 A | |
| Supply voltage | U₁ | 50 V DC | |
| Supply current | I₁ | 20 mA | |
| Motor voltage | Umotor | 0 – 24 V DC | |
| Motor current | Imotor | 5 A | |
| Wire feed mechanism | 2 roll | ||
| Filler wires, 25 m | Fe/Ss | ø 1.0 – 1.6 | |
| Al | ø 1.2 – 1.6 | ||
| FCW/MCW | ø 1.2 – 1.6 | ||
| Wire feed speed | 0 – 25 m/min | ||
| Gun connection | Euro | ||
| Maximum pressure | 0.5 Mpa | ||
| External dimensions LxWxH | GT02S | 371 x 94 x 125 | |
| GT02SW | 371 x 102 x 138 | ||
| Weight | GT02S | 10m | 13.5 kg |
| 15m | 20.5 kg | ||
| 20m | 27.5 kg | ||
| 25m | 34.5 kg | ||
| GT02SW | 10m | 14.5 kg | |
| 15m | 22 kg | ||
| 20m | 29.5 kg | ||
| 25m | 37 kg | ||
| Operating temperature range | –20 … +40 °C | ||
| Storage temperature range | –40 … +60 °C | ||
| Degree of protection | IP23S | ||
| EMC class | A |



















