5098-00-200 EZ Flo Batter Pump
Instruction Manual

SAFETY PRECAUTIONS
![]() | DANGER |
| The machine must be properly grounded to prevent electrical shock to personnel. Failure to do so could result in serious injury or death. Make sure all mechanical switches are in the OFF position before plugging the equipment into the receptacle. Keep the cord and plug off the ground and away from moisture. Always unplug the equipment before cleaning or servicing. DO NOT immerse any part of this equipment in the water. DO NOT use a water jet or excessive water when cleaning. |
| Improper installation, adjustment, alteration, service, or maintenance can cause property damage, injury, or death. Any alterations to this equipment will void the warranty and may cause a dangerous condition. This appliance is not intended to be operated by means of an external timer or separate remote-control system. NEVER make alterations to this equipment. Read the Installation, Operating, and Maintenance Instructions thoroughly before installing, servicing, or operating this equipment. |
| ALWAYS wear safety glasses when servicing this equipment. |
| No user-serviceable parts inside. Refer servicing to qualified service personnel. |
| Read and understand the operator’s manual and all other safety instructions before using this equipment. To order copies of the operator’s manual go to gmpopcorn.com or write to Gold Medal Products Co., 10700 Medallion Drive, Cincinnati, OH 45241 USA 1-(800)-543-0862 |
| DO NOT allow direct contact with this equipment by the public when used in food service locations. Only personnel trained and experienced in the equipment operation may operate this equipment. Carefully read all instructions before operation. |
| This machine is NOT to be operated by minors. |
| If the supply cord is damaged, it must be replaced by Gold Medal Products Co., its service agent or similarly qualified persons in order to avoid a hazard. |
Note: Improvements are always being made to Gold Medal’s equipment. This information may not be the latest available for your purposes. It is critical that you call Gold Medal’s Technical Service Department at 1-800-543-0862 for any questions about your machine operations, replacement parts, or any service questions. (Gold Medal Products Co. does not assume any liability for injury due to careless handling and/or reckless operation of this equipment.) General images may be used in the manual for reference only.
INSTALLATION INSTRUCTIONS
Inspection of Shipment
After unpacking, check thoroughly for any damage which may have occurred in transit. Claims should be filed immediately with the transportation company. The warranty does not cover damage that occurs in transit, or damage caused by abuse, or consequential damage due to the operation of this machine, since it is beyond our control (reference warranty in back of manual).
Manual
Read and understand the operator’s manual and all other safety instructions before using this equipment. To order copies of the operator’s manual go to gmpopcorn.com or write to Gold Medal Products Co., 10700 Medallion Drive, Cincinnati, OH 45241 USA 1-(800)-543-0862.
Model Description
5098-00-200: EZ Flo Batter Pump with batter flow adjustment knob.
Items Included with this Unit

Setup

- Remove all packaging and tape before starting the operation.
- Set the pump in an EMPTY bucket to check lid fit. Adjust the lid, if needed, so the pump does NOT rest on the bottom of the bucket.
a) Loosen thumb screws.
b) Adjust the lid up or down.
c) Retighten thumb screws.
- Attach EZ Flo Wiring Harness (hose assembly) to batter pump —use plug end of the hose with long power cord.
IMPORTANT: DO NOT plug in or operate the unit without hose assembly and handle properly attached to the unit.
- Attach the opposite end of the hose, with a short power cord, to the handle assembly as shown.
- Attach fryer hook assembly to fryer tank in a convenient location—tighten thumb screws to hold in place.

- Handle rests on hook assembly when not in use.
- After setup, the unit should be cleaned prior to use (see the Care and Cleaning section of this manual).
Electrical Requirements
The following power supply must be provided (reference unit Data Plate for Wattage requirement):
120 V~, 60 Hz
![]() | |
| The machine must be properly grounded to prevent electrical shock to personnel. Failure to do so could result in serious injury or death. Make sure all mechanical switches are in the OFF position before plugging the equipment into the receptacle. Keep the cord and plug off the ground and away from moisture. Always unplug the equipment before cleaning or servicing. DO NOT immerse any part of this equipment in the water. DO NOT use a water jet or excessive water when cleaning. |
A certified electrician must furnish sufficient power for proper machine operation and install any supplied receptacle (reference unit Data Plate for model-specific Volts AC, Hertz, and Wattage requirements). We recommend this equipment be on a dedicated and protected circuit. Failure to wire properly will void the warranty and may result in damage to the machine. It is Gold Medal Products Co.’s recommendation that this machine be plugged directly into a wall outlet. The use of extension cords is not recommended due to safety concerns, and may cause sacrificed and/or reduced performance. Make sure cord is located to prevent a trip hazard or unit upset.
Before You Plug In the Machine
- Make sure the handle and hose assembly are properly attached to the unit (see Setup section).
- Make sure the power switch is OFF before plugging the unit into the receptacle.
- Make sure the wall outlet can accept the grounded plug on the power supply cord.
- The wall outlet must have the proper polarity. If in doubt, have a competent electrician inspect the outlet and correct if necessary.
- DO NOT use a grounded to un-grounded receptacle adapter (where applicable).
- Install the unit in a level position.
| If the supply cord is damaged, it must be replaced by Gold Medal Products Co., its service agent, or similarly qualified persons in order to avoid a hazard. |
OPERATING INSTRUCTIONS
Controls and Their Functions
POWER SWITCH: ON/OFF position switch—never turn the power switch on without the handle and hose assembly properly attached to the unit.
PUMP SWITCH: Press and hold the button to dispense batter; release the button to stop dispensing.
SPEED CONTROL KNOB: Adjusts the speed of batter flow as needed. Turn the knob clockwise to increase flow; turn the knob counter-clockwise to decrease flow.

Instructions for Dispensing Batter
- Make sure the handle and hose assembly are properly attached to the unit.
- Place the batter pump in a premixed bucket of batter.
- Plug the unit in (reference Electrical Requirements section).
- Turn the power switch ON.
- While holding the handle assembly in one hand, press and hold the pump switch with your thumb to dispense the batter.
Start dispensing batter into the form in a circular motion, then zig-zag the batter back and forth over the top for a perfect funnel cake every time.
Note: Turn the speed knob to adjust batter flow as needed.
Tip: Note your batter dispense time to make a perfect size funnel cake, then repeat the time for consistent results.
Care and Cleaning
![]() | |
| The machine must be properly grounded to prevent electrical shock to personnel. DO NOT immerse in water. DO NOT clean appliances with a water jet or steam cleaner. Always unplug the equipment before cleaning or servicing. |
Good sanitation practice demands that all food preparation equipment be cleaned regularly (only use non-toxic, food-grade cleaners).
For any cleaning products used, follow the manufacturer’s instructions on the product. DO NOT use oven cleaners or abrasive materials as they will damage parts of the machine.
Follow the directions below to clean and sanitize the unit each day after use.
- Have (2) clean, empty 5-gallon buckets and Gold Medal Chlor-Tech Sanitizer (Item No. 1109) available for use.
- Turn the power switch OFF and unplug the unit.
- Fill a clean bucket half-full of hot water and Gold Medal Chlor-Tech Sanitizer (reference instructions on sanitizer container for appropriate amount).
- Lift the pump from the batter pail and allow it to drain, then wipe off any excess batter.
- Place the pump in a bucket of sanitizer solution, then plug the unit in and turn the power switch ON.
- Press the pump switch to dispense the solution into a separate bucket until the solution runs clear. DO NOT RECIRCULATE DIRTY SOLUTIONS!
- After sanitizing the hose interior, turn the power switch OFF and unplug the unit.
- Remove pump unit from the sanitizer bucket and wipe the lid, pump tube weldment, and delivery tube clean with sanitizer solution, then dry. (If necessary, reference the next section to disassemble the unit for further cleaning.)
- Disconnect the hose from the pump and handle assembly, then wipe off the outside of the hose to clean—DO NOT immerse the hose in water. Drape hose with ends down to drain/dry.
- Disassemble the handle for cleaning—remove the four (4) thumb screws holding the top cover—DO NOT get the top cover of the handle wet or immerse it in water.
The handle weldment is dishwasher safe. - Wipe the outside of the pump cabinet and lid clean with a cloth SLIGHTLY dampened with soap and hot water, then wipe again to remove any remaining cleaner.
For exterior stainless steel surfaces needing further cleaning, Watchdog Stainless Cleaner (Item No. 2088) is available for use accordingly (follow instructions on the product). - Clean the buckets to sanitize them for each use.
Note: After cleaning, if the unit will not be used for two weeks or longer, follow the Storing Your Cleaned Unit instructions at the end of the Cleaning and Care section.
Disassemble/Reassemble Unit
- Remove the four thumb screws and wing nuts holding the batter pump weldment, see image.
- Slide assembly off the unit/drive shaft.

- Remove thumb screws holding the pump in place then pull the pump out of the pump weldment.
- Loosen thumb screws to slide the lid off the pump weldment.
- Reassemble in reverse order.

Storing Your Cleaned Unit
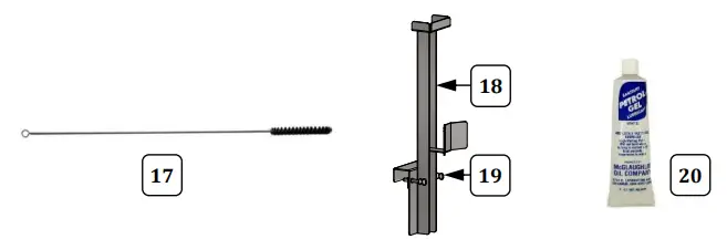
When storing the EZ Flo Batter Pump for two weeks or longer, follow the steps below to apply Petro Gel to the Pump End Cap locations indicated. After storing, clean the unit before the next use.
- Remove the two thumb screws holding the Pump End Cap.

- Remove the Pump End Cap.
- Apply Petro Gel to the Idler Shaft location and Drive Shaft location, see image.

THE FOLLOWING SECTIONS ARE FOR QUALIFIED SERVICE PERSONNEL ONLY
MAINTENANCE INSTRUCTIONS
![]() | |
| The machine must be properly grounded to prevent electrical shock to personnel. Failure to do so could result in serious injury or death. Make sure all mechanical switches are in the OFF position before plugging the equipment into the receptacle. Keep the cord and plug off the ground and away from moisture. Always unplug the equipment before cleaning or servicing. DO NOT immerse any part of this equipment in the water. DO NOT use a water jet or excessive water when cleaning. |
| Improper installation, adjustment, alteration, service, or maintenance can cause property damage, injury, or death. Any alterations to this equipment will void the warranty and may cause a dangerous condition. This appliance is not intended to be operated by means of an external timer or separate remote-control system. NEVER make alterations to this equipment. Read the Installation, Operating, and Maintenance Instructions thoroughly before installing, servicing, or operating this equipment. |
| No user-serviceable parts inside. Refer servicing to qualified service personnel. |
| THE FOLLOWING SECTIONS OF THIS MANUAL ARE INTENDED ONLY FOR QUALIFIED SERVICE PERSONNEL WHO ARE FAMILIAR WITH ELECTRICAL EQUIPMENT. THESE ARE NOT INTENDED FOR THE OPERATOR. |
ORDERING SPARE PARTS
1. Identify the needed part by checking it against the photos, illustrations, and/or parts list. (General images may be used in the manual for reference only.)
2. Use only approved replacement parts when servicing this unit.
3. When ordering, please include the part number, part name, and quantity needed.
4. Please include your model number, serial number, and date of manufacture (located on the machine nameplate/data plate) with your order.
5. Address all parts orders to Parts Department, Gold Medal Products Co., 10700
Medallion Drive, Cincinnati, Ohio 45241-4807
or place orders by phone or online:
Phone: (800) 543-0862
(513) 769-7676
Fax: (800) 542-1496
(513) 769-8500
E-mail: [email protected]
Web Page: gmpopcorn.com
Unit Exterior, Hose and Handle Assembly

| Item | Part Description | Part Number 5098-00-200 |
| 1 | CONTROL BOX COVER EZ FLO | 101000 |
| 2 | 8-32 X 1/4 SLT. HWH M/S | 49060 |
| 3 | BATTER BCKT PUMP LID ASSY | 79030 |
| 4 | HOLE PLUG .625 NICKEL PLT | 101040 |
| 5 | STORAGE BUCKET SGAL (color/style may vary) | 46125 |
| 6 | WIRING HARNESS EZ FLO (hose assembly) | 101013 |
| 7 | SOCKET HANSEN NP | 79250 |
| 8 | HANDLE ASSEMBLY EZ FLO BATTER PUMP (complete assembly – includes parts listed below) | 101002 |
| 9 | TOP COVER HANDLE EZ FLO | 101003 |
| 10 | HANDLE SWITCH/WIRE ASSY | 115458 |
| 11 | PLUG 5/8-18 TO HANSEN | 115498 |
| 12 | THUMB SCREW 6-32 X 3/8 | 101011 |
| 13 | HANDLE WELDMENT EZ FLO | 17625 |
| 14 | SPOUT | 115435 |
Pump Unit

| Item | Part Description | Part Number |
| 5098-00-200 | ||
| 1 | PLUG HANSEN NICKEL PLATED | 79251 |
| 2 | 3/8 X 1/8 NPT CP REDUCER | 79022 |
| 3 | BATTER DELIVERY TUBE | 101047 |
| 4 | THUMB SCREW 10-24 X 3/8 | 76105 |
| S | BATTER BCKT PUMP LID ASSY | 79030 |
| 6 | TUBE, BATTER PUMP | 102290 |
| 7 | 8-32 X 3/8 SS THUMB SCREW | 88157 |
| 8 | PUMP ASSEMBLY | 80182 |
| 9 | 1/4-20 X 1 THUMB SCREW | 47691 |
| 10 | DRIVE SHAFT, BATTER PUMP | 102292 |
| 11 | 1/8 X 1 SS COTTER PIN (used in 2 places; one at bottom of the shaft, as shown; one at top of the shaft) | 86574 |
Control Unit Interior – Unit Accessories

*CAUTION: If the supply cord is damaged, it must be replaced by Gold Medal Products Co., its service agent, or similarly qualified persons in order to avoid a hazard.
Accessories

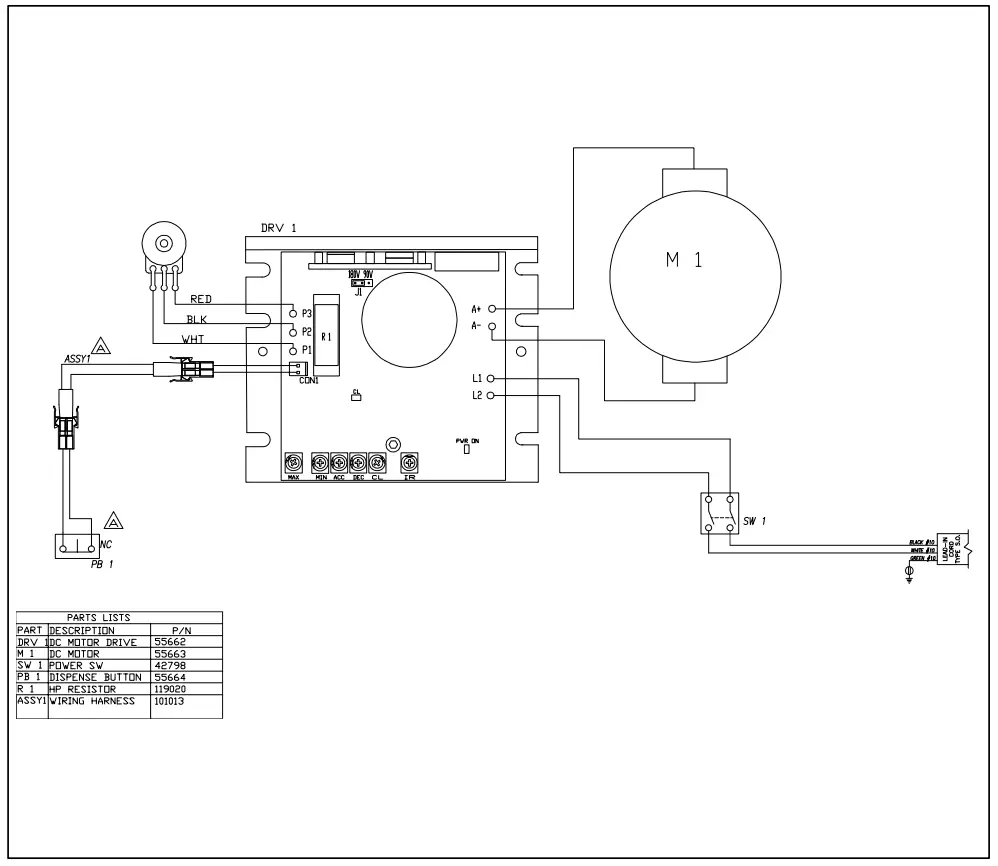
| Item | Part Description | Part Number |
| 1 | 5098-00-200 | |
| 2 | CONTROL BOX LABEL EZ FLO | 80181 |
| 3 | KNOB, CONTROL | 38389 |
| 4 | PWM DC MOTOR SPEED CNTRL (includes board and potentiometer) | 55662 |
| 5 | SWITCH, LIGHTED ROCKER GR | 42798 |
| 6 | 2 PIN RECEPTACLE ASSY | 39470 |
| 7 | MOTOR FOR EZ FLO PUMP | 115446 |
| 8 | SCREW,10-24X1,PH PAN HD | 76022 |
| 9 | #10 X .563 NYLON BUSHING | 115445 |
| 10 | 10-24 SERRATED LOCK NUT | 49363 |
| 10 | 8-32 X 1/2 PHIL PN M/S SS | 42226 |
| 11 | 8-32 SERRATED FLANGE NUT | 61151 |
| 12 | 8-32 X 3/4 PHIL PAN MS SS | 39007 |
| 13 | SPACER .180 ID X .250 LG | 116365 |
| 14 | 3-POSITION WIRE CONNECTOR | 55244 |
| 15 | STRAIN RELIEF SR-6P3-4 | 76026 |
| 16* | POWER SUPPLY CORD 15 AMP | 22038 |
| 17 | TUBE BRUSH | 47380 |
| 18 | EZ FLO FRYER HOOK ASSY (thumb | 115439 |
| 19 | screws sold separately) | 82580 |
| 20 | 8-32 X 1″ THUMB SCREW (2 req’d) | 1110 |
Wiring Diagram
Model No. 5098-00-200

WARRANTY
Gold Medal Products Co. warrants to the original purchaser each item of its manufacture to be free of defects in workmanship and material under normal use and service. Gold Medal Products Co.’s obligation under this warranty is limited solely to repairing or replacing parts, f.o.b. Cincinnati, Ohio, which in its judgment are defective in workmanship or material and which are returned, freight prepaid, to its Cincinnati, Ohio factory or other designated point. Except for “Perishable Parts” on specific machines, the above warranty applies for a period of two (2) years from the date of original sale to the original purchaser of equipment when recommended operating instructions and maintenance procedures have been followed. These are packed with the machine. The parts warranty is two (2) years, labor is six (6) months.
THIS WARRANTY IS IN LIEU OF ALL OTHER WARRANTIES EXPRESSED OR IMPLIED AND OF ALL OTHER OBLIGATIONS OR LIABILITIES ON OUR PART, INCLUDING THE IMPLIED WARRANTY OF MERCHANTABILITY. THERE ARE NO WARRANTIES THAT EXTEND BEYOND THE DESCRIPTION ON THE FACE HEREOF. In no event shall Gold Medal Products Co. be liable for special, incidental, or consequential damages. No claim under this warranty will be honored if the equipment covered has been misused, neglected, damaged in transit, or has been tampered with or changed in any way. No claim under this warranty shall be honored in the event that components in the unit at the time of the claim were not supplied or approved by Gold Medal Products Co. This warranty is effective only when electrical items have been properly attached to city utility lines only at proper voltages. This warranty is not transferable without the written consent of Gold Medal Products Co.
The term “Original Purchaser” as used in this warranty shall be deemed to mean that person, firm, association, or corporation who was billed by the GOLD MEDAL PRODUCTS CO., or their authorized distributor for the equipment.
THIS WARRANTY HAS NO EFFECT AND IS VOID UNLESS THE ORIGINAL PURCHASER FIRST CALLS GOLD MEDAL PRODUCTS CO. AT 1-800-543-0862 TO DISCUSS WITH OUR SERVICE REPRESENTATIVE THE EQUIPMENT PROBLEM, AND, IF NECESSARY, FOR INSTRUCTIONS CONCERNING THE REPAIR OR REPLACEMENT OF PARTS.
NOTE: This equipment is manufactured and sold for commercial use only.

10700 Medallion Drive, Cincinnati, Ohio 45241-4807 the USA
gmpopcorn.com
Phone: (800) 543-0862
(513) 769-7676
Fax: (800) 542-1496
(513) 769-8500
© 2022 – The text, descriptions, graphics, layout, and other material in this publication are the exclusive property of Gold Medal Products Co. and shall not be used, copied, reproduced, or published in any fashion, including website display, without its express written consent.


























