
Operating Instructions Home Theater Audio System
Model No. SC-HTB100

SC-HTB100 Bluetooth Soundbar
Thank you for purchasing this product. For optimum performance and safety, please read these instructions carefully. Please keep this manual for future reference.
Included Installation Instructions
Installation work should be completed by a qualified installation specialist. (c> 5 to 7) Before commencing work, carefully read these installation instructions and the operating instructions to ensure that installation is performed correctly. (Please keep these instructions. You may need them when maintaining or moving this system.)
Dear Customer, thank you for choosing this Panasonic product! To get the most out of your product we recommend that you register it at www.panasonic.co.uk/register. Doing so will only take 5 minutes and has the following benefits:

| Upload a copy of your receipt online and never have to worry about misplacing it. | |
| Choose to opt-in to Panasonic emails during the registration process to receive the latest news and exclusive offers most relevant to you. | |
| Quick access to product manuals and the latest software updates. | |
| Register your product within 21 days of purchase to be entered into a FREE PRIZE DRAW* for a chance to win a LUMIX camera. |
For product support enquiries within the UK and ROI please contact us at: www.panasonic.co.uk/support
Panasonic Customer Call Centre: 0344-8443899
Please retain your sales receipt (either physically or online once registered) in order to claim under the guarantee service. Full details of the Panasonic Pan European Guarantee can be obtained at www.panasonic.co.uk/euguarantee, or write to us at:
Panasonic UK, Maxis 2, Western Road, Bracknell, Berkshire, RG12 1RT
Safety precautions
WARNING
Unit
- To reduce the risk of fire, electric shock or product damage,
— Do not expose this unit to rain, moisture, dripping or splashing.
— Do not place objects filled with liquids, such as vases, on this unit.
— Use the recommended accessories.
— Do not remove covers.
— Do not repair this unit by yourself. Refer servicing to qualified service personnel.
AC mains lead
- To reduce the risk of fire, electric shock or product damage,
— Ensure that the power supply voltage corresponds to the voltage printed on this unit. - — Insert the mains plug fully into the socket outlet.
— Do not pull, bend, or place heavy items on the lead.
— Do not handle the plug with wet hands.
— Hold onto the mains plug body when disconnecting the plug.
— Do not use a damaged mains plug or socket outlet. Small objects - Keep the wall mount plug & wall mount screw out of reach of children to prevent swallowing.
CAUTION
Unit
- To reduce the risk of fire, electric shock or product damage,
— Do not install or place this unit in a bookcase, built-in cabinet or in another confined space. Ensure this unit is well ventilated.
— Do not obstruct this unit’s ventilation openings with newspapers, tablecloths, curtains, and similar items.
— Do not place sources of naked flames, such as lighted candles, on this unit. - This unit is intended for use in moderate climates.
- This unit may receive radio interference caused by mobile telephones during use. If such interference occurs, please increase the separation between this unit and the mobile telephone.
- Set up the unit on an even surface away from direct sunlight, high temperatures, high humidity, and excessive vibration.
- This system might get warm after prolonged usage. This is normal. Do not be alarmed.
AC mains lead - The main plug is the disconnecting device. Install this unit so that the mains plug can be unplugged from the socket outlet immediately.
Battery - The danger of explosion if the battery is incorrectly replaced. Replace only with the type recommended by the manufacturer.
- When disposing of the batteries, please contact your local authorities or dealer and ask for the correct method of disposal.
- Do not heat or expose it to flame.
- Do not leave the battery(ies) in a car exposed to direct sunlight for a long period of time with doors and windows closed.
- Insert with poles aligned.
- Remove the battery if you do not use the remote control for a long period of time. Keep in a cool, dark area.
The symbols on this product (including the accessories) represent the following:
| AC | |
| DC | |
| Class II equipment (The construction of the product is double-insulated.) | |
| ON | |
| Standby |
Features
Thanks for your purchase of our product. Please read through this manual before making connections and operating this product. Retain this manual for future reference.
- LINE input
- Optical input
- USB slot
- ARC function
- Bluetooth playback
Package Contents

Placement
Placing the main unit in a rack, on a table, or on the wall In order to prevent injuries, the sound bar device must be securely fastened to the wall in accordance with the below installation instructions.
Additionally required accessories (Commercially available)
- Fall prevention cord (x2)
- Screw eyes (to attach the fall prevention cord) (x2)
Note: - Use commercially available screws that are capable of supporting over 30 kg.
- Use a cord that is capable of supporting over 30 kg (with a diameter of about 1.5 mm).
- Attach the cord to the main unit.

- Place the main unit in the desired position and attach each cord to the rack or table.
Make sure that the slack of the cord is minimal. Do not lean the main unit against the Nor wall. Attach the screw eye at a position capable of supporting over 30 kg. Depending on the placement of the main unit, the screwing position of the screw eye may differ.
Wall-mounting
Mounting sound bar on a wall
In order to prevent injuries, the sound bar device must be securely fastened to the wall in accordance with the below installation instructions.
Drive the screws into the wall:
- Use the measurements indicated below to identify the screwing positions on the wall.

- Leave at least 100 mm of space above the main unit to allow enough space for fitting the main Unit.
- Be sure to use a level to ensure that both mounting holes are level with each other.
Note: If you are installing screws into drywall or concrete, use the wall anchors (provided) designed for that type of surface, these are not required when fixing to wood.
Safety requirement for wall mount fixing:
- Wall-mounted equipment must be positioned to ensure that metal parts of the equipment such as mounting screws are not grounded through metallic members in the wall such as metal laths, wire laths, and metal plates, in order to prevent smoke emission, ignition, and fire hazards.
- When mounting you must ensure that any metal parts of the equipment (such as the mounting screws) do not contact any metallic parts in the wall as stated above. Caution: Keep the mounting screws and plastic screw dowels out of reach of children to prevent swallowing.
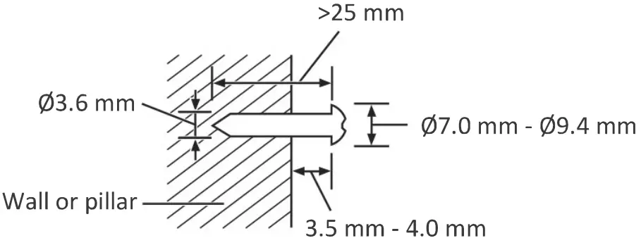
- Drill the two holes (about 6mm diameter) in the wall keeping 680 mm distance between the drill holes, as shown in the picture on the right. Insert the two plugs supplied into the drilled holes and then insert two screws (supplied) into the holes and tighten. As shown in the picture on the right (diagram 1).

- Take care to leave 4 mm between the screw heads and the wall. As shown in the picture on the right (diagram 2).

- Hang the assembled sound bar on the screw set in the wall. As shown in the picture on the right (diagram 3).

- Attach the fall prevention cord (not supplied) to the screw eyes, and secure the cord to the wall, making sure that the slack of the cord is minimal. As shown in the lower picture (diagram 4).
Note: Use a cord that is capable of supporting over 30kg (with a diameter of about 1.5mnn).
Panel
FRONT PANEL:
SPEAKER: Amplifier of the unit.- INDICATOR LIGHT: Show the units current mode status.
- REMOTE SENSOR: Point the remote control at the remote control sensor, away from obstacles and within the operation range.
Indicator light
- Red: In STANDBY mode.
- Blue: In Bluetooth mode.
- Green: In LINE IN mode.
- Yellow: In Optical mode.
- Purple: In HDMI ARC mode.
- Cyan: In USB mode.
SIDE PANEL:
- STANDBY: Switch the unit between ON and STANDBY mode.
- SOURCE: Switch to the different source modes among in, BLUETOOTH, LINE IN, USB, OPTICAL IN, and ARC mode.
- VOLUME-: Press to decrease the volume level.
- VOLUME+: Press to increase the volume level.
REAR PANEL:
ARC SLOT: HDMI TV (ARC) terminal (ARC compatible).- USB SLOT: Play the MP3 files in the connected USB drive.
- LINE IN: Connect to a 3.5mm headphone socket of the external audio device.
- OPTICAL DIGITAL AUDIO INPUT: Connect to an optical output socket of the external audio device.
- DC IN (DC18V/2.0A): DC power input terminal.
Connections
LINE IN
This soundbar has an extra group of audio input terminals. You can input analog stereo audio signals from extra devices such as VCD, CD, VCR, DVD players, etc. Use the audio cable to connect the stereo audio output terminals of a VCD, CD, VCR, or DVD player to the stereo input LINE IN terminal of this sound bar. Press
the button on the remote control to select LINE IN -shown as a solid green indicator light.
Optical Input
Use the optical cable to connect the optical input of this sound bar to the optical output of a VCD, CD, VCR, or DVD player. Press
the button on the remote control to select Optical mode – the indicator will show as a solid yellow light on the soundbar.

ARC (AUDIO RETURN CHANNEL)
ARC is an audio return channel function, used in the digital audio output of liquid-crystal display televisions in order to get the optimal synchronous sound quality. Use the HDMI cable to connect the HDMI-ARC input port of this sound bar to the ARC output port of the liquid-crystal display television. Press [
] button to switch to HDMI ARC mode on the remote control and the indicator will show as solid purple on the soundbar.
Auto Standby
This sound bar automatically switches to standby after 15 minutes of button inactivity and no audio play from a connected device.
BLUETOOTH
Press the STANDBY button on the remote control to power on the sound bar, then press [
] button on the remote control to switch to Bluetooth mode, the indicator will blink blue quickly, showing that the sound bar is in searching Bluetooth signal status. Use your Bluetooth device to search for the Bluetooth signal of the sound bar, select SC-HTB100 on your list, and input the password 0000 if the password prompt is shown, the soundbar will synchronize to play songs on your mobile phone and the indicator light will show as a solid blue light meaning connection was successful. Disconnect the Bluetooth on the Bluetooth devices to switch off the Bluetooth connection.

Note:
- The bluetooth connection range is 10 meters.
- The model SC-HTB100 in your device was not deleted.
- In Bluetooth mode, [PLAY/PAUSE], [NEXT], [PREVIOUS], [VOLUME+/-] etc. are also active.
Pairing a device
If this sound bar is already connected to a Bluetooth device, press and hold the
button on the remote control to disconnect it, the indicator blinks blue quickly, activate your device’s Bluetooth function to search for the Bluetooth signal, the Bluetooth pairing name SC-HTB100 will be shown on the device list.
Note: You can pair up to 8 devices with this system, if a 9th device is paired, the device that has not been used for the longest time will be replaced.
Connecting a paired device
If this sound bar is already connected to a Bluetooth device, press and hold
the button on the remote control to disconnect it, and the indicator will blink blue quickly, activate your device’s Bluetooth function to search for the Bluetooth signal, and select SC-HTB100 on the device list and tap it, when your device and sound bar has connected the indicator on the soundbar will show a solid blue light.
Disconnecting a device
If this sound bar is connected to a Bluetooth device, press and hold
the button on the remote control to disconnect it.
Note: This soundbar can only connect to one device at a time; when the sound bar switches to Bluetooth mode, it will automatically try to connect to the last connected device; when the sound bar switches to another source, the previous Bluetooth device will be disconnected.
Remote control
Remote Control Operation
Insert the battery into the remote control. Point the remote control at the remote sensor on the front panel. The remote control works within a distance of about 8 meters from the sensor and within an angle of about 30 degrees from the left and right side.
Battery Installation
- Remove the battery compartment cover on the back of the remote control.

- Load one AAA/1.5V battery into the battery compartment making sure that the batteries have been inserted with the correct polarities matching the symbols +, – as indicated inside the battery compartment.

- Replace the cover.

Note:
- Remove the battery when you do not intend to use the remote control for a long time.
- Weak batteries can leak and severely damage the remote control.
- The battery must not be exposed to excessive heat, such as sunshine, fire or other similar heat sources.
- Be environmentally friendly and dispose of batteries according to your government regulations.
Avoid use in the following conditions
- High or low extreme temperatures during use, storage or transportation.
- Replacement of a battery with an incorrect type.
- Disposal of a battery into fire or a hot oven, or mechanically crushing or cutting of a battery, can result in an explosion.
- Extremely high temperature and/or extremely low air pressure can result in an explosion or the leakage of flammable liquid or gas.
- STANDBY
- LINE
- VOLUME+
- PREVIOUS
- PLAY/PAUSE
- VOLUME-
- EQ
- MUTE
- BLUETOOTH
- NEXT
- SOURCE
Note: Please see P12 in the basic playback chapter for details of the remote control button function.

Basic Playback
Operation
STANDBY![]() | • Press to switch on the unit. Press it again to put the unit in standby mode. • The unit is in the standby condition (the (0) indicator lights) when the AC mains lead is connected. • The primary circuit is always “live” as long as the AC adaptor is connected to an electrical outlet. |
![]() | • Press to enter the BT (Bluetooth) mode. • Hold down this button for 3 seconds to disconnect Bluetooth. |
![]() | • Press repeatedly to switch between BLUETOOTH, LINE IN, OPTICAL, HDMI ARC and USB mode. |
![]() | • Press repeatedly to switch between Eq1, Eq2, and Eq3 equalizer modes. Eq1 (mode indicator blinks white for 3 seconds) stands for MUSIC, Eq2 (mode indicator blinks green for 3 seconds) stands for MOVIE, Eq3 (mode indicator blinks red for 3 seconds) stands for NEWS. |
![]() | • Press to enter the LINE IN mode. |
![]() | • Press to temporarily pause a playback. Press it again to resume the playback. |
| • Press to skip to the next track. | |
| • Press to return to the previous track. | |
![]() | • Press to temporarily switch off the sound (indicator blinks red). Press it again to switch it on. |
![]() | • Press [VOLUME+] to turn up the volume. |
![]() | • Press [VOLUME-] to turn down the volume. |
USB playback
- Insert the USB storage drive into the USB slot on the rear panel.
- Press the SOURCE button repeatedly on the unit or the remote control to select USB mode (indicator keeps solid cyan).
- The soundbar will start playing the MP3 track automatically from the connected USB drive.
If play does not start automatically, press
the button.
To skip to the previous/next track, press
/
the buttons on the remote control.
To fast forward/fast rewind, press and hold
/
buttons on the remote control and the indicator blinks cyan quickly.
Note: Only FAT32, the exFAT format is supported.
Troubleshooting
Before resorting to maintenance service, please kindly check the following chart.
| Symptom | Cause(s) | Remedy |
| No Power | • The AC power cord of the adaptor is not connected to the main unit or it’s not connected to the power supply. | • Please check that the AC power cord of the adaptor is connected securely. |
| Sound There is no sound or the sound is distorted. | • The audio cables aren’t connected securely. • The volume is set to the minimum level. • The sound is switched off. • Is the unit placed in an extremely hot place • Make sure that the received audio signal is compatible with the unit. | • Connect the audio cables securely. • Turn up the volume. • Press [MUTE] on the remote control to switch on the sound. • Press [PLAY/PAUSE]. • Move the unit to a cooler place and try to switch it on again. • Check if the audio signal is OK. |
| The remote control does not function. | • There is no battery in the remote control. • The battery is out of charge. • The remote control isn’t pointed to the remote sensor. • The remote control is out of its operating area. • The unit is shut down. | • Install one AAA/1.5V battery in it. • Replace the battery with new one. • Make sure that the remote control is pointed to the remote control sensor. • Make sure the remote control is within the operating area. • Switch off the unit and disconnect it from the AC outlet. Then power on the unit again. |
Specifications
| Power supply | AC —100-240V,50/60Hz, DC18V/2A | |
| Power consumption | 25W | |
| Power consumption in standby mode | <0.5W | |
| Dimensions (W x H x D) | 762 (W) mm x 58 (H) mm x 70 (D) mm | |
| Net Weight | 1.5 Kg | |
| Working environment | Temperature | -10 — +35t |
| Relative humidity | 5% — 90% | |
| RMS output power | 22.5W per channel (30% THD) | |
| Total RMS stereo mode power | 45W (30% THD) | |
| Frequency response | ±3dB (20Hz-20kHz) | |
| Bluetooth version | V4.2 | |
| Bluetooth frequency band | 2402-2480MHz | |
| Bluetooth maximum power | 7.5 dBm (5.62 mW) | |
| Terminal | HDMI Output (ARC) | Audio Format LPCM |
| Optical Audio Input | Audio Format LPCM | |
| Analogue Audio Input | AUX IN | |
| USB Slot | Audio Format MP3, WAV (48kHz) | |
References

Panasonic bears no responsibility for data and/or information that is compromised during wireless transmission.
Frequency band
- This system uses the 2.4 GHz, frequency band.
Certification - This system conforms to the frequency restrictions and has received certification based on frequency laws. Thus, a wireless permit is not necessary.
- The actions below are punishable by law in some countries:
— Taking apart or modifying the unit.
— Removing specification indications.
Restrictions of use - Wireless transmission and/or usage with all Bluetooth-equipped devices is not guaranteed.
- All devices must conform to standards set by Bluetooth SIG, Inc.
- Depending on the specifications and settings of a device, it can fail to connect or some operations can be different.
- This system supports Bluetooth security features. But depending on the operating environment and/or settings, this security is possibly not sufficient. Transmit data wirelessly to this system with caution.
- This system cannot transmit data to a Bluetooth device.
Range of use - Use this device at a maximum range of 10 m.
- The range can decrease depending on the environment, obstacles or interference.
Interference from other devices - This system may not function properly and troubles such as noise and sound jumps may arise due to radio wave interference if this unit is located too close to other Bluetooth devices or the devices that use the 2.4 GHz band.
- This system may not function properly if radio waves from a nearby broadcasting station, etc. is too strong.
Intended usage - This system is for normal, general use only.
- Do not use this system near equipment or in an environment that is sensitive to radio frequency interference (for example airports, hospitals, laboratories, etc.).
License
The Bluetooth word mark and logos are registered trademarks owned by Bluetooth SIG, Inc. and any use of such marks by Panasonic Corporation is under license. Other trademarks and trade names are those of their respective owners. The terms HDMI and HDMI High-Definition Multimedia Interface, and the HDMI Logo are trademarks or registered trademarks of HDMI Licensing Administrator, Inc.
Product conformity information
English Declaration of Conformity (DoC) Hereby, “Panasonic Corporation” declares that this product is in compliance with the essential requirements and other relevant provisions of Directive 2014/53/EU. Customers can download a copy of the original DoC to our RE products from our DoC Server: http://www.ptc.panasonic.eu Contact to Authorised Representative: Panasonic Marketing Europe GmbH, Panasonic Testing Centre,
Winsbergring 15, 22525 Hamburg, Germany
| Type of wireless Bluetooth® | Frequency band 2402 – 2480 MHz | Maximum power (dBm E.I.R.P.) 7.5 dBm (5.62 mW) |
Specifications are subject to change without notice. The mute function from Remote Control might not work with all TVs.
Manufactured by:
Panasonic Marketing Europe GmbH
Hagenauer Strafle 43, Wiesbaden, Germany
Importer in the UK:
Panasonic UK, a branch of Panasonic
Marketing Europe GmbH,
Maxis 2, Western Road, Bracknell,
Berkshire, RG12 1RT
Panasonic Corporation Web Site: http://www.panasonic.com
© Panasonic Corporation 2020
![]()

Make sure that the slack of the cord is minimal. Do not lean the main unit against the Nor wall. Attach the screw eye at a position capable of supporting over 30 kg. Depending on the placement of the main unit, the screwing position of the screw eye may differ.



Note: Use a cord that is capable of supporting over 30kg (with a diameter of about 1.5mnn).
SPEAKER: Amplifier of the unit.
ARC SLOT: HDMI TV (ARC) terminal (ARC compatible).






























