70X Multicyclone Commercial Filter

Product Information
Safety Information
- This equipment must be installed and serviced by a qualified technician.
- Installation should be carried out in accordance with safety instructions.
- Any modification of the filter requires prior consent from Waterco.
- Install the filter only with the help of qualified authorized persons.
- Operating safety is only guaranteed if installation and operation instructions are correctly followed.
- Do not permit children to use this product unless they are closely supervised at all times.
- Incorrectly installed equipment may fail, causing severe injury or property damage.
Introduction
The MultiCyclone 70XL is a water filtration system that works on the basis of centrifugal water filtration. This product is designed to filter sediment that is heavier than water. It is not designed to filter floating debris.
Features
- No moving parts to wear and tear
- No filter media to clean or replace
- Cleansed water spirals upwards while sediment spirals downwards to the sediment chamber
- Accumulation of sediment can be visibly monitored through the clear sight glass
- Ideal as a pre-filter to extend the life of your existing filter
Specifications
- Recommended operational flow rates: Minimum flow rate: 36m3/hr (158.5 GPM) Maximum flow rate: 96 m3/hr (422.7 GPM)
- Inlet: Bottom Shell Water Inlet 4 Port
- Outlet: Top Shell Water Outlet 4 Port
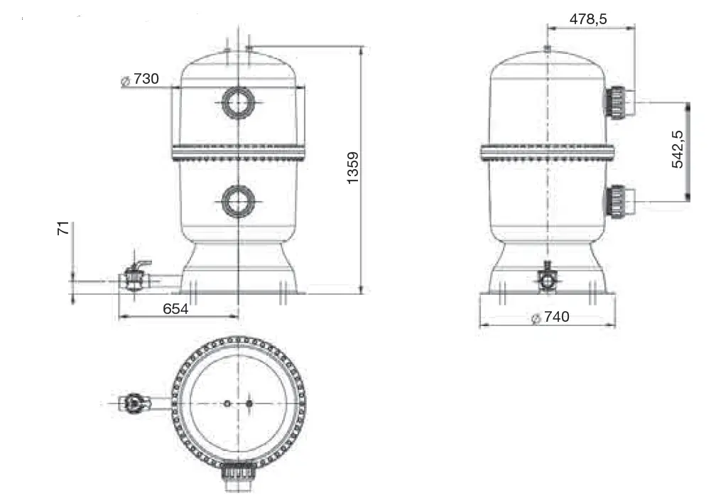
- Dimensions: 740mm Height x 370mm Width
Product Usage Instructions
Installation
- Install and service the equipment only with the help of a qualified technician.
- Ensure that the installation is carried out in accordance with safety instructions.
- Connect the outlet from your pump to the inlet of the MultiCyclone 70XL.
- Glue the plumbing to the Barrel unions and allow 24 hours for glue (solvent) to set.
- Screw the barrel union on to the inlet of your MultiCyclone 70XL and hand tighten. Ensure solvents are not excessively applied to fittings as this could run into o’rings and create sealing problems.
- Make sure that the installation is carried out by qualified authorized persons who have carefully read the instructions.
Usage
- The MultiCyclone 70XL is designed to filter sediment that is heavier than water; floating debris cannot be filtered out by centrifugal filtration.
- The accumulation of sediment can be visibly monitored through the clear sight glass. When the sediment chamber is full, it is time to clean the filter.
- To clean the filter, simply open the purge valve. The sediment will be flushed out through the drain/flush valve.
- If you experience defective operation or faults, contact Waterco or its nearest authorized service agent.
SAFETY INFORMATION
- MultiCyclone 70XL is designed to work with water at temperatures greater than 0º C and less than 45ºC. The filter should never be operated outside of these temperatures or damage may occur.
- The installation should be carried out in accordance to the safety and the specific instructions for each facility.
- Any modification of the filter requires the prior consent from Waterco. Original replacement parts and accessories authorized by the manufacturer ensure a high level of safety. Waterco assumes no liability for the damage and injuries caused by unauthorized replacement parts and accessories.
- The user should make sure that the installation is carried out by qualified authorized persons and that these persons have first carefully read the following instructions.
- The operating safety of the filter is only guaranteed if the installation and operation instructions are correctly followed.
- In the event of defective operation or fault, contact Waterco or its nearest authorized service agent.
- To reduce the risk of injury, do not permit children to use this product unless they are closely supervised at all times.
- Incorrectly installed equipment may fail, causing severe injury or property damage.
INTRODUCTION
MultiCyclone 70XL is capable of saving water and reducing filter maintenance.
The MultiCyclone 70XL works on the basis of centrifugal water filtration. There are no moving parts to wear and tear, and no filter media to clean or replace.
Incoming water is guided by a diverter plate so that it enters multiple hydro cyclones tangentially generating a strong centrifugal effect. This spins the sediment out to the hydro cyclone’s wall and then spirals it down to the sediment chamber, while the cleansed water spirals upwards.
The accumulation of sediment can be visibly monitored through the MultiCyclone 70XL’s clear sight glass. The MultiCyclone 70XL is cleaned by simply opening the purge valve.
MultiCyclone 70XL is ideal as a pre-filter to extend the life of your existing filter.
- Save Water
- Reduce backwash frequency.
Please Note: The MultiCyclone 70XL is designed to filter sediment that is heavier than water; floating debris cannot be filtered out by centrifugal filtration.
INSTALLATION
Be sure to comply with the local plumbing codes. The filter may be plumbed into a drinking water system and would, therefore be subject to whichever local regulations that may apply.
Be sure that all provisions for wastewater disposal meet local, state or national codes. Do not discharge water where it will cause flooding or damage.
If the incoming water pressure is higher than the maximum operating pressure of 250kPa /2.5Bar /36 psi, a Pressure Regulating Valve (PRV) must be installed upstream of the filter inlet.
The PRV should be set to 90% of the maximum operating pressure of the tank.
If the incoming water flow is less than the filter’s minimum flow requirements, the filter’s filtration efficiency will be affected, please consult Waterco.
MultiCyclone 70XL Recommended Operational Flow Rates
- Minimum flow rate: 36m3/hr (158.5 GPM)
- Maximum flow rate: 96 m3/hr (422.7 GPM)
PLUMBING CONNECTION
- Connect the outlet from your pump to the inlet of the MultiCyclone 70XL. Glue the plumbing to the Barrel unions and Allow 24 hours for glue (solvent) to set. Ensure solvents are not excessively applied to fittings as this could run into o’rings and create sealing problems. Screw the barrel union on to the inlet of your MultiCyclone 70XL and hand tighten.
- Connect from the outlet of the MultiCyclone 70XL to the inlet of your filter.
Glue the plumbing to the Barrel unions and Allow 24 hours for glue (solvent) to set. Ensure solvents are not excessively applied to fittings as this could run into o’rings and create sealing problems. Screw the barrel union on to the outlet of your MultiCyclone 70XL and hand tighten. - Connect to Waste Line.
Glue the plumbing from the Sediment Purge Valve to your waste line. - Turn on pump.
Be sure to check that there are no leaks from the connectors. If required, tighten by hand.
FILTER MAINTENANCE
Filter maintenance determined by the following conditions:
- The flow rate through the MultiCyclone 70XL is insufficient to meet the demand.
- The sediment chamber is half filled with sediment.
The accumulation of sediment can be visibly monitored through the MultiCyclone 70XL’s clear sight glass. The MultiCyclone 70XL is cleaned by simply opening the purge valve
FLUSHING OUT THE SEDIMENT CHAMBER
Whilst the water pump is running simply open the sediment purge valve until the sediment has been flushed out. This is visible through the clear sight glass.
Once the sediment has been flushed out, close the sediment purge valve.
WARRANTY
MultiCyclone 70XL is covered by a 2 warranty.
For more information please refer to the Waterco “Warranty Terms & Conditions” booklet. With our on going commitment to quality products and service Waterco Limited reserves the right to alter the product in any manner and at any time without prior warning.
This information is to the best of our knowledge, accurate at the time of printing. Any recommendations or suggestions are made without warranty and without prejudice, since the use of our product is beyond our control.
TECHNICAL SPECIFICATION
- Pressure Rating: 250 kPa / 2.5 bar /36 psi
- Minimum Flow Rate: 36m3/hr (158.5 GPM)
- Maximum Flow Rate: 108 m3/hr (475.6 GPM)

DIMENSIONS 
EXPLODED DIAGRAM
| NO | DESCRIPTION | QTY |
| 34 | Nut M6 (Not Shown) | 40 |
| 33 | Rubber Washer (Not Shown) | 1 |
| 32 | O Ring BS 112 | 1 |
| 31 | Air Relief Valve | 1 |
| 30 | Bolt M10 | 48 |
| 29 | Bolt M6 | 40 |
| 28 | Washer M6 | 40 |
| 27 | O Ring BS 009 | 40 |
| 26 | O Ring BS 018 | 70 |
| 25 | O Ring BS 025 | 14 |
| 24 | O Ring BS 392 | 1 |
| 23 | O Ring Special | 2 |
| 22 | Washer BH 100mm | 2 |
| 21 | O Ring BS 474 | 2 |
| 20 | Washer M10 | 96 |
| 19 | Nut M10 | 48 |
| 18 | Clear Pipe 50mm | 1 |
| 17 | 2 Way Valve 50mm | 1 |
| 16 | Base | 1 |
| 15 | Elbow 50mm | 1 |
| 14 | Half Union 50mm | 1 |
| 13 | Male Valve Socket | 1 |
| 12 | Lower Shell | 1 |
| 11 | Pipe 100mm | 1 |
| 10 | Elbow 90˚ 100mm | 1 |
| 9 | Pipe 100mm | 1 |
| 8 | Bulkhead 100mm | 1 |
| 7 | Cyclone Holder | 1 |
| 6 | Cyclone Cone RH | 35 |
| 5 | Cyclone Cone LH | 35 |
| 4 | Mainfold Plate | 1 |
| 3 | Exit Pipe / Vortex Tube | 70 |
| 2 | Half Union 100mm | 2 |
| 1 | Top Shell | 1 |

Offices – Australia
NSW – Sydney
(Head Office)
Tel: +61 2 9898 8600
QLD – Brisbane
Tel: +61 7 3299 9900
VIC/TAS – Melbourne
Tel: +61 3 9764 1211
WA – Perth
Tel: +61 8 9273 1900
SA/NT – Adelaide
Tel: +61 8 8244 6000
ACT Distribution
Tel: +61 2 6280 6476
OFFICES – OVERSEAS
WATERCO (EUROPE) LIMITED Sittingbourne, Kent, UK
Tel: +44 (0) 1795 521 733
WATERCO FRANCE
Saint Priest, France
Tel: +33 4 72 79 33 30
WATERCO (USA) INC
Augusta, Georgia, USA
Tel: +1 706 793 7291
WATERCO CANADA
Longueuil, Quebec, Canada Tel: +1 450 748 1421
WATERCO (NZ) LIMITED Auckland, New Zealand
Tel: +64 9 525 7570
WATERCO © LIMITED
Guangzhou, China
Tel: +86 20 3222 2180
WATERCO (FAR EAST) SDN BHD
Selangor, Malaysia
Tel: +60 3 6145 6000
PT WATERCO INDONESIA
Jakarta, Indonesia
Tel: +62 21 4585 1481
WATERCO SINGAPORE INTL PTE LTD
Nehsons Building, Singapore
Tel: +65 6344 2378



















