Paul Neuhaus 2211-18 Pure Vega Pendant Light
This Product contains a light source of energy efficiency class <F>
Technical Data

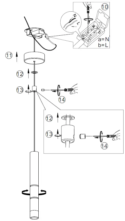
Mounting




This Product contains a light source of energy efficiency class <F>




Download manual
Here you can download full pdf version of manual, it may contain additional safety instructions, warranty information, FCC rules, etc.