Atlanta Skye Dust Grey

Product Information
The product is a bathroom furniture set that includes various units such as basins, W/C units, bidet units, mirrors, and brassware. The product is identified by the labels on the packaging that include descriptions and product batch numbers. The guarantee does not cover any installation costs incurred due to faults that were evident at the time of delivery. The product comes with an installation guide and assembly manual that must be read before starting the installation process.
Installation Instructions
Before installation, inspect all products carefully. Unpack the units carefully and check the contents before discarding the packaging as small items may still be in the packaging. To protect the units from scratches, only lay them on a clean flat surface. Do not carry units by rails. For sanitaryware basins, edges around wash basins must be sealed with a waterproof agent or sealer. Basins should be leveled on a bead of silicon onto the base unit if possible before the final water and waste connections are made. For W/C units, cut-outs for pipes and cistern controls must be made as directed by the manufacturer’s instructions or templates, remembering to seal any raw edges. The cistern will require fixing to the cross rail (these fixings are not supplied). Please note: These units are designed for back-to-wall pans as well as suspended wall-hung pans when used with a suitable suspension frame. Wall fixings are not included, so the installer must provide suitable-wall fixings depending on the type and condition of the wall. A secondary fix is also recommended when installing units.
Guidelines for Care and Maintenance
To maintain the appearance and prolong the life of your new bathroom products, we recommend the following guidelines:
- Furniture: Wipe spills up immediately with a clean soft damp cloth as excessive amounts of spillage or condensation can cause deterioration of the woodwork. We recommend that furniture be cleaned with a soft damp cloth and warm soapy water. Avoid using cleaners or polishes that contain abrasives, solvents, acid, or ammonia.
- Mirrors: Wipe off excessive moisture or condensation, and clean with a soft cloth. Avoid using cleaners that contain abrasives, solvents, acid, or ammonia.
- Ceramic Sanitaryware: Clean with a soft damp cloth and warm soapy water; rinse with clean water and polish with a soft cloth. Avoid using cleaners that contain abrasives, solvents, acid, or ammonia.
- Brassware: Clean with a damp cloth, water, and soap, rinse clean, and polish with a cloth. Avoid using cleaners that contain abrasives, solvents, acid, or ammonia.
W/C, Bidet Units Instructions
The W/C and bidet units consist of 1 Rigid W/C Bidet Unit and 1 Fixing Pack. Follow the below instructions to install the unit:
- Secure wall fixing brackets to the unit side with No.6×1/2 C/sink screws.
- The unit is secured to the wall through the Wall Fixing bracket using suitable fixings depending on the wall type (these fittings are not supplied).
BATHROOM FURNITURE ASSEMBLY INSTRUCTIONS
Product Identifi cation
All units can be easily identifi ed from the labels on the packaging. These labels include a description and product batch numbers. In the unlikely
event of any missing items, these numbers should be quoted when contacting your supplier.
Please inspect all products carefully before installation.
The guarantee does not cover any subsequent installation costs incurred if faults which would have been evident at the time of delivery are
discovered after installation.
Installation Guide and Assembly Manual
It is recommended that this guide should be read before any installation of units begins. Always unpack units carefully and check the contents before discarding the packaging as small items may still be in the packaging. To protect units from scratches only lay them on a clean fl at surface. DO NOT CARRY UNITS BY RAILS.
Installation
- • If using a W/C unit it is advisable that this unit where possible should be installed fi rst. This unit is floor standing and may need leveling. Either pack the unit up or scribe down to the fl oor, this would give a starting point and installation height for all other base units. Please remember if a plinth is being used on adjacent units that the plinth height is 180mm.
- When all units are ready for installation and the room is cleared, place the units along the relevant walls and level off. Level by adjusting the legs, where possible leave a gap of 180mm from fl oor to underside of cabinet. This will ease the plinth fi xing at later stages of installation.
- Once aligned, use the carcass connecting bolts to join adjacent units together.
- Secure units to the wall either through the back rail or by using ʻLʼ shape fi xing brackets where supplied. Please note that wall fi xings are not supplied for securing the units to the wall.
- If any cut-outs or scribing has been undertaken it is the responsibility of the installer to seal any cut edges with a suitable waterproof agent.
- For the installation of wall units or mirrors a suggested height of 1122mm above the surface of the Countertop is recommended. This dimension must be adhered to if Units or Mirrors are sited immediately beside a Tall unit as shelving would prove diffi cult to install. If a Tall unit is not present these items can be installed at the customers discretion. Please refer to unit dimensions within this document.
- Marking off each unit will give you a reference point for securing the wall fi xing brackets, fi nal adjustments can be made by the wall hanging brackets inside the unit. Once aligned use cabinet connecting bolts to join adjacent units together.
- High Gloss panels may be covered with a protective fi lm which needs to be removed before fi nal installation.
- ANY CUT PANELS INCLUDING COUNTERTOPS MUST BE SEALED WITH A WATERPROOF AGENT.
SANITARYWARE
Basins.
Any cabinet edges around wash basins must be sealed with a waterproof agent or sealer. Basins should be levelled on a bead of silicon onto the base unit if possible before the fi nal water and waste connections are made.
W/C Units
You will need to make cut-outs for pipes and cistern controls as directed by the Manufacturerʼs instructions or templates, remembering to seal any raw edges. The cistern will require fi xing to the cross rail. (These fi xings are not supplied)
Please note: These units are designed for back-to-wall pans as well as suspended “wall hung” pans when used with a suitable suspension frame.
Guidelines for Care and Maintenance
To maintain the appearance and prolong the life of your new bathroom products we recommend the following,
Furniture
Wipe spills up immediately with a clean soft damp cloth as excessive amounts of spillage or condensation can cause deterioration of the woodwork.We recommend that furniture be cleaned with a soft damp cloth and warm soapy water. Avoid using cleaners or polishes that contain abrasives, solvents, acid or ammonia.
Mirrors
Wipe off excessive moisture or condensation, clean with a soft cloth. Avoid using cleaners that contain abrasives, solvents, acid or ammonia.
Ceramic Sanitaryware
Clean with a soft damp cloth and warm soapy water; rinse with clean water and polish with a soft cloth. Avoid using cleaners that contain abrasives, solvents, acid or ammonia.
Gel-coated Cast Mineral Washbasins
Gel-cast basins are designed and guaranteed to be used with hot water up to a maximum temperature of 65ºC, this temperature must not be exceeded Clean with a soft damp cloth, water and soap or very mild detergent, rinse and polish with a soft cloth. Avoid using cleaners that contain abrasives, solvents, acid or ammonia. Do not use caustic soda or bleaches.For a good shine use a fi ne polish around twice a year and then fi nish with a wax e.g. car wax. Care instructions are included with the washbasin.
Brassware
Clean with a damp cloth, water and soap, rinse clean,
and polish with a cloth. Avoid using cleaners that contain abrasives, solvents, acid or ammonia.
IMPORTANT NOTE: Wall fi xings are not included, the installer must provide suitable wall fixings depending on the type and condition of the wall. A secondary fi x is also recommended when installing units.
W/C & Bidet Units consists of:
- 1 Rigid W/C Bidet Unit
- 1 Fixing Pack
INSTRUCTIONS
- Secure Wall fi xing brackets to the unit side as shown with No.6×1/2” C/sink screws. The unit is secured to the wall through the Wall Fixing bracket using suitable fi xings depending on wall type. (These fi ttings are not supplied)
- When joining adjacent units together you will need to drill holes for the carcass connecting bolts as shown.
- To apply panel fi ttings to front fascia panels, drill pilot holes using Fig1. as a guide and secure with No.6×5/8” C/sink screws.
- Secure the countertop with the No.7×3/4” C/sink screws through the countertop brackets.
- When fi tting the front panels, slide the Lower Panel down fi rst then push the Top Panel into place. FIG.2
Note: If installing wall hung W/C please use a specifi ed fi xing system. Ref:SFKW/C DO NOT fi x W/C to cabinet panels.


HARDWARE

Counter Top Units
This unit consists of:
- 1 Rigid Counter Top Unit
- 1 Adjustable Shelf
- 1 Fixing Pack
INSTRUCTIONS
- The back panel can be removed to help installation and replaced at a later stage.
- Secure wall fi xing brackets to the unit side as shown with No.6×1/2” C/sink screws. The unit is secured to the wall through the Wall Fixing bracket using suitable fi xings depending on wall type. (These fi ttings are not supplied)
- For the top fascia panel, align 4mm down from top edge of the unit and mark positions for No.6×5/8” C/sink screws (Fig.1). You will need to drill pilot holes for the screws.
- When joining adjacent units you will need to drill holes for the carcass connecting bolts as shown.
- To secure the countertop, use 4 No.7×3/4” C/sink screws through the countertop brackets.
Please refer to page 9 for hinge fi xing & adjustment.

HARDWARE

Breeze Basin
FIXING INSTRUCTIONS
To Install the Breeze basin onto a countertop unit simply place a bead of silicone around top edge of cabinets side and place basin onto bead of silicone to secure into place. Alternative option is to use the worktop brackets supplied (FIG 1), screw through worktop brackets using x4 self tapping screws. It is advised to drill a pilot hole onto basin fi rst.
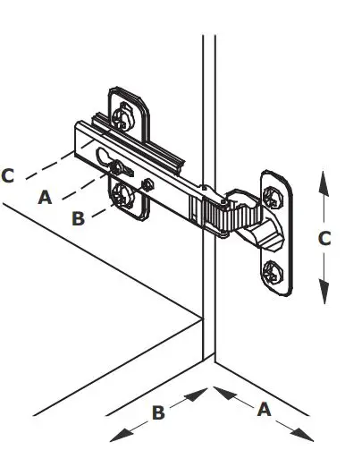
Hinge fixing & Adjustment
HINGE FIXING & ADJUSTMENT
- Secure hinge plates to the cabinet sides (where required) as illustrated.
- Locate doors over hinge arms and push into predrilled positions on the rear of the doors and secure with 2 No.6×5/8” C/sink screws provided. Use a No 2 crosshead bit and do not over-tighten the screws. If using a power driver make sure the torque setting is low.
- Fix the hinge arms to the plates by locating the two hooks onto the front of the hinge plates and clicking the rear connector into place.
- Adjust alignment of door before fi nally tightening.
- Clip on the cover cap.

- = FRONTAL ADJUSTMENT
- = LATERAL ADJUSTMENT
- = VERTICAL ADJUSTMENT
Full Door Base Units
INSTRUCTIONS
- When joining adjacent units you will need to drill holes for the carcass connecting bolts as shown.
- The unit can be secured to the wall by drilling through the back rail and inserting suitable xings depending on wall type. (These ttings are not supplied)
- The back panel can be installed at a later stage with the No.6×1/2” C/sink screws into the back rail. Please remember to install before securing the countertop.
- To x the countertop drill through the front rail and use the No.8×1”1/4 C/sink screws to secure. Use the No.7×3/4” C/sink screws through the countertop brackets at the rear.
- Please refer to below for : adjustable legs & Plinths for leg pack assembly.
Please refer to hinge page for hinge fixing & adjustment.
This unit consists of:
- 1 Rigid Base Unit
- 1 Adjustable Shelf
- 1 Fixing Pack

HARDWARE

Adjustable Legs and Cabinet Plinths
ADJUSTABLE LEG ASSEMBLY
- Turn the unit upside down. Place leg socket into place and screw to the bottom of the carcass. Insert legs into sockets making sure they are pushed all the way in. Wind the leg to approximately 180mm (Plinth height). Adjustment may be required to level off. FIG.1
- Place plinth into position face down, draw a line and mark positions for plinth brackets. Once in place slide leg clip into brackets and push onto legs. FIG.2


Drawerline Base Units
This unit consists of:
- 1 Rigid Drawer Line Base Unit
- 1 Adjustable Shelf
- 1 Fixing Pack
INSTRUCTIONS
- The unit can be secured to the wall by drilling through the back rail and inserting suitable fi xings depending on wall type. (These fi ttings are not supplied)
- The back panel can be installed at a later stage with the No.6×1/2” C/sink screws into the back rail. Please remember to install before securing the countertop.
- When joining adjacent units you will need to drill holes for the carcass connecting bolts as shown.
- To fi x the countertop drill through the front rail and use the No.8×1”1/4 C/sink screws to secure. Use No.7×3/4” C/sink screws through the countertop brackets at the rear.
- Please refer to page 15: Adjustable legs & Plinths for leg pack assembly.
- Please refer to page 9 for hinge fi xing & adjustment.
Drawerline Units
(D4 Drawer Pack Required)
DRAWER GUIDE ASSEMBLY
Locate drawer runners over the 5mm diameter holes and secure to the Cabinet side with 2 Varianta Flat/HD screws (FIG.1). These are supplied with the P13 Drawer Pack. (Use hole positions as illustrated)


Drawer Box Adjustment

HARDWARE
Pre-Assembled Drawer Box
Toilet Roll Base Unit

- Unit not to be used on the end of a run.
HINGE FIXING & ADJUSTMENT
- Secure hinge plates to the cabinet base using pre-drilled holes.
- Locate doors over hinge arms and push into pre-drilled positions on the rear of the doors and secure with 2 No.6×5/8” C/sink screws provided.
- Fix hinge arms to plates by locating the key hole slot over the plate fi xing screw and lightly tighten.
- Adjust alignment of door before fi nallytightening. (A,B,C)

- A = FRONTAL ADJUSTMENT
- B = LATERAL ADJUSTMENT
- C = VERTICAL ADJUSTMENT
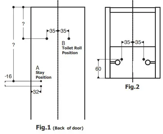
Stay Fitting instruction
The Toilet Roll Base Unit comes with the stay already attached to the cabinet side but will need to be secured to the door on installation.
- Once door is attached to cabinet, mark stay position on back of door as shown in Fig.1. The height position variy depending upon customers preference on door opening position.
- Pilot hole pre-marked position then secure stay in position with screws provided.
- The tension on the stay can be adjusted using the screw on side of stay.
Toilet Roll Holder Fitting Options
The toilet roll holder can either be sighted on the back of the door or in the top open appiture of the unit as shown. Please chose your prefered position then follow required fi xing instructions.
A Open Aperture
To fi t the toilet roll holder to the open appiture mark the underside of the top rail as shown in Fig 2 A. Pilot hole marked positions before securing the toilet roll holder to cabinet rail with screws supplied.
B Back Of Cabinet Door
- Mark out the centre point on the back of the door (Shown in Fig.1 B).
- You can position your toilet roll holder at any point on the door as long as the centre of the toilet roll holder is on the centre line.
- Once you have selected a point on the door that suits drill a small shallow pilot hole 35mm either side of the centre line (Fig.1 B).
- Once you have drilled the pilot holes line up the toilet roll holder and screw tightly into place with screws supplied.

Tall Units
Drawerline Units
(Please refer to drawerline instructions on previous page)(Please refer to drawerline instructions on previous page)
DRAWER GUIDE ASSEMBLY
Locate drawer runners over the 5mm diameter holes and secure to the Carcass side with 2 Varianta Flat/HD screws. These are supplied with the P13 Drawer Packs.
This unit consists of:
- 1 Pair of sides
- 1 Top shelf (Grooved)
- 1 Bottom shelf (Grooved)
- 2 Middle Fixed shelves
- 3 Adjustable shelves
- 1 Back panel
- 1 Fixing Pack
UNIT ASSEMBLY INSTRUCTIONS
- Lay unit sides on a clean fl at surface that will not damage or scratch the sides.
- Screw in the cam & pins and insert the wooden dowels as illustrated by A into the cabinet sides. Repeat for opposite side.
- Locate fi xed shelves over campins and dowels and secure with the cams by rotating them to tighten. Slide in the back panel and add the opposite side.
- Use the panel pins to secure the back panel to the middle fi xed shelves.
- Please refer to page 15: Adjustable legs & Plinths for leg pack assembly.
IMPORTANT NOTE
- Use these holes for the Tall Unit Top door (P12).


HARDWARE

Bath Panels
Note: Baths will have their own installation instructions supplied by the manufacturer. Before attempting to fi t your panels, please read these installation instructions in full and ensure that you fully understand them.
ALL PANELS ARE SUPPLIED 450mm IN HEIGHT.
- To install the bath panels, measure the length and height of the bath to determine the size for the bath panels. FIG.1. Secure a square timber battern to the walls at both ends underneath the rim of the bath. FIG.2
- The bath panel is then fi xed to the square timber battern. This can be achieved in many ways, i.e. strong adhesives, silicone, liquid nails, panel pins, screws and screw cups or mirror screws, depending on the installers preference.
- Whichever method of fi xing is used, please note it may be necessary at a later date or due to unforeseen circumstances that you may need to remove the panels.
- If a return panel is required you will need to assemble panels into an (L) Shape, use a square timber battern to join panels in the corner. FIG.2
Note: Some designs are supplied at 700 & 750, however some are supplied at 750 only and will require reducing in length. It is important that all edges, gaps and joints must be sealed with a waterproof agent.
Variable Corner Post
Corner Situations
The corner post is used for creating a corner installation. The minimum size is 55mm x 55mm (FIG.1) with a variable distance in one direction to a maximum size of 140mm (FIG.2)
Wall Units
This unit consists of:
- 1 Rigid Wall Unit
- 2 Adjustable Shelves
- 1 Fixing Pack
INSTRUCTIONS
- 175mm & 350mm units will require the fi tting of hinge plates before installation due to the limited internal width.
- Lay unit on a clean fl at surface that will not damage or scratch the unit.
- Secure hinge plates using the preinserted screws provided.
- When joining adjacent units you will need to drill holes for the carcass connecting bolts as shown.

USE DIMENSIONS ONLY AS A GUIDE FOR POSITIONING WALL FIXING BRACKETS FOR WALL UNITS
- DIMENSIONS FROM OUTER EDGE OF CABINET
HARDWARE

- WALL FIXING BRACKET

Mirror Wall Units
This unit consists of:
- 1 Rigid Wall Unit
- 2 Adjustable Shelves
- 1 Fixing Pack
INSTRUCTIONS
Please refer to Wall Units section For installation and positioning.
Fixing Mirrored Doors To Wall Units
Please note that hinge plates A are supplied with the relevant mirror door packs. When fi xing hinge plates to cabinet do not fully tighten at this stage of installation.
- Make sure the mirror is placed on a clean, dust-free area to avoid any surface abrasion or marking. Clip the hinge B over mirror plate C into position.
- Open up the hinge mechanism by moving the hinge arm at both top and bottom of the door. (See Fig.1)
- Locate mirrored door to the hinge plates and click into place D.
- Align mirror ensuring that no tension is applied to the hinge. Now fully tighten hinge plates A to complete installation.
- Any further adjustment can now be done if required.

Adjustments

ASSEMBLY

Open shelf unit (640H)
UNIT INSTRUCTIONS
This unit can be reduced in width & depth. The unit is dry fi xed and can be easily disassembled. Please take care with fi ttings if undertaking this procedure.
DO NOT USE AT THE END OF A RUN IF THE CABINET SIDE IS VISABLE
HARDWARE

Mirror Installations
All mirrors are supplied with Brass Mirror Back Plates (Fig.1). Key hole fi ttings are also supplied with Framed mirrors (Fig.2). When installing either Mirror backboards or Framed Mirrors, position plates to suit the application. Plates can be sited at the top and bottom or at the sides. If installation is permanent chase walls or scribe units to hide plates and cover with appropriate material. Keyhole fi ttings are only supplied with framed mirrors. These fi ttings are best suited when mirror is fi xed on its own. Use No.8 c/sink screws into wall.
Note: Wall fi xings are not supplied.
Atlanta Bathrooms – Packaging Recycling Information
Atlanta Bathrooms is a brand Be Modern Ltd, a British manufacturer of bathroom furniture, fi res and for surrounds. Be Modern go to great lengths reduce, re-use and recycle all waste produced during the manufacturing process and daily operations of the business. We also ensure our packaging is recyclable wherever possible and that any non-recyclable plastics used only when it is completely necessary. All our products are packed using 100% fully recyclable cardboard packaging, which is made in our factory, from sustainable raw material, specifi cally for each product to ensure wastage is kept to a minimum.
Lifetime Guarantee Registration
Atlanta proudly offer a lifetime guarantee against all bathroom furniture manufacturing and material defects. To register your guarantee please complete the form below and return it to the address on the reverse of this card, or visit www.atlantabathrooms.com/lifetime-guarantee and submit the online form.
- Name:
- House No. / Name & Street:
- Postcode:
- Telephone Number:
- Email Address:
- Furniture Colour / Finish:
- Retailer / Installation Company:
- Date of Installation:
For full terms & conditons visit www.atlantabathrooms.com/lifetime-guarantee
Customer Services
- Tel: 0191 428 0444
- Fax: 0191 489 0620
Atlanta Bathrooms 19 Bedesway Bede Industrial Estate Jarrow Tyne & Wear NE32 3HQ





Toilet Roll Base Unit




Wall Units


















