
EVAL-ADXL373Z
UG-1980
User Guide
One Technology Way
P.O. Box 9106
Norwood, MA 02062-9106, U.S.A.
Tel: 781.329.4700
Fax: 781.461.3113
www.analog.com
Evaluating the ADXL373 Micropower, 3-Axis, ±400 g, Digital Output, MEMS Accelerometer
FEATURES
2 sets of spaced vias for a population of the 5-pin headers
Simply attached to prototyping board or PCB
Small size and board stiffness minimize the impact on the system and acceleration measurements
EQUIPMENT NEEDED
External host processor
DOCUMENTS NEEDED
ADXL373 datasheet
GENERAL DESCRIPTION
The E VA L -ADXL373Z is a simple evaluation board that allows quick evaluation of the performance of the ADXL373 micropower, 3-axis, ±400 g, digital output, microelectromechanical systems (MEMS) accelerometer.
The EVAL-ADXL373Z is ideal for the evaluation of the ADXL373 in an existing system because the stiffness and the small size of the evaluation board minimize the effect of the board on both the system and acceleration measurements.
For full details on the ADXL373, see the ADXL373 data sheet, which should be consulted in conjunction with this user guide when using these evaluation boards.
PRINTED CIRCUIT BOARD LAYOUT

PLEASE SEE THE LAST PAGE FOR AN IMPORTANT WARNING AND LEGAL TERMS AND CONDITIONS.
EVALUATION BOARD HARDWARE
The E VA L -ADXL373Z has two sets of 0.1 inch spaced vias for a population of the 5-pin headers to provide access to all power and signal lines. The vias or headers allow the E VA L -ADXL373Z to be attached either to a prototyping board (breadboard) or to a printed circuit board (PCB) in an existing system. Four holes are provided in the corners of the board for mechanical attachment of the E VA L -ADXL373Z to the application. An external host processor is required for communication with the device.
The dimensions of the E VA L -ADXL373Z are 20 mm × 20 mm. The four mounting holes are set to 15 mm × 15 mm at the corners of the PCB.
CIRCUIT DESCRIPTION
The PCB layout of the E VA L -ADXL373Z is shown in Figure 1.
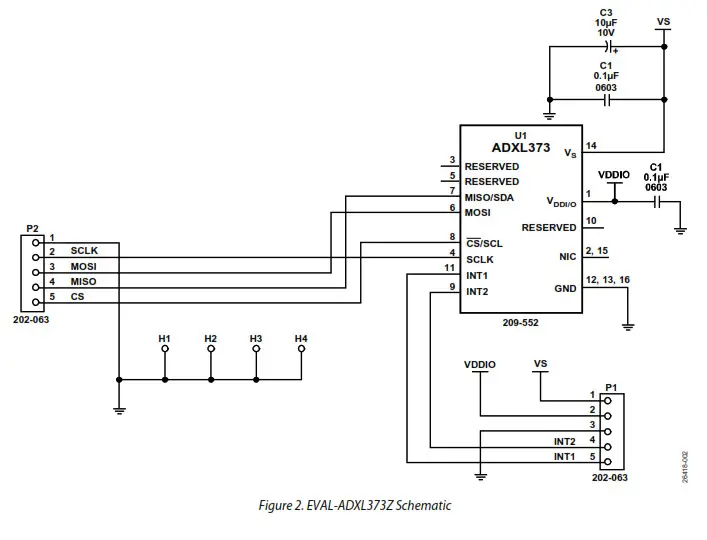
The E VA L -ADXL373Z is equipped with three factory-installed capacitors for bypass: two 0.1 μF capacitors (C1 and C2) and a10 μF capacitor (C3). C2 and C3 are VS bypass capacitors for reducing analog supply noise, and C1 (located between VDDI/O and GND) is for reducing the digital clocking noise.
A schematic of the E VA L -ADXL373Z is shown in Figure 2.
See the ADXL373 data sheet for information on configuring the accelerometer following its connection to the application host
processor.
HANDLING CONSIDERATIONS
The E VA L -ADXL373Z is not reverse polarity protected. Reversing the VS or VDDI/O supply and GND pins can cause damage to the ADXL373.
Dropping the E VA L -ADXL373Z on a hard surface can generate several thousand g of acceleration, which can exceed the absolute maximum limits found in the ADXL373 datasheet. See the ADXL373 data sheet for additional information.
EVALUATION BOARD SCHEMATIC

ORDERING INFORMATION
BILL OF MATERIALS
Table 1.
| Qty | Reference Designator | Description | Manufacturer | Part Number |
| 1 | U1 | Micropower, 3-axis, ±400 g, digital output, MEMS accelerometer | Analog Devices, Inc. | ADXL373BCCZ |
| 2 | C1 and C2 | 0.1 µF ceramic capacitors, 50 V, 10%, X7R | CAL-CHIP | GMC10X7R104K50NTLF |
| 1 | C3 | 10 µF tantalum capacitor, 10 V, 10% | CAL-CHIP | TCKIA106ATL |
| 2 | P1 and P2 | Headers, male, nonshrouded, 1 × 5, 0.1″ spacing | Adam Tech | PH1-05-UA |
ESD Caution
ESD (electrostatic discharge) sensitive device. Charged devices and circuit boards can discharge without detection. Although this product features patented or proprietary protection circuitry, damage may occur on devices subjected to high-energy ESD. Therefore, proper ESD precautions should be taken to avoid performance degradation or loss of functionality.
Legal Terms and Conditions
By using the evaluation board discussed herein (together with any tools, components documentation or support materials, the “Evaluation Board”), you are agreeing to be bound by the terms and conditions set forth below (“Agreement”) unless you have purchased the Evaluation Board, in which case the Analog Devices Standard Terms and Conditions of Sale shall govern. Do not use the Evaluation Board until you have read and agreed to the Agreement. Your use of the Evaluation Board shall signify your acceptance of the Agreement. This Agreement is made by and between you (“Customer”) and Analog Devices, Inc. (“ADI”), with its principal place of business at One Technology Way, Norwood, MA 02062, USA. Subject to the terms and conditions of the Agreement, ADI hereby grants to Customer a free, limited, personal, temporary, nonexclusive, non-sublicensable, non-transferable license to use the Evaluation Board FOR EVALUATION PURPOSES ONLY. The customer understands and agrees that the Evaluation Board is provided for the sole and exclusive purpose referenced above, and agrees not to use the Evaluation Board for any other purpose. Furthermore, the license granted is expressly made subject to the following additional limitations: Customer shall not (i) rent, lease, display, sell, transfer, assign, sublicense, or distribute the Evaluation Board; and (ii) permit any Third Party to access the Evaluation Board. As used herein, the term “Third Party” includes any entity other than ADI, Customer, their employees, affiliates, and in-house consultants. The Evaluation Board is NOT sold to Customer; all rights not expressly granted herein, including ownership of the Evaluation Board, are reserved by ADI. CONFIDENTIALITY. This Agreement and the Evaluation Board shall all be considered the confidential and proprietary information of ADI. The customer may not disclose or transfer any portion of the Evaluation Board to any other party for any reason. Upon discontinuation of use of the Evaluation Board or termination of this Agreement, Customer agrees to promptly return the Evaluation Board to ADI. ADDITIONAL RESTRICTIONS. Customers may not disassemble, decompile or reverse engineer chips on the Evaluation Board. The customer shall inform ADI of any occurred damages or any modifications or alterations it makes to the Evaluation Board, including but not limited to soldering or any other activity that affects the material content of the Evaluation Board. Modifications to the Evaluation Board must comply with applicable law, including but not limited to the RoHS Directive. TERMINATION. ADI may terminate this Agreement at any time upon giving written notice to the Customer. The customer agrees to return to ADI the Evaluation Board at that time. LIMITATION OF LIABILITY. THE EVALUATION BOARD PROVIDED HEREUNDER IS PROVIDED “AS IS” AND ADI MAKES NO WARRANTIES OR REPRESENTATIONS OF ANY KIND WITH RESPECT TO IT. ADI SPECIFICALLY DISCLAIMS ANY REPRESENTATIONS, ENDORSEMENTS, GUARANTEES, OR WARRANTIES, EXPRESS OR IMPLIED, RELATED TO THE EVALUATION BOARD INCLUDING, BUT NOT LIMITED TO, THE IMPLIED WARRANTY OF MERCHANTABILITY, TITLE, FITNESS FOR A PARTICULAR PURPOSE OR NON-INFRINGEMENT OF INTELLECTUAL PROPERTY RIGHTS. IN NO EVENT WILL ADI AND ITS LICENSORS BE LIABLE FOR ANY INCIDENTAL, SPECIAL, INDIRECT, OR CONSEQUENTIAL DAMAGES RESULTING FROM CUSTOMER’S POSSESSION OR USE OF THE EVALUATION BOARD, INCLUDING BUT NOT LIMITED TO LOST PROFITS, DELAY COSTS, LABOR COSTS OR LOSS OF GOODWILL. ADI’S TOTAL LIABILITY FROM ANY AND ALL CAUSES SHALL BE LIMITED TO THE AMOUNT OF ONE HUNDRED US DOLLARS ($100.00). EXPORT. The customer agrees that it will not directly or indirectly export the Evaluation Board to another country and that it will comply with all applicable United States federal laws and regulations relating to exports. GOVERNING LAW. This Agreement shall be governed by and construed in accordance with the substantive laws of the Commonwealth of Massachusetts (excluding conflict of law rules). Any legal action regarding this Agreement will be heard in the state or federal courts having jurisdiction in Suffolk County, Massachusetts, and Customer hereby submits to the personal jurisdiction and venue of such courts. The United Nations Convention on Contracts for the International Sale of Goods shall not apply to this Agreement and is expressly disclaimed.
©2021 Analog Devices, Inc. All rights reserved. Trademarks and registered trademarks are the property of their respective owners.
UG26418-4/21(0)




















