BeaconLIGHTING LUCCI Summit Series DC Ceiling Fan Instruction Manual
![]()
THANK YOU FOR PURCHASING
Thank you for purchasing the latest in energy-saving ceiling fans. This fan runs on DC (direct current) power which gives it the benefit of being super energy efficient while still maintaining high volume air movement and silent operation.
Energy-saving – The DC motor is the latest technology in fan design. Its highly efficient motor saves up to 65% more energy than ceiling fans with traditional AC motors.
Silent operation – This DC fan motor is programmed with a stabilised current which efficiently reduces motor noise.
Low operating temperature – The DC power is managed effectively which brings down the motor operating temperature to less than 50℃. This results in a much cooler motor than a standard AC fan and increases the longevity of the motor.
6-speed remote control – Regular AC ceiling fans usually come with only 3 speeds, and this DC fan comes complete with a 6 speed remote, which gives a greater choice of comfort levels.
SAFETY PRECAUTIONS
- The appliance is not intended for use by persons (including children) with reduced physical, sensory or mental capabilities, or lack of experience and knowledge unless they have been given supervision or instruction concerning the use of the appliance by a person responsible for their safety.
- Children should be supervised to ensure that they do not play with the appliance.
- An all-pole disconnection switch must be incorporated into the fixed wiring, in accordance with local wiring rules.IN AUSTRALIA
WARNING:
FOR SAFE USE OF THIS FAN AN ALL-POLE DISCONNECTION MUST BE INCORPORATED INTO THE FIXED WIRING IN ACCORDANCE WITH THE WIRING RULES.
As outline in clause 7.12.2 of AS/NZS 60335-1 for meeting the minimum electrical safety of this standard.
Please note warranty will be void if the installation is without a means for an all-pole disconnection incorporated in the fixed wiring in accordance with the wiring rules.
Example: If a fan is connected to a circuit that can be isolated via an allpole safety switch at the switchboard, then this is considered to be an all-pole disconnection to the ceiling fan electrical circuit, meeting the requirements of clause 7.12.2 of AS/NZS 60335.1.
A single-pole switch on the active of the receiver input of remote control must also be included in the wiring, and located the same room as the ceiling fan.
Do not dispose of electrical appliances as unsorted municipal waste, use separate collection facilities. Contact your local government for information regarding the collection systems available. If electrical appliances are disposed of in landfills or dumps, hazardous substances can leak into the groundwater and get into the food chain, damaging your health and well-being.- The structure to which the fan is to be mounted must be capable of supporting four times the weight of the fan.
- The fan should be mounted so that the blades are at least 2.3 m above the floor in Europe or 2.1 m above the floor in Australia.
- This fan is suitable for indoor and alfresco areas where the fan is fully undercover with a minimum of 2 walls. This fan is not waterproof. When installed in an alfresco area, the ceiling fan must be positioned in a location protected from water, wind, dust and salt. Exposure to these elements will void the warranty. Mounting the fan in a situation where it is subject to water or moisture is dangerous and may increase the risk of damage, injury or electrical shock.
- Must be assembled and installed by a licensed electrician.
- WARNING: If unusual wobbling or oscillating movement is observed, immediately stop using the ceiling fan and contact the manufacturer, its service agent or suitably qualified persons.
- The replacement of parts of the safety suspension system device shall be performed by the manufacturer, its service agent or suitably qualified persons.
- The fixing, which means the attachments to the ceiling via hooks or other devices must have sufficient strength to withstand four times the weight of the ceiling fan; that the mounting of the suspension system shall be performed by the manufacturer, its service agent or suitably qualified persons.
PARTS LIST
- Unpack your ceiling fan carefully. Remove all parts and hardware.
- Lay out all the components on a smooth surface and make sure no components are missing before assembling. If parts are missing, return the complete product to the place of purchase for inspection or replacement.
- Check whether the ceiling fan has been damaged during transport. Do not operate/install any product which appears damaged in any way. Return the complete product to the place of purchase for inspection, repair or replacement.
- Examine all parts, and you should have the following:
![]()
Fig. 1
![]()
INSTALLING THE FAN
TOOLS REQUIRED:
– Phillips / flat head screwdriver
– Pair of pliers
– Adjustable spanner
– Step ladder
– Wirecutter
– Wiring, supply cable as required by local provincial and national wiring codes and regulations
INSTALLING THE MOUNTING BRACKET
- The ceiling fan must be installed in a location so that the blades are spaced 300mm from the tip of the blade to the nearest objects or walls.
- Install the hanging bracket to the ceiling joist or structure that is capable of carrying a load of at least four times the weight of the fan, using the two long screws provided. Ensure at least 30mm of the screw is threaded into the support. (Fig. 2)
![]()
NOTE: The bracket screws provided are for use with wooden structures only. For structures other than wood, the appropriate type of screw MUST be used. Ensure the screws used are suitable for the mounting surface and the surrounding environment.
ANGLED CEILING INSTALLATION
The hanging system of this fan is ONLY suitable for flat ceiling installation.
DO NOT install the fan on an angled ceiling.
INSTALLATION OF BLADE (Fig.3)
- Unscrew the 4 screws from the cover of the fan blade and lift the blade cover; (Fig.3.1)
- Install the fan blades onto the motor assembly; (Fig.3.2)
- Install the cover back to the motor assembly by tightening the 4 screws. (Fig.3.3)
![]()
Fig. 3.1
![]()
Fig. 3.3
HANGING OF THE FAN (Fig.4)
- Place the hanger onto the mounting bracket. Ensure the key slot of the hanger ball is positioned on the key pin of the mounting bracket to prevent the fan from rotating when in operation; (Fig.4.1)
- Install the drive component onto the hanger by pushing through the mounting bracket; (Fig.4.2)
- Connect the wiring (Fig.4.3 & Refer to the wiring diagram in Fig.5 for more information)
– Connect the supply cable from the terminal block to the input of the drive component.
– Connect the output of the drive component to the cable of the fan assembly.
– Connect the earth wire to the earth terminal.
– Ensure the earth terminal is tightened to maintain the earth continuity. - Check and ensure all wiring connections are secured. (Fig.4.4)
![]()
Fig. 4
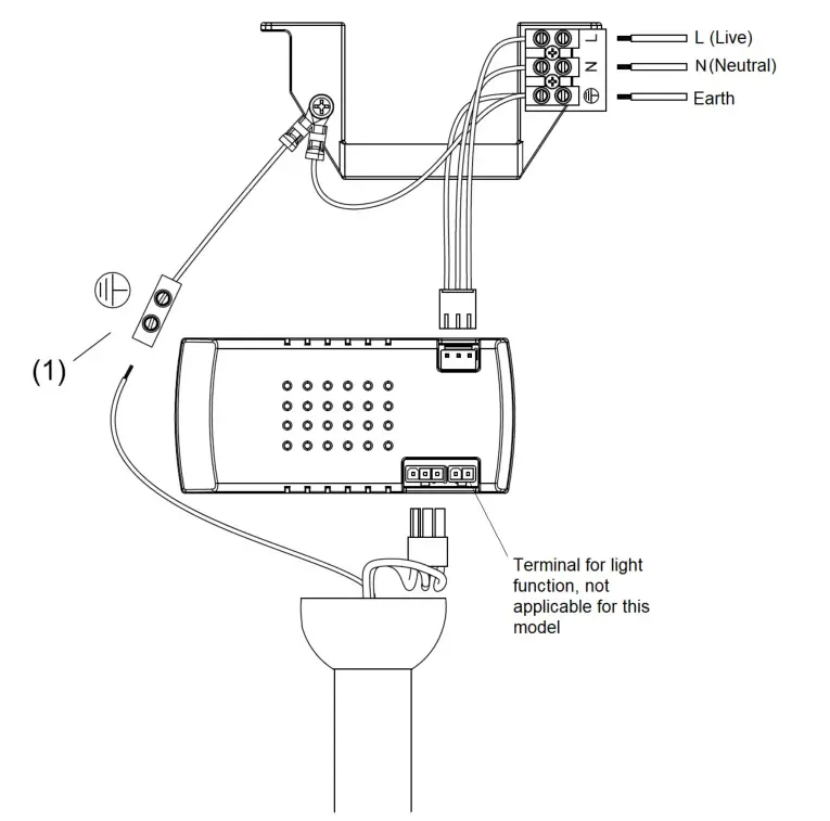
WIRING DIAGRAM (FIG. 5)
WARNING: FOR YOUR SAFETY ALL ELECTRICAL CONNECTIONS MUST BE UNDERTAKEN BY A LICENSED ELECTRICIAN.
NOTE: AN ADDITIONAL ALL-POLE DISCONNECTION SWITCH MUST BE INCLUDED IN THE FIXED WIRING.
NOTE: IF THERE ARE TWO OR MORE DC CEILING FANS INSTALLED IN THE ONE LOCATION, AN ISOLATION SWITCH IS REQUIRED FOR EACH CEILING FAN. THIS IS REQUIRED WHEN PROGRAMMING THE REMOTE AND RECEIVER TO PAIR TOGETHER.
Ensure the motor earth wire is connected to the single earthing terminal block “1” in the diagram below. (Fig. 7)
From mains supply to mounting bracket terminal block:
- Connect the live supply wire to the “L” terminal of the terminal block on the mounting bracket.
- Connect the neutral supply wire to the “N” terminal of the terminal block on the mounting bracket.
- Connect earth wire to the earth terminal of the terminal block on the mounting bracket.
From mounting bracket to receiver and motor:
4. Connect the supply wiring from the mounting bracket to the input of the DC motor driver remote receiver.
5. Connect the output wires of the DC motor driver/receiver to the input wires of the fan motor.
NOTE: Do not connect the light terminal to the output of the driver. The light function is not applicable to this model.
![]()
Fig. 5
FINISHING THE INSTALLATION
INSTALLATION OF THE CANOPY (Fig.6)
- Ensure the earth wiring is secure and correct, by performing an earthing continuity test from the fan’s accessible metal body back to the earth terminal at the terminal block on the mounting bracket.
- Push the canopy up to the ceiling canopy top cover fixed by two screws and the clicks;
- Lock the bottom cover of the canopy by turning anti-clockwise.
![]()
Fig. 6
USING YOUR CEILING FAN
REMOTE CONTROL (Fig.7)
![]()
Fig. 7
PAIRING REMOTE AND RECEIVER – WHEN 1 DC CEILING FAN IS INSTALLED IN ONE LOCATION
NOTE: Ensure that you have installed a single-pole disconnection switch in the fixed wiring for the fan.
NOTE: Ensure power to the receiver is ON before pairing the remote with the receiver.
- Turn OFF the mains supply to the fan by the on/off wall switch.
- Install the batteries into the remote. Please make sure the polarity of the battery is correct.
- Turn ON the power to the receiver.
- Press and hold the “Forward/Reverse” button on the remote for 10~15 seconds within 30 seconds of switching the power ON to the receiver of the ceiling fan.
- There will be a notification ‘beep’ sound from the receiver to indicate that the pairing process is successful.
- Turn ON and change the speed of the ceiling fan via the remote to check the operation and successful pairing.
PAIRING REMOTE AND RECEIVER – WHEN 2 OR MORE DC CEILING FANS ARE INSTALLED IN ONE LOCATION
When two or more ceiling fans are located near each other, you may desire to have the remote/receiver for each fan paired so that the operation of one fan does not affect the operation of the other fans.
NOTE: Ensure that you have installed a single-pole disconnection switch in the fixed wiring for each fan.
NOTE: Ensure power to the Receiver is ON before pairing the remote with the receiver.
Remote / Receiver pairing for ceiling fan 1:
- Turn OFF the mains supply to the receivers of both ceiling fans 1 and 2.
- Install the batteries into the remote. Please make sure the polarity of the battery is correct.
- Turn ON the power to receiver 1. Keep the power OFF to receiver 2. (Each ceiling fan must have its own isolation switch so that only the ceiling fan that needs to be paired with the transmitter will be ON).
- Press and hold the “Forward/Reverse” button of transmitter 1 for 10~15 seconds within 30 seconds of switching the power ON to the receiver of ceiling fan 1.
- There will be a notification ‘beep’ sound from the receiver to indicate that the pairing process is successful.
- Turn ON and change the speed of the ceiling fan 1 by the transmitter to check the operation and successful pairing.
Remote / Receiver paring for Ceiling fan 2:
- Turn OFF the mains supply to the receivers of both ceiling fans 1 and 2.
- Install the batteries into the remote. Please make sure the polarity of the battery is correct.
- Turn ON the power to receiver 2. Keep the power OFF to receiver 1. (Each ceiling fan must have its own isolation switch so that only the ceiling fan that needs to be paired with the transmitter will be ON).
- Press and hold the “Forward/Reverse” button of transmitter 2 for 10~15 seconds within 30 seconds of switching the power ON to the receiver of ceiling fan 2.
- There will be a notification ‘beep’ sound from the receiver to indicate that the pairing process is successful.
- Turn ON and change the speed of ceiling fan 2 by the transmitter to check the operation and successful pairing.
REPAIRING THE FAN RECEIVER & REMOTE PAIRING
Should the remote and receiver lose control after installation or during use, the pairing of the remote and the receiver must be repaired. Below are the operating symptoms and methods to repair the pairing of the DC ceiling fan remote and receiver.
Issues:
- Loss of control – Fan is only running at high speed after installation
- Loss of control – No reverse function after installation
- Loss of control – Remote cannot communicate with the receiver
Solution:
- Switch off the main power of the ceiling fan.
- Switch on the main power of the ceiling fan. Follow the same process as described in the ‘Paring remote and receiver’ section to repair your fan.
- Turn on and select the different speeds of the ceiling fan to check the operation of the fan.
WALL CONTROLLER
Alternatively, the ceiling fan can be operated by the provided wall controller as below. Install the wall controller then connect the L/N supply wire to its L/N terminal.
NOTE: The wall controller is worked as a transmitter and is linked to the receiver wirelessly.
![]()
SPEED – Adjust the speed of the fan
F/R – Change the turning direction of the fan
FAN OFF – Switch off the fan
Light ON/OFF – Switch on/off the light and selection of the colour temperature (Only for model with light)
DIMMING – Long press to address the brightness of the light (Only for model with light)
TIMER – Set the timer of the fan
The wall controller can be paired with the receiver by the following procedure:
NOTE: It has been pre-paired by the factory for the first time of use.
A. Turn off power to fan at the isolation/wall switch and wait for 30 seconds then turn the power back on at the isolation/wall switch, the fan will beep once.
B. Press and hold the “F/R” button for 10~15 seconds until the fan beeps once. The DC Wall Controller will then be linked to the fan. Either two remote handsets or one remote handset combined with one DC Wall Controller can be paired per fan and can control a maximum of two ceiling fans. be linked to the LED light. Either two remote handsets or one remote handset combined with one DC Wall Controller can be paired per fan and can control a maximum of two ceiling fans.
CHANGING AN EXTENSION ROD
![]()
REPLACEMENT OF AN EXTENSION ROD:
- Uninstall the ball joint, canopy, canopy bottom cover & the down rod joint cover from the fan assembly; (Figure 8.1, 8.2)
- Replace the original down rod with the extended one. Connect the extended cable (provided with the extension rod) to the wiring of the fan assembly (Fig. 8.3)
- Install the down rod joint cover, canopy bottom cover, canopy & ball joint back to the fan assembly. Ensure all the screws are tightened and secure.
![]()
Fig. 8.1
Note: Extension Rod – Supplied Separately
![]()
Fig. 8.2
![]()
AFTER INSTALLATION
NOTE: Ceiling fans tend to move during operation as they are mounted on a rubber grommet. If the fan was mounted rigidly to the ceiling, it would cause excessive vibration. Movement of a few centimetres is quite acceptable and DOES NOT suggest any problem.
TO REDUCE THE FAN WOBBLE: Please check that all screws which fix the mounting bracket and down rod are secure.
NOISE:
When it is quiet (especially at night) you may hear occasional small noises. Slight power fluctuations and frequency signals superimposed in the electricity for off-peak hot water control may cause a change in fan motor noise; this is normal. Please allow a 24-hour “settling-in” period, most noises associated with a new fan disappear during this time.
The manufacturer’s warranty covers actual faults that may develop and NOT minor complaints such as hearing the motor run – All electric motors are audible to some extent.
CARE & CLEANING
NOTE: Always turn OFF the power at the mains switch before performing any maintenance or attempting to clean your fan.
- Every 6 months periodic cleaning of your ceiling fan is the only maintenance required. Use a soft brush or lint-free cloth to avoid scratching the paint finish. Please turn off electrical power when you do so.
- Do not soak or immerse your ceiling fan in the water or other liquids. It could damage the motor or the blades and create the possibility of an electrical shock.
- Ensure that the fan does not come in contact with any organic solvents or cleaners.
- To clean the fan blade, wipe with only a damp clean cloth with NO organic solvents or cleaners.
- The motor has a permanently lubricated ball bearing so there is no need to oil it.
SAFETY PRECAUTIONS FOR BATTERY
– WARNING – Keep new and used batteries away from children.
– CAUTION – Do not ingest battery—Chemical burn hazard.
– Always use 2 x AAA battery type with this ceiling fan remote controller.
– Ensure the batteries are inserted with the correct polarity.
– The ceiling fan must be disconnected from the supply mains to prevent false operation during battery insertion or replacement.
– Remove batteries from the product when not in use for long periods.
– Batteries must be removed from the remote transmitter before it is discarded.
– Dispose of exhausted batteries immediately and safely (so they cannot be retrieved by children). Batteries can still be dangerous. Contact your local council to dispose of the battery safely.
– Regularly check the product and make sure the battery box lid is correctly secured. If the battery compartment does not close securely, stop using the product and keep it away from children.
– If you think batteries might have been swallowed or placed inside any part of the body, seek immediate medical attention. If you suspect your child has swallowed or inserted a button battery, immediately call the 24-hour Poisons Information Centre on 13 11 26 for fast, expert advice.
– Battery Leaks: Battery contains chemicals and should be treated as any chemical would. Take precautions when handling leaked battery chemicals. Battery chemicals should not be placed near the eyes or ingested. Contact Poisons Information Centre on 13 11 26 for fast, expert advice.
TECHNICAL INFORMATION
![]()
LUCCI CEILING FAN WARRANTY DETAIL
LUCCI WARRANTY HOTLINE- 1800 602 243
THIS WARRANTY IS VALID IN AUSTRALIA ONLY
In the event of service is required, please call the Lucci Fan Warranty Hotline on 1800 602 243 between 9 am & 5 pm (EST) Monday to Friday. Please make sure you have all the ceiling fan details filled out at the end of the manual before making the call.
Every Lucci ceiling fan is thoroughly inspected and tested before being released for sale. In addition to any warranty rights or conditions under statutory regulations, Lucci warrants all of its ceiling fans against defective workmanship and faulty materials for twenty-four (24) months from the date of purchase. Lucci undertakes, at its option, to repair or replace, free of charge, each product or part thereof on condition that;
- The fan or relevant part has not been subjected to misuse, neglect, or been involved in an accident.
- The repairs are not required as a result of normal wear and tear.
- The product was installed by a licensed electrical contractor.
- A copy of the original receipt of purchase is presented.
- A 12-month warranty applies when used in any non-domestic applications.
- This warranty does not cover stains, scratch and scuff marks, or dents if the product is purchased through a factory outlet or to refurbished items.
Our goods come with guarantees that cannot be excluded under the Australian Consumer Law. You are entitled to a replacement or refund for a major failure and compensation for any other reasonably foreseeable loss or damage. You are also entitled to have the goods repaired or replaced if the goods fail to be of acceptable quality and the failure does not amount to a major failure.
Lucci Design cannot be held responsible for any repair other than those carried out by it or one of its Authorised Service Agents. Please keep this warranty information in a safe place. This information must be produced in the event of service being required.
Distributed by:
Beacon Lighting
140 Fulton Drive
Derrimut, Victoria, 3026
Australia
Ph +613 9368 1000
Fax +613 9360 9332
Email: [email protected]
CEILING FAN WARRANTY INFORMATION
LUCCI WARRANTY HOTLINE- 1800 602 243
Complete and retain this form for your records and warranty purposes.
![]()
ATTACH PROOF OF PURCHASE HERE
THIS COMPLETED DETAIL PAGE SHOULD BE PRODUCED AND FAXED TO THE WHOLESALER OR THEIR AUTHORISED AGENTS BEFORE OBTAINING WARRANTY SERVICE




















