MORNINGSTAR RB-SHUNT BLOCK Snap-in ReadyShunt Block

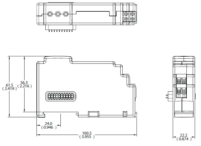
DIMENSIONS

SAFETY INFORMATION
- WARNING: Shock Hazard
The Morningstar ReadyShunt must be installed by a qualified technician in accordance with the electrical regulations of the location of installation. - WARNING: Shock Hazard
Disconnect all power sources to the host and all other connected devices before working with ReadyShunt wiring. Do not install or remove a ReadyShunt while the host device is powered ON. - WARNINGS: Shock Hazards
Read all the instructions and warnings in the manual before starting the installation.
There are no user-serviceable parts in the ReadyShunt. Do not disassemble or attempt to repair.
OVERVIEW and FEATURES
- The ReadyShunt requires a Morningstar ReadyRailTM-enabled host device, e.g., GenStar controller or ReadyEdge System Monitor and Communication Center to provide a mounting surface, power, and programming capability.
- ReadyShunts are used with circuit shunts; a key application is use in the battery circuit to precisely monitor battery current and charge. Additional battery meter functionality, including State of Charge (SOC) and other battery metrics, will be released with future firmware updates when available.
- ReadyShunt can be used with individual DC branch circuits to measure load, charge or net branch circuit current data.
- The host device can implement various functions related to the shunt data including charge current limiting and load shedding.
- ReadyShunt takes one position on the host device Ready Rail,
- ReadyShunt accepts two shunt measurement inputs to enable high-accuracy battery current or branch measurement.
- Source, load, and net current measurements and associated counters, are read, displayed, and logged by the host device.
- A ReadyShunt connected to the host device will automatically have its firmware updated with the host’s ReadyShunt firmware version. For the latest battery support and features, ensure that the host device has been updated with the most current product firmware.

INSTALLATION
Morningstar ReadyBlocks (ReadyShunt, ReadyRelay, ReadyBMS) are DIN ReadyRail-mounted and have modular connecting pins on each side of the Block. The left-side male connector mates with the host device’s control board, while the right-side female connector is available to mate to another Ready Block (daisy-chain configuration – see Figure 3-1 below). Each ReadyShunt takes one position on the DIN rail – the left-most being Position 1.
- WARNING: Shock Hazard
Disconnect all power sources to the host and all other connected devices before working with ReadyShunt wiring. Do not install or remove a ReadyShunt while the host device is powered ON. - CAUTION: Equipment Damage
Installer is responsible for configuring/identifying the branch type in which the shunt is placed. - CAUTION: Host device configuration settings are made
specifically for the ReadyBlock positions. Hence, if a Ready(Shunt) Block is moved, re-configuration is required for the new postion.
Similarly, be aware that exchanging two Shunt Blocks e.g., between positions 1 and 2, might require re-configuration or re-wiring, because the settings for Position 1 will apply to any Shunt Block installed in that position.
Mounting
The ReadyShunt is a modular accessory designed for installation onto a DIN rail.
To install ReadyShunts (see Figure 3-1 below):
- Power OFF host device. If applicable, remove Block cover and cut slot(s) for Block(s)
- Pull yellow tab out
- Fit Block slot downward onto DIN Rail
- Slide the Block to the left, but before joining the male and female mates, be sure that pin guards and pins are lined up correctly. Carefully slide the Block farther to the left to securely join the Block pins with host-device female mates.
- Push yellow tab in, to secure Block on rail
- Secure Block(s) to DIN Rail with cover, clamp, or other means provided with host device.

CONFIGURATION
The host device’s meter layout, where most settings are adjustable, is similar in structure to Morningstar’s LiveView web pages. To configure, use instructions (1) or (2) below. To access Installer Setup, in either the local meter, or in LiveView, enter the Installer’s Code – 141.
WARNING: Take great care to correctly configure or re-configure the ReadyShunt to match the installed shunt(s). Any deviation in ratings etc., e.g., Amps, Millivolts, polarity, branch type, can cause severe battery damage.
- On the local display, go to Setup and enter the Installer’s Code to access Installer Setup. Navigate down to Ready Blocks. Choose a Block to program, and configure as outlined below in the Configuration and Setting Options sub-sections below.
- With the host device connected to a PC, open a Web browser, and either:
- A) Enter the host device IP address into the address bar, e.g., http://192.168.1.253. The IP address can be found in the meter display in Settings\Network.
- B) Enter the host device NetBIOS name [product abbreviation + 8-digit serial no.] into the address bar e.g. http://HP20320850. The NetBIOS name can be found in the meter display in Settings\Network.
Configuration. Any installed blocks will populate the Ready Block meter or LiveView configuration screen. The location of each Ready Block is listed by positions – position 1 is the left-most. Choose a block to configure, based on its installed position.
Settings Options. Program the ReadyShunt for:
- Full-scale mV rating
- Full-scale Amp rating
- Inversion of the current measurement polarity (to avoid re-wiring the shunt)
NOTE: Inverting the measurement polarity is not required if wiring is done in accordance with Section 5.1 instructions.
Branch type assignment options for each shunt:
- None – no branch type assignment (shunt is unused by the host device)
- Load – the shunt is measuring a DC load
- Source – the shunt is measuring charging current from a DC charging source, e.g., solar array, DC generator.
- Net – the shunt is in the battery leg and is measuring net current into and out of the battery (due to charging and DC loads)
- Monitor – view a branch current reading, but value is not incorporated into any controller operation.
WIRING
NOTE: Refer to the host device product manual for power wire sizing recommendations.
- NOTE: Twisted-pair wiring is required for shunt to ReadyShunt feedback control – recommended wire size range is #16-24 AWG.
- WARNING: Shock Hazard Disconnect all power sources to the host and all other connected devices before working with ReadyShunt wiring. Do not install or remove any Ready Block when the host device is powered ON.
- WARNING: Fire Hazard and Equipment Damage Size the shunt based on the maximum sustained current for the circuit. Limit shunt current to approx. 2/3 of the maximum continuous current rating. Exceeding this limit may overheat the shunt and, with very high currents, cause permanent damage and/or fire.
- CAUTION: ReadyShunt external shunt wiring must only be performed by qualified electrical professionals. Though it has been common practice to install battery meter shunts on the negative conductor, it is not required. Shunt(s) can be installed on the positive or negative conductor(s) of the circuit.
- CAUTION: Equipment Damage
Incorrect wiring, installation or configuration may result in damage to devices and/or other system components. - CAUTIONS: Equipment Damage and Accuracy
When installing two or more shunts in a system, both-all must be in either the positive or negative wiring leg. When wiring two shunts to a single ReadyShunt, the shunts should be installed as close together as possible using larger wires as needed to minimize voltage drop between the shunts. To prevent a loss of accuracy, the potential difference in the wiring between shunts should be less than 300mV. To prevent damage to the ReadyShunt, limit potential difference between shunts to less than 1.5V. These requirements do not apply to shunts wired to separate ReadyShunts.
General Wiring Steps – negative grounded systems
WARNING: Shock Hazard
To avoid electrical shock, carefully follow steps below. Ensure that the system is installed according to local electrical code requirements, including conformance to required overcurrent protection located near the battery bank, and proper bonding and grounding. Refer to Morningstar host device (and other system device) product manual(s) for grounding and overcurrent protection device recommendations
- Step 1. Confirm that the host and all other connected devices are disconnected from all power sources before connecting any wires to the shunt and ReadyShunt.
- Step 2. Install the shunt(s) on the circuit(s) to be measured, as seen in Figures 5-1 or 5-2, below. When installing more than one shunt in a system, wire all shunts with the same polarity.
If installing the shunt on an ungrounded conductor (see Figure 5-2 below), install a fuse or breaker to protect the circuit from a short between the shunt terminals and grounded equipment. - Step 3(A) or (B). Shunt to ReadyShunt Wiring
- A. Negative Leg Installation (see Figure 5-1 below). For a system with negative leg shunt(s), connect the yellow/black stripe (twisted-pair) wire to the charge/load side of the shunt, and then connect the other end to level A(1) or B(1) ReadyShunt terminal (see exploded view of terminals in Figure 5-3, 5-4 and 5-5). Connect the orange (twisted-pair) wire to the battery side of the shunt, and then connect the other end to the same level A(2) or B(2) ReadyShunt terminal.
- B. Positive Leg Installation (see Figure 5-2 below). For a system with a shunt(s) in the positive leg, connect the yellow/black stripe (twisted-pair) wire to the battery side of the shunt, and then connect the other end to level A(1) or B(1) ReadyShunt terminal.
Connect the orange wire to the charge/load side of the shunt, and then connect the other end to the same level A(2) or B(2) ReadyShunt terminal.
- Step 4. Tighten the ReadyShunt terminal connector screws to 5 in-lb (0.56 N-m) of torque.
NOTE: To improve measurement accuracy of the other Shunt Block inputs, and to avoid noise, connect any unused Shunt Block input terminals – left and right – together with a short jumper wire. Shunt Block lower (B) terminals come from the factory with a jumper wire installed. - Step 5. AFTER all other wiring has been completed, close the battery (+) breaker to power the host device-ReadyShunt system.
Refer to Figures 5-3, 5-4 and 5-5 for common application schematics. Busbars are shown for clarity, actual wiring may vary.




BI-COLOR LED INDICATIONS and TROUBLESHOOTING
See Figure 2-1 in Section 2, and table below. The top ReadyShunt LED indicates Block status; the middle LED indicates operation of Shunt A; the lower LED indicates operation of Shunt B. Shunt B is the bottom-most terminal (farthest from Block LEDs). Shunt A is the top-most terminal (closest to the Block LEDs). The status LED will operate with a momentary heartbeat off every (5) seconds.


Host Device Meter Reporting and Troubleshooting
The ReadyShunt will report – display on the host device’s meter – faults, alarms, configuration, status, e.g., hardware and software version, logged data, and all relevant measurements, e.g., A-h counters and other calculated values. See host device’s meter map for details.
Use the meter display to identify system faults such as:
- Hardware failure, e.g., power supply, processor
- Over-current fault
- Shunt A open
- Shunt B open
- Communication lost with host device and alarms such as:
- Hardware failure, e.g., power supply working but out of range
- Uncalibrated hardware
WARRANTY
LIMITED WARRANTY – Morningstar Solar Controllers and Inverters
All Morningstar Professional SeriesTM products, except the SureSineTM inverter, are warrantied to be free from defects in materials and workmanship for a period of FIVE (5) years from the date of shipment to the original end user. Warranty on replaced units, or field-replaced components, will be limited only to the duration of the original product coverage. Morningstar Essentials SeriesTM, and SureSineTM inverter, products are warrantied to be free from defects in materials and workmanship for a period of TWO (2) years from the date of shipment to the original end user. Warranty on replaced units, or field-replaced components, will be limited only to the duration of the original product coverage. Morningstar will, at its option, repair or replace any such defective units.
WARRANTY EXCLUSIONS AND LIMITATIONS
This warranty does not apply under the following conditions:
- Damage by accident, negligence, abuse or improper use.
- PV or load currents exceeding the ratings of the product
- Unauthorized product modification or attempted repair
- Damage occurring during shipment
- Damage resulting from acts of nature such as lightning, weather extremes or infestation
THE WARRANTY AND REMEDIES SET FORTH ABOVE ARE EXCLUSIVE AND IN LIEU OF ALL OTHERS, EXPRESS OR IMPLIED. MORNINGSTAR SPECIFICALLY DISCLAIMS ANY AND ALL IMPLIED WARRANTIES, INCLUDING, WITHOUT LIMITATION, WARRANTIES OF MERCHANTABILITY AND FITNESS FOR A PARTICULAR PURPOSE. NO MORNINGSTAR DISTRIBUTOR, AGENT OR EMPLOYEE IS AUTHORIZED TO MAKE ANY MODIFICATION OR EXTENSION TO THIS WARRANTY.
MORNINGSTAR IS NOT RESPONSIBLE FOR INCIDENTAL OR CONSEQUENTIAL DAMAGES OF ANY KIND, INCLUDING BUT NOT LIMITED TO LOST PROFITS, DOWNTIME, GOODWILL OR DAMAGE TO EQUIPMENT OR PROPERTY.
TECHNICAL SPECIFICATIONS
Electrical (shunt included with purchase option):
- Shunt Rating: 500A
- Shunt Scaling: 50mV
- Shunt Accuracy: +/- 0.25%
- Self-consumption: < 0.5 Watts
- Accuracy at full-scale current (with two shunts, specification applies if connecting wiring is limited to 300mV potential difference between shunts): < 0.4%
- Maximum potential difference between two shunts to avoid ReadyShunt damage: 1.5 Volts
Mechanical:
- Case Plastic
- Terminations / Connectors Compression
- Terminal Wire Range 24 – 14 AWG
- Shunt Power Conductor Terminal Bolts (with shunt option) 3/8 – 16
- Shunt Sense Terminal Screws (with shunt option) M4
- DIN-rail mount – Standard 35mm
- Enclosure Rating IP 20; Type 1; Indoor
- Weight ~2.5 Ounces (70 Grams)
Environmental:
- Operating Temperature -40ºC to +60ºC
- Storage Temperature -40ºC to +80ºC
- Altitude 3000 Meters
- Humidity 100% non-condensing
Protections:
- Detects a broken or missing shunt signal wire
- Self-diagnosing and reporting over Blockbus and host device LED
FOR CURRENT DETAILED CERTIFICATION LISTINGS, REFER TO:
https://www.morningstarcorp.com/support/library Under, “Type”, choose, “Declaration of Conformity (DOC)”, to view list of product DOCs.
ReadyShunt and MeterbusTM Morningstar Corporation
MODBUSTM and MODBUS TCP/IPTM are trademarks of Modbus IDA.
©2022 Morningstar Corporation. All rights reserved.
www.morningstarcorp.com
For the most recent manual revisions, see the version at: www.morningstarcorp.com
Use following URL to register Morningstar ReadyShunt: https://www.morningstarcorp.com/product-registration
www.morningstarcorp.com
















