TEFCOLD LPD900-1503 Refrigerated Glass Cabinets
IMPORTANT SAFETY INSTRUCTIONS
Before you use your cooler please read this instruction manual carefully.
- This appliance can be used by children aged from 8 years and above and persons with reduced physical, sensory or mental capabilities or lack of experience and knowledge if they have been given supervision or instruction concerning use of the appliance in a safe way and understand the hazards involved. Children shall not play with the appliance. Cleaning and user maintenance shall not be made by children without supervision.
- The instructions concerning persons (including children) with reduced physical, sensory or mental capabilities or lack of experience and knowledge and children playing with the appliance are not required.
- Do not store explosive substances such as aerosol cans with a flammable propellant in this appliance.
- WARNING: Keep clear of obstruction all ventilation openings in the appliance enclosure or in the structure for building-in.
- WARNING: Do not use mechanical devices or other means to accelerate the defrosting process, other than those recommended by the manufacturer.
- WARNING: Do not damage the refrigerant circuit.
- WARNING: Do not use electrical appliances inside the food storage compartments of the appliance, unless they are of the type recommended by the manufacturer.
- The refrigerant is R600a/R290 and insulation blowing gases is cyclopentane, servicing and disposal of appliance should be done by qualified person.
Appliance information
Climatic class: 3, the user should use the appliance below 25 °C. The A-weighted emission sound pressure level is below 70 dB(A). The max load for each shelf is no greater than 30kg (LPD) and 10kg (LCT).
UNPACKING AND INSTALLATION
Remove the wooden pallet and the packing. External surfaces are supplied with a protection foil, which must be removed before installation. The cabinet can be placed side by side to other cabinets, just be sure that there is free airflow for the intake at the front and the exhaust at the back.
ELECTRICAL CONNECTION
The cabinet operates on 220-240 V/50 Hz. The wall socket should be easily accessible. All earthing requirements stipulated by the local electricity authorities must be observed. The cabinet plug and wall socket should then give correct earthing. If in doubt, contact your local supplier or authorized electrician. The main electrical connections must be done by skilled electricians.
START-UP OF THE CABINET
Before use, we recommend that the cabinet is cleaned, see the section on maintenance and cleaning. Turn on the light. Check the light under each shelf. When turned on the first time, let it run for 2 hours to cool down the cabinet before loading products. Do not put hot products into the cabinet, this can cause condensation. The front glass heater should only be switched on if the cabinet is placed in high humidity. (LPD only)
Important! If the cabinet has been tilted during transport, please wait 2 hours before starting up the cabinet.
THERMOSTAT
The thermostat is placed in the bottom panel.
The thermostat has been pre-set and in most cases it is not necessary to adjust the settings. When turning on the cabinet the display will show the current temperature in the cabinet.
Display set temperature:

Press this key and the display will show the set temperature. Press the key again to return to normal reading.
Set new temperature:
Press this key continuously for more than 3 seconds and the display shows the set
temperature.

Press this key to increase the set temperature.

Press this key to lower the set temperature.

Press this key to save the new settings. The display will flash with the new value and will then return to normal reading.
Alarm codes:
‘P1’ Flashing in the display: indicates that the cabinet sensor is defective. The cabinet will strive to keep the set temperature until it has been repaired.
DEFROSTING
The cabinet defrosts automatically with pre-set intervals. If the door to the cabinet is opened or the contents of the cabinet is changed frequently it may become necessary to defrost the cabinet manually.

Pressing this key continuously for more than 3 seconds will start a manual defrosting and then return to normal operation.
Defrosted water runs to a container placed in the compressor compartment and evaporates.
MOVING THE SHELVES
The shelves can be moved in step of 25 mm. Lift up the shelf and pull it out of the back rails, place it in the desired hight and push it into the back rail again. Ensure that the LED light is connected.
CLEANING AND MAINTENANCE
Switch off the electrical connection at the socket. The cabinet must be periodically cleaned. Clean the external and internal surfaces of the cabinet with a light soap solution and subsequently wipe dry. Do not spray the appliance with direct jets of water or using high pressure appliances. Do NOT use cleansers containing chlorine or other harsh cleansers, as these can damage the surfaces and the internal cooling system.The LCT range has maintenance free condenser. Clean the LPD dust filter and the condenser using a vacuum cleaner. Remove the front panel:
SERVICE
The cooling system is a hermetically sealed system and does not require supervision, only cleaning. If the cabinet fails to cool, check if the reason is a power cut. If you cannot locate the reason to the failure of the cabinet, please contact your supplier. Please inform model and serial number of the cabinet. You can find this information on the rating label which is placed inside the cabinet in the bottom right hand side.
DISPOSAL
Disposal of the cabinet must take place in an environmentally correct way. Please note existing regulation on disposal. There may be special requirements and conditions which must be observed.
AIR FLOW
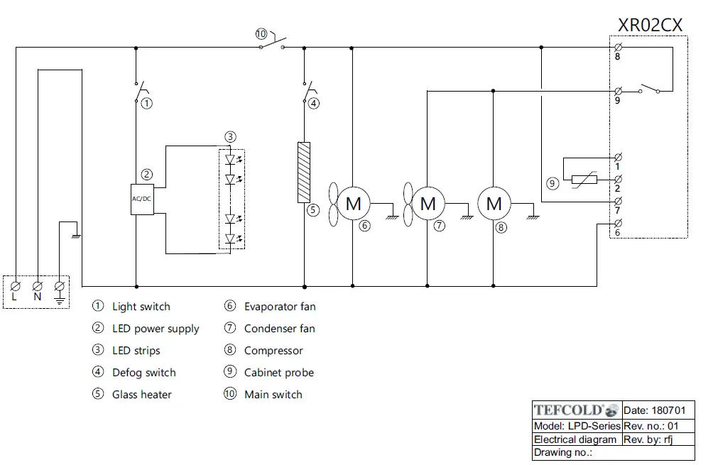
ELECTRICAL DIAGRAM

Specifications subject to changes without prior notification.
TEFCOLD A/S, Industrivej 25, DK-8800 Viborg.



















