JUNG 1701PSE 1 Channel Relay Switch Insert with Floating Contact

Product Information
Product Name: Relay Switch Insert with Floating Contact, 1-channel
Article Number: 1701PSE
Manufacturer: Jung
Contact Information:
- Telephone: +49 2355 806-0
- Telefax: +49 2355 806-204
- Email: [email protected]
- Website: www.jung.de
Product Usage Instructions
Safety Instructions
- Electrical devices should only be mounted and connected by electrically skilled persons.
- Serious injuries, fire, or property damage may occur, so please read and follow the manual completely.
- Always disconnect the device or load before carrying out any work, taking into account all circuit breakers that support dangerous voltages.
- This product manual is an integral part of the product and must remain with the end customer.
- Electrical devices may only be mounted and connected by electrically skilled persons.
- Serious injuries, fire or property damage possible. Please read and follow manual fully.
- Danger of electric shock. Always disconnect before carrying out work on the device or load. In so doing, take all the circuit breakers into account, which support danger-ous voltages to the device and or load.
- Danger of electric shock on the SELV/PELV installation. Not suitable for switching SELV/PELV voltages.
- This manual is an integral part of the product, and must remain with the end customer.
Intended Use
- The relay switch insert is designed for specific switching applications.
- Switching of isolated circuits for lighting
- Control of electric underfloor heating systems and electrothermal valve drives in combination with a room thermostat cover or KNX RF push-button
- Operation with suitable cover from the systems LB management, JUNG HOME, eNet and KNX RF
- Mounting in appliance box with dimensions according to DIN 49073
Product Characteristics
- The relay switch insert has a floating contact and is a 1-channel device.
- Connection of extensions possible
- Time function adjustable
Operation
Switching the Load:
- Press the operating cover to switch the output on or off.
These instructions describe operation with a LB Management push-button 1-gang. Operation with a different cover is described in the instructions for the cover in ques-tion. The operation on the main device and the 2-wire extension is identical.
- Press the operating cover.
- Output switches on or off.
Time Function:
- The relay switch insert allows for setting different times for automatic switching-off of the load.
- The time function starts when the output is switched on.
- To terminate the time function prematurely, switch off the output manually.
- The time function cannot be restarted by pressing again.
Different times can be set for the automatic switching-off of the load. The time function starts as soon as the output is switched on. To terminate the time function pre-maturely, switch off the output manually.
- The time function cannot be restarted by pressing again.
Information for Electrically Skilled Persons
DANGER
Mortal danger of electric shock. Disconnect the device. Cover up live parts.
Connecting and Fitting the Device
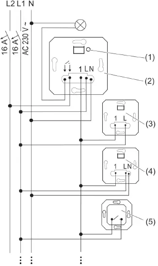
- Refer to the connection diagram for connecting the switch insert.
- Take note of the clampable cable cross-sections.
- If multiple circuit breakers supply dangerous voltages, couple them or label them with a warning for guaranteed disconnection.
- Optional extensions like the 2-wire extension, 3-wire extension, and push-button with NO contact can be connected.
- Fit the switch insert in the appliance box with the connection terminals at the bottom.
- Do not attach or replace the cover under voltage to avoid malfunctions.
- Attach the frame and the cover and switch on mains voltage.
- The load can be switched by briefly pressing the TEST button.

Connection diagram with optional extensions

Terminal-specific cable cross-section
- Connect the switch insert (2) according to the connection diagram (see figure 1). Note clampable cable cross-sections (see figure 2).
- If multiple circuit breakers supply dangerous voltages to the device or load, couple the circuit breakers or label them with a warning, to ensure disconnec-tion is guaranteed.
- Connect the 2-wire extension (3), the 3-wire extension (4) and the push-button with NO contact (5), optionally.
- Lit push-buttons must have a separate N terminal.
- Fit the switch insert in the appliance box, the connection terminals must be at the bottom.
- Do not attach or replace the cover under voltage, otherwise this might cause a malfunction.
- Attach the frame and the cover.
- Switch on mains voltage.
- The load can be switched by briefly pressing the TEST button (1).
Setting the Time Function:
- Press the TEST button for longer than 4 seconds. The LED will light up in the color of the set time (refer to the table).
- Release the TEST button briefly and then press it repeatedly until the LED lights up in the color of the desired time.
- The set time is automatically saved after 30 seconds or after pressing the TEST button for approximately 4 seconds. A successful saving process is indicated when the LED goes out.
| LED colour | Set time |
| green | Function off |
| white | 1 minute |
| blue | 5 minutes |
| yellow | 30 minutes |
| red | 60 minutes |
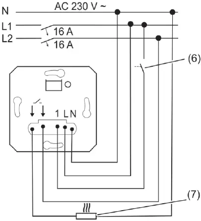
Connecting and mounting the device as a room thermostat

Connection diagram in combination with a room thermostat cover or KNX RF push-button
Recommended installation height: 1.50 m.
Relay switch insert with floating contact, 1-channel
- Switching contact for switching to cooling mode
- Electric underfloor heating system (max. 16 A) or electrothermal valve drives
- If 230 V is applied to extension input 1, cooling mode is active.
Technical data
- Rated voltage AC 230 V ~
- Mains frequency 50 / 60 Hz
- Standby load depending on the cover approx. 0.1 … 0.5 W
- Ambient temperature -25 … +45 °C
- Storage/transport temperature -20 … +70 °C
- Switching current at 35 °C
- For switching current >10A connecting cable 2.5 mm²
- Ohmic 16 A (AC1)
- Fluorescent lamps 4 AX
- Connected load at 35 °C
- Incandescent lamps 2300 W
- HV halogen lamps 2000 W
- Electronic transformers 1500 W
- Inductive transformers 1000 VA
- HV-LED lamps typ. 400 W
- Compact fluorescent lamps typ. 400 W
- Fluorescent lamps, uncompensated 920 VA
- Capacitive load 920 VA (115 μF)
- Power reduction
per 5 °C in excess of 35 °C -5% - when installed in wooden or dry construction walls -15%
- when installed in multiple combinations -20%
- Number of extension units
- 2-wire, push-button unlimited
- 3-wire extension, rotary extension 10
Warranty
The warranty is provided in accordance with statutory requirements via the specialist trade.
ALBRECHT JUNG GMBH & CO. KG
Volmestraße 1
58579 Schalksmühle
GERMANY
Telefon: +49 2355 806-0
Telefax: +49 2355 806-204
[email protected]
www.jung.de




















