TQ6000 GEN2 Wireless Access Point
Installation Guide
Quick Installation Guide
TQ6000 GEN2 Wireless Access Point
TQ6000 GEN2 Wireless Access Points
The access point models included in this Quick Installation guide are:
- TQ6702 GEN2 802.11ax Dual-radio 5G/2.4GHz 8×8+4×4 access point
- TQm6702 GEN2 802.11ax Dual-radio 5G/2.4GHz 8×8+4×4 access point
- TQ6602 GEN2 802.11ax Dual-radio 5G/2.4GHz 4×4+4×4 access point
- TQm6602 GEN2 802.11ax Dual-radio 5G/2.4GHz 4×4+4×4 access point
Installation and User’s Guides
This document contains an abbreviated version of the installation instructions for the TQ6000 GEN2 Wireless Access Point. For complete installation and management instructions, see the TQ6000 GEN2 Wireless Access Point Installation Guide and TQ6000 GEN2 Management Software User’s Guide on the Allied Telesis web site at www.alliedtelesis.com/library.
Physical Description

Safety Precautions and Site Requirements
Review the safety precautions and site requirements in the TQ6000 GEN2 Wireless Access Point Installation Guide before installing the device.
Package Contents
The wireless access points come with the following items in the shipping container:
- One TQ6000 GEN2 Wireless Access Point
- This Quick Installation Guide
- One mounting bracket
- Two M5 x4.5 mm pan-head screws for the mounting bracket
If any item is missing or damaged, contact your Allied Telesis sales representative for assistance. You should retain the original shipping material in case you need to return the
unit to Allied Telesis.
Installation Options
You can install the access point on a desktop, celling, or wall. See the correct access point orientations: 
Pre-fitting the Mounting Bracket
Before installing the mounting bracket on a wall or ceiling, pre-fit the bracket to the access point.
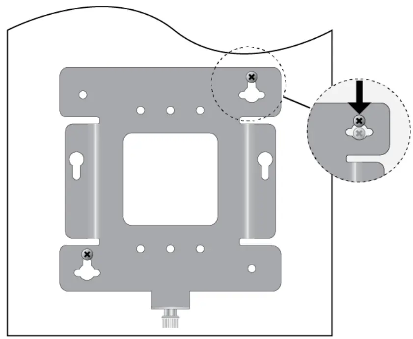
- Place the access point upside down on a table.

- Install the two screws (provided) fully into the bottom panel of the access point. The screw collar provides the proper spacing for the mounting bracket beneath the
screw head.
- Make sure that the mounting bracket fits to the access point by sliding the bracket beneath the screws.

- Slide the mounting bracket forward and remove it from the access point.

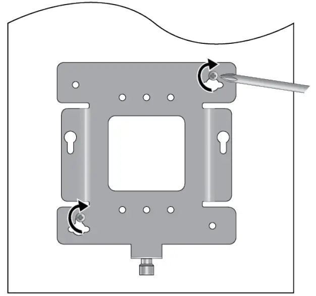
Installing the Mounting Bracket on a Wall or Ceiling
- Choose a location and orientation for the access point on the wall or ceiling.
- Position the mounting bracket at the selected location for the access point. With a pencil, mark the two key-hole slots on the wall or ceiling.

- If necessary, pre-drill on the wall or ceiling the two marked locations of the key-hole slots for the screws.
- Install two M4 screws and anchors (if required) into the wall or ceiling. Leave the screws loose enough so that you can slide the bracket under the screw heads.
For wooden walls or ceiling, Allied Telesis recommends M4 25 mm flat-head wood screws and anchors (if required). The screws and anchors are not provided.
- Install the openings of the bracket key-hole slots to the two screw heads and slide the bracket into the narrow end of the key-hole slot openings.

- Tighten the screws snugly onto the bracket.

- To secure the mounting bracket, pre-drill holes through the two bracket mounting holes opposite the key-hole slots.

- Install and tighten two M4 screws (not provided).

Cabling the Wireless Access Point
Perform the following procedure to cable the Ethernet LAN port and to power the device:
- Connect an Ethernet cable to LAN1 (POE) port.

- Connect the other end of the Ethernet cable to a network device, such as a switch or router.
Note
When LAN1 port is connected to PoE+ power sourcing equipment, the TQ6000 GEN2 access point powers on and begins to initialize its management software. - To use LAN2 port in the static LAG or Cascade mode, connect a second Ethernet cable to LAN2 port.

- Connect the other end of a network device.
To use LAN2 port as a static LAG with LAN1 port, connect LAN2 to the same switch or router as LAN1 port. To use it in the Cascade mode, connect LAN2 to a different
device.
Note :The default setting for LAN2 port is disabled. To enable the port, use the web management interface. For more details, see the TQ6000 GEN2 Management Software User’s Guide.
Note : Do not enable the LAN2 port until you have configured the other network device for the static LAG.
Powering the Wireless Access Point
The access point can be powered with PoE+ on the LAN1 or/and LAN2 ports, an external AC/DC power adapter, or both. The access point is powered by both PoE and an external power adapter uses the adapter as its primary power and PoE as redundant power.
Allied Telesis recommends the PWRADP-01 (DA-48Z12) AC/DC Power Adapter. The power adapter is ordered separately.
- Plug the DC connector into the DC IN jack on the access point.

- Connect the power adapter into an appropriate AC power source.
- Turn on the Power Switch on the panel.
Note
The power switch on the access point controls power from the AC power supply. It does not control PoE+ on the LAN1 and LAN2 ports.
Installing the Access Point on the Wall Mounting Bracket
- Align the bottom of the access point over the bracket so that the two screws on the bottom of the device fit into the bracket keyholes.

- Slide the access point forward until its screws are seated in the bracket keyhole slots and the bracket thumbscrew is aligned with the screw hole on the front panel.
- Tighten the thumbscrew to secure the access point to the wall mounting bracket.

- Place the Ethernet cable(s) and power cable (if any) along the cable guides inside of the top cover in the cable hiding space.

Installing an Anti-theft Device
Installation of an anti-theft cable/lock is optional.
Note : Anti-theft devices are not available from Allied Telesis.
- Follow the instructions provided with the vendor’s anti-theft device for the installation.

Starting the Initial Management Session
The access point firmware includes a DHCP client. The default setting for the client is enabled. When you power on the access point for the first time, it queries the subnet on the LAN port for a DHCP server. If a DHCP server responds to its query, the unit uses the IP address the server assigns to it.
If there is no DHCP server, the access point uses the default IP address: 192.168.1.230.
To start the initial management session, perform the following procedure:
- Start the web browser on your management workstation.
- Enter the IP address of the wireless access point in the URL field of the web browser. The address is one of the following:
- If your network does not have a DHCP server, enter the default address 192.168.1.230.
- If your network has a DHCP server, enter the IP address the DHCP server assigned to the access point.
The wireless access point displays the logon prompt.
3. Enter “manager” for the username and “friend” for the password. The username and password are case-sensitive.
Setting the Country Setting
The non-US model of this product has a country code setting that must be set during the initial management session of the unit. The setting ensures that the unit operates in
compliance with the laws and regulations of your country or region. The country code for the US model is preset and cannot be changed. Per FCC regulations, the country code setting for all WiFi products marketed in the US must be fixed to US operational channels only.
LEDs
The top panel LEDs are described in this table.
LED Status Information
| LED | State | Description |
| PWR/ SYS | Green | The access point is powered on and operating normally. |
| Blinking Green | The access point is booting up. | |
| Red | The access point has encountered a fault condition. | |
| Blinking Red | The access point is updating its firmware. | |
| OFF | The access point is not receiving power. | |
| LAN 1 and LAN 2 | Green | The port has established a valid link to a network device. |
| Blinking Green | The port is transmitting or receiving data. | |
| Amber | The port is connected to a PoE+ power sourcing equipment. | |
| OFF | The port has not established a link to a network device. | |
| 2.4GHz | Green | The 2.4GHz radio is enabled. |
| OFF | The 2.4GHz radio is disabled. | |
| 5GHz | Solid Green | The 5GHz radio is enabled. |
| OFF | The 5GHz radio is disabled. |
Product Specifications
The product specifications are listed in the following tables.
Physical Specifications
Parameter | Specification |
| Dimensions (W x D x H) | 200 mm X 240 mm X 45 mm (7.9 in. x 9.4 in. x 1.8 in.) |
| Weight without mounting bracket | 1.2 kg (2.6 lbs) |
| Weight with mounting bracket | 1.4 kg (3.1 lbs) |
Environmental Specifications
| Parameter | Specification |
| Operating Temperature | 0° C to 50° C (32° F to 122° F) |
| Storage Temperature | – 25° C to 70° C (- 13° F to 158° F) |
| Operating Humidity | 0 % to 90% non-condensing |
| Storage Humidity | 0 % to 95% non-condensing |
| Maximum Operating Altitude | 3000 m (9843 ft) |
Power Specifications on LAN Ports
Parameter | Specification |
| Maximum Power Consumption | 25.5 watts |
| Rated Voltage | DC 48 A |
| Rated Current | 0.67 A |
External AC/DC Power Adapter Specifications
| Parameter | Specification |
| Input Voltage Range | 100~240 VAC |
| Input Frequency | 50 – 60 Hz |
| Rated Output Voltage | +12 VDC |
| Rated Output Current | 4 A |
| Temperature Ranges | 0° C to 50° C (32° F to 122° F) |
| Maximum Operating Altitude | 3000 m (9843 ft) |
Safety and Electromagnetic Emissions Certificates
This device complies with Part 15 of FCC Rules, Directive 2014/53/EU issued by the Commission of the European Community, some other safety, electromagnetic emission, and radio certificates.
The operating frequencies and maximum transmission power levels for wireless devices operated in the EU & UK are listed below:
| Model: TQ6702 GEN2; TQm6702 GEN2 | ||||
| 2412-2472 MHz | 5150-5250 MHz | 5250-5350 MHz | 5470-5725 MHz | |
| Beamforming | 19.87 dBm | 22.87 dBm | 22.99 dBm | 29.97 dBm |
| Non-Beamforming | 19.94 dBm | 22.99 dBm | 22.96 dBm | 29.83 dBm |
| Model: TQ6602 GEN2; TQm6602 GEN2 | ||||
| 2412-2472 MHz | 5150-5250 MHz | 5250-5350 MHz | 5470-5725 MHz | |
| Beamforming | 19.87 dBm | 21.42 dBm | 20.20 dBm | 28.45 dBm |
| Non-Beamforming | 19.94 dBm | 22.93 dBm | 22.83 dBm | 29.88 dBm |
| * This equipment should be installed and operated with a minimum distance of 20 cm between the radiator and your body. | ||||
Note Contact Allied Telesis for the EU conformity statement. To contact Allied Telesis, visit the web site at www.alliedtelesis.com/contact.

https://drive.google.com/open?id=1jdLp7RvP3LfINPTeVTlmVbJkk1XfGrav
Copyright 2022 Allied Telesis, Inc.
All rights reserved.
No part of this publication may be reproduced without prior written permission from Allied Telesis, Inc.
Allied Telesis and the Allied Telesis logo are trademarks of Allied Telesis, Incorporated.
All other product names, company names, logos or other designations mentioned herein are trademarks or registered trademarks of their respective owners.
Allied Telesis, Inc. reserves the right to make changes in specifications and other information contained in this document without prior written notice. The information provided herein is subject to change without notice. In no event shall Allied Telesis, Inc. be liable for any incidental, special, indirect, or consequential damages whatsoever, including but not limited to lost profits, arising out of or related to this manual or the information contained herein, even if Allied Telesis, Inc. has been advised of, known, or
should have known, the possibility of such damages.


































