HOSHIZAKI KM-350MAJ Ice Maker Cube Style Instructions
Auxiliary Codes
KM-350MAJ
H-0 May 2018
J-0 January 2019
J-1 November 2019
K-0 January 2020
K-1 June 2020
K-2 October 2020
L-0 January 2021
L-1 September 2021
KM-350MWJ
H-0 May 2018
J-0 January 2019
J-1 November 2019
K-0 January 2020
K-1 October 2020
L-0 January 2021
L-1 September 2021
L-2 November 2021
KM-520MAJ
H-0 May 2018
J-0 January 2019
J-1 November 2019
K-0 January 2020
K-1 July 2020
K-2 October 2020
L-0 January 2021
KM-520MWJ
H-0 May 2018
J-0 February 2019
J-1 November 2019
K-0 January 2020
K-1 October 2020
L-0 January 2021
L-1 September 20
KM-520MRJ
H-0 May 2018
J-0 January 2019
J-1 November 2019
K-0 February 2020
K-1 October 2020
L-0 January 2021
KM-520MRJZ
L-0 October 2021
L-1 November 2021
KM-660MAJ
H-0 May 2018
J-0 February 2019
J-1 November 2019
K-0 January 2020
K-1 July 2020
K-2 October 2020
L-0 January 2021
KM-660MWJ
H-0 May 2018
J-0 February 2019
J-1 November 2019
K-0 January 2020
K-1 October 2020
L-0 January 2021
KM-660MRJ
H-0 May 2018
J-0 January 2019
J-1 November 2019
K-0 February 2020
K-1 November 2020
L-0 January 20
KM-660MRJZ
L-0 October 2021
L-1 November 2021
K Control Board (2A8242-02) to K+ Control Board (2A9678-01) and Ultra Sonic Bin Control (4A6148G01) to Mechanical Bin Control (2A8598G01) Auxiliary Code Break
K+ Control Board (2A9678-01)
KM-350MAJ: L19077K to L19236K and Later
KM-520MAJ: L02153K to L02411K and Later
KM-660MAJ: L05262K to L05441K and Later
KM-660MWJ: L00674K to L00693K and Later
Mechanical Bin Control 2A8598G01
KM-350MAJ: L19077K to L19236K and Later
KM-520MAJ: L02153K to L02411K and Later
KM-660MAJ: L05262K to L05441K and Later
KM-660MWJ: L00674K to L00693K and Late
Auxiliary Code Breakdown
The auxiliary code is the first two characters in the serial number. The first character indicates the year. Years progress or regress in alphabetical order. The series runs from “A” through “V” and the letters “I” and “O” are skipped. The second character indicates significant part changes within a year. Base is “0” and this number advances for each change. In cases where there is a letter in parentheses, this designates the month. This is the last character in the serial number. The series runs from “(A)” through “(M)” and the letter “(I)” is skipped. This designation is only included when identifying a parts change within an auxiliary code.
Note About Ordering Parts
Most assemblies cannot be ordered as complete units; parts in the assemblies generally must be ordered separately
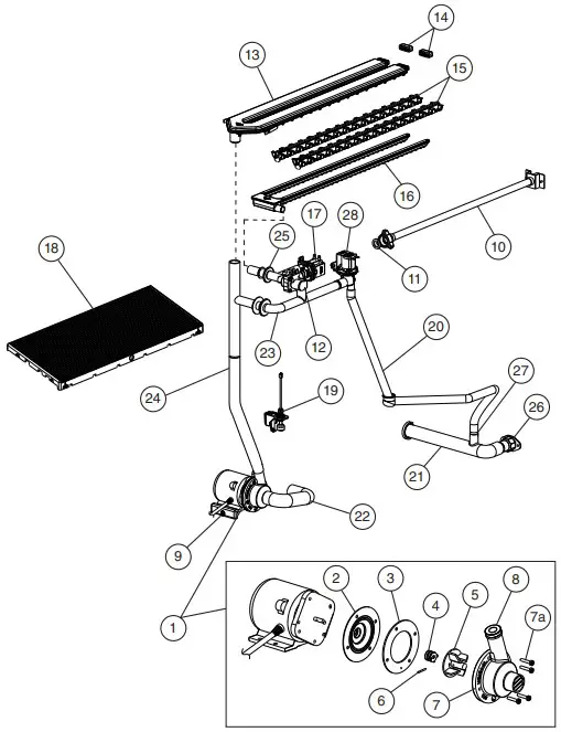
Main Assembly and Refrigeration Circuit
KM-350MAJ, KM-520MAJ, KM-660MAJ
H-0 to L-1
| Title: A. Main Assembly and Refrigeration Circuit Model: KM-350MAJ, KM-520MAJ, KM-660MAJ | |||||||||||||||||||||||
| Index No. | Description | Material or Model Number | Part Number | Required Number | |||||||||||||||||||
| H-0toL-0(J) | L-0(K) | L-0(L)toL-1(J) | L-1(K) | L-1(L)toL-1(M) | |||||||||||||||||||
| Main Assembly | |||||||||||||||||||||||
| 1 | Front Panel | 1A6158G01 | 1 | 1 | 1 | 1 | 1 | ||||||||||||||||
| 2 | Front Insulation | 3A9354G01 | 1 | 1 | 1 | 1 | 1 | ||||||||||||||||
| 3 | Louver (includes item 4) | 2A6649A01 | 2 | 2 | 2 | 2 | 2 | ||||||||||||||||
| 4 | Air Filter | 2A2062G01 | 2 | 2 | 2 | 2 | 2 | ||||||||||||||||
| 5 | Top Panel | 1A4554-01 | 1 | 1 | 1 | 1 | 1 | ||||||||||||||||
| 6 | Top Insulation | 3A9353G01 | 1 | 1 | 1 | 1 | 1 | ||||||||||||||||
| 7 | Right Side Panel | 1A5480-01 | 1 | 1 | 1 | 1 | 1 | ||||||||||||||||
| 8 | Base Cover | 3A9771-01 | 1 | 1 | 1 | 1 | 1 | ||||||||||||||||
| *9 | Ultra Sonic Bin Control*See page 4 “Aux Code Break.” | KM-350MAJ | 4A6148G01 | 1 | 1 | 1 | *1 | 1 | |||||||||||||||
| KM-520MAJ | 1 | *1 | 1 | 1 | 1 | ||||||||||||||||||
| KM-660MAJ | 1 | – | 1 | 1 | 1 | ||||||||||||||||||
| Mechanical Bin Control*See page 4 “Aux Code Break.” | KM-350MAJ | 2A8598G01 | *1 | – | |||||||||||||||||||
| KM-520MAJ | *1 | – | |||||||||||||||||||||
| KM-660MAJ | 1 | – | |||||||||||||||||||||
| 10 | Mechanical Bin Control Bracket | KM-350MAJ | 3A8283-02 | *1 | – | ||||||||||||||||||
| KM-520MAJ | *1 | – | |||||||||||||||||||||
| KM-660MAJ | 1 | – | |||||||||||||||||||||
| 10a | Thumbscrews | KM-350MAJ | 415949G08 | *2 | – | ||||||||||||||||||
| KM-520MAJ | *2 | – | |||||||||||||||||||||
| KM-660MAJ | *2 | – | |||||||||||||||||||||
| 11 | Mechanical Bin Control Extention Bracket | KM-350MAJ | 4A5046G01 | *1 | – | ||||||||||||||||||
| KM-520MAJ | *1 | – | |||||||||||||||||||||
| KM-660MAJ | *1 | – | |||||||||||||||||||||
| 11a | Thumbscrews | KM-350MAJ | 415949G08 | *6 | – | ||||||||||||||||||
| KM-520MAJ | *6 | – | |||||||||||||||||||||
| KM-660MAJ | *6 | – | |||||||||||||||||||||
| Refrigeration Circuit | |||||||||||||||||||||||
| 12 | Compressor | KM-350MAJ | 4A5090-01 | 1 | 1 | 1 | 1 | 1 | |||||||||||||||
| KM-520MAJ | 4A4479-01 | 1 | 1 | 1 | 1 | 1 | |||||||||||||||||
| KM-660MAJ | 4A5158-01 | 1 | 1 | 1 | 1 | 1 | |||||||||||||||||
| 13 | Condenser | KM-350MAJ | 1A4582-01 | 1 | 1 | 1 | 1 | 1 | |||||||||||||||
| KM-520MAJ KM-660MAJ | 1A4584-01 | 1 | 1 | 1 | 1 | 1 | |||||||||||||||||
| 14 | Evaporator | 1A4119G01 | 1 | 1 | 1 | 1 | 1 | ||||||||||||||||
| 15 | Thermostatic Expansion Valve | 4A4008-02 | 1 | 1 | 1 | 1 | 1 | ||||||||||||||||
| 16 | Thermostatic Expansion Valve Cover | 3A0944-01 | 1 | 1 | 1 | 1 | 1 | ||||||||||||||||
| 17 | Thermostatic Expansion Valve Bulb Holder | 3A0107-01 | 1 | 1 | 1 | 1 | 1 | ||||||||||||||||
| 18 | Hose Clamp | 443461-02 | 1 | 1 | 1 | 1 | 1 | ||||||||||||||||
| 19 | Hot Gas Valve Body | 4A3978-01 | 1 | 1 | 1 | 1 | 1 | ||||||||||||||||
| 20 | Liquid Line Valve Body | 4A3276-01 | 1 | 1 | 1 | 1 | 1 | ||||||||||||||||
| 21 | Valve Coil | 4A3277-01 | 2 | 2 | 2 | 2 | 2 | ||||||||||||||||
| 21a | Bolt | 4A3277F01 | 2 | 2 | 2 | 2 | 2 | ||||||||||||||||
| 22 | Thermistor | 429006-03 | 1 | 1 | 1 | 1 | 1 | ||||||||||||||||
| 23 | Thermistor Holder | 427430-01 | 1 | 1 | 1 | 1 | 1 | ||||||||||||||||
| Index No. | Description | Material or Model Number | Part Number | Required Number | |||||||||||||||||||
| H-0toL-0(J) | L-0(K) | L-0(L)toL-1(J) | L-1(K) | L-1(L)toL-1(M) | |||||||||||||||||||
| 24 | Rubber Insulation A | 3A9637-01 | 1 | 1 | 1 | 1 | 1 | ||||||||||||||||
| 25 | Rubber Insulation B | 3A9638-01 | 1 | 1 | 1 | 1 | 1 | ||||||||||||||||
| 26 | Fan Motor | 4A3158-01 | 1 | 1 | 1 | 1 | 1 | ||||||||||||||||
| 27 | Fan Motor Bracket | 2A9618-02 | 1 | 1 | 1 | 1 | 1 | ||||||||||||||||
| 27a | Hex Bolt | 5×12, SS | 7B0230512 | 4 | 4 | 4 | 4 | 4 | |||||||||||||||
| 28 | Fan Blade | 4A0197-01 | 1 | 1 | 1 | 1 | 1 | ||||||||||||||||
| 29 | Strainer | 441569-02 | 1 | 1 | 1 | 1 | 1 | ||||||||||||||||
| 30 | Drier | 4A1113-01 | 1 | 1 | 1 | 1 | 1 | ||||||||||||||||
| 31 | High-Pressure Switch | 463180-01 | 1 | 1 | 1 | 1 | 1 | ||||||||||||||||
| 32 | Heat Exchanger | 2A9117G01 | 1 | 1 | 1 | 1 | 1 | ||||||||||||||||
KM-350MWJ, KM-520MWJ, KM-660MWJ
H-0 to L-
| 1Title: A. Main Assembly and Refrigeration Circuit Model: KM-350MWJ, KM-520MWJ, KM-660MWJ | ||||||||||||
| Index No. | Description | Material or Model Number | Part Number | Required Number | ||||||||
| H-0 to J-0 | J-1 to L-0(J) |
L-0(K) | L-1 L-2 | |||||||||
| Main Assembly | ||||||||||||
| 1 | Front Panel | 1A6158G02 | 1 | 1 | 1 | 1 | ||||||
| 2 | Front Insulation | 3A9354G01 | 1 | 1 | 1 | 1 | ||||||
| 3 | Top Panel | 1A4554-01 | 1 | 1 | 1 | 1 | ||||||
| 4 | Top Insulation | 3A9353G01 | 1 | 1 | 1 | 1 | ||||||
| 5 | Right Side Panel | 1A5480-01 | 1 | 1 | 1 | 1 | ||||||
| 6 | Base Cover | 3A9771-01 | 1 | 1 | 1 | 1 | ||||||
| *7 | Ultrasonic Bin Control | KM-350MWJ | 4A6148G01 | 1 | 1 | 1 | 1 | |||||
| KM-520MWJ | 1 | 1 | 1 | 1 | ||||||||
| KM-660MWJ | 1 | 1 | – | 1 | ||||||||
| Mechanical Bin Control*See page 4 “Aux Code Break” for reworked units. | KM-660MWJ | 2A8598G01 | 1 | – | ||||||||
| 8 | Mechanical Bin Control Bracket | KM-660MWJ | 3A8283-01 | 1 | – | |||||||
| 8a | Thumbscrews | KM-660MWJ | 415949G08 | 2 | – | |||||||
| 9 | Mechanical Bin Control Extention Bracket | KM-660MWJ | 4A5046G01 | 1 | – | |||||||
| 9a | Thumbscrews | KM-660MWJ | 438220-01 | 6 | – | |||||||
| Refrigeration Circuit | ||||||||||||
| 10 | Compressor | KM-350MWJ | 4A5090-01 | 1 | 1 | 1 | 1 | |||||
| KM-520MWJ | 4A4479-01 | 1 | 1 | 1 | 1 | |||||||
| KM-660MWJ | 4A5158-01 | 1 | 1 | 1 | 1 | |||||||
| 11 | Condenser | 3A7321-01 | 1 | 1 | 1 | 1 | ||||||
| 12 | Water Regulating Valve | KM-350MWJ KM-520MWJ | 4A0911-08 | 1 | 1 | 1 | 1 | |||||
| KM-660MWJ | 4A0911-07 | 1 | 1 | 1 | 1 | |||||||
| 13 | Male Connector | 4A1087-01 | 1 | 1 | 1 | 1 | ||||||
| 14 | Evaporator | 1A4119G01 | 1 | 1 | 1 | 1 | ||||||
| 15 | Thermostatic Expansion Valve | 4A4008-02 | 1 | 1 | 1 | 1 | ||||||
| 16 | Thermostatic Expansion Valve Cover | 3A0944-01 | 1 | 1 | 1 | 1 | ||||||
| 17 | Thermostatic Expansion Valve Bulb Holder | 3A0107-01 | 1 | 1 | 1 | 1 | ||||||
| 18 | Hose Clamp | 443461-02 | 1 | 1 | 1 | 1 | ||||||
| 19 | Hot Gas Valve Body | 4A3978-01 | 1 | 1 | 1 | 1 | ||||||
| 20 | Liquid Line Valve Body | 4A3276-01 | 1 | 1 | 1 | 1 | ||||||
| 21 | Valve Coil | 4A3277-01 | 2 | 2 | 2 | 2 | ||||||
| 21a | Bolt | 4A3277F01 | 2 | 2 | 2 | 2 | ||||||
| 22 | Thermistor | 429006-03 | 1 | 1 | 1 | 1 | ||||||
| 23 | Thermistor Holder | 427430-01 | 1 | 1 | 1 | 1 | ||||||
| 24 | Rubber Insulation A | 3A9637-01 | 1 | 1 | 1 | 1 | ||||||
| 25 | Rubber Insulation B | 3A9638-01 | 1 | 1 | 1 | 1 | ||||||
| 26 | Strainer | 441569-02 | 1 | 1 | 1 | 1 | ||||||
| 27 | Drier | 4A1113-01 | 1 | 1 | 1 | 1 | ||||||
| 28 | High-Pressure Switch | 463180-05 | 1 | 1 | 1 | 1 | ||||||
| 29 | Heat Exchanger | 2A8681G01 | 1 | – | ||||||||
| 2A9117G01 | 1 | 1 | 1 | |||||||||
KM-520MRJ, KM-520MRJZ, KM-660MRJ, KM-660MRJZ
H-0 to L-1
| Title: A. Main Assembly & Refrigeration Circuit Model: KM-520MRJ, KM-520MRJZ, KM-660MRJ, KM-660MRJZ | ||||||||||||
| Index No. | Description | Material or Model Number | Part Number | Required Number | ||||||||
| H-0to J-0 | J-1to L-1 | |||||||||||
| Ice Cuber Assembly | ||||||||||||
| 1 | Front Panel | 1A6158G02 | 1 | 1 | ||||||||
| 2 | Front Insulation | 3A9354G01 | 1 | 1 | ||||||||
| 3 | Top Panel | 1A4554-01 | 1 | 1 | ||||||||
| 4 | Top Insulation | 3A9353G01 | 1 | 1 | ||||||||
| 5 | Right Side Panel | 1A5480-01 | 1 | 1 | ||||||||
| 6 | Base Cover | 3A9771-01 | 1 | 1 | ||||||||
| 7 | Ultra Sonic Bin Control | 4A6148G01 | 1 | 1 | ||||||||
| Refrigeration Circuit | ||||||||||||
| 8 | Compressor | KM-520MRJ KM-520MRJZ | 4A4479-01 | 1 | 1 | |||||||
| KM-660MRJ KM-660MRJZ | 4A5158-01 | 1 | 1 | |||||||||
| 9 | Crankcase Heater | 4A5091-01 | 1 | 1 | ||||||||
| 10 | Receiver Tank | 4A6212-01 | 1 | 1 | ||||||||
| 11 | Evaporator | 1A4119G01 | 1 | 1 | ||||||||
| 12 | Thermostatic Expansion Valve | 4A4008-02 | 1 | 1 | ||||||||
| 13 | Thermostatic Expansion Valve Cover | 3A0944-01 | 1 | 1 | ||||||||
| 14 | Thermostatic Expansion Valve Bulb Holder | 3A0107-01 | 1 | 1 | ||||||||
| 15 | Hose Clamp | 443461-02 | 1 | 1 | ||||||||
| 16 | Hot Gas Valve Body | 4A3978-01 | 1 | 1 | ||||||||
| 17 | Liquid Line Valve Body | 4A3276-01 | 1 | 1 | ||||||||
| 18 | Valve Coil | 4A3277-01 | 2 | 2 | ||||||||
| 18a | Bolt | 4A3277F01 | 2 | 2 | ||||||||
| 19 | Thermistor | 429006-03 | 1 | 1 | ||||||||
| 20 | Thermistor Holder | 427430-01 | 1 | 1 | ||||||||
| 21 | Rubber Insulation A | 3A9637-01 | 1 | 1 | ||||||||
| 22 | Rubber Insulation B | 3A9638-01 | 1 | 1 | ||||||||
| 23 | Strainer | 441569-02 | 1 | 1 | ||||||||
| 24 | Drier | 4A1113-01 | 1 | 1 | ||||||||
| 25 | High-Pressure Switch | 463180-01 | 1 | 1 | ||||||||
| 26 | Liquid Line Coupling | 4A3972G01 | 1 | 1 | ||||||||
| 27 | Discharge Line Coupling | 434136G01 | 1 | 1 | ||||||||
| 28 | Heat Exchanger | 2A8681G01 | 1 | – | ||||||||
| 2A9117G01 | 1 | |||||||||||
Water Circuit
KM-350M_J, KM-520M_J(Z), KM-660M_M_J(Z)
H-0 to L-2
| Title: B. Water Circuit Model: KM-350M_J, KM-520M_J(Z), KM-660M_J(Z) | ||||||||||||
| Index No. | Description | Material or Model Number | Part Number | Required Number | ||||||||
| H-0to L-2 | ||||||||||||
| 1 | Pump Motor Assembly (include items 2 through 8) | 3A9728A01 | 1 | |||||||||
| 2 | Pump Flange | 3A2988-01 | 1 | |||||||||
| 3 | Pump Gasket | 4A2974-01 | 1 | |||||||||
| 4 | Mechanical Seal | 465627-01 | 1 | |||||||||
| 5 | Impeller | 433522-01 | 1 | |||||||||
| 6 | Pin | 4A0648-01 | 1 | |||||||||
| 7 | Pump Housing | 1A5054-01 | 1 | |||||||||
| 7a | Screw | 4×20, | 4A3871-01 | 4 | ||||||||
| 8 | Reducing Pipe | 4A6178-01 | 1 | |||||||||
| 9 | Pump Motor Bracket | 1A4670-01 | 1 | |||||||||
| 10 | Water Supply Pipe | 4A5216G04 | 1 | |||||||||
| 11 | Rubber Gasket | 413854-03 | 1 | |||||||||
| 12 | Inlet Water Valve | 3U0111-03 | 1 | |||||||||
| 13 | Spray Tube | 1A4571G01 | 1 | |||||||||
| 14 | Plug | 4A6394-01 | 2 | |||||||||
| 15 | Spray Guide | 1A4581-01 | 2 | |||||||||
| 16 | Water Supply Tube | 1A4572G01 | 1 | |||||||||
| 17 | Cleaning Valve | 4A5745-01 | 1 | |||||||||
| 18 | Cube Guide | 1A4568-01 | 1 | |||||||||
| 19 | Float Switch | 4A7080G01 | 1 | |||||||||
| 20 | Silicone Hose | L= 140mm | 7730-1114 | 1 | ||||||||
| 21 | Drain Hose | 1A4579-01 | 1 | |||||||||
| 22 | Suction Hose | 433466-01 | 1 | |||||||||
| 23 | Bypass Hose | 3A9544-01 | 1 | |||||||||
| 24 | Water Hose | 2A8823G01 | 1 | |||||||||
| 25 | Water Supply Tee | 3A9429-01 | 1 | |||||||||
| 26 | Drain Fitting | 4A5528-02 | 1 | |||||||||
| 27 | Joint Pipe | 4A6286-01 | 1 | |||||||||
| 28 | Drain Valve | 4A5745-03 | 1 | |||||||||
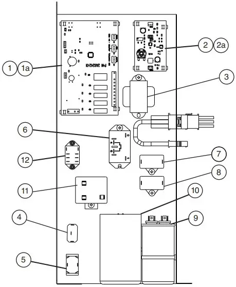
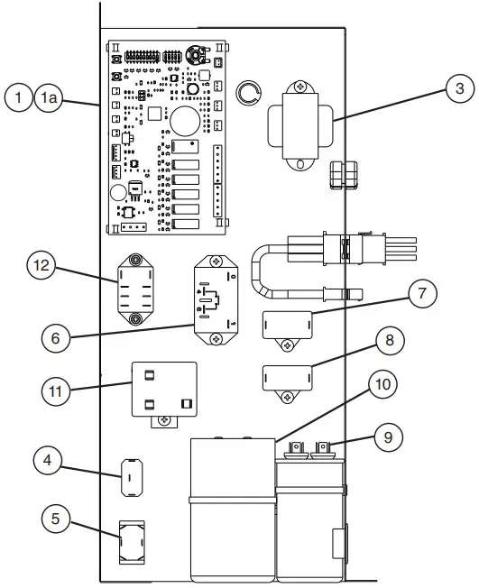
Control Box Assembly
KM-350M_J, KM-520M_J(Z), KM-660M_J(Z)
H-0 to L-2
K Control Board with Ultrasonic Sensor Control Board
K+ Control Board
| Title: C. Control Box Assembly Model: KM-350M_J, KM-520M_J(Z),KM-660M_J(Z) | |||||||||||||||||||||||||
| Index No. | Description | Material or Model Number | Part Number | Required Number | |||||||||||||||||||||
| H-0to J-0 | J-1toL-0(J) | L-0(K) | L-0(L)toL-1(J) | L-1(K) | L-1(L)to L-2 | ||||||||||||||||||||
| 1 | Control Board*See page 4 “Aux Code Break.” | KM-350MAJ | 2A8242-02 | 1 | 1 | 1 | 1 | *1 | – | ||||||||||||||||
| KM-520MAJ | 1 | 1 | *1 | – | |||||||||||||||||||||
| KM-660MAJ | 1 | 1 | *1 | – | |||||||||||||||||||||
| KM-350MWJ | 1 | 1 | – | ||||||||||||||||||||||
| KM-520MWJ | 1 | 1 | – | ||||||||||||||||||||||
| KM-660MWJ | 1 | 1 | *1 | – | |||||||||||||||||||||
| KM-520MRJ | 1 | 1 | – | ||||||||||||||||||||||
| KM-660MRJ | 1 | 1 | – | ||||||||||||||||||||||
| KM-350MAJ | 2A9678-01 | *1 | 1 | ||||||||||||||||||||||
| KM-520MAJ | *1 | 1 | 1 | 1 | |||||||||||||||||||||
| KM-660MAJ | *1 | 1 | 1 | 1 | |||||||||||||||||||||
| KM-350MWJ | 1 | 1 | 1 | 1 | |||||||||||||||||||||
| KM-520MWJ | 1 | 1 | 1 | 1 | |||||||||||||||||||||
| KM-660MWJ | *1 | 1 | 1 | 1 | |||||||||||||||||||||
| KM-520MRJZ | 1 | 1 | 1 | 1 | 1 | ||||||||||||||||||||
| KM-660MRJZ | 1 | 1 | 1 | 1 | 1 | ||||||||||||||||||||
| 1a | Control Board Support | 4A0336-03 | 4 | 4 | 4 | 4 | 4 | 4 | |||||||||||||||||
| 2 | Ultrasonic Bin Control Board*See page 4 “Aux Code Break.” | KM-350MAJ | 4A6149-01 | 1 | 1 | 1 | 1 | *1 | – | ||||||||||||||||
| KM-520MAJ | 1 | 1 | *1 | – | |||||||||||||||||||||
| KM-660MAJ | 1 | 1 | 1 | – | |||||||||||||||||||||
| KM-350MWJ | 1 | 1 | – | ||||||||||||||||||||||
| KM-520MWJ | 1 | 1 | – | ||||||||||||||||||||||
| KM-660MWJ | 1 | 1 | *1 | – | |||||||||||||||||||||
| KM-520MRJ | 1 | 1 | – | ||||||||||||||||||||||
| KM-660MRJ | 1 | 1 | – | ||||||||||||||||||||||
| 2a | Control Board Support | 4A0336-03 | 4 | 4 | – | ||||||||||||||||||||
| 3 | Control Transformer | 3A0172-01 | 1 | 1 | 1 | 1 | 1 | ||||||||||||||||||
| 4 | Control Switch | 4A0985-01 | 1 | 1 | 1 | 1 | 1 | ||||||||||||||||||
| 5 | Mode Switch | 4A6232-01 | 1 | 1 | 1 | 1 | 1 | ||||||||||||||||||
| 6 | Compressor Relay | 4A3140-01 | 1 | 1 | 1 | 1 | 1 | ||||||||||||||||||
| 7 | Pump Motor Capacitor | 5.5MFD,250VAC | 443192-03 | 1 | – | ||||||||||||||||||||
| 4A6435-03 | 1 | 1 | 1 | 1 | |||||||||||||||||||||
| 8 | Fan Motor Capacitor | KM-350MAJ KM-520MAJ KM-660MAJ 5.0MFD,250VAC | 443192-02 | 1 | – | ||||||||||||||||||||
| 4A6435-02 | 1 | 1 | 1 | 1 | |||||||||||||||||||||
| 9 | Run Capacitor | KM-350M_J KM-520M_J35MFD, 440VAC | 3A2005-12 | 1 | 1 | 1 | 1 | 1 | |||||||||||||||||
| KM-660M_J KM-660MRJZ 40MFD,440VAC | 3A2005-07 | 1 | 1 | 1 | 1 | 1 | |||||||||||||||||||
| Index No. | Description | Material or Model Number | Part Number | Required Number | |||||||||||||||||||||
| H-0to J-0 | J-1toL-0(J) | L-0(K) | L-0(L)toL-1(J) | L-1(K) | L-1(L)to L-2 | ||||||||||||||||||||
| 10 | Start Capacitor | KM-350M_J KM-520M_J 243-292MFP165VAC | 3A0076-20 | 1 | 1 | 1 | 1 | 1 | |||||||||||||||||
| KM-660M_J KM-660MRJZ 243-292MFP250VAC | 3A0076-21 | 1 | 1 | 1 | 1 | 1 | |||||||||||||||||||
| 11 | Start Relay | KM-350M_J | 4A1107-18 | 1 | 1 | 1 | 1 | 1 | |||||||||||||||||
| KM-520M_J | 4A1107-11 | 1 | 1 | 1 | 1 | 1 | |||||||||||||||||||
| KM-660M_J KM-660MRJZ | 4A1107-20 | 1 | 1 | 1 | 1 | 1 | |||||||||||||||||||
| 12 | RelayX10=Crankcase Heater Relay | KM-520MRJ(Z) KM-660MRJ(Z) | 406132-07 | 1 | 1 | 1 | 1 | 1 | 1 | ||||||||||||||||
| 13 | In-Line Fuse Holder | 4A6950-01 | 1 | 1 | 1 | 1 | 1 | 1 | |||||||||||||||||
| 14 | Fuse | 4A0893-07 | 1 | 1 | 1 | 1 | 1 | 1 | |||||||||||||||||
| 15 | Wire Harness A | 1A4291-02 | 1 | 1 | 1 | 1 | 1 | 1 | |||||||||||||||||
| 16 | Wire Harness B | 1A4292-01 | 1 | 1 | 1 | 1 | 1 | 1 | |||||||||||||||||
| 17 | Wire Harness C | KM-520MRJ(Z) KM-660MRJ(Z) | 1A5041-01 | 1 | 1 | 1 | 1 | 1 | 1 | ||||||||||||||||
Accessories & Labels
KM-350M_J, KM-520M_J(Z), KM-660M_J(Z)
H-0 to L-2
| Title: D. Accessories & Labels Model: KM-350M_J, KM-520M_J(Z), KM-660M_J(Z) | ||||||||||||
| Index No. | Description | Material or Model Number | Part Number | Required Number | ||||||||
| H-0to L-2 | ||||||||||||
| 1 | Hoshizaki Emblem | 4A0560-01 | 1 | |||||||||
| 2 | Penguin Label | 475552L02 | 1 | |||||||||
| 3 | Universal Brace | 4A0363-01 | 2 | |||||||||
| 3a | Hex Head Bolt | 5×12, SS | 7B02-0512 | 2 | ||||||||
Support
Number: 71416
Issued: 8-29-2018
Revised: 1-14-2022
![]()




















