randell 3000 Series Electric Hot Food Holding Unit

This manual provides information on installation, operating, maintenance,trouble shooting & replacement parts for
NOTIFY CARIER OF DAMAGE AT ONCE.
It is the responsibility of the consignee to inspect the container upon receipt of same and to determine the possibility of any damage, including concealed damage. Randell suggests that if you are suspicious of damage to make a notation on the delivery receipt.
It will be the responsibility of the consignee to file a claim with the carrier. We recommend that you do so at once.
Congratulations on your recent purchase of Randell food service equipment,and we welcome you to the growing family of satisfied Randell customers.
Our reputation for superior products is the result of consistent quality craftsmanship. From the earliest stages of product design to successive steps in fabrication and assembly, rigid standards of excellence are maintained by our staff of designers, engineers, and skilled employees.
Only the finest heavy-duty materials and parts are used in the production of Randell brand equipment. This means that each unit, given proper maintenance will provide years of trouble free service to its owner.
In addition, all Randell food service equipment is backed by some of the best warranties in the food service industry and by our professional staff of service technicians.
Retain this manual for future reference.
NOTICE: Due to a continuous program of product improvement, Randell reserves the right to make changes in design and specifications without prior notice.
- Please read the entire manual carefully before installation. If certain recommended procedures are not followed, warranty claims will be denied.
MODEL NUMBER
SERIAL NUMBER
INSTALLATION DATE
The serial number is located on the control panel

Specifications

3313 shown
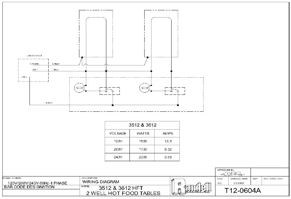
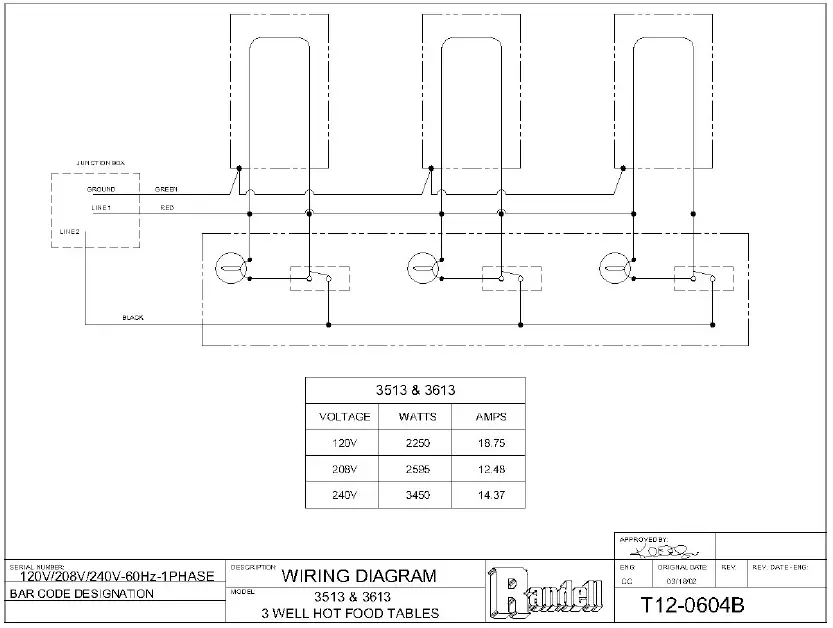
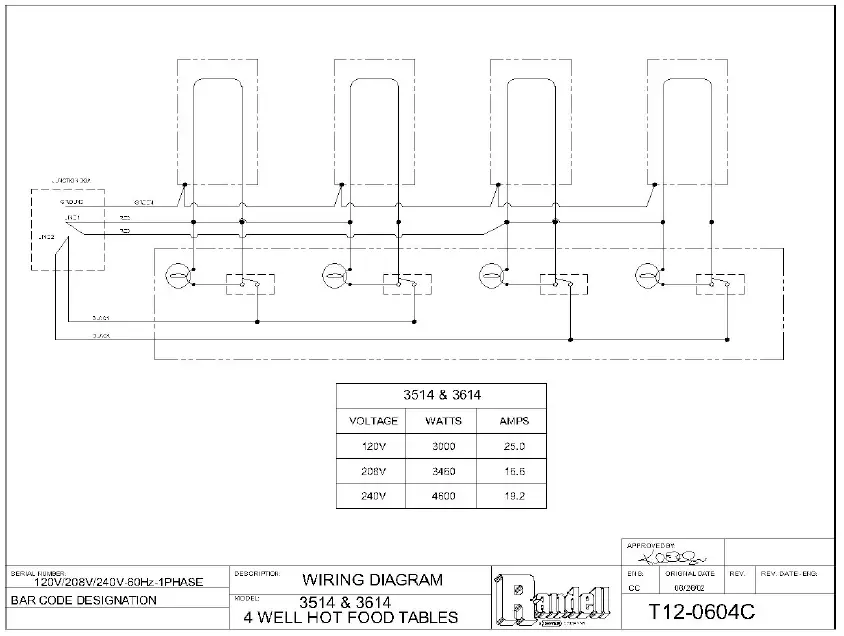
3300 SERIES – COMMON WATERBATH
| Model | L | D | H | # Wells | #Elements | SS Bottom Shelf Sq. Ft. | 208V | 240V | Ship Wt. | ||||
| KW | Amps | NEMA | KW | Amps | NEMA | ||||||||
| 3312 | 33” | 30” | 36” | 2 | 1 | 5.5 | 3 | 14.4 | 6-20P | 3 | 12.5 | 6-20P | 116 |
| 3313 | 48” | 30” | 36” | 3 | 1 | 8.1 | 3 | 14.4 | 6-20P | 3 | 12.5 | 6-20P | 174 |
| 3314 | 63” | 30” | 36” | 4 | 2 | 10.7 | 6 | 28.8 | 6-50P | 6 | 25 | 6-50P | 232 |
| 3315 | 78” | 30” | 36” | 5 | 2 | 13.3 | 6 | 28.8 | 6-50P | 6 | 25 | 6-50P | 290 |
NOTE: All 3300 series units require 1” to 2” of water be added PRIOR to heating of the elements. Hot water is recommended.

3613 shown
3500 SERIES – OPEN WELL (spillage pans required for wet operation)
| Model | L | D | H | # Wells | # Elem. | SS Bottom Shelf Sq. Ft. | 120V – 750 Watt | 208V – 865 Watt | 240V – 1150 Watt | Ship Wt. | ||||||
| KW | Amps | NEMA | KW | Amps | NEMA | KW | Amps | NEMA | ||||||||
| 3512 | 33” | 30” | 36” | 2 | 2 | 5.5 | 1.5 | 12.5 | 5-20P | 1.73 | 8.32 | 6-15P | 2.3 | 9.58 | 6-15P | 116 |
| 3513 | 48” | 30” | 36” | 3 | 3 | 8.1 | 2.25 | 18.75 | 5-30P | 2.6 | 12.48 | 6-20P | 3.45 | 14.37 | 6-20P | 174 |
| 3514 | 63” | 30” | 36” | 4 | 4 | 10.7 | 3 | 25 | 5-50P | 3.46 | 16.64 | 6-30P | 4.6 | 19.16 | 6-30P | 232 |
| 3515 | 78” | 30” | 36” | 5 | 5 | 13.3 | 3.75 | 31.25 | 5-50P | 4.33 | 20.8 | 6-30P | 5.75 | 23.95 | 6-30P | 290 |
3600 SERIES – SEALED WELL
| Model | L | D | H | # Wells | # Elem. | SS Bottom Shelf Sq. Ft. | 120V – 750 Watt | 208V – 865 Watt | 240V – 1150 Watt | Ship Wt. | ||||||
| KW | Amps | NEMA | KW | Amps | NEMA | KW | Amps | NEMA | ||||||||
| 3612 | 33” | 30” | 36” | 2 | 2 | 5.5 | 1.5 | 12.5 | 5-20P | 1.73 | 8.32 | 6-15P | 2.3 | 9.58 | 6-15P | 116 |
| 3613 | 48” | 30” | 36” | 3 | 3 | 8.1 | 2.25 | 18.75 | 5-30P | 2.6 | 12.48 | 6-20P | 3.45 | 14.37 | 6-20P | 174 |
| 3614 | 63” | 30” | 36” | 4 | 4 | 10.7 | 3 | 25 | 5-50P | 3.46 | 16.64 | 6-30P | 4.6 | 19.16 | 6-30P | 232 |
| 3615 | 78” | 30” | 36” | 5 | 5 | 13.3 | 3.75 | 31.25 | 5-50P | 4.33 | 20.8 | 6-30P | 5.75 | 23.95 | 6-30P | 290 |
Installation
SELECTING A LOCATION FOR YOUR NEW UNIT
The following conditions should be considered when selecting a location for your unit:
- Floor Load: The area on which the unit will rest must be level, free of vibration, and suitably strong enough to support the combined weights of the unit plus the maximum product load weight.
- Clearance: There must be a combined total of at least 3” clearance on all sides of the unit.
- Ventilation: The unit must not be inserted into a cabinet.
INSTALLATION CHECKLIST
After the final location has been determined, refer to the following checklist prior to start-up:
- Check all exposed power cords and plugs to ensure that they are not kinked, damaged, or show exposed wires.
- Check that the thermostat knobs turn on/off and stop at the designated position.
- Unit must be properly leveled; check all legs or casters to ensure they all are in contact with the floor while maintaining a level work surface.
Adjusting bullet feet heights or shimming casters may be necessary if the floor is not level. NOTE: Damage to equipment may result if not followed. Randell is not responsible for damage to equipment if improperly installed. - Add 1” of water (less than one gallon) to holding pans on individual well models (including 3600 Series). Add 1” to 2” of water to all other models that require water. Check for any sign of water leaking. (See Unit Operation page 11.)
- Plug in unit and turn on thermostats. (Indicator lights for each well will illuminate indicating the thermostat is calling for heat).
- Allow unit time to heat water to temperature. (See Unit Operation page 11.)
- Refer to the front of this manual for serial number location. Please record this information in your manual on page 3 now. It will be necessary when ordering replacement parts or requesting warranty service.
- Confirm that the unit is holding temperature. Set controls to desired temperature for your particular ambient and altitude.
- Allow your unit to operate for approximately 1 hour before putting in food to allow of unit to heat to storage temperature.
NOTE: FAILURE TO FOLLOW INSTALLATION GUIDELINES AND RECOMMENDATIONS MAY VOID THE WARRANTY ON YOUR UNIT.
ELECTRICAL SUPPLY: The wiring should be done by a qualified electrician in accordance with local electrical codes. A properly wired and grounded outlet will assure proper operation. Please consult the data tag attached to the control panel to ascertain the correct electrical requirements.
Operation
All 3300/3500/3600 units are designed for 145°F to 175°F operation or 140°F to 170°F product temperature. When using the unit dry expect at least a 15°F drop in product temperatures compared to using the unit wet.
- Add 1” of water (less than one gallon) to holding pans on individual sealed well models (including 3600 Series). Add 1” to 2” of water to all other models that require water. Hot water is recommended.
Note: Do not add water to 3500 open well units unless spillage pans are utilized. - Turn thermostat to #4
- Red indicator light will energize to show corresponding well that is heating.
- Wait 1 hour before adjusting thermostat. Higher number will increase temperature. Lower number will decrease temperature.
- Turn thermostat to off position when operation is completed.
Some models of electric hot food holding units may be operated wet or dry. Wet operation is recommended for higher efficiency. Hot water is recommended for the unit achieving operating temperature sooner.
Refilling of wet operation units is required periodically if the water level is lower than1”.
Note: Do not add water to an empty well that is at holding temperature.
- 3300 Series: Wet operation only
- 3500 Series: Wet or dry operation. Spillage pans required if wet operation is desired. Spillage pans not provided with standard units.
- 3600 Series: Wet operation only.
- Plumbing: The units drain must have an outlet to an appropriate drainage area or container. The drain valve can be found under the wells of the unit nearest the left or right side wall of the lower shelf.
- Place container directly under drain valve.
- Open valve slowly to prevent splatter of hot water.
- Close valve completely before remove container for drainage.
Note: Each well with a drain is supplied with a screen to prevent large objects from entering the drain. Do not force large objects through the drain.
- Electric elements are not submersible.
Caution: Moisture collecting from improper drainage can create a slippery surface on the floor and a hazard to employees.
Preventive Maintenance
Randell strongly suggests a preventive maintenance program which would include the following Monthly procedures:
- Clean your hot food unit with a solution of warm water and a mild detergent. The stainless steel portion of your unit can be polished with any quality polish.
- Drain water from wells daily and wipe them out. Clean wells thoroughly twice a week to help insure a longer life for your wells.
- Clean and disinfect drains with a solution of warm water and mild soap.
RECOMMENDED CLEANERS FOR YOUR STAINLESS STEEL INCLUDE THE FOLLOWING:
| JOB | CLEANING AGENT | COMMENTS |
| Routine cleaning | Soap, ammonia, detergent Medallion | Apply with a sponge or cloth |
| Fingerprints and smears | Arcal 20, Lac-O-Nu, Ecoshine | Provides a barrier film |
| Stubborn stains and discoloration | Cameo, Talc, Zud, First Impression | Rub in the direction of the polish lines |
| Greasy and fatty acids, blood, burnt-on foods | Easy-Off, Degrease It, Oven Aid | Excellent removal on all finishes |
| Grease and Oil | Any good commercial detergent | Apply with a sponge or cloth |
| Restoration/Preservation | Benefit, Super Sheen | Good idea monthly |
Reference: Nickel Development Institute, Diversey Lever, Savin, Ecolab, NAFEM.
NOTE: Do not use steel pads, wire brushes, scrapers, or chloride cleaners to clean your stainless steel. Caution: Do not use abrasive cleaning solvents, and never use hydrochloric acid (muriatic acid) on stainless steel.
- Do not pressure wash equipment as damage to electrical components may result.
Proper maintenance of equipment is the ultimate necessity in preventing costly repairs. By evaluating each unit on a regular schedule, you can often catch and repair minor problems before they completely disable the unit and become burdensome on your entire operation.
For more information on preventive maintenance, consult your local service company, ASA, or CFESA member. Most repair companies offer this service at very reasonable rates to allow you the time you need to run your business along with the peace of mind that all your equipment will last throughout its expected life.
These services often offer guarantees as well as the flexibility in scheduling or maintenance for your convenience.
Randell believes strongly in the products it manufactures and backs those products with one of the best warranties in the industry. We believe with the proper maintenance and use, you will realize a profitable return on your investment and years of satisfied service.
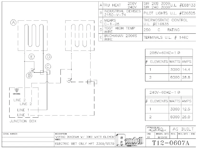
Electrical Diagram





Trouble Shooting Guide
| SYMPTOM | POSSIBLE CAUSE | PROCEDURE |
| Unit doesn’t heat | 1. No power to unit 2. Temperature control turned off 3. Temperature control faulty 4. Element does not heat | 1. Plug in unit 2. Check temperature control 3. Test temperature control 4. Test element for continuity |
| Unit too hot | 1. Thermostat not shutting off | 1. Test thermostat |
| Unit runs constantly | 1. Too much water in well 2. Thermostat sensing bulb | 1. 1” – 2” of water per well 2. Check location of sensing bulb |
| Unit leaking water | 1. Drain 2. Pan cracked | 1. Check drains for leaks 2. Call ASA for repair |
Replacement Parts Exploded View
3300 Series Electric HFT

3500 Series Electric HFT

3600 Series Electric HFT

Replacement Parts List
| ITEM | DESCRIPTION | PART # | 3 3 1 2 | 3 3 1 3 | 3 3 1 4 | 3 3 1 5 | 3 5 1 2 | 3 5 1 3 | 3 5 1 4 | 3 5 1 5 | 3 6 1 2 | 3 6 1 3 | 3 6 1 4 | 3 6 1 5 |
| 1A | TOP, 2 WELL (30″ X 33″) | RP TOP3312 | X | X | X | |||||||||
| 1B | TOP, 3 WELL (30″ X 48″) | RP TOP3313 | X | X | X | |||||||||
| 1C | TOP, 4 WELL (30″ X 63″) | RP TOP3314 | X | X | X | |||||||||
| 1D | TOP, 5 WELL (30″ X 78″) | RP TOP3315 | X | X | X | |||||||||
| 2A | CUTTING BOARD, 7/16″ POLY, 8 X 33 | RP CPH0833 | X | X | X | |||||||||
| 2B | CUTTING BOARD, 7/16″ POLY, 8 X 48 | RP CPH0848 | X | X | X | |||||||||
| 2C | CUTTING BOARD, 7/16″ POLY, 8 X 63 | RP CPH0863 | X | X | X | |||||||||
| 2D | CUTTING BOARD, 7/16″ POLY, 8 X 78 | RP CPH0878 | X | X | X | |||||||||
| 3 | CLIP, 1/2″ CUTTING BOARD | RP CLP001 | X | X | X | X | X | X | X | X | X | X | X | X |
| 4A | PANEL, REAR 2 WELL (11.5″ X 30.5″) | RP PNL0106 | X | X | X | |||||||||
| 4B | PANEL, REAR 3 WELL (11.5″ X 45.5″) | RP PNL0107 | X | X | X | |||||||||
| 4C | PANEL, REAR 4 WELL (11.5″ X 60.5″) | RP PNL0108 | X | X | X | |||||||||
| 4D | PANEL, REAR 5 WELL (11.5″ X 76.5″) | RP PNL0109 | X | X | X | |||||||||
| 5 | SIDE, RIGHT | RP SID0103 | X | X | X | X | X | X | X | X | X | X | X | X |
| 6 | SIDE, LEFT | RP SID0104 | X | X | X | X | X | X | X | X | X | X | X | X |
| 7 | 6″ LEG | HD LEG9902 | X | X | X | X | X | X | X | X | X | X | X | X |
| 9 | ELECTRIC HOT FOOD CONTROL | EL HFT0201 | X | X | X | X | X | X | X | X | X | X | X | X |
| 10 | KNOB, CONTROL | HD KNB0003 | X | X | X | X | X | X | X | X | X | X | X | X |
| 11 | LIGHT, INDICATOR | EL LGT500 | X | X | X | X | X | X | X | X | X | X | X | X |
| 12A | SHELF, BOTTOM 2 WELL (29″ X 32.5″) | RP SHL0103 | X | X | X | |||||||||
| 12B | SHELF, BOTTOM 2 WELL (29″ X 47.5″) | RP SHL0104 | X | X | X | |||||||||
| 12C | SHELF, BOTTOM 2 WELL (29″ X 62.5″) | RP SHL0105 | X | X | X | |||||||||
| 12D | SHELF, BOTTOM 2 WELL (29″ X 62.5″) | RP SHL0106 | X | X | X | |||||||||
| 13 | CHANNEL, LEG | RP CHN0101 | X | X | X | X | X | X | X | X | X | X | X | X |
| 14-1A | 120V PWR CORD W/ PLUG, 12/3, 5-20P | EL WIR800 | X | X | ||||||||||
| 14-1B | 240V PWR CORD W/ PLUG, 14/3, 6-15P | EL WIR0353 | X | X | ||||||||||
| 14-C | PWR CORD, 14/3, NO PLUG, 10′ REQ’D | EL WIR380 | X | X | X | |||||||||
| 14-C1 | 20A ANGLE PLUG, 6-20P | EL PLG620 | X | X | X | |||||||||
| 14-D | PWR CORD, 10/3, NO PLUG, 10′ REQ’D | EL WIR360 | X | X | X | X | X | |||||||
| 14-D1 | 30A/50A ANGLE PLUG, 6-30P/6-50P | EL PLG0931 | X | X | X | X | X | |||||||
| 14-E | PWR CORD, 12/3, NO PLUG, 10′ REQ’D | EL WIR370 | X | X | ||||||||||
| 14-E1 | 30A/50A ANGLE PLUG, 6-30P/6-50P | EL PLG0931 | X | X | ||||||||||
| 14 F | PWR CORD, 10/3, NO PLUG, 10′ REQ’D | EL WIR360 | X | X | ||||||||||
| 14-F1 | 30A/50A ANGLE PLUG, 5-30P/5-50P | EL PLG3125 | X | X | ||||||||||
| 14-G | PWR CORD, 8/3, NO PLUG, 10′ REQ’D | EL WIR350 | X | X | X | X | X | |||||||
| 14-G1 | 30A/50A ANGLE PLUG, 5-30P/5-50P | EL PLG3125 | X | X | X | X | X | |||||||
| 14-H | PWR CORD, 8/3, NO PLUG, 10′ REQ’D | EL WIR350 | X | X | ||||||||||
| 14-H1 | 30A/50A ANGLE PLUG, 6-30P/6-50P | EL PLG0931 | X | X | ||||||||||
| 15 | BOX, JUNCTION | EL BOX042 | X | X | X | X | X | X | X | X | X | X | X | X |
| 16 | COVER, JUNCTION BOX | EL CVR8465 | X | X | X | X | X | X | X | X | X | X | X | X |
| 17 | STRAINER, DRAIN | RP DSN001 | X | X | X | X | X | X | X | X | ||||
| 18 | TANK (3600 SERIES) | RP PAN0005 | X | X | X | X | ||||||||
| 19 | TANK (3500 SERIES) | RP TNK0103 | X | X | X | X | ||||||||
| 20A | TANK 2 WELL (3312) 27″ LONG | RP TNK312 | X | |||||||||||
| 20B | TANK 3 WELL (3313) 42″ LONG | RP TNK313 | X | |||||||||||
| 20C | TANK 4 WELL (3314) 57″ LONG | RP TNK314 | X | |||||||||||
| 20D | TANK 5 WELL (3315) 72″ LONG | RP TNK315 | X | |||||||||||
| 21A | ELEMENT, 208V – 3300 SERIES | RP ELM3245 | X | X | X | X | ||||||||
| 21B | ELEMENT, 240V – 3300 SERIES | RP ELM3247 | X | X | X | X | ||||||||
| 21C | ELEMENT, 208V/240V-3500&3600 | EL ELM1150 | X | X | X | X | X | X | X | X | ||||
| 21D | ELEMENT, 120V/3500 & 3600/750watt | EL ELM750 | X | X | X | X | X | X | X | X | ||||
| 21E | ELEMENT, 208V/3500H & 3600H/1100watt | EL ELM1172 | X | X | X | X | X | X | X | X | ||||
| 22 | PAN, ASSY W/OUT ELEMENT 3300 | RP PAN0105 | X | X | X | X | ||||||||
| 23 | PAN, ASSY W/OUT ELEMENT 3600 | RP PAN0104 | X | X | X | X | X | X | X | X | ||||
| 26A | VALVE, 1″ THD GATE (3300) | PB VLV1000 | X | X | X | X | ||||||||
| 26B | VALVE, 1/3″ THR GATE (3600) | PB VLV752 | X | X | X | X | X | X | X | |||||
| 27 | ELBOW, 90 DEGREE (1/2″) SWEAT (3600) | PB ELB504 | X | X | X | X | X | X | X | |||||
| 28 | TEE, 1/2″ COPPER (3600) | PB TEE502 | X | X | X | X | X | X | X | |||||
| 29 | ELBOW, (3/4 X 1/2) CAST (3600) | PB ELB758 | X | X | X | X | X | X | X | |||||
| 30 | ADAPTER 1/2″ FPT TO 1/2″ SWEAT (3600) | PB ADP120 | X | X | X | X | X | X | X | |||||
| 31A | PLATE SHELF, 2 WELL (3000 SERIES) | RP SHL3512 | X | X | X | |||||||||
| 31B | PLATE SHELF, 3 WELL (3000 SERIES) | RP SHL3513 | X | X | X | |||||||||
| 31C | PLATE SHELF, 4 WELL (3000 SERIES) | RP SHL3514 | X | X | X | |||||||||
| 31D | PLATE SHELF, 5 WELL (3000 SERIES) | RP SHL3515 | X | X | X | |||||||||
| 32A | CONTROL PANEL – 3312 B4 5.2014 | RP CNT3312A | X | |||||||||||
| CONTROL PANEL – 3312 AFTER 5.2014 | RP CNT3312B | X | ||||||||||||
| 32B | CONTROL PANEL – 3313 B4 5.2014 | RP CNT3313A | X | |||||||||||
| CONTROL PANEL – 3313 AFTER 5.2014 | RP CNT3313B | X | ||||||||||||
| 32C | CONTROL PANEL – 3314 B4 5.2014 | RP CNT3314A | X | |||||||||||
| CONTROL PANEL – 3314 AFTER 5.2014 | RP CNT3314B | X | ||||||||||||
| 32D | CONTROL PANEL – 3315 B4 5.2014 | RP CNT3315A | X | |||||||||||
| CONTROL PANEL – 3315 AFTER 5.2014 | RP CNT3315B | X | ||||||||||||
| 33A | CONTROL PANEL – 3512, 3612 B4 5.2014 | RP CNT3512A | X | X | ||||||||||
| CONTROL PANEL-3512,3612 AFTER 5.2014 | RP CNT3512B | X | X | |||||||||||
| 33B | CONTROL PANEL – 3513, 3613 B4 5.2014 | RP CNT3513A | X | X | ||||||||||
| CONTROL PANEL-3513,3613 AFTER 5.2014 | RP CNT3513B | X | X | |||||||||||
| 33C | CONTROL PANEL – 3514, 3614 B4 5.2014 | RP CNT3514A | X | X | ||||||||||
| CONTROL PANEL-3514,3614 AFTER 5.2014 | RP CNT3514B | X | X | |||||||||||
| 33D | CONTROL PANEL – 3515, 3615 B4 5.2014 | RP CNT3515A | X | X | ||||||||||
| CONTROL PANEL-3515,3615 AFTER 5.2014 | RP CNT3515B | X | X | |||||||||||
| NS | 6″ LOCKING CASTERS | HD CST060 | X | X | X | X | X | X | X | X | X | X | X | X |
| NS | 6″ NON LOCK CASTER | HD CST061 | X | X | X | X | X | X | X | X | X | X | X | X |
| NS | 4″ LOCKING CASTERS | HD CST040HD | X | X | X | X | X | X | X | X | X | X | X | X |
| NS | 4″ NON LOCK CASTERS | HD CST041HD | X | X | X | X | X | X | X | X | X | X | X | X |
| NS | FILL FAUCET | HD FLR150 | X | X | X | X | X | X | X | X | X | X | X | X |
| NS | SWITCH, RED ILLUMINATED ROCKER AFTER 5.2014 | EL SWT610BE | X | X | X | X | X | X | X | X | X | X | X | X |
| NS | NOT SHOWN |
NEMA Plug Configuration

Warranty Policies
Congratulations on your purchase of a Randell Manufactured piece of equipment. Unified Brands believes strongly in the products it builds and backs them with the best warranty in the industry. Standard with every unit is the peace of mind that this unit has been thoroughly engineered, properly tested and manufactured to excruciating tolerances, by a manufacturer with over 30 years of industry presence. On top of that front end commitment, Unified Brands has a dedicated staff of certified technicians that monitor our own technical service hotline at 1-888-994-7636 to assist you with any questions or concerns that may arise after delivery of your new Randell equipment.
PARTS WARRANTY
- One year parts replacement of any and all parts that are found defective in material or workmanship. Unified Brands warrants all component parts of manufactured new equipment to be free of defects in material or workmanship, and that the equipment meets or exceeds reasonable industry standards of performance for a period of one year from the date of shipment from any Randell factory, assembly plant or warehouse facility.
NOTE: warranties are effective from date of shipment, with a thirty day window to allow for shipment, installation and set-up. In the event equipment was shipped to a site other than the final installation site, Unified Brands will warranty for a period of three months following installation, with proof of starting date, up to a maximum of fifteen months from the date of purchase. - Free ground freight of customer-specified location for all in warranty parts within continental U.S. Component part warranty does not cover glass breakage or gasket replacement. Unified Brands covers all shipping cost related to component part warranty sent at regular ground rates (UPS, USPS). Freight or postage incurred for any express or specialty methods of shipping are the responsibility of the customer.
LABOR COVERAGE
In the unlikely event a Randell brand unit fails due to defects in materials or workmanship within the first ninety days, Unified Brands agrees to pay the contracted labor rate performed by an Authorized Service Agent (ASA). Any warranty work performed by a non-ASA will not be honored by Unified Brands. Please consult Randell Technical Support for a complete listing of ASAs. A complete listing of ASAs may also be found on the Randell page of our web site at www.unifiedbrands.net . Warranties are effective from date of shipment, with a thirty day window to allow for shipment, installation and setup. Where equipment is shipped to any site other than final installation, Unified Brands will honor the labor warranty for a period of ninety days following installation with proof of starting date, up to a maximum of six months from date of purchase.
Temperature adjustments are not covered under warranty, due to the wide range of ambient conditions.
To inquire if the equipment is within warranty, call our Field Service Department at: 1-888-994-7636.
WHEN OPTIONAL LABOR EXTENSION POLICY APPLIES
Unified Brands will provide reimbursement of labor invoiced to an ASA for any customer that has an optional labor extension of our standard warranty. (Contracted rates do apply) Randell offers both 1 and 2 year extensions. Labor extensions begin at the end of our standard warranty and extend out 9 months to 1 calendar year or 21 months to 2 calendar years from date of purchase. Please contact Randell technical service hotline at 1-888-994-7636 for details and any question on Authorized Service Agents (ASA).
WHEN EXPORT WARRANTIES APPLY
- Unified Brands covers all non-electrical components under the same guidelines as our standard domestic policy.
- All electrical components operated on 60 cycle power are covered under our standard domestic policy.
- All electrical components operated on 50 cycle power are covered for 90 days from shipment only.
- Extended warranty options are not available from the factory.
ITEMS NOT COVERED UNDER WARRANTY
- Maintenance type of repairs such as temperature adjustments, clogged drains, and unit leveling.
NOTICE: FOOD LOSS IS NOT COVERED UNDER WARRANTY - Repairs caused by abuse such as broken glass, freight damage, or scratches and dents.
- Electrical component failure due to water damage from cleaning procedures.
- Electrical component failure due to incorrect voltage supplied to unit.
- Pan failures due to adding water to empty pan that is at holding temperature.
- Pan failures due to poor water quality.
QUOTATIONS
Verbal quotations are provided for customer convenience only and are considered invalid in the absence of a written quotation. Written quotations from Randell are valid for 30 days from quote date unless otherwise specified. Randell assumes no liability for dealer quotations to end-users.
SPECIFICATION & PRODUCT DESIGN
Due to continued product improvement, specification and product design may change without notice. Such revisions do not entitle the buyer to additions. Changes or replacements for previously purchased equipment.
SANITATION REQUIREMENTS
Certain areas require specific annotation requirements other than N.S.F. & U.L. standards. Randell must be advised of these specifications before fabrication of equipment. In these special circumstances, a revised quotation may be required to cover additional costs. Failure to notify Randell before fabrication holds the dealer accountable for all additional charges.
CANCELLATIONS
Orders canceled prior to production scheduling entered into engineering/production and cancelled are subject to a cancellation charge (contact factory for details).
STORAGE CHARGES
Randell makes every effort to consistently meet our customer’s shipment expectations. If after the equipment has been fabricated, the customer requests delay in shipment, and warehousing is required:
- Equipment held for shipment at purchasers request for a period of 30 days beyond original delivery date specified will be invoiced and become immediately payable.
- Equipment held beyond 30 days after the original delivery date specified will also include storage charges.
SHIPPING & DELIVERY
Randell will attempt to comply with any shipping, routing or carrier request designated by dealer, but reserves the right to ship merchandise via any responsible carrier at the time equipment is ready for shipment. Randell will not be held responsible for any carrier rate differences; rate differences are entirely between the carrier and purchaser. Point of shipping shall be determined by Randell (Weidman, MI/Jackson, MS). At dealer’s request, Randell will endeavor whenever practical to meet dealer’s request. Freight charges to be collect unless otherwise noted.
DAMAGES
All crating conforms to general motor carrier specifications. To avoid concealed damage, we recommend inspection of every carton upon receipt. In the event the item shows rough handling or visible damage to minimize liability, a full inspection is necessary upon arrival. Appearance of damage will require removing the crate in the presence of the driver. A notation must be placed on the freight bill and signed for by the truck driver at the time of delivery. Any and all freight damage that occurs to a Randell piece of equipment as a result of carrier handling is not considered under warranty, and is not covered under warranty guidelines. Any freight damage incurred during shipping needs to have a freight claim filed by the receiver with the shipping carrier. Consignee is responsible for filing of freight claims when a clear delivery receipt is signed. Claims for damages must be filed immediately (within 10 days) by the consignee with the freight carrier and all cartons and merchandise must be retained for inspection.
RETURNED GOODS
Authorization for return must first be obtained from Randell before returning any merchandise. Any returned goods shipment lacking the return authorization number will be refused, all additional freight costs to be borne by the returning party. Returned equipment must be shipped in original carton, freight prepaid and received in good conditions. Any returned merchandise is subject to a minimum handling charge (consult factory for rate).
INSTALLATION
Equipment installation is the responsibility of the dealer and/or their customer. Randell requires all equipment to be professionally installed.
PENALTY CLAUSES
Dealer penalty clauses, on their purchase order or contractually agreed to between the dealer and their clients are not binding on Randell. Randell does not accept orders subject to penalty clauses. This agreement supersedes any such clauses in dealer purchase orders.
EXPORT POLICY
All quotations for export sales will be handled by Unified Brands’ export management organization.
FOOTNOTES IN REFERENCE TO PARAGRAPHS ABOVE
- Herein called Randell.
- NET means list price less discount, warranty, labor policy, freight, Randell delivery and other miscellaneous charges.
CASH DISCOUNTS WILL BE CALCULATED ON NET ONLY.
888-994-7636, fax 888-864-7636




















