118T-001A C-Fan Transformer Kit
Instruction Manual
118T-001A C-FAN TRANSFORMER KIT 460/230V
SHIVVERS INCORPORATED
614 W. English Street
Corydon, IA 50060
Ph. (641) 872-1005 ** Fax (641) 872-1593
www.shivvers.com
SAFETY INFORMATION
The installer of this equipment must assume responsibility for his own safety and for the safety of those working with him. He must also make sure that the equipment is installed as shown in this manual.
If any items covered in this manual are not completely understood, or there is a concern with the safety of the product, contact Shivvers at the address shown on the front cover.
ALL ELECTRICAL WIRING SHALL BE INSTALLED IN COMPLIANCE WITH THE LATEST EDITION OF THE ANSI/NFPA STANDARD 70, NATIONAL ELECTRICAL CODE, AS A MINIMUM REQUIREMENT, AND IN COMPLIANCE WITH LOCAL WIRING CODES AS APPLICABLE.
WIRING MUST BE DONE BY A COMPETENT ELECTRICIAN. A LICENSED ELECTRICIAN IS RECOMMENDED AND MUST BE USED WHEN REQUIRED BY LOCAL OR STATE STATUTES.
Take note anytime this safety alert symbol appears. Your safety, and that of persons around you, is at stake.
The safety alert symbol will be accompanied by one of three signal words whose definitions are given as:
DANGER: Red and white.
Indicates an imminently hazardous situation that, if not avoided, will result in death or serious injury. This signal word is to be limited to the most extreme situations, typically for machine components that, for functional purposes, cannot be guarded.
WARNING: Orange and black.
Indicates a potentially hazardous situation that, if not avoided, could result in death or serious injury, and includes hazards that are exposed when guards are removed.
It may also be used to alert against unsafe practices.
CAUTION: Yellow and black.
Indicates a potentially hazardous situation that, if not avoided, may result in minor or moderate injury.
It may also be used to alert against unsafe practices.
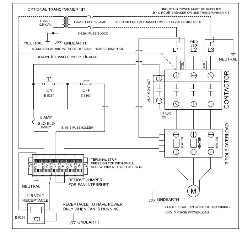
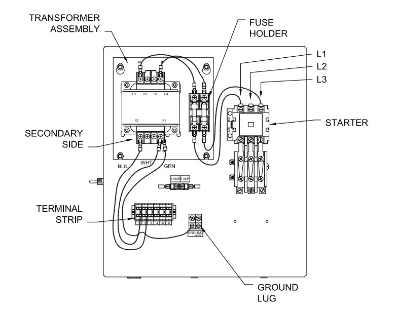
TRANSFORMER SET-UP
Before installing the transformer kit, make sure it is rated and set up for the proper voltage. Normal factory wiring is for 460V input.
It can be changed in the field for 230V input.
INSTALLING TRANSFORMER
DISCONNECT AND LOCK OUT POWER TO THE ENTIRE DRYING SYSTEM BEFORE OPENING THE MAIN COVER ON THE CONTROL BOX.
- Remove BLACK wire from Starter at L1 and Terminal 2 (two) on the Terminal Strip.
- Be sure wires are out of the way before mounting the transformer.

- Mount Transformer to C-Fan Control Box using (4) F-1011-01, 1/4-20 Nuts and (4) F-1534, 1/4 External Star Lockwashers provided with the kit, to hold the Transformer Assembly in place.
- Wire the BLACK wires from the bottom of the fuse holder.
– One goes to L1 and the other to L3. - Wire Secondary side of Transformer Assembly.
– WHITE wire goes to the Bottom of Terminal 1 (one) on the Terminal Strip.
– BLACK wire goes to the Bottom of Terminal 2 (two) on the Terminal Strip.
– GREEN wire goes to Ground Lug.

SHIVVERS INCORPORATED
614 W. English Street
Corydon, IA 50060
Ph. (641) 872-1005 ** Fax (641) 872-1593
www.shivvers.com





















