

K1G220-AF92-02 Blowers and Centrifugal Fans
Instruction Manual
Operating instructions
SAFETY REGULATIONS AND INFORMATION
Read these operating instructions carefully before starting work on the device. Observe the following warnings to prevent malfunctions or danger to persons.
These operating instructions are to be regarded as part of the device.
The device is only to be sold or passed on together with the operating instructions.
These operating instructions may be duplicated and distributed to inform about potential dangers and their prevention.
1.1 Hazard levels for warnings
These operating instructions use the following hazard levels to indicate potentially hazardous situations and important safety regulations:
DANGER
Indicates an imminently hazardous situation which will result in death or serious injury if the specified actions are not taken. Compliance with the instructions is imperative.
WARNING
Indicates a potentially hazardous situation which can result in death or serious injury if the specified actions are not taken. Exercise extreme caution while working.
CAUTION
Indicates a potentially hazardous situation which can result in minor or moderate injury or damage to property if the specified actions are not taken.
NOTE
A potentially harmful situation can occur and, if not avoided, can lead to property damage.
1.2 Staff qualifications
The device may only be transported, unpacked, installed, operated, maintained and otherwise used by suitably qualified, trained and authorized technical staff.
Only authorized specialists are permitted to install the device, to carry out a test run and to perform work on the electrical installation.
1.3 Basic safety rules
The safety hazards associated with the device must be assessed again following installation in the final product.
The locally applicable industrial safety regulations are always to be observed when working on the device.
Keep the workplace clean and tidy. Untidiness in the work area increases the risk of accidents.
Note the following when working on the device:
⇒ Do not perform any modifications, additions or conversions on the device without the approval of ebm-papst.
1.4 Voltage
⇒ Check the device’s electrical equipment at regular intervals; see Chapter 6.2 Safety inspection.
⇒ Replace loose connections and defective cables immediately.
DANGER
Electrically charged device
Risk of electric shock
→ When working on an electrically charged device, stand on a rubber mat.
WARNING
Live terminals and connections even with device switched off
Electric shock
→ Wait five minutes after disconnecting the voltage at all poles before opening the device.
CAUTION
In the event of a fault, the rotor and the impeller will be energized
The rotor and the impeller have basic insulation.
→ Do not touch the rotor and impeller once installed.
CAUTION
If control voltage or a stored speed set value is applied, the motor will restart automatically, e.g. after a power failure.
Risk of injury
→ Keep out of the device’s danger zone.
→ When working on the device, switch off the line voltage and ensure that it cannot be switched back on.
→ Wait until the device comes to a stop.
→ After working on the device, remove any tools or other objects from the device.
1.5 Safety and protective features
DANGER
Guard missing and guard not functioning
Without a guard, hands may become caught up in the device during operation for example, resulting in serious injury. Loose parts or items of clothing could be drawn in.
→ The device is a built-in component. As the owner, you are responsible for ensuring that the device is adequately safeguarded.# Operate the device only with a fixed protective device and guard grill.
→ Stop the device immediately if a protective device is found to be missing or ineffective.
1.6 Electromagnetic radiation
Interference from electromagnetic radiation is possible, e.g. in conjunction with open- and closed-loop control devices.
If impermissible radiation levels occur following installation, appropriate shielding measures have to be taken by the user.
NOTE
Electrical or electromagnetic interference after installing the device in customer equipment.
→ Verify that the entire setup is EMC-compliant.
1.7 Mechanical movement
DANGER
Rotating device
Risk of injury to body parts coming into contact with the rotor or the impeller.
→ Secure the device against accidental contact.
→ Before working on the system/machine, wait until all parts have come to a standstill.
WARNING
Rotating device
Long hair and dangling items of clothing, jewelry and the like can become entangled and be pulled into the device. Injuries can result.
→ Do not wear any loose-fitting or dangling clothing or jewelry while working on rotating parts.
→ Protect long hair with a cap.
1.8 Emissions
WARNING
Depending on the installation and operating conditions, the sound pressure level may exceed 70 dB(A).
Risk of noise-induced hearing loss
→ Take appropriate technical safety measures.
→ Protect operating personnel with appropriate safety equipment such as hearing protection.
→ Also observe the requirements of local agencies.
1.9 Hot surface
CAUTION
High temperature on electronics housing
Risk of burns
→ Ensure sufficient protection against accidental contact.
1.10 Transport
NOTE
Transporting the device
→ Transport the device in its original packaging only.
1.11 Storage
⇒ Store the device, partially or fully assembled, in a dry place, protected against the weather and free from vibration, in the original packaging in a clean environment.
⇒ Protect the device against environmental effects and dirt until final installation.
⇒ We recommend storing the device for no longer than one year in order to guarantee trouble-free operation and the longest possible service life.
⇒ Even devices explicitly intended for outdoor use are to be stored as described prior to commissioning.
⇒ Maintain the storage temperature, see Chapter 3.5 Transport and storage conditions.
INTENDED USE
The device is exclusively designed as a built-in device for conveying air according to its technical data.
Any other usage above and beyond this does not conform with the intended purpose and constitutes misuse of the device. Customer equipment must be capable of withstanding the mechanical and thermal stresses that can arise from this product. This applies for the entire service life of the equipment in which this product is installed.
Intended use also includes
- Use of the device in stationary systems only.
- Performance of all maintenance work.
- Conveying air at an ambient air pressure between 800 mbar and 1050 mbar.
- Using the device within the permitted ambient temperature range; see Chapter 3.5 Transport and storage conditions and Chapter 3.2 Nominal data.
- Operating the device with all protective devices.
- Following the operating instructions.
Improper use
In particular, operating the device in the following ways is prohibited and could be hazardous:
- Operating the device in an unbalanced state, e.g. due to dirt deposits or ice formation.
- Resonant operation, operation with severe vibration. This also includes vibration transmitted to the fan from the customer installation.
- Operation of the device in the camping area or similar applications.
- Operation in medical equipment with a life-sustaining or life-support function.
- Conveying solids in the flow medium.
- Painting the device
- Connections (e.g. screws) coming loose during operation.
- Conveying air that contains abrasive particles.
- Conveying highly corrosive air, e.g. salt spray. Exception: devices designed for salt spray and correspondingly protected.
- Conveying air with high dust content, e.g. suctioning off sawdust.
- Operating the device close to flammable materials or components.
- Operating the device in an explosive atmosphere.
- Using the device as a safety component or to perform safety-related functions.
- Operation with completely or partially disassembled or manipulated protective devices.
- In addition, all applications not listed among the intended uses.
TECHNICAL DATA
3.1 Product drawing

All dimensions in mm.
| 1 | Cable AWG20 |
| 3x splice |
3.2 Nominal data
| Motor | M1G055-BD | |
| M1G055-BD | 1~ | 1~ |
| Phase | 230 | 230 |
| Nominal voltage / VAC | 50/60 | 50/60 |
| Frequency / Hz | ml | |
| Method of obtaining data | 1600 | 1200 |
| Speed (rpm) / min-1 | 33 | |
| Power consumption / W Current draw / A | 0.25 | |
| Min. ambient | -30 | -30 |
| Max. ambient | 50 | 50 |
ml = Max. load · me = Max. efficiency · fa = Free air
cs = Customer specification · ce = Customer equipment
Subject to change
3.3 Technical description
| Weight | 1.4 kg |
| Size | 220 mm |
| Motor size | 55 |
| Rotor surface | Galvanized |
| Impeller material | PA plastic |
| Support bracket material | PA plastic |
| Inlet nozzle material | PA plastic |
| Number of blades | 11 |
| Direction of rotation | Clockwise, viewed toward rotor |
| Degree of protection | IP54 |
| Insulation class | “B” |
| Moisture (F) / Environmental (H) protection class | H1+ |
| Installation position | Any |
| Condensation drainage holes | On rotor side |
| Mode | S1 |
| Motor bearing | Ball bearing |
| Technical features | – Speed setting input (230 V) – ESM+ expandable with plug-in module – Soft start – Thermal overload protection for motor |
| Speed levels | 2 |
| Motor protection | Thermal overload protector (TOP) internally connected |
| Protection class | II |
| Conformity with standards | EN 60034-1; EN 60204-1; EN 60335-1; EN 60335-2-24; EN 60335-2-80; EN 60335-2-89; CE |
| Approval | UL 1004-3; EAC; VDE; CSA C22.2 No. 77 |
With regard to cyclic speed loads, note that the rotating parts of the device are designed for a maximum of one million load cycles. If you have special questions, consult ebm-papst for support.
; Use the device in accordance with its degree of protection.
Information on surface quality
The surfaces of the products conform to the generally applicable industrial standard. The surface quality may change during the production period.
This has no effect on strength, dimensional stability and dimensional accuracy.
The color pigments in the paints used perceptibly react to UV light over the course of time. The product is to be protected against UV radiation to prevent the formation of patches and fading. Changes in color are not a reason for complaint and are not covered by the warranty. UV radiation in the frequency range and the intensity of natural solar radiation has no effect on the technical properties of the products.
3.4 Mounting data
Any further mounting data required can be taken from the product drawing or Section Chapter 4.1 Mechanical connection.
Strength class of screws…………….. 8.8
For screw clearance, see Chapter 3.1 Product drawing
; Secure the screws against unintentional loosening (e.g. use selflocking screws).
3.5 Transport and storage conditions
| Max. permitted ambient temp. for motor (transport/storage) | +80 °C |
| Min. permitted ambient temp. for motor (transport/storage) | -40 °C |
3.6 Electromagnetic compatibility
| EMC immunity to interference | According to EN 61000-6-2 (industrial environment) |
| EMC circuit feedback | According to EN 61000-3-2/3 |
| EMC interference emission | According to EN 61000-6-3 (household environment) |
CONNECTION AND STARTUP
4.1 Mechanical connection
CAUTION
Risk of cutting and crushing when removing device from packaging
→ Carefully remove the device from the packaging by grasping hold of the frame. Never subject to any impact.
→ Wear safety shoes and cut-resistant safety gloves.
NOTE
Damage to the device from vibration
Bearing damage, shorter service life
→ The fan must not be subjected to force or excessive vibration from sections of the installation.
→ If the fan is connected to air ducts, the connection should be isolated from vibration, e.g. using compensators or similar elements.
→ Ensure stress-free attachment of the fan to the substructure.
→ The fan may not be handled in the area around the inlet nozzle during transport and installation.
There is a risk of damage to the impeller.
→ Check the device for transport damage. Damaged devices are not to be installed.
→ Install the undamaged device in accordance with your application.
CAUTION
Possible damage to the device
If the device slips during installation, serious damage can result.
→ Ensure that the device is securely positioned at its place of installation until all fastening screws have been tightened.
● The fan must not be strained on fastening.
4.2 Electrical connection
DANGER
Faulty insulation
Risk of fatal injury from electric shock
→ Use only cables that meet the specified installation regulations for voltage, current, insulation material, capacity, etc.
→ Route cables so that they cannot be touched by any rotating parts.
CAUTION
Voltage
The fan is a built-in component and has no disconnecting switch.
→ Only connect the fan to circuits that can be switched off with an all-pole disconnection switch.
→ When working on the fan, secure the system/machine in which the fan is installed so as to prevent it from being switched back on.
NOTE
Water ingress into wires or cables
Water ingress at the customer end of the cable can damage the device.
→ Make sure the end of the cable is connected in a dry environment.
Only connect the device to circuits that can be switched off with an all-pole disconnection switch.
4.2.1 Requirements
→Check whether the information on the nameplate matches the connection data.
→ Before connecting the device, make sure the power supply matches the device voltage.
→ Only use cables designed for the current level indicated on the nameplate.
For determining the cross-section, note the sizing criteria according to EN 61800-5-1.
The protective earth must have a cross-section equal to or greater than that of the phase conductor.
We recommend the use of 105 °C cables. Ensure that the minimum cable cross-section is at least AWG 26 / 0.13 mm².
4.2.2 Reactive currents
Because of the EMC filter integrated for compliance with EMC limits (interference emission and immunity to interference), reactive currents can be measured in the supply line even when the motor is at a standstill and the line voltage is switched on.
- The values are typically in the range < 50 mA
- At the same time, the effective power in this operating state (operational readiness) is typically < 2 W.
4.2.3 Locked-rotor protection
Due to the locked-rotor protection, the starting current (LRA) is equal to or less than the nominal current (FLA).
4.3 Routing of cables
It must not be possible for water to run along the cable towards the cable exit.
Fans installed lying flat
Make sure the cable is routed in a U-shaped loop.
Fans installed upright
NOTE
Cable routing is to be performed accordingly if use is made of the ESM plug-in module to connect the fan.
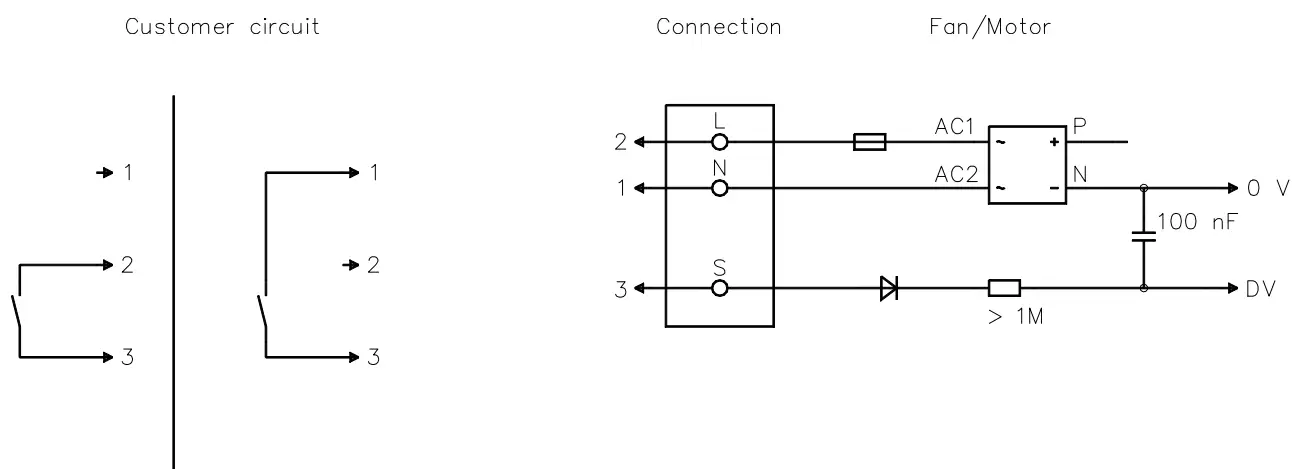
4.4 Connection diagram
Drawing preliminary!
| No. | Conn. | Designation | Color | Function/assignment |
| 1 | N | blue | Neutral conductor | |
| 2 | L | black | Power supply 230 VAC, 50-60 Hz, see nameplate for voltage range | |
| 3 | S | brown | Speed selection: switch open speed 1 (fast), switch closed speed 2 (slow) |
Translation of the original operating instructions
4.5 Checking connections
→ Ensure isolation from supply (all phases).
→ Make sure a restart is impossible
→ Check the cables for proper fit.
4.6 Switching on the device
The device may only be switched on if it has been installed properly and in accordance with its intended use, including the required safety mechanisms and professional electrical hookup. This also applies for devices which have already been equipped with plugs and terminals or similar connectors by the customer.
WARNING
Hot motor housing
Risk of fire
→ Ensure that no combustible or flammable materials are located close to the fan.
→ Before switching on, check the device for visible external damage and make sure the protective devices are functional.
→ Check the fan’s air flow paths for foreign matter and remove any foreign matter found.
→Apply the nominal supply voltage.
→ Start the device by changing the input signal.
NOTE
Damage to the device from vibration
Bearing damage, shorter service life
→ Low-vibration operation of the fan must be ensured over the entire speed control range.
→ Severe vibration can arise for instance from inexpert handling, transportation damage and resultant imbalance or be caused by component or structural resonance.
→ Speed ranges with excessively high vibration levels and possibly resonant frequencies must be determined in the course of fan commissioning.
→ Either run through the resonant range as quickly as possible with speed control or find another remedy.
→ Operation with excessively high vibration levels can lead to premature failure.
4.7 Switching off the device
→ Disconnect the device from the power supply at the supply line’s main switch.
INTEGRATED PROTECTIVE FEATURES
The integrated protective functions cause the motor to switch off automatically in the event of the faults described in the table.
| Fault | Safety feature description/function |
| Rotor position detection error | Safety feature description/function |
| Blocked rotor | After the blockage is removed, the motor restarts automatically. |
| Motor overload | After cooling off, the device restarts automatically. |
MAINTENANCE, MALFUNCTIONS, POSSIBLE CAUSES AND REMEDIES
Do not perform any repairs on your device. Send the device to ebmpapst for repair or replacement.
WARNING
Live terminals and connections even with device switched off
Electric shock
→ Wait five minutes after disconnecting the voltage at all poles before opening the device.
CAUTION
If control voltage or a stored speed set value is applied, the motor will restart automatically, e.g. after a power failure.
Risk of injury
→ Keep out of the device’s danger zone.
→ When working on the device, switch off the line voltage and ensure that it cannot be switched back on.
→ Wait until the device comes to a stop.
→ After working on the device, remove any tools or other objects from the device.
If the device is out of use for some time, e.g. when in storage, we recommend switching it on for at least two hours to allow any condensation to evaporate and to move the bearings.
Malfunction/fault
Possible cause Possible remedy Impeller not running smoothly Imbalance in rotating parts Clean the device; replace it if imbalance persists after cleaning. Make sure no weight clips are removed during cleaning. Motor not turning Mechanical blockage Switch off, isolate from supply and remove mechanical blockage. Line voltage faulty Check line voltage, restore power supply, apply control signal. Faulty connection Isolate from supply, correct connection; see connection diagram.
| Malfunction/fault | Possible cause | Possible remedy |
| Impeller not running smoothly | Imbalance in rotating parts | Clean the device; replace it if imbalance persists after cleaning. Make sure no weight clips are removed during cleaning. |
| Motor not turning | Mechanical blockage | Switch off, isolate from supply and remove mechanical blockage. |
| Line voltage faulty | Check line voltage, restore power supply, apply control signal. | |
| Faulty connection | Isolate from supply, correct connection; see connection diagram. |
| Motor/electronics overtemperature | Deficient cooling | Improve cooling. Let the device cool down. To reset the error message, switch off the line voltage for at least 25 s and then switch it on again. |
| Thermal overload protector activated | Allow motor to cool off, locate and rectify cause of error, release restart lockout if necessary | |
| Ambient temperature too high | Reduce the ambient temperature. Let the device cool down. | |
| Impermissible point of operation | Correct the operating point. Let the device cool down. |
In the event of further malfunctions, contact ebm-papst.
6.1 Cleaning
To ensure a long service life, check the fans regularly for proper operation and soiling. The frequency of checking is to be adapted accordingly depending on the degree of soiling.
DANGER
Risk of injury from rotating fan.
→ Only clean when not in motion. Do not disconnect the fan from the power supply, just switch it off via the control input.
This will prevent start-up of the fan.
→ Dirt deposits on the motor housing can cause overheating of the motor.
→Soiling of the impeller can cause vibration that will shorten the service life of the fan.
→Severe vibration can destroy the fan.
→ In such cases, switch off the fan immediately and clean it.
→ The preferred method of cleaning is dry cleaning, e.g. using compressed air.
→ Do not use aggressive cleaning agents!
NOTE
Damage to the device during cleaning
Malfunction possible
→ Do not clean the device using a water jet or high-pressure cleaner.
→ Do not use any acid, alkali or solvent-basedcleaning agents.
→ Do not use any pointed or sharp-edged objects for cleaning
→ Completely remove any cleaning agents used.
→ If severe corrosion is visible on load-bearing or rotating parts, switch off the device immediately and replace it.
→Repair of load-bearing or rotating parts is not permitted!
→ Operate the fan for 2 hours at maximum speed so that any water that has ingressed can evaporate.
→ If cleaning does not eliminate vibrations, the fan may need to be rebalanced. To have it rebalanced, contact ebm-papst.
→ The fan is equipped with maintenance-free ball bearings. The lifetime lubrication of the ball bearings is designed for a service life of 40,000 hours.
→ If bearing replacement is necessary after that period, contact ebmpapst.
→ Adapt the maintenance intervals to the actual level of dust exposure.
6.2 Safety inspection
NOTE
High-voltage test
The integrated EMC filter has Y capacitors. The tripping current is exceeded when AC testing voltage is applied.
→ Test the device with DC voltage when you perform the legally required high-voltage test. The voltage to be used corresponds to the peak value of the AC voltage required by the standard.
| What to check | How to check | How often | What action? |
| Contact protection cover for intactness or damage | Visual inspection | At least every 6 months | Repair or replacement of device |
| Device for damage to blades and housing | Visual inspection | At least every 6 months | Replacement of device |
| Fastening the cables | Visual inspection | At least every 6 months | Fasten |
| Insulation of cables for damage | Visual inspection | At least every 6 months | Replace cables |
| Impeller for wear/deposits/ corrosion and damage | Visual inspection | At least every 6 months | Clean impeller or replace device |
| Condensation drainage holes for clogging, where necessary | Visual inspection | At least every 6 months | Open holes |
| Abnormal bearing noise | acoustic | At least every 6 months | Replace device |
6.3 Disposal
For ebm-papst, environmental protection and resource preservation are top priority corporate goals.
ebm-papst operates an environmental management system which is certified in accordance with ISO 14001 and rigorously implemented around the world on the basis of German standards.
Right from the development stage, ecological design, technical safety and health protection are fixed criteria.
The following section contains recommendations for ecological disposal of the product and its components.
6.3.1 Country-specific legal requirements
NOTE
Country-specific legal requirements
Always observe the applicable country-specific legal regulations with regard to the disposal of products or waste occurring in the various phases of the life cycle. The corresponding disposal standards are also to be heeded.
6.3.2 Disassembly
Disassembly of the product must be performed or supervised by qualified personnel with the appropriate technical knowledge.
The product is to be disassembled into suitable components for disposal employing standard procedures for motors.
WARNING
Heavy parts of the product may drop off. Some of the product components are heavy. These components could drop off during disassembly.
This can result in fatal or serious injury and material damage.
→ Secure components before unfastening to stop them falling.
6.3.3 Component disposal
The products are mostly made of steel, copper, aluminum and plastic.
Metallic materials are generally considered to be fully recyclable.
Separate the components for recycling into the following categories:
- Steel and iron
- Aluminum
- Non-ferrous metal, e.g. motor windings
- Plastics, particularly with brominated flame retardants, in accordance with marking
- Insulating materials
- Cables and wires
- Electronic scrap, e.g. circuit boards
Only ferrite magnets and not rare earth magnets are used in external rotor motors from ebm-papst Mulfingen GmbH & Co. KG.
→ Ferrite magnets can be disposed of in the same way as normal iron and steel.
Electrical insulating materials on the product, in cables and wires are made of similar materials and are therefore to be treated in the same manner.
The materials concerned are as follows:
- Miscellaneous insulators used in the terminal box
- Power cables
- Cables for internal wiring
- Electrolytic capacitors
Dispose of electronic components employing the proper procedures for electronic scrap.
→ Please contact ebm-papst for any other questions on disposal.
ebm-papst Mulfingen GmbH & Co. KG
Bachmühle 2
D-74673 Mulfingen
Phone +49 (0) 7938 81-0
Fax +49 (0) 7938 81-110
[email protected]
www.ebmpapst.com
Item no. 50766-5-9970 · ENU
Change 234164
Approved 2021-07-14



















