elero Revio-868 P Built-in Radio Receiver

Device explanation

Safety instructions
STOP!
Observance of the operating instructions is the pre-requisite for disturbance-free operation and entitlement for claims related to defects.
- Therefore, first, read the operating instructions before you use the device!
- Ensure that the operating instructions are available to the user in legible form.
- The operator must ensure that the basic safety measures are observed and fulfilled.
- The operator must have completely read and understood the operating instructions.
CAUTION!
Observe the following safety instructions. Failure to observe them can lead to bodily injuries!
General
- Never install or use damaged products.
- Only use unmodified original elero parts
- If the device is opened without permission or used in an improper manner, or if it is incorrectly installed or operated, there is a risk of damage to persons and property.
- The device contains small parts which can be swallowed.
Installation
- All installation work must be carried out by an electrician.
- This electrician must be suitably qualified.
- Observe any country-specific conditions when installing the device.
- The device may only be used by persons who have read and understood the operating instructions.
Operation
- Use only in dry rooms.
- If one or more transmitters are used for controlling the system, its operating range must stay visible during operation.
- Keep children away from the controls.
Scope of supply
- Revio-868 P / Revio-915 P
- Operating instructions
General information
The Revio-868 P / Revio-915 P is a flush-mounted radio receiver. It is suitable for control of 230 V roller shutter, blind and Venetian blind motors. In addition, you can control all ProLine control units as well as control units from another manufacturer via the potential-free outputs.
Intended use
The radio receiver may only be used to control roller shutters, sun protection, and roller shutter systems, that are fitted with elero drives. Another use or use beyond this is not considered to be used for the intended purpose.
Exclusion of liability
elero GmbH shall not be liable for damage caused by:
- Other use than described above
- Changes to the device
- Improper use
Please see the technical data contained in these operating instructions. Third-party devices should only be connected after consultation with specialized trade.
Notes on Radio Operation
CAUTION!
Observe the following safety instructions on radio operation.
Only use radio systems if they are allowed and can be operated without interference
- Please note that radio systems must not be operated in areas with an increased risk of interference (e.g. hospitals, airports, …).
- Remote control is permitted only for devices and equipment for which a malfunction of the transmitter or receiver does not give rise to a hazard to persons, animals or objects or where this safety risk is covered by other safety equipment.
Installation/connection
Installation and connection
NOTE!
Before installation in the required assembly position, check that the transmitter and receiver are functioning properly. The flush-mounted socket has to be fixed so that the drill hole does not touch any electrical lines.
Connection
You can find the structure of a controller on elero.com in the download area under “Installation instructions and circuit diagrams”.
WARNING!
Danger of injury from electric shock.
- The connection must only be made by an authorized specialist!
- The device only offers protection against touch by the back of the hand, no protection against accidental contact.
- Do not kink, shorten or extend the aerial.
- Only operate the learning button P with insulated tools (4 KV voltage protection).
- If more than one drive is controlled using the Revio-868 P / Revio-915 P the drives must be decoupled with relay controls.
- Note the switching current of the device.
CONDITION!
Flush-mounted socket Ø 58 mm, 60 mm deep.
Connection
- Place the Revio-868 P / Revio-915 P in the socket.
- Connect the stripped cable ends without connector sleeves as follows:
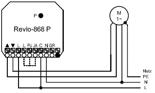
Drive connection

Connection of the ProLine controller

Connection of drive and control unit from another manufacturer

Optimal use of the radio signal
- Do not kink the aerial.
- Do not shorten or extend the aerial.
- If reception is poor, adjust the antenna. position
- Install the antenna so that it is as exposed as possible.
- Antenna is not to rest on metal.
- Using a number of receivers may cause interference.
NOTE!
Radio systems, which operate on the same frequency, can lead to the reception of interferences. Please note, that the range of the radio signal is limited by the government and the built environment.
Out ▲▼ Connection terminals
The outputs are intended for subsequent controls, but a drive can be connected as well if wired accordingly. The arrows on the device indicate the direction of travel.
Explanation
Venetian blind jumper between JA and L
If a wire jumper is used between L and coding terminal JA you can use the Revio-868 P / Revio-915 P to control a roller shutter system in stepping mode. If you press a travel key for longer than 3 seconds, however, the Revio-868 P / Revio-915 P goes into maintained mode.
Jumper between PU and L
The Revio-868 P / Revio-915 P can be used for precise setting of the lamellas with a roller shutter drive. This Revio-868-P / Revio-915 P is fitted with a pulse drive for this purpose. This means that the drive is triggered for the pulse period for each brief press of the button on the transmitter. This pulse time can be modified on the transmitter if a pulse period other than the standard pulse time is desired.
Group control jumper between GR and L
If a wire jumper is used between L and coding terminal GR you can use the Revio-868 P / Revio-915 P to control a group.
P button
A break in the power supply is simulated by pressing the P button (needed to program the transmitter).
Teaching in Transmitter/Channel
Initial operation
(Connection for a tubular or Venetian blind motor or ProLine or third-party control)
CONDITION!
The Revio-868 P / Revio-915 P is installed. (→ see chapter on the connection of RM/JA) The end positions must be set.
- When the power supply is restored or by pressing the P-button (at least 5 seconds) on the Revio-868 P / Revio-915 P, the device is ready to program for 5 minutes.
- Program the transmitter (→ see transmitter instructions).
Programming further transmitters
- see transmitter instructions
Programme positions
- see transmitter instructions
Approach positions
- see transmitter instructions
Deleting positions/deleting transmitters
- see transmitter instructions
Technical Data
| Rated voltage | 230 V – 240 V / 50 – 60 Hz |
| Switching current | 3 A |
| Protection type | IP20 |
| Permitted ambient temperature | 0 to +55 °C |
| Radiofrequency | 868 MHz/50 Hz |
| Mounting | Flush-mounted Ø 58 mm wall installation Surface-mounted in corresponding housing |
| Dimensions | L 50 x W 48 x H 27 mm |
| Maximum number of transmitters | 16 |
Disposal
Dispose of the transmitter according to the current electrical waste dispos-al regulations of the country concerned (e.g. suitable collection points).
Notes on Troubleshooting
| Fault | Cause | Remedy |
| Drive does not run | False connection | Check connection. |
| Drive operates in the wrong direction | Directions are incorrectly programmed. | Delete the transmitter and program correctly. |
| No radio reception | • Transmitter is not programmed • No mains voltage | • Programming the transmitter • Switch on the power supply. |
| Bad radio reception | Aerial or receiver in an unfavorable position. | Change the position of the receiver or aerial. |
EC Declaration of conformity
elero GmbH hereby declares that the radio system type Revio-868 P is in compliance with Directive 2014/53/EU. The complete text of the EU Declaration of Conformity is available at the following Internet address: www.elero.com/downloads-service/.
Address
elero GmbH
Antriebstechnik Maybachstr. 30 73278 Schlierbach Deutschland / Germany
Tel: +49 7021 9539-0
Fax: +49 7021 9539-212
[email protected]
www.elero.com.
Please visit our website if you require a contact outside Germany.















