FREESTANDING DUAL
FUEL RANGE
5015011
INSTALLATION GUIDE
SPECIFICATIONS, INSTALLATION, AND MORE
MODEL NUMBERS:
Customer Care
Thank you for purchasing a FORNO cooking range. Please read the entire instruction manual before operating your new appliance for the first time. Whether you are an occasional cook or an expert chef, it will be beneficial to familiarize yourself with the safety practices, features, operation and care recommendations of your cooking range.
Both the model and serial number are listed in the left corner of the door. Please find the rating label in the back of the range. For warranty purposes, you will also need the date of purchase. Record this information below for future reference.
SERVICE INFORMATION
Model Number:……………………………………………………… Use these numbers in any correspondence or service calls concerning your cooking range.
Serial Number:………………………………………………………..If you received a damaged cooking range, immediately contact the dealer (or builder) that sold you the cooking range.
Date of Purchase:…………………………………………………….
Purchase Address & Phone:……………………………………..Save time and money. Before you call for service, check the Troubleshooting Guide. It lists the causes of minor operating problems that you can correct yourself.
SERVICE IN CANADA:
Keep the instruction manual handy to answer your questions. If you don’t understand something or you need more assistance, please call our Customer Service: 1-800-561- 7265 Or email: [email protected]
SERVICE IN THE UNITED STATES:
Keep the instruction manual handy to answer your questions. If you don’t understand something or you need more assistance, please call our Customer Service: 1-866-231- 8893 Or email: [email protected]
If your cooking range ever requires servicing, be sure to use a FORNO Factory Certified Service provider recommended by our customer care center. All Factory Certified Service providers are carefully selected and thoroughly trained by us.
Please download the digital manual from website: www.forno.ca
Consumer information
Range Safety
Your safety and the safety of others are very important.
We have provided many important safety messages in this manual and on your appliance. Always read and obey all safety messages.
This is a safety alert symbol. It will alert you to potential personal or property safety hazards.
Obey all safety messages to avoid any property damage, personal injury or death.
WARNING
WARNING indicates a potentially hazardous situation which, if not avoided, could result in serious injury or death.
CAUTION
CAUTION indicates a moderate hazardous situation which, if not avoided, could result in minor or moderate injury. All safety messages will alert you what the potential hazard is, tell you how to reduce the chance of injury, and let you know what can happen if the instructions are not followed.
WARNING
If the information in this manual is not followed exactly, a fire or explosion may result, causing property damage, personal injury or death.
Do not store or use gasoline or other flammable vapors and liquids in the vicinity of this or any other appliance.
– WHAT TO DO IF YOU SMELL GAS
- Do not try to light any appliance.
- Do not touch any electrical switch.
- Do not use any phone in your building.
- Immediately call your gas supplier from a neighbor’s phone. Follow the gas supplier’s instructions.
- If you cannot reach your gas supplier, call the fire department.
Installation and service must be performed by a qualified installer, service agency or the gas supplier.
ANTI-TIP DEVICE
WARNING
Tip-over Hazard
A Child or adult can tip the range which can result in serious injuries or death.
Install the anti-tip device to the range and/or structure per installation instructions.
Engage the range to the Anti-tip device installed to the structure.
Re-engage the anti-tip device if the range is removed.
Failure to follow these instructions can result in death or serious injuries and/or burns to children and adults.
To reduce the risk of tipping the range, the range must be secured by properly installed anti-tip device packed with the range. See installation instructions shipped with the bracket for complete details before attempting to install.
All ranges can tip and cause injuries.
Make sure the anti-tip bracket is installed.
Slide range forward.
Make sure the anti-tip bracket is securely attached to the wall behind the range. ![]()
WARNING
This product can expose you to chemicals including carbon monoxide, which is known to the State of California to cause developmental harm.
For more information go to www.P65Warnings.ca.gov
The installation must conform with local codes or, in the absence of local codes, with the National Fuel Gas Code, ANSI Z223.1/NFPA 54 or, in Canada, the Natural Gas and Propane Installation Code, CSA B149.1.
WARNING
Never operate the top surface cooking section of the appliance unattended
Failure to follow this warning statement may result in fire, explosion or burn hazard that could cause property damage, personal injury or death.
If a fire should occur, keep away from the appliance and immediately call your fire department.
DO NOT ATTEND TO EXTINGUISH AN OIL/GREASE FIRE WITH WATER
IMPORTANT SAFETY INFORMATION
READ ALL INSTRUCTIONS BEFORE USING THE APPLIANCE
WARNING Read all safety instructions before using the product. Failure to follow these instructions may result in fire, electrical shock, serious injury or death.
GENERAL SAFETY INSTRUCTIONS
WARNING NEVER use this appliance as a space heater to heat or warm the room. Doing so may result in carbon monoxide poisoning and overheating of the oven.
- Use this range for its intended purpose as described in this instruction manual.
- Have your range installed and properly grounded by a qualified installer in accordance with the provided installation instructions.
- Any adjustment and service should be performed only by a qualified gas range installer or service technician. Do not attempt to repair or replace any part of your range unless it is specifically recommended in this manual.
- Your range is shipped from the factory set for use with natural gas or propane (LP) gas. It can be converted for use with either. If required, these adjustments must be made by a qualified technician in accordance with the installation instructions and local codes. The agency performing this work assumes responsibility for the conversion.
- Have the installer show you the location of the range gas shut-off valve and how to turn it off if necessary.
- Plug your range into a 120-volt grounded outlet only. Do not removed the round grounding prong from the plug. If in doubt about the grounding of the home electrical system, it is your responsibility and obligation to have an ungrounded outlet in accordance with the National Electrical Code. Do not use an extension code with this range. 7. Before performing any service, unplug the range or disconnect the power supply at the household distribution panel by removing the fuse or switching off the circuit breaker. 8. Be sure all packing materials are removed from the range before operating to prevent ignition of these materials.
- Avoid scratching or impacting glass displays. Doing so may lead to glass breakage. Do not cook on a product with broken glass. Shock, fire, or cuts may occur.
- Do not leave children alone or unattended in an area where an appliance is in use. They should never be allowed to climb, sit or stand on any part of the rang e.
CAUTION Do not store items of interest to children in cabinets above an oven-children who climb onto the oven to reach items could be seriously injured.- Never block the vents (air openings) of the range. They provide the air inlets and outlets that are necessary for the range to operate properly with correct combustion. Air openings are located at the rear of the cooktop, at the top and bottom of the oven door, and at the bottom of the range.
- Use only dry pot holders–moist or damp pot holders on hot surfaces may result in burns from steam. Do not let pot holders touch surface burners, burner grate, or oven heating element. Do not use a towel or other bulky fabrics in place of pot holders.
- Do not touch the heating elements or the interior surface of the oven. These surfaces may be hot enough to burn even though they are dark in color. During and after use, do not touch, or let clothing or other flammable materials contact any interior area of the oven; allow sufficient time for cooling first. Other surfaces of the appliance may become hot enough to cause burns. Potentially hot surfaces include the burners, grates, oven vent opening, surfaces near the opening, crevices around the oven door, metal trim parts above the door, any back guard, or high shelf surface.
- Do not heat unopened food containers. Pressure could build up and the container could burst, causing any injury.
WARNING Extremely Heavy.
Proper equipment and adequate manpower are needed when move the range to avoid personal injury or damage to the unit or the floor.
Failure to follow this advice may result in damage or personal injury.
WARNING DO NOT carry or lift the cooking range by the oven door handle or the control panel!
![]()
WARNING Never pour cold water to hot surfaces in a hot oven. The steam created could cause serious burns or scalding and the sudden change in temperature can damage the enamel in the oven.
WARNING Cook food thoroughly to help protect against foodborne illness. Minimum safe food temperature recommendations can be found at www.IsItDoneYet.gov and www.fsis.usda.gov. Use a food thermometer to take food temperatures and check several locations.
Do not allow anyone to climb, stand or hang on the oven door, drawer or cooktop. They could damage the range or tip it over causing severe injury or death.
Keep the ventilator hood and grease filter clean to maintain good venting and to avoid grease fires. Turn the ventilator OFF in case of a fire or when intentionally “flaming” liquor or other spirits on the cooktop. The blower if in operation, could spread the flames.
WARNING KEEP FLAMMABLE MATERIAL AWAY FROM THE RANGE
Failure to do so may result in fire or personal injury.
Do not store or use flammable materials in an oven or near the cooktop, including paper, plastic, pot holders, linens, wall coverings, curtains, drapes and gasoline or other flammable vapors and liquids.
Never wear loose-fitting or hanging garments while using the appliance. These garments may ignite if they contact hot surfaces causing severe burns.
Do not let cooking grease or other flammable materials accumulate in or near the range. Grease in the oven or on the cooktop may ignite.
WARNING IN THE EVENT OF A FIRE, TAKE THE FOLLOWING STEP TO PREVENT INJURY AND FIRE SPREADING.
Do not use water on grease fires. Never pick up a flaming pan. Turn the controls off. Smother a flaming pan on a surface unit by covering the pan completely with a well- fitting lid, cookie sheet or flat tray. Use a multi-purpose dry chemical or foam-type fire extinguisher.
If there is a fire in the oven during baking, smother the fire by closing the oven door and turning the oven off or by using a multi-purpose dry chemical or foam-type fire extinguisher. If there is a fire in the oven during self-clean, turn the oven off and wait for the fire to go out. Do not force the door open.
Introduction of fresh air at self-clean temperatures may lead to a burst of flame from the oven. Failure to follow this instruction may result in severe burns.
WARNIN GCOOKTOP SAFETY INSTRUCTIONS
Never leave the surface burners unattended at medium or high heat settings. Foods, especially oily foods, may ignite resulting in fire that could spread to surrounding cabinets.
Never leave oil unattended while frying. If allowed to heat beyond its smoking point, oil may ignite resulting in fire that may spread to surrounding cabinets. Use a deep fat thermometer whenever possible to monitor oil temperature.
To avoid oil spillover and fire, use the minimum amount of oil when frying in a shallow pan and avoid cooking frozen foods with excessive amounts of ice.
Use proper pan size and avoid pans that are unstable or easily tipped. Select cookware that matches the size of the burner. Burner flames should be adjusted so that they do not extend beyond the bottom of the pan. Excessive flames may be hazardous.
When using glass/ceramic cookware, make sure it is suitable for cooktop use; others may break because of a sudden change in temperature.
To minimize the possibility of burns, ignition of flammable materials and spillage, cookware handles should be turned toward the center of the range without extending over nearby burners.
Do not use a wok with a round metal support ring. The ring may trap heat and block air to the burner resulting in a carbon monoxide hazard.
Do not attempt to lift the cooktop. Doing so may damage the gas tubing to the surface burners resulting in a gas leak and risk of fire.
Do not use aluminum foil to cover the grills or line any part of the cooktop. Doing so may result in carbon monoxide poisoning, overheating of the cooktop surfaces, or a potential fire hazard.
WARNING OVEN SAFETY INSTRUCTIONS
NEVER cover any slots, holes, or passages in the oven bottom or cover an entire rack with materials such as aluminum foil or oven liners. Never place foil or oven liners on the oven bottom. They can heat causing risk of smoke or fire.
Stand away from the range when opening the oven door. Escaping hot air or steam can cause burns to hands, face and/or eyes.
Never place cooking utensils, pizza or baking stones, or any type of foil or liner on the oven floor.
These items can trap heat or melt, resulting in damage to the product and risk of shock, smoke or fire.
Place oven racks in desired location while oven is cool. If the rack must be moved while the oven is hot, be careful to avoid touching hot surfaces.
Do not leave items such as paper, cooking utensils, or food in the oven when not in use. Items stored in an oven can ignite.
Do not leave items on the cooktop near the oven vent. Items may overheat resulting in a risk of fire or burns.
Never broil with the door open. Open-door broiling is not advised due to overheating of control knobs.
Features of Your Range
![]()
![]()
Not all features are on all models.Appearance may vary.
| 1 | Oven Vents |
| 2 | Cooktop Burner Grills |
| 3 | Griddle (for FFSGS6187-48 only) |
| 4 | Magic Eyes |
| 5 | Control Panel |
| 6 | Oven Lights Switch |
| 7 | Rotisserie |
| 8 | Temperature Control Knob |
| 9 | Broil/Oven Control Knob |
| 10 | Kick Panel |
| 11 | Leveling System(Oven legs) |
| 12 | Wok Support |
Installation Instructions
Before using your range
- Remove all packaging material.
- Check to make sure you have all of the accessories listed below
| LPG injector | FFSGS6187-30 | 15 sets | |
| FFSGS6187-36 | 18 sets | ||
| FFSGS6187-48 | 24 sets | ||
| Anti-tip bracket and screws | 1 set | ||
| Burner Grills | FFSGS6187-36 | 3 pieces | |
| FFSGS6187-48 | 3 pieces | ||
| Burner Grills | FFSGS6187-48 | 1 piece | |
| Burner Grills (*for FFSGS6187-30 only) 2 pieces | |||
| Cook plate (Griddle) (*for FFSGS6187-48 only) 1 piece | |||
| Wok Support | 1 piece | ||
| Oven door handle (*2 pcs for FFSGS6187-48) 1 piece | |||
| Burner & Cap (20000BTU) | FFSGS6187-30 | 5 sets | |
| FFSGS6187-36 | 6 sets | ||
| FFSGS6187-48 | 8 sets | ||
| Baking rack (*6 pcs for FFSGS6187-48) | 3 pieces | ||
| rotisserie component | 1 piece | ||
| Regulator (pre-installed) | 1 set | ||
| Serial Number Sticker & Instruction Manual | 1 set | ||
| Cord plug (pre-installed) | 1 piece | ||
YOU NEED TOOLS FOR INSTALLATION. (not supplied with the range) 

Door handle installations
The door handle is not pre-installed. Follow the illustrations below to install the door handle quickly and easily.
- Remove the black rubber cap on the inside of oven door. (Do not throw it away).
- Insert the screwdriver to the hole to reach the embedded screw.
- Position the handle holder correctly to accept the screw bolt on the outside of oven door, tighten the screw.
- Repeat step No. 1 to 3 for the other side.
- Put the black rubber caps back to cover the two holes on the inside of oven door.
Cooktop Burner Grills Installation
Remove the packing materials from the cooktop burner grills. Place the burner grills to the correct position. Check the direction of middle grill on the right as illustrated, the thicker side should be towards the left.
Put the cook plate (for FFSGS6187-48 only) and the wok support to the burner(s) you like to cook. 
Oven rack rail installation
Installation
Hang the rack to the side rails and push in slowly
Disassemble
Lift the rack up and pull out slowly until free of the side rails.
Electrical
Your range must be electrically grounded in accordance with local codes or, in the absence of local codes, in accordance with the National Electrical Code (ANSI/NFPA 70, latest edition). In Canada, electrical grounding must be in accordance with the current CSA C22.1 Canadian Electrical Code Part 1 and/or local codes.
The power supply must be the correct polarity. Reverse polarity will result in continuous sparking of the electrodes, even after flame ignition. If there is any doubt as to whether the power supply has the correct polarity or grounded, have it checked by a qualified electrician.
Your range must be electrically grounded in accordance with local codes or, in the absence of local codes, in accordance with the National Electrical Code (ANSI/NFPA 70, latest edition). In Canada, electrical grounding must be in accordance with the current CSA C22.1 Canadian Electrical Code Part 1 and/or local codes.
The power supply must be the correct polarity. Reverse polarity will result in continuous sparking of the electrodes, even after flame ignition. If there is any doubt as to whether the power supply has the correct polarity or grounded, have it checked by a qualified electrician.
ELECTRICAL REQUIREMENTS
| Electrical Supply | |
| FFSGS6187-30 3600W | Grounded, 240 VAC, 60Hz |
| FFSGS6187-36 3600W | Grounded, 240 VAC, 60Hz |
| FFSGS6187-48 7025W | Grounded, 240 VAC, 60Hz |
| Service | 2/C 8AWG+2/C 10AWG |
| Receptacle | 4-prong grounding-type |
| PowerCord | 3.9′ (1.2m) |

WARNING
Electrical grounding Instructions: This range is equipped with a four-prong (grounding) plug for your protection against shock hazard and should be plugged directly into a properly grounded four-prong receptacle.
Do not cut or remove the grounding pin from the plug.
CAUTION Label all wires prior to disconnection when servicing controls. Wiring errors can cause improper and dangerous operation. Verify proper operation after servicing.
Grounding
The power cord is equipped with a four-prong (grounding) plug which mates with a standard four-prong grounding wall receptacle to minimize the possibility of electrical shock hazard from the range.
All cord connected appliance shall include instructions relative to location of the wall receptacle and a warning to the user to disconnect the electrical supply before serving the appliance.
Where a standard three-prong wall receptacle is encountered, it is the responsibility and obligation of the customer to have it replaced with a properly grounded four-prong wall receptacle. Do not cut or remove the grounding prong from the power cord.
ELECTRICAL SHOCK HAZARD Disconnect electrical power at the circuit breaker box or fuse box before installing the appliance. Provide appropriate ground for the appliance. Use copper conductors only. Failure to follow these instructions could result in serious injury or death.
Wire Connection:
- Connect the L1 receptacle terminal to the incoming RED electrical supply wire (L1-hot wire).
- Connect the L2 receptacle terminal to the incoming BLACK electrical supply wire (L2-hot wire).
- Connect the NEUTRAL receptacle terminal to the incoming NEUTRAL (WHITE) electrical supply wire.
- Connect the GROUND receptacle terminal to the incoming GROUND (GREEN) electrical supply wire.
This appliance is equipped at the factory with an electric supply cord set 4 wires type with ring terminals (L1, L2, N, Ground) suitable for range use UL/CSA listed type SRDT/DRT 2X8AWG (L1, L2) + 2X10AWG (N,G) rated 300V, 40A with fused plug type NEMA 14-50P; cable length 1.5m; in case the supply cord set must be replaced, it shall be replaced with an identical set having the same technical specs and following carefully the instructions and diagrams from the last 3 pages of this manual.
Gas Supply
Installation must comply with local codes or, in the absence of local codes, with the National Fuel Gas Code, ANSI Z223.1 / NFPA 54. In Canada, installation must conform to the current natural Gas Installation /code, CAN 1-1.1-M81 and with local codes where applicable.
This range has been design-certified according to ANSI Z21.1b-2012 latest edition.
| NATURAL GAS | WC |
| Supply Pressure | 5″ (12.5) |
| Minimum Supply Pressure | 6″ |
| Max Regulator Pressure | 14″ (34.9), 0.5 psi (3.5 kPa) |
| LP GAS | WC |
| Supply Pressure | 10″ (25) |
| Minimum Supply Pressure | 11″ |
| Max Regulator Pressure | 14″ (34.9), 0.5 psi (3.5 kPa) |
WARNING Do not obstruct the flow of combustion air into the range and ventilation air away from the range.
Ventilation: it is recommended that the unit be operated with an oven head, vented exhaust hood of sufficient size and capacity.
Electric Power Supply Requirements
Pressure Regulator
Since service pressure may fluctuate with local demand, every gas cooking range must be equipped with a pressure regulator on the incoming service line for safe and efficient operation. The pressure regulator shipped with the range has two female threads 1/2″ NPT or 3/4″ NPT. The regulator shall be installed properly in order to be accessible when the appliance is installed in its final position.
Pressure regulator can withstand a maximum input pressure of 0.5 psi (3.5 kPa), and is set at 5″ wc out let pressure.
Gas Shut-off Valve (not included)
The supply line must be equipped with an approved external gas shut-off valve located near the range in an accessible location. Do not block access to the shut-off valve. Refer to the illustration below.
A 3/4″ (19) ID gas supply line must be provided to the range. If local codes permit, a certified, 3′ (.9 m) long, 1/2″ (13) or 3/4″ (19) ID flexible metal appliance connector is recommended to connect the unit’s 1/2″ NPT female inlet to the gas supply line. Pipe joint compounds suitable foruse with natural or LP gas should be used.
The appliance and its shut-off valve must be disconnected from the gas supply piping system during any pressure testing of the system at test pressures in excess of 0.5 psi (3.5 kPa). The appliance must be isolated from the gas supply piping system by closing its individual manual shutoff valve during any pressure testing of the system at test pressures equal to or less than 0.5 psi (3.5 kPa).
Product Dimensions and Cabinets
This range may be installed directly adjacent to existing countertop-height cabinets (36″ or 91.5 cm from the floor). To achieve the best look, the cooktop should be level with the cabinet countertop. This can be accomplished by raising the unit using the adjustment spindles on the legs. 
| Opening width | W |
| 30″ Model | 30″ (762mm) |
| 36″ Model | 36″ (914mm) |
| 48″ Model | 48″ (1219mm) |
Exhaust Hood Installation
The bottom of the hood should be 30″ min. to 36″ above the countertop. This would typically result in the bottom of the hood being 66″ to 72″ above the floor. These dimensions provide safe and efficient operation of the hood.
After Installation:
- Check ignition of cooktop burners.
- Check the air shutter adjustment – sharp blue flame, with no yellow tipping or lifting flames.
- Check ignition of oven burner.
- Visually check tubular burner (oven burner) re-ignition to be sure both rows of burner ports are relighting each time.
- Check for gas leaks at all gas connections (using a gas detector, never a flame).
- Check oven bake and convection bake function.
Gas Conversion Operation
This cooking range can be used with LP gas and NG gas. It is shipped from the factory adjusted for use with NG(Nature Gas). Injector for LP gas are included. Follow the instruction shown below for gas conversion.
WARNING Gas conversion shall be conducted by a factory- trained professional. Call the customer service hotline to identify a factory-trained professional near your home.
WARNING Before carrying out this operation, disconnect the range from gas and electricity. Fail to do so, may result in fire, or electrical shock hazard can occur and result in injury or death. Do not remove regulator or allow it to turn during servicing.
The gas conversion procedure for this range includes 8 steps:
| 1. Pressure regulator | 4. Reconnect Gas and Electrical Supply |
| 2. Cooktop burners | 5. Installation of new rating label |
| 3. Gas valve |
The conversion is not completed if all 5 steps have not been concluded properly.
Before performing the gas conversion, locate the package containing the replacement nozzles shipped with every range.
STEP 1: Pressure Regulator
To access the gas regulator, pull the range away from the cabinet wall. The gas regulator is located at the bottom right corner of the range.
a. Unscrew the cap from the regulator. Do not remove the spring from the regulator.
b. Unscrew the insert from the cap and turn it over so the longer stem is facing the cap. Replace insert on the cap. Replace the cap on the regulator.
STEP 2: Cooktop Burners
a. Remove cooking grills and burner caps.
b. Lift off outer burner spreader and burner bases.
c. Remove the factory installed natural gas nozzles from the center of the nozzle holders using a 7mm socket wrench. Replace the LP injector in each nozzle holder. Tighten each injector properly. Do not to over tighten the injector. 
CAUTION Handle carefully when removing and replacing gas components. Use proper support to prevent damage to components.
IMPORTANT: Each injector has a number indicating its flow diameter printed on the body. Consult the table below for matching nozzles with cooktop burners.
IMPORTANT: Keep the injectors removed from the range for future use.
STEP 3: Gas Valve
a. Remove control knobs.
b. Using a flat screwdriver, adjust main burner bypass jets toward to 1/4 circle for LP until the flame is normal. 
STEP 4: Reconnect Gas and Electrical Supply
Leak testing of the range shall be conducted according to the installation instructions provided with the range.
Before operating the range after the gas conversion, always check for leaks with a soapy water solution or other acceptable method in at gas connections installed between the gas inlet pipe of the range, gas regulator, and the manual shut-off valve. 
WARNING DO NOT use a flame to check for gas leakage.
STEP 5: Installation of New Rating Label
Record the model and serial number on the LP / Propane conversion label provided in this kit.
The information can be obtained from the existing Rating / Serial label. Place the LPG conversion label as close as possible to the existing Rating / Serial label on the range.
Preparation
Before moving the range, protect any finished flooring and secure oven door(s) closed to prevent damage. The oven door(s) can be removed to lighten the load or to fit the unit through a doorway. Only remove if necessary. Do not remove the griddle or any other component. Door removal should only be done by a certified installer or service technician.
Placement
Do not lift or carry the oven door by the door handle. Use an appliance dolly to move the range near the opening. Remove and recycle packing materials. Do not discard the anti-tip bracket supplied with the range.
Leveling
Raise the range to the desired height by adjusting the legs. The legs can be adjusted by rotating the clockwise to raise and counter clockwise to lower.
Anti-Tip Bracket
To prevent the range from tipping forward, the anti-tip bracket must be installed. Refer to the section of ANTI-TIP DEVICE.
Gas Supply Connection
All connections to the gas piping must be wrench-tightened. Do not overtighten or allow pipes to turn when tightening.
When all connections have been made, check that all range controls are in the “OFF” position and turn on the main gas supply valve.
If a flexible metal connector is being used, verify it is not kinked, then attach the gas supply line to the regulator on the range. Open the valve and check for leaks by placing a liquid detergent solution onto all gas connections.
Bubbles around connections indicate a gas leak. If a leak appears, close the shut-off valve and adjust connections.
Leak testing of the appliance shall be conducted according to the manufacture’s instructions. Usesome soap water (50% water and 50% soap) or a leak detector at all joints and connections to check for leaks in the system.
Do not use a flame to check for gas leaks.
The appliance must be isolated from the building’s gas supply piping system by closing its individual manual shut-off valve during any pressure testing of the gas supply piping system at test pressure equal to or less than 0.5 psi (3.5kPa).
DO NOT Forget Before Getting Started
- Remove the exterior and interior packing.
- Clean the range thoroughly with hot water and a mild detergent. Rinse and dry with a soft cloth to remove any residual oil and grease left over from the manufacturing process.
- Check that surface burner components are assembled correctly.
- Furnish the interior of the oven by inserting the shelves and tray.
- The range mounted on its legs.
- Have the anti-tip device been properly installed.
- Ground the electricity properly.
- Connect the gas service line following the directions of the manufacturer.
- Check the gas connection for leaks.
- Make sure the range been set for the type of gas available in the household.
- Make sure the flame appear sharp blue, with no yellow tipping, shooting or flame lifting.
- Adjust the minimum setting for all burners.
Cooktop Operation
The burner assembly contains all accessories in one set. The burner cap must be seated on the burner horizontally. Refer to the illustration. 
Ignition
To light up the cooktop burners, push and turn the appropriate control knob counter clockwise to “Hi” position. You will hear a clicking noise –the sound of ignition pin sparking.
Once burner ignition has been achieved, turn the burner control knob to adjust to desired flame intensity.
Heat Settings:
| Hi | Ignites the burners. |
| Simmer | Melting small quantities, steaming rice, warming food, melting chocolate or butter. |
| Low | Melting large quantities. |
| Low-Medium | Low-temperature frying, simmering large quantities, heating milk, cream sauces, gravies. |
| Medium | Sauting and browning, braising, pan-frying, maintaining slow boil on large quantities. |
| Medium-Hi | High-temperature frying, pan boiling, maintaining slow boil on large quantities. |
| Hi | Boiling liquid quickly, deep frying. |
CAUTION Never leave pans on a high setting unattended. Be careful when cooking food in fat or grease; it can become hot enough to ignite.
Simmer and Boil
A smaller flame will give the best results when simmering. Small flames offer precise cooking performance for delicate foods, keeping food warm, melting chocolate or butter, and for cooking over low heat for long period of time.
The highest (larger) flame settings provide the maximum heat that is available on your range. This setting should be used for heavy cooking jobs such as boiling water and cooking pasts.
Flame Intensity
- When you adjust the flame intensity, watch the flame when you turn the knob.
- Any flame engulf the cookware is wasted.
- The flame should stay steady and blue in color. Impurity in the gas supply may cause an orange flame during initial operation.
Power Failure
- If the gas does not ignite within four seconds, turn off the valve and allow at least five minutes for any gas to dissipate. Repeat the lighting procedure.
- In the event of a power failure, the surface burners can be lighted manually. Hold a lighted match near a burner and turn the knob counter-clockwise to “HI”. After burner lights, turn knob to the desired setting.
Burner Grills
- The grills must be properly positioned before cooking. Improper installation of the grills may result in scratching of the cooktop and / or poor combustion.
- Do not operate the burners without a pan or utensil on the grills. Griddle Operation (Only available on the 48” range)
Before Using the Griddle
- Clean the griddle thoroughly with warm, soapy water to remove dust or any protective coating.
- Rinse with clean water and wipe off to dry with soft, clean, lint-free towel/cloth.

Use of the Cook plate (Griddle)
- Place the griddle to the position you need to cook.
- Preheat the griddle for 10-12 minutes.
- Butter or cooking oil can be added for more flavor, then place the food to cook.
CAUTION The surface of griddle and grills are hot after use. Please allow sufficient time for the griddle to cool before cleaning.
Cooktop Cleaning Tips
- To prevent the cooktop from discoloring or staining, clean cooktop after each use, and wipe upacidic or sugary spills as soon as the cooktop has cooled.
- The sealed burners of your range are not secured to the cooktop and are designed to beremoved. Boil overs or spills will not seep underneath the cooktop. The burners should be cleaned after each use.
Oven Light ![]()
The oven light is controlled by a push switch on the control panel.
The light can be used while cooking or cleaning the oven.
WARNING Check that power is disconnected from the electrical box before replacing the light bulb. Allow the oven to cool completely, then disassemble the light cover and remove the light bulb by unscrewing it from the socket. Replace with a 40-watt halogen bulb.
Magic eyes ![]()
The red Magic Eyes will turn on automatic when the room becomes dark.
Oven Roasting ![]()
Use the screws on the rotisserie rod to adjust the distance between the forks.
Insert the smooth side of the rotisserie rod into the rotisserie motor on the right side.
Hang the side with sink limit of the rotisserie rod to the hook on the left side.
Some ranges are equipped with an automatic rotisserie for roasting.
The rotisserie feature allows for an even cooking and all-over browning of the meat while preventing the meat from cooking in its rendered grease. The rotisserie will turn the meat allowing it to baste itself while roasting.
Be sure that you have received the rotisserie accessories included with your unit.
(1) Rotisserie Spit – Rod
(2) Rotisserie Forks
Always use the broiling pan when using the rotisserie to catch the rendered grease and allow for easy access to the meat when putting in and removing the rotisserie spit – rod.
To use the rotisserie, preheat the oven to the desired temperature. Secure the meat to be cooked onto spit-rod using the rotisserie forks.
Insert the rotisserie spit-rod into the rotating assembly and select the desired rotisserie function (light on or light off).
Oven Baking Operation 
Oven Baking Tips
- Never cover any slots, holes or passages in the oven bottom or cover an entire rack with materials such as aluminum foil. The aluminum foil lining may also trap heat, causing a fire hazard. Do not use aluminum foil on any porcelain surface. Doing so will damage the porcelain and affect its durability.
- Position the racks before preheating the oven.
- Reduce the oven temperature 57.2˚F (14˚C)when cooking in heat-proof glass or glass ceramic dishes.
WARNING This range is designed for closed door cooking only. Always cook with the door closed.
ELECTRIC OVEN FUNCTIONS
Various oven functions allow the user to operate flexibly to achieve different cooking result. 
CONV. HIGH BAKE
Two heat two elements and fan working together under this function – top and bottom, for faster heat-up and shorter cooking times at lower temperatures. Better cooking results can be achieved with hot air circulating around the oven cavity evenly. Ideal for baking or cooking on up to 3 levels. Temperature setting from 250°F to MAX.
CONV BAKE
Bottom heat element and fan working together under this function. Heat is distributed around the oven to allow getting extra bake at the bottom of pastries. Temperature setting from 250°F to MAX. Professional Range Oven Cooking quick-start Guide ! Conv. Bake Function provides a more uniform heat result than a conventional oven (seal) quickly. Pre-heating is not necessary. This setting is ideal for batch baking or a complete meal. It is highly recommended for any cooking style, or for pre-heating.
CONV BROIL
Two strong heat elements at the top and fan working under this function. Spreading heat evenly around the oven, allowing faster and better cooking results. To be used for roasting larger joints of meat or poultry on one level. Suitable for browning. Work with temperature setting at Maximum for broiling.
BROIL
Two strong heat elements at the top working under this function. It provides direct radiant heat onto the food. To be used for broiling large quantities of food and cook faster than the normal baking function. Temperature setting at Maximum.
LOW BAKE
Heat elements at the bottom working under this function. Bake on one level. Suitable for cakes, muffins, pizzas, and delicate egg dishes. Temperature setting from 250°F to MAX.
Oven Temperature-control& Cooking times
The numbers on the control panel around the temperature control knob indicate the available oven temperature setting value (°F).
Turn the temperature control knob to select desired setting.
Cooking time will be various according to different kinds of food and quantity. With the cooking guide, it is highly recommended to watch on the entire steps carefully and study the suitable time for getting good cooking result before you get familiar.
Oven Cleaning Tips
- After each use, and once cooled, clean splatters and spills immediately.
- Do not allow foods with a high sugar or acid content to remain on the oven cavity surface.
- Use an oven cleaner to clean the oven cavity.
Care and Maintenance Recommendations
| Stainless steel | Use non-abrasive stainless steel cleaner, apply small amount to a soft cloth, slightly wipe the stainless steel surface, then towel dry. When wiping on the stainless steel surface, always follow the grain of the metal. |
| Burner grills Oven rack guides | Clean with hot water and mild detergent or mixture of baking soda and water. Do not immerse in water. Towel dry. |
| Burner pan | Remove surface debris before cleaning to help speed up the cleaning process and decrease the chance of scratching the surface during cleaning. Using mild abrasive cleaners or spray degreasers, clean and rinse the surface and dry immediately to avoid streaking. To clean hard water stains, use white vinegar and water. Rinse and dry immediately. |
| Cooktop burners | After cool down, use mild detergent or spray degreaser to clean. Rinse with water and towel dry. |
| Control knobs | Using a damp cloth, wipe with a mild detergent or spray degreaser; rinse and dry. Do not put in dishwasher for cleaning. |
| Oven interior | Use mild abrasive cleaners, spray degreasers. Use a razor blade to gently remove baked on foods from oven cavity and window. For stubborn stains, spray with a mild abrasive cleaner or spray degreaser. Clean the entire oven cavity with soap and water. |
| Broil pan | To clean the upper rack, use mild detergent and a scouring pad. Rinse and dry. To clean the bottom pan, discard grease and wash with hot water and mild detergent. Rinse and dry. The stainless steel rack is dishwasher safe. Do not place the porcelain-coated rack or pan in dishwasher for cleaning. |
| Oven light | To replace the oven light bulb, unscrew the light cover inside the oven, replace the light with a 25-watt halogen bulb. |
Troubleshooting Tips
Before you call for service
| Range does not operate | Check that power is on. Check that electrical power to range and home circuit breaker is on. |
| Burners Do Not Light Or Spark Randomly | Electrical plug is not plugged into a live power outlet. Gas supply not turned on. Burner parts not replaced correctly. Holes in the simmer rings or slits in the burner rings are clogged. Clogged nozzles, or wet burners or electrodes. A fuse in your home may be blown or circuit breaker tripped. |
| Burners Have Yellow Or Yellow-Tipped Flames | Burner parts not replaced correctly. A. Yellow flames: Call for service. B. Yellow tips on outer cones: Normal for propane (LP) gas. C. Soft blue flames: Normal for natural gas. If burner flames Normal burner flames should look like |
| Burner Flames Very Large Or Yellow | The range may be connected to the wrong fuel type. Contact the person who installed your range or made the conversion. |
| Burner Flames Contain Orange Flickers | Airborne dust: cool-mist humidifier: debris on or inside burner. |
| Oven Lights Do Not Work | The light bulb is defective. Unscrew the light cover inside the oven. replace the light with a 25-watt halogen bulb. |
| Oven Racks Are Hard To Slide | Do not spray with a cooking spray or other lubricant sprays. Remove all the packaging materials before use |
| Food Does Not Bake Properly | The oven controls are improperly set. Make sure the oven temperature has been set properly. Oven is not preheated for sufficient time. Incorrect cookware or cookware of improper size being used. Baking racks in the wrong position. Use a foil tent to slow down scorching during roasting. |
| Food Does Not Broil Properly | The oven control knob is not set at BROIL position. Temperature control knob is not set at MAX position: Heating indicator will light intermittently. Improper baking rack position. This model is designed for closed door broiling only. Close the door. Always broil with the door closed. Cookware is not suited for broiling. Use the broiling pan and rack that carne with your oven. |
| Oven Temperature Too Hot Or Too Cold | Need to adjust temperature setting. Refer to Oven Temperature-control section. |
| Steam From The Vent | When using the convection mode. it is normal that steam is coming out from oven vent. As the amount of food being cooked increases. the amount of visible steam will be increased. |
| Burning Or Oily Odor Emitting From The Vent | This is normal in a new oven and will disappear in some time. |
| Strong Odor | This is temporary. An odour caused by the insulation around the inside of the oven is normal for the first few times of use. |
| Convection Fan Not On All The Time | This is normal. The convection fan will be on automatically when the oven is too hot and off when the oven temperature is back to normal. |
| Condensation Or Fogging On The Inside of the Door Glass | Condensation or fogging on the inside of the oven door glass is normal during the preheating of the oven and will evaporate usually by the end of the preheating cycle. |
| Cracking Or Popping Sound During Cleaning | This is normal sound of metal expansion and contraction because of heating and cooling. |
| Excessive Smoking Occurs During Cleaning | The oven is heavily soiled. Turn the Oven Function Knob and the Temperature knob to OFF. Open the windows to exhaust the smoke. Wipe up excess soil and do the cleaning again. |
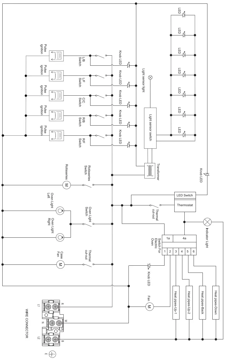
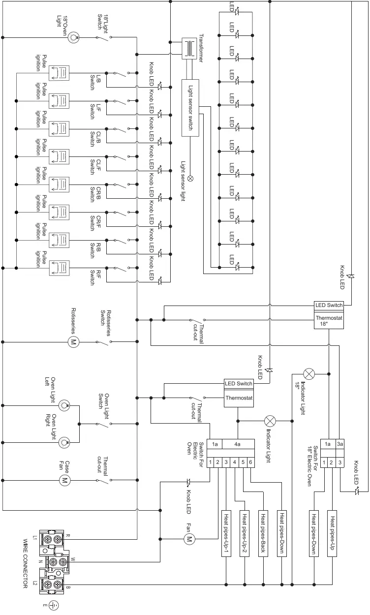
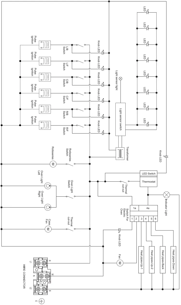
Wire Diagram
FFSGS6187- 30
Caution: Label all wires prior to disconnection when servicing controls. Wiring errors can cause improper and dangerous operation. Verify proper operation after servicing.
FFSGS6187-36
Caution: Label all wires prior to disconnection when servicing controls. Wiring errors can cause improper and dangerous operation. Verify proper operation after servicing.
FFSGS6187-48
Caution: Label all wires prior to disconnection when servicing controls. Wiring errors can cause improper and dangerous operation. Verify proper operation after setvldng. 



















