Operating manual
Liquid Handling Station
Imprint
BRAND GMBH + CO KG
Otto-Schott-Str. 25
97877 Wertheim (Germany)
T +49 9342 808 0
F +49 9342 808 98000
[email protected]
www.brand.de
Do you need more operating manuals and translations?
Please refer to http://www.brand.de/om or use the following Quick Response Code:
The original operating manual is in German. Other languages are a translation of the original operating manual.
Subject to technical changes, errors, and misprints.

Devices and components
1.1 Scope of supply
Scope of supply for Liquid Handling Station
The scope of supply includes:
- BRAND Liquid Handling Station
- Motor control unit
- Operating software
- Operating manual
- Power cable
- USB cable
- Documentation and on-site training
Scope of supply for Liquid Handling Station flow
The scope of supply includes:
- BRAND Liquid Handling Station flow
- Protective screen for inserting in the Liquid Handling Station flow
- Motor control unit
- Operating software
- Operating manual
- 2 x power cable
- 2 x USB cable
- 24 V DC universal power adapter for FlowBox
- Documentation and on-site training
1.2 Safety
1.2.1 Intended use
1.2.1.1 Liquid Handling Station
The BRAND Liquid Handling Station is a pipetting robot for use in routine laboratories with small and medium sample throughput in research, development, and production, especially in fields of application like PCR, qPCR, ELISA, enzyme tests, etc. The device is typically used to pipette aqueous media such as buffer solutions (phosphate buffer, Tris/HCl buffer, etc.), protein solutions (BSA solutions, enzyme solutions, PCR master mixes), and aqueous media and samples.
The device is used for the automatic, precise transfer of liquids. For the liquid transfer, autoclavable 1-channel and 8-channel pipetting modules (Liquid Ends) are available that must be changed manually. 7 SLAS work stations (P2-P8) can be freely equipped on the work table. An additional predefined work station (P1) must be assigned with the waste container.
1.2.1.2 Liquid Handling Station flow
DANGER
Use of harmful substances, infectious liquids or flammable media
When working with the FlowBox, a continuous stream of air is blown out of the pipetting robot into the environment. This air may contain harmful or infectious aerosols.
- The FlowBox may not be switched on if you work with biohazardous, radioactive, toxic or otherwise hazardous substances!
- Do not use any media in the work area and in the area around the FlowBox that may generate strong heat in a reaction or form a potentially explosive atmosphere. Examples: Acid-base reactions, carbon disulfide.
- The device must be disinfected prior to using the FlowBox according to the instructions in the chapter Maintenance/Cleaning. If you have any questions, please contact the manufacturer and/or you safety officer.
NOTICE
Turbulence
In order to reduce turbulence, open the front door slowly and as rarely as possible. Also, the protective screen must be inserted.
NOTICE
Regularly exchanging the HEPA filter The HPA filter of the FlowBox gets dirty with time. It is therefore recommended to have the filter changed by a service employee at least once per year. The BRAND Liquid Handling Station flow is a pipetting robot with a permanently installed filter unit, the socalled FlowBox, which purifies the air in the work area of the Liquid Handling Station flow. For this purpose, ambient air is aspirated, filtered, and blown outwards in a laminar flow from back to front across the work table through small openings in the front door. Particles that entered the work area of the Liquid Handling Station flow before switching on the FlowBox are flushed out of the work area through the air stream and the openings in the front door. The filter of the FlowBox is therefore used to reduce the number of particles in the work area. If the front door of the operationally ready pipetting robot is opened, the fan speed and thus the air stream directed outwards from the FlowBox are increased in order to reduce the risk of sample contamination.
1.2.1.3 Usage limits and restrictions
| Limits | Limit |
| Operating temperature | + 15 … + 35 °C (device and reagents) |
| Vapor pressure | 500 mbar |
| Viscosity | 260 mPa s |
The viscosity of liquids as well as wetting liquids compromise the accuracy, as do liquids whose temperature deviates from room temperature by more than +/- 5 °C.
NOTICE
Risk of corrosion
The device can be damaged by media.
- Do not use the device to pipette liquids that attack polypropylene, PMMA (side and front panel), POM or aluminum (labware adapters).
- Avoid aggressive vapors.
- Avoid strongly acidic or alkaline solutions.
Protect the device from the penetration of liquids. Do not place any vessels containing liquids on or next to the device.
This device can be used in combination with hazardous materials, work processes and equipment. However, the operating manual cannot cover all of the safety issues that may occur in doing so. It is the user’s responsibility to ensure compliance with the safety and health regulations and to specify the corresponding restrictions before use.
In case of doubt, contact the manufacturer.
The safety instructions listed in the following chapter must be strictly observed. Claims of any type are excluded for damage resulting from improper use.
1.2.2 Safety instructions
1.2.2.1 Danger from electric current
DANGER
Danger to life from electrical voltage
Life-threatening electrical voltages are generated within the device. Touching live parts poses a danger to life due to electric shock.
- Commissioning may only be carried out if the device has been properly installed / repaired.
- In case of danger, immediately disconnect the device from the mains voltage; to do this, pull the plug or disconnect the cable.
- Ensure at all times that the housing and the covers are intact and closed.
- Only connect the device to sockets with a protective contact.
- Before connecting the device, check whether the mains voltage agrees with the admissible operating voltage. An incorrect mains voltage may result in the destruction of the device.
- Before switching on the device, ensure that the power cable and connections are undamaged.
- The covers of the device may only be removed by qualified persons who are authorized to do so by the manufacturer! Prior to disassembly, switch off the device and pull out the power plug.
- Keep humidity away from live parts in order to prevent short circuits.
1.2.2.2 Personnel requirements
WARNING
Personnel qualification
Unqualified personnel are prohibited from working with the device.
- The device may only be operated by qualified persons, i.e. only by qualified users trained by the manufacturer or specialist dealer.
- In order to prevent injury and material damage, keep unauthorized persons away from the work area of the device.
- Each user must have read the operating manual carefully prior to using the device.
CAUTION
Repairs and Service
All repairs and service work may only be carried out by skilled and qualified personnel.
- Repairs and service work may only be performed only by qualified personnel who are authorized by the manufacturer.
- Use only original spare parts.
- Do not make any technical modifications to the device.
1.2.2.3 Danger due to failure to comply with the intended purpose and improper use
WARNING
Observance of usage limits
Do not use the device beyond its intended use.
- The device may only be used for its intended purpose. Explosive and flammable sub- stances may not be used.
- The manufacturer assumes no liability for personal injury or material damage resulting from the non-observance of the intended purpose.
- Contact the manufacturer in case of doubt.
WARNING
Improper handling
- Handle the device according to the safety instructions and operating instructions.
- Never use force.
- Improper handling (short circuit, mechanical destruction, overheating, etc.) may potentially result in a fire or the explosion of the device.
- No liability is assumed for damage resulting for improper handling.
1.2.2.4 Locally applicable safety regulations
WARNING
Compliance with locally applicable regulations
In addition to the safety regulations for using the device, the locally applicable regulations must be complied with.
- This applies especially for occupational safety and accident prevention (e.g. protective clothing, safety gloves, and eye protection) and hygiene regulations.
- Furthermore, the regulations of your laboratory for the handling of the substances used are also authoritative.
1.2.2.5 Danger from harmful substances or infectious media
DANGER
Use of harmful substances or infectious liquids
When handling infectious aqueous solutions, the national regulations and the bio safety level of the laboratory must be considered. The Liquid Handling Station can be used for handling germs and biological material of risk class I. Germs and biological material of higher risk classes may not be used.
- The operator bears responsibility for the selection of the media used and their safe handling.
- This especially applies to radioactive, infectious, toxic, aggressive, flammable, and otherwise hazardous substances.
- When working with infectious or hazardous samples, the standard laboratory rules and precautions must be adhered to.
- Observe the material safety data sheets and application notes of the manufacturer.
- Dispose of the content of the waste container according to the applicable regulations.
Particular caution must be exercised with flammable and infectious liquids. - If the device was contaminated by hazardous substances, it must be cleaned and decontaminated.
- No potentially toxic or harmful gases or substances are released by the device itself.
1.2.2.6 Explosion hazard
DANGER
Explosion hazard
In order to prevent the risk of an explosion, comply with the following measures:
- Do not operate the device in potentially explosive atmospheres.
- Do not use explosive or strongly reactive substances with the device.
- Do not store explosive substances in the vicinity of the device.
- Do not use flammable liquids and especially carbon disulfide!
1.2.2.7 Danger from crushing
CAUTION
Crushing hazard – Keep fingers and hands safe!
It is only permitted to reach into the work area once the device has gone into a standstill!
- If the front door is opened during a program, the operation is interrupted once the current work step has been completed.
- Wait until the device is stationary before you reach into the work area!
1.2.2.8 Danger from hot surfaces
CAUTION
Risk of burns – Keep fingers and hands safe!
- Allow the Teleshake 95 heat and shake unit to cool before you work with it.
- The Teleshake 95 may still be hot after switching off the device.
1.2.2.9 Visual check before beginning work
CAUTION
Insufficient inspection before beginning work
Before beginning work, make sure that the device is in proper condition.
- If there should be any recognizable damage that threatens safe operation, do not work with the device and arrange for a repair immediately.
- If the device is contaminated by liquids or dirt, remove these contaminants.
1.2.2.10 Malfunctions
CAUTION
Handling malfunctions
If malfunctions occur during the work process, act immediately.
- Follow the instructions on the screen.
- If the program does not provide any error messages or instructions, stop the process by pressing the on/off switch. Contact the manufacturer in case of doubt.
- An “emergency stop” can be effected by pulling the power plug. Please note that data may be lost in this case.
1.2.3 Transport and storage
WARNING
Risk of injury and material damage during transport
- At least two people must lift or carry the device.
- When carrying the device, only take hold of the sides of the device from below.
- Only transport the device upright without tipping it.
Prior to transport, remove all loose parts (adapters, vessels, labware, etc.). Do not leave any dangerous substances in the device. If necessary, clean and decontaminate the device prior to transport.
Ambient conditions for transport and storage:
| Limits | Limit |
| Temperature range | – 20 … + 65 °C |
| Humidity | max. 95 % |
For optimal protection, the device is transported in a special packaging. To preserve this protection during storage, only remove the packaging shortly before installation.
NOTICE
Transport only in original packaging
Always use the original packaging for transport! For this reason, please refrain from damaging the packaging or throwing it away and proceed according to the included instructions when unpacking and packing.
1.3 Liquid Handling Station and accessories
1.3.1 Liquid Handling Station

- Motor control unit
- USB interface
- Power connection
- Support feet, height-adjustable
- On/off switch
- Front door
1.3.2 Liquid Handling Station flow
Liquid Handling Station flow

- On/off switch of the FlowBox
- Motor control unit of the Liquid Handling Station
- Intake filter (side)
- USB interface of the FlowBox
- LED lit: voltage present
- LED lit: Liquid Handling Station flow is ready for operation.
- Power supply IN 24 V DC
- Opening for internal relative pressure measurement. Do not seal off
- USB hub
- USB interface
- Power connection
- Power button
- On/off switch of the Liquid Handling Station flow
- Protective screen behind front door
- Support feet, height-adjustable
- Front door
- Openings in front door
- Discharge filter in front door
1.3.3 Liquid End

- Decoupling button
- Motor control unit for Liquid End
- Liquid End
1.3.4 Teleshake 95

- Adapter plate
- Heat and shake plate
- Sub-D cable
- Centering plate
- Name plate
1.3.4.1 Single TEC Control

- Switch control unit on/off
- Power supply
- USB
- ID
- External sensor connection
- Color-coding on slot module. The color-coding corresponds with the Sub-D connector that is likewise color-coded.
- Slot modules 1 … 6 for connecting the Teleshake 95 via Sub-D connector (not drawn in)
- Ventilation openings
- Touchscreen
1.3.4.2 Multi TEC Control

- External sensor connection
- ID
- USB
- Switch control unit on/off
- Power supply
- Color-coding on slot module. The color-coding corresponds with the Sub-D connector that is likewise color-coded.
- Slot modules 1 … 6 for connecting the Teleshake 95 via Sub-D connector
- Ventilation openings
- Touch screen
1.4 Technical data
Liquid Handling Station
| Liquid Ends | 1-channel Liquid Ends (SC), 8-channel Liquid Ends (MC8) |
| Volume Range | 1-channel Liquid Ends: 1- 50 µl,10 – 200 p1,40-1000 pl 8-channel Liquid Ends: 1- 50 pl, 20 – 300 pl, 40 – 1000 pl |
| Working positions | 8 Working positions: P2 – P8, P1 for waste container |
| Weight | 25 kg |
| Dimensions | H 530 xW 595 xD 485 mm |
| Operating temperature | + 15 °C … + 35 °C |
| Transport temperature | – 20 °C … + 65 °C |
| Mains voltage | 100 … 240 V, 50 … 60 Hz |
| Microfuse | 2 x T 2,5A H 250V |
| Interfaces | 1 x USB |
| Power consumption | max. 150 W |
| Protection Class | Protection Class I |
| Housing protection rating | IP20 |
| Safety standards | IEC 61 010-1 |
| EMC compatibility radio interference suppres- sion and interference immunity in accordance with the following standard | DIN EN 61326-1 |
| Sound level | 46 dB |
Table 1: Liquid Handling Station
Liquid Handling Station flow
| Liquid Ends | 1-channel Liquid Ends (SC), 8-channel Liquid Ends (MC8) |
| Volume Range | 1-channel Liquid Ends: 1 – 50 μl, 10 – 200 μl, 40 – 1000 μl 8-channel Liquid Ends: 1 – 50 μl, 20 – 300 μl, 40 – 1000 µl |
| Working positions | 8 Working positions: P2 – P8, P1 for waste container |
| Weight | approx. 35 kg (pipetting robot plus FlowBox) |
| Dimensions | H 662 x W 595 x D 515 mm |
| Operating temperature | + 15 °C … + 35 °C |
| Transport temperature | – 20 °C … + 65 °C |
| Mains voltage | 100 … 240 V, 50 … 60 Hz |
| Microfuse | 2 x T 2,5A H 250V |
| Interfaces | 2 x USB |
| Power consumption | max. 150 W |
| Protection Class | Protection Class I |
| Housing protection rating | IP20 |
| Safety standards | IEC 61 010-1 |
| EMC compatibility | Radio interference suppression and interference immunity in accordance with the following standard: DIN EN 61 326-1 |
| Sound level | 46 dB |
| Flowbox | |
| Sound level | ~60 dBA (with front door closed) ~67 dBA (with front door opened) |
| Volume flow rate | ~20 m³/h (with front door closed) ~30 m³/h (with front door open) |
| Air change | ~260 times per hour (with front door closed) ~330 times per hour (with front door open) |
| Filter rating | H 14 following EN 1822 |
Table 2: Flowbox
Flowbox universal power adapter
| Input | 100-240 V, 50-60 Hz |
| Output | 24V DC, 3,75A DC, 90W max. |
| Protection Class | Protection Class 1 |
| Safety standard | EN 60950-1 |
| EMC compatibility | EN 55022 class B, EN 61000-4-2,3,4,5,6,8,11 |
Table 3: Flowbox universal power adapter
1.5 Accuracy Table
1-Channel Liquid End
| Volume range [pl] | Partial volume [pl] | A 5 % | CV 5% |
| 1- 50 | 50 25 5 | 2. 3. 8.0 | 0.8 1. 5.0 |
| 10 – 200 | 200 100 20 | 1.0 2. 4.0 | 0.3 0.4 2. |
| 40 – 1000 | 1000 500 100 | 1.0 2. 3.0 | 0.2 0.3 1.0 |
Table 4: Accuracy Table 1-channel Liquid End
8-channel Liquid End
| Volume range [µl] | Partial volume [µl] | A ≤ % | CV ≤% |
| Jan-50 | 50 25 5 | 1.5 2.0 8.0 | 1.0 1.6 20.0 |
| 20 – 300 | 300 150 30 | 1.2 1.6 5.0 | 0.4 0.6 2.5 |
| 40 – 1000 | 1000 500 100 | 1.2 1.6 4 | 0.3 0.5 2 |
Table 5: Accuracy Table 8-channel Liquid End
1.6 Commissioning
1.6.1 Installation
DANGER
Explosion hazard
Never operate the device in potentially explosive atmospheres.
The surface must be level and have a minimum carrying capacity of 25 kg for the Liquid Handling Station and 35 kg for the Liquid Handling Station flow.
Verify that the device is installed horizontally level with a spirit balance.
The recommended minimum installation space is H 700 mm / 750 mm x W 800 mm x D 600 mm. These dimensions guarantee a distance of approx. 100 mm of all sides of the device to the wall, thereby allowing unobstructed air circulation and protecting the device from overheating. The dimensions also allow 160 mm of free space on top, which is required to open the front door.
Select a location that meets the following operating conditions:
- + 15 °C to + 35°C
- max. 95 % relative humidity at 30 °C
Moreover, provide for sufficient space for a monitor and a PC or for a laptop.
NOTICE! Keep temperature differences and changes in humidity levels to a minimum during setup and transport of the machine. Condensation can lead to malfunctions and defects in the Liquid Handling Station or the computer connected to it.
Prior to commissioning, the Liquid Handling Station and the computer must first adapt to the ambient temperature, which may require several hours under certain conditions.
NOTICE
Risk of material damage
In order to prevent material damage, protect the device from:
- Dust and drafts.
- Shocks and vibrations.
- Electromagnetic fields (e.g. motors).
- Aggressive vapors (e.g. corrosive media).
- Dripping and splashing water. Do not place any vessels containing liquids on or immediately next to the device.
- Exposure to direct sunlight or radiation from radiators.
- Moreover, ensure that air can circulate freely around the device.
1.6.2 Connection
DANGER
Danger to life from electric current
Touching live parts poses a danger to life due to electric shock
- Touching live parts poses a danger to life due to electric shock
- Ensure at all times that the housing and covers are intact and closed.
- Only connect the device to sockets with a protective contact.
- Before connecting the device, check whether the mains voltage agrees with the admissible operating voltage. An incorrect mains voltage may result in the destruction
of the device. - Before switching on the device, ensure that the power cable and connections are intact.
- The device may only be opened by qualified persons authorized by the manufacturer.
- Before opening or removing covers, switch off the device and pull out the power plug and the USB plug.
- When using the Liquid Handling Station flow, the FlowBox must also be switched off and the DC 24V plug and the USB plug pulled out.
NOTICE
User qualifications
In order to ensure that the device functions properly and no hazards are posed to the user, you must have the device installed and initial commissioning carried out by the manufacturer. Moreover, all users of the device must have received training from the manufacturer or an authorized dealer prior to commissioning.
NOTICE
USB interface
The connection is via USB cable; communication between the PC and the Liquid Handling Station and Flowbox takes place via a virtual COM interface. For this reason, both the Liquid Handling Station and the Flow- box appear in the Windows Device Manager under Ports | Communication Port (COM).
The manufacturer must be contacted prior to the decommissioning, transport, and disposal of the device.
1.6.3 Connecting the Liquid Handling Station
a. Connect the Liquid Handling Station to the PC with the USB cable.
b. Connect the Liquid Handling Station to the power supply with the included power cable.
c. Switch on the power button on the back.
1.6.4 Connecting the Liquid Handling Station flow
a. Connect the Liquid Handling Station to the PC with the USB cable.
b. Connect the Liquid Handling Station to the power supply with the included power cable.
c. Switch on the power button on the back.
d. Connect the FlowBox to the PC with the USB cable.
e. Connect the FlowBox with the included power adapter.
➥ The LED on the back indicates that the power supply is on.
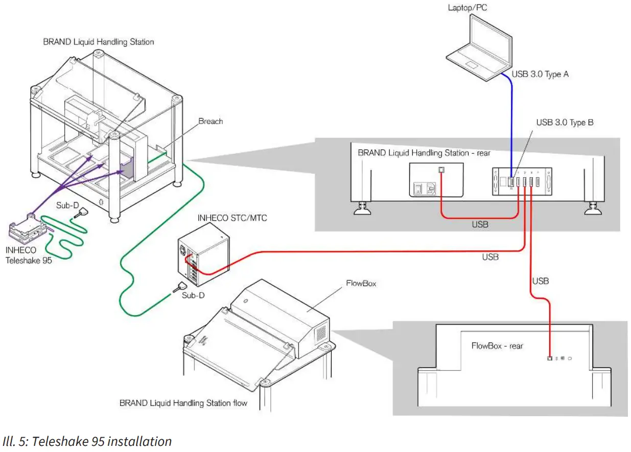
1.6.5 Connecting the shaking and temperature control module Teleshake 95
NOTICE
Component damage due to missing potential equalization
When installing the Teleshake 95 components, bear in mind that they may be damaged by electrostatic discharge. In order to equalize their electrical potential, touch a metallic surface (e.g. radiator). Proceed with the installation only after you have done this. Also observe the INHECO instruction manual: https://www.inheco.com/service/downloads.html.

a. Pull the power plug of the Liquid Handling Station and open the front door.
b. Remove the blind plug at the opening on the back of the device.
c. Set the Teleshake 95 to one of the positions P2 … P4 and run the Sub-D connector through the opening.
NOTICE! The positions P2 … P4 are suitable due to their proximity to the opening on the back of the device.
d. Connect the Sub-D connector to a slot module. NOTICE! The color of the shrink sleeve on the connector must match the color coding next to the slot module on the control unit.
e. Connect the USB cable of the Liquid Handling Station, FlowBox (if available) and MTC or STC control unit to the USB hub and connect the USB hub to your laptop/PC.
f. Configure the Teleshake 95. Also observe the INHECO instruction manual: https://www.inheco.com/service/downloads.html.
1.7 Operation
1.7.1 Liquid Handling Station
NOTICE
Equip the work table correctly
- Make absolutely sure that the labware is placed on the work table as entered in the software/method.
- In order to compensate for height differences, it is absolutely necessary to use the adapters recommended by the software.
- Non-observance poses the risk that the Liquid End will strike the labware and become damaged.
- Only use height adapters in the designated direction. Do not apply force.
a. Switch on the device with the on/off switch on the front right of the device.
b. Start the software on the PC. A connection is established between the device and the PC.
c. During initial commissioning or after creating a new workbench, select the device type that you acquired under System | Settings | Device Manager | Device Type.
d. Create a method or load an already existing method. This procedure is described in detail in the separate user manual for the Liquid Handling Station operating software.
e. Open the front door and equip the work table with the labware that is required for the method and that was selected in the software.
f. Close the front door and start the program.
CAUTION
Risk of crushing
Only reach into the work area when the device is at a standstill!
NOTICE
Monitored front door
In delivery condition, the program can only be started when the front door is closed. If the front door is opened during a program, the operation is interrupted once the current work step has been completed.
Once the front door is closed again, the program continues from the point of interruption.
1.7.2 Liquid Handling Station flow
NOTICE
Unusual operating noise
Pay attention to changing operating noises while operating the FlowBox. If the operating noise increases with time, this may indicate damage. Contact BRAND.
NOTICE
Reducing turbulence
In order to reduce turbulence, the front door should always be opened slowly and as rarely as possible and the protective screen inserted.
NOTICE
Reporting FlowBox
The FlowBox can be switched on both manually and by means of the software. If the FlowBox activity should appear in the report, the FlowBox must be switched on by means of the software!
The FlowBox can only be switched on once the Liquid Handling Station flow is ready for operation and the
FlowBox has been connected to the power supply with the included power adapter.
a. Decontaminate the interior of the Liquid Handling Station flow according to the specifications provided in the chapter “Maintenance and cleaning.”
b. Decontaminate the labware used, the adapters, the Liquid Ends, and the protective screen.
c. Insert the protective screen.
d. Close the front door.
e. Switch on the Liquid Handling Station flow using the on/off switch.
f. Switch on the FlowBox using the on/off switch.
g. Allow the FlowBox to run for 5 minutes in order to flush/filter all the air in the work area of the pipetting robot.
h. Start your method using the software.
i. Equip the work table according to the assignment request of the software.
j. Close the front door.
k. After completing the method and removing your samples, switch off the FlowBox.
1.7.3 Liquid End

NOTICE
1-channel or 8-channel Liquid Endl
The figure illustrates a 1-channel Liquid End. An 8-channel Liquid End is changed using the same procedure.
NOTICE
Exchanging a Liquid End while the Liquid Handling Station is off
If you want to change the Liquid End while the Liquid Handling Station is switched off, it has to be pulled down while pressing the decoupling button.
NOTICE
Different Liquid End in method sequence
If you require different Liquid Ends for the execution of a method, a message on the screen will prompt you to change the Liquid End.
1.7.4 Shaking and temperature control module Teleshake 95
The INHECO Teleshake 95 is a shaking and heating module and is placed on one of the positions P2 … P4 of the Work Table. The connection cable is guided through an opening in the rear wall and connected to the INHECO STC or MTC control unit via color-coded connectors. fter completing the installation, the Teleshake 95 must be activated in the controller and set up for the respective method in the Device Commands. See:
- To install the Teleshake 95, see Installation.
- To activate the Teleshake 95, see Device Manager.
- To set up the Teleshake 95, see Shake Command or Heat Command.
1.8 Maintenance/Cleaning
1.8.1 Device
Immediately wipe off any splashes, drops or large quantities of spilled liquids with an absorbent cloth.
Remove any contaminants (e.g. dirt, dust) with a soft, clean cloth.
If necessary, use a customary, neutral cleaning agent.
The Liquid Ends are autoclavable for 20 minutes at 121°C.
The adapters are not autoclavable! They can be cleaned where necessary with ethanol or disinfectants.
Decontamination
CAUTION
Switching off the device and disconnecting the power
Before carrying out cleaning, decontamination or maintenance, switch off the Liquid Handling Station and disconnect it from the power supply. When using the Liquid Handling Station flow, the FlowBox must also be switched off and the DC 24V plug pulled out.
Wipe off the device and work area with a lint-free cloth.
To disinfect or decontaminate the device, we recommend using 70% (v/v) ethanol, 3% … 4% sodium hypochloride or alcohol-based surface disinfectant cleaner, e.g. Pursept
® -A Xpress disinfectant spray.
NOTICE
Damage to device during cleaning and decontamination
When spraying, ensure that
- the motor control unit does not come into contact with cleaning agents and other liquids.
- no cleaning agents enter the guide slot.
- no cleaning agents get on the discharge filter and the intake filter when using the Liquid Handling Station flow.
- If liquid enters the device, immediately disconnect the device from the power supply and contact BRAND Service.
A UV decontamination of the Liquid Ends and adapters is possible. If another method or cleaning agent is used besides those mentioned here, please clarify with the manufacturer whether it can potentially damage the device.
WARNING
Cleaning in medical laboratories
Special care must be taken when handling infectious material (see Danger from harmful substances or infectious media, p. 60). Observe the relevant safety regulations.
Shipment for service or repair
If the device has to be shipped to the manufacturer, a decontamination must be carried out and documented beforehand. For safety reasons, only decontaminated devices can be serviced and repaired.
For this purpose, fill out the “Declaration of Health Safety” and sent it together with the device to the manufacturer. Pre-printed forms can be requested from the manufacturer or are available for download at www.brand.de.
Before sending the device, request the special packaging from the manufacturer and pack the Liquid Handling Station properly in order to prevent damage during transport.
NOTICE
Transporting hazardous materials without approval is prohibited by law.
1.8.2 Liquid Ends
1.8.2.1 1-channel Liquid End
In order to ensure their proper functioning, the Liquid Ends should be serviced in regular intervals and cleaned where necessary.

- Piston unit
- Upper part of ejector unit
- Seal
- Lower part of ejector unit
- Shaft
- Liquid End
Maintenance
a. Decouple the Liquid End: Press the decoupling button with one hand and simultaneously remove the Liquid End with the other hand.
b. Check the tip mounting cone at the tip of the pipette shaft (5) for damage.
c. Inspect the piston at the lower end of the piston unit (1) and the seal (3) for damage or contamination.
The liquid end must be dismantled for this purpose. Replace the piston if necessary.
d. Check the tightness of the liquid end.
NOTICE
For the check, we recommend the BRAND PLT leak testing unit. If the Liquid End is not leak-tight, please contact the Support department of the manufacturer.
Disassembly and cleaning
a. Decouple the liquid end from the motor control unit.
b. Unscrew the retention bushing (1). During this, the piston unit remains connected to the retention bushing.
c. Remove the spring with seal (3).
d. Unscrew the upper part of the ejector unit (2) from the pipette shaft.
e. Pull out the shaft (4) from the lower part of the ejector unit (5).
f. Clean the illustrated parts with soap solution or isopropanol. Afterwards, rinse with aqua dest.
g. Allow the parts to dry or dry at max. 120 °C.
h. Reoil pistons with a very thin coat of the supplied silicone oil.
i. Reassemble the cooled parts in reverse order.
j. Only hand-tighten the retention bushing (1) and the upper part of the ejector unit (2).
NOTICE
All of the individual components shown in the figure can be procured as spare parts. Use only original spare parts!
1.8.2.2 8-channel Liquid End
In order to ensure their proper functioning, the Liquid Ends should be serviced in regular intervals and cleaned where necessary.
Maintenance
a. Decouple the Liquid End.
b. Check shafts, pistons, and seals for damage and contamination.
c. Check that the Liquid End is leak-tight.
NOTICE
Check the circulation
For the check, we recommend the BRAND PLT leak testing unit. Use only original spare parts!
Disassembly and cleaning
- Individual shafts, pistons, and shaft/piston support bars (these parts only) may be cleaned with soap solution or isopropanol. Afterwards, rinse with aqua dest.
- Allow the parts to dry completely or dry at max. 120 °C and allow to cool. Liquid residues in the shafts result in deviations in accuracy.
- Reoil pistons with a very thin coat of the supplied silicone oil. For the central guide axis, only use the prescribed fluorine static grease!
1.8.2.2.1 Dismantle piston unit (up to 300 µl MC8)
Check that the Liquid End is leak-tight.

a. Decouple the Liquid End
b. Rotate the two locks by 90° and remove the lower part of the housing.
Unscrew the shaft
a. Apply mounting tool on individual shaft.
b. Unscrew the shaft.

Remove seal

a. Push the piston unit all the way down.
b. Remove and inspect the seal and clean or change where necessary.
After removing the shaft, the seal is located either in the shaft or on the piston.
Mount the seal

a. If necessary, reoil the piston slightly with the supplied silicone oil. Only use the recommended silicone oil.
b. Slide the seal onto the piston with the flat side upwards.
c. Tighten the cleaned or new shaft using the supplied mounting tool.
Couple the Liquid End
a. Reassemble the Liquid End, mount the lower part of the ejector unit, and check for leak-tightness.
b. After checking the Liquid End, couple it onto the motor control unit again.
NOTICE
For the check, we recommend the BRAND PLT leak testing unit. If the Liquid End is not leak-tight, please contact the Support department of the manufacturer.
1.8.2.2.2 Dismantle piston unit (1000 µl MC8)
Remove housing of the liquid end

a. Decouple the Liquid End.
b. Pull out sliding clamps of the housing cover later- ally and remove the housing.
Remove shaft fastening

a. Pull out the shaft fastening laterally.
Disassemble the shaft and piston

a. Carefully press the shaft out forward. Take the piston directly with you and slowly pull it out of the holder.
b. To re-grease, pull the piston out of the shaft. Only all piston-shaft units of a Liquid End the can be replaced.
Regrease piston seal
NOTICE
Apply silicone grease only very thinly to the seal with a brush.
a. Pull the piston with seal out of the shaft.
b. Dip the brush into grease and wipe well along the wall of the vessel.
c. Hold brush against seal and turn piston with seal 1-2 turns.
d. Insert the piston with seal back into the shaft.
Assemble shaft and piston

a. Push the shaft into the holder and carefully press the piston back into its original position (if necessary, press the piston spring slightly upwards).
The shafts must then be aligned again.
b. Continue with all piston-shaft units.
Assembling the pipetting unit.

a. Slide in the shaft fastening.
b. Slide housing onto pipetting unit.
c. Push the slide fasteners back in.
1.8.2.2.3 Make piston unit freely movable (1000 µl MC8)
After long storage time it is possible that the piston unit of the 1000 µl MC8 cannot be moved by the motor control unit. In this case proceed as follows: Proceed as follows:
Remove housing of the liquid end

a. Decouple the Liquid End.
b. Pull out sliding clamps of the housing cover laterally and remove the housing.
Free movement of piston unit

a. Move piston unit several times by hand up to the upper and lower stop.
b. Slide housing onto pipetting unit.
c. Push the slide fasteners back in.
➥ The 1000 µl MC8 is again free to move.
1.9 Ordering Information
1.9.1 Liquid Handling Station and accessories
1.9.1.1 Software
| Description | Order No. |
| Single user license | 7094 90 |
| Upgrade to new version | 7094 92 |
1.9.1.2 Pipetting robot
1.9.1.2.1 BRAND Liquid Handling Station
including motor control unit, operating software, operating manual, mains cable, USB cable, documentation, and on-site training.
Order No. 7094 00
1.9.1.2.2 BRAND Liquid Handling Station flow
including motor control unit, operating software, operating manual, 2 mains cables, 2 USB cables, 24 V DC universal power adapter for FlowBox, protective screen, documentation, and on-site training. Order No. 7094 02
1.9.1.3 Teleshake 95 shaking and heating module
| Description | Order No. |
| Teleshake 95 shaking and heating module with permanently mounted centering plate for the Liquid Handling Station | 7094 70 |
1.9.1.3.1 Controller for Teleshake 95
1.9.1.3.1.1 Single TEC Control
| Description | Order No. |
| Single TEC Control + 1 black slot module | 7094 72 |
1.9.1.3.1.2 Multi TEC Control
| Description | Order No. |
| Multi TEC Control + 2 black slot modules | 7094 74 |
1.9.1.3.2 Adapter for Teleshake 95
| Designation | Order No. |
| Universal adapter for flat bottom plates. This universal adapter is included with the Teleshake 95. | 709476 |
| Universal adapter for 96-well PCR plates, low profile | 709477 |
| Universal adapter for 96-well PCR plates | 709478 |
| Universal adapter for 384-well PCR plates | 709479 |
| Adapter for 96-well BRAND F- and C-bottom plates | 709480 |
| Adapter for 96-well BRAND V-bottom plates | 709481 |
| Adapter for 96-well BRAND U-bottom plates | 709482 |
1.9.1.4 USB hub
| Description | Packaging unit | Order No. |
| USB Hub connection extension | 1 | 7094 89 |
1.9.1.5 Liquid Ends and Accessories
1.9.1.5.1 1-channel Liquid End
| Volume | Description | Order No. |
| 1 – 50 μl | SC-50 | 7094 10 |
| 10 – 200 μl | SC-200 | 7094 13 |
| 40 – 1000 μl | SC-1000 | 7094 16 |
1.9.1.5.2 8-channel Liquid End
| Volume | Description | Order No. |
| 1 – 50 μl | MC-50 | 7094 20 |
| 20 – 300 μl | MC-300 | 7094 23 |
| 40 – 1000 µl | MC-1000 | 7094 26 |
1.9.1.5.3 Liquid End holder
For use with 1-channel and 8-channel Liquid Ends, pkg unit 1 pc.
| Description | Order No. |
| for 3 Liquid Ends | 7094 63 |
| for 5 Liquid Ends | 7094 65 |
1.9.1.5.4 Grease and Lubricants
| Designation | Order No. |
| Silicone oil, for pistons, 1-channel Liquid Ends | 705502 |
| Silicone grease, for pistons, 8-channel Liquid Ends | 703677 |
| Fluorine static grease, for guide axis, 8-channel Liquid Ends | 703678 |
| PFPE Piston grease, for 1000µl 8-channel Liquid Ends | 61613 |
1.9.1.6 Labware
1.9.1.6.1 Labware-Adapter and Racks Pkg unit 1 pc.
| Description | Material | Order No. |
| Height adapter, 60 mm | Aluminum | 7094 30 |
| Height adapter, 30 mm | Aluminum | 7094 32 |
| Tip adapter | Aluminum | 7094 34 |
| Cuvette adapter | POM | 7094 36 |
| Reservoir rack for four 40 ml reservoirs (701460, 701462) | Aluminum | 7094 43 |
| PCR adapter 96-well | POM | 7094 46 |
| PCR adapter 384-well | POM | 7094 48 |
| PCR adapter 384-well, optimized for BRAND plates (781345, 781347 and 781358) | POM | 7094 49 |
| Micro-tube rack 1.5 ml | POM | 7094 50 |
| Micro-tube rack 0.5 ml | POM | 7094 52 |
| Micro-tube rack 5 ml | POM | 7094 53 |
| 12 x 75 mm tube rack | POM | 7094 55 |
1.9.1.6.2 PCR cooling rack
| Description | Order No. |
| PP. Indirect cooling, for 0.2 ml single tubes, strips of 8 and 12, and 96-well PCR plates. Changes from violet to pink at 7°C. Pkg unit 2 pc | 7094 56 |
| Pkg unit 2 pc |
1.9.1.6.3 Waste box
| Description | Order No. |
| including reservoir for residual liquids, pkg unit 5 pc. | 7094 58 |
1.9.1.6.4 Reagent reservoirs
PP, autoklavierbar.
| Volume | Design | Pkg unit | Order No. |
| 220 ml | pyramid bottom, 96-well | 10 | 7014 50 |
| 12 x 6 ml | pyramid bottom, low profile | 10 | 7014 52 |
| 4 x 60 ml | pyramid bottom | 10 | 7014 54 |
| 6 x 40 ml | pyramid bottom | 10 | 7014 56 |
| 50 ml | flat bottom, low profile | 10 | 7014 58 |
| 40 ml | v-shaped bottom, low dead volume | 24 | 7014 60 |
| 40 ml | >v-shaped bottom, low dead volume | 24 | 7014 62 |
1.9.1.6.5 Passive cooler Cooling Block
The Cooling Block can also be used with suitable disposables from other manufacturers. However, the suitability test must be carried out be the user themselves. The “Cooling Block” passive cooler is patent pending.
Cooling Block for microcentrifuge tubes, 0.5 ml
| Order No. 7095 10 | Suitable BRAND labware |
![]() | BRAND Tube 0,5 ml: 780750, 780755, 780760, 781310, 781311, 781312, 781313, 781314 BRAND PCR single tubes, 0.5 ml: 781310, 781311, 781312, 781313, 781314 BRAND microcentrifuge tubes 0,5 ml: 780700, 780710, 780730, 780750, 781313, 781314 |
Order No. 7095 11![]() | BRAND microcentrifuge tubes 1.5 ml: 780500, 780502, 780400, 780521, 780522, 780523, 780524, 780525, 780540, 780505, 780701, 780702, 780711, 780712, 780751, 780752, 780731, 780732, 780756, 780757, 780761, 780762 BRAND microcentrifuge tubes 2.0 ml: 780546, 780550, 780703, 780704, 780713, 780714, 780733, 780734, 780753, 780754, 780758, 780759, 780763, 780764 |
Cooling Block for microcentrifuge tubes, 5.0 ml
| Order No. 7095 12 | Suitable BRAND labware |
![]() | No available BRAND microcentrifuge tubes |
Cooling Block for 96 well PCR plates
| Order No. 7095 13 | Suitable BRAND labware |
![]() | BRAND PCR 96 plates: 781350, 781354, 781357, 781364, 781365, 781366, 781367, 781368, 781369, 781371, 781372, 781373, 781374, 781375, 781376, 781377, 781378, 781400 BRAND 24-well PCR plates: 781411, 781412 BRAND 48-well PCR plates: 781415, 781416 |
| BRAND 8-tube PCR strips, 0.2 ml:: 780500, 780502, 781315, 781316, 781317, 781320, 781321, 781322, 781323, 781324, 781325, 781326, 81327, 781330, 781332, 781333, 781340, 781341, 781342, 781343, 781344, 781334 BRAND 12-tube PCR strips, 0.2 ml: 781280, 781284, 781290 BRAND PCR single tubes, 0.2 ml: 781300, 781301, 781302, 781303, 781304, 781305 |
Cooling Block for 384 well PCR plates
| Order No. 7095 14 | Suitable BRAND labware |
![]() | BRAND 384 well PCR plates: 781345, 781347, 781348, 781358 |
1.9.1.7 Tips
Selection
Use the following compatibility table to find the right tip for your Liquid Ends:
| Liquid Ends | Robot tips [pl] | Robot filter t ps [pl] | |||||||
| Order No. | Des. in software | 1- 50 | 10- 200 | 10- 300 | 40- 1000 | 1- 20 | 10- 100 | 10- 200 | 40- 1000 |
| 709410 | 1 channel 50µl SC-50 pl | ✓ | — | — | — | ✓ | — | — | — |
| 709413 | 1 channel 10 pl SC-200 pi | — | ✓ | ✓ | — | — | ✓ | ✓ | — |
| 709416 | 1 channel 40µl SC-1000 pi | — | — | — | ✓ | — | — | — | ✓ |
| 709420 | 8 channel 1-50 pl MC8-50 pl | ✓ | — | — | — | ✓ | — | — | — |
| 709423 | 8 channel 20-300 pl | V | V | V | V | ||||
| MC8-300 pl | |||||||||
| 709426 | 8 channel 40-1000 pl | V | V | ||||||
| MC8-1000 pl |
Robot tips
| Volume | Packing unit | Order No. non-sterile | Order No. sterile |
| 1-50 ul | TipRacks a 96 | 733146 | 733166 |
| 10-200 pi | TipRacks a 96 | 734148 | 734168 |
| 10-300 ul | TipRacks a 96 | 734150 | 734170 |
| 40-10000 kl | TipRacks a 96 | 734152 | 734172 |
Robot filter tips
| Volume | Packing unit | Order No. non-sterile | Order No. sterile |
| 1-20 gl | TipRacks a 96 | 733646 | 733666 |
| 10-100 pi | TipRacks a 96 | 734650 | 734670 |
| 10-200 pi | TipRacks a 96 | 734652 | 734672 |
| 40-10000 gi | TipRacks a 96 | 734654 | 734674 |
1.9.1.8 Leak detector for liquid ends.
| Description | Order No. |
| PLT unit, pipette leak detector | 7039 70 |
1.9.2 Spare parts
1.9.2.1 Liquid End 1-Kanal 200 -1000 µl
Packing unit 1 piece
The appearance and dimensions of the spare parts correspond to the respective nominal volume (fig. 200 µl Liquid End)

| Volume | A | B* | C | D | E |
| 1 – 50 μl | 7096 02 | – | 7096 08 | 7096 12 | 7096 24 |
*not a standard spare part, please contact the manufacturer.
Piston and seal sets
| Volume | Order No. |
| 10 – 200 μl | 7096 04 |
| 40 – 1000 μl | 7096 06 |
1.9.2.2 Liquid End 8-Channel 50 – 300 µl
Packing unit (A) 8 pieces, PU (B) 3 pieces
The appearance and dimensions of the spare parts correspond to the respective nominal volume.
1 Seal
2 Shaft
| Volume | A* | B |
| 1 – 50 μl | 7096 30 | 7033 43 |
| 20-300 μl | 7096 32 | 7033 46 |
Devices and components
Liquid End 20-300μl additionally with pressure ring.
NOTICE
Shaft change
If a socket change becomes necessary, all sockets of a multi-channel liquid end must always be replaced!
1.9.2.3 Liquid End 8-Channel 1000 µl
1 Piston with seal
2 Shaft
| Volume | Designation | Order No. |
| 40 – 1000 µl | 8 x Flask unit for 1000 µl MC8 Liquid End | 709634 |
Glossary
A
Adapter
Adapters are used to compensate for height differences between the different labware types. They can be used to achieve shorter paths and a faster implementation of the method. The distinction is made between height adapters, tip adapters (for tips), micro-tubes, and PCR racks. Overview of all available adapters, see Ordering Information, p. 84.
C
Command
Refers to a single sequential step in the program sequence of a method. In the operating software, four different commands are generally available: Transfer, Wait, Mix, and Break Command. Additional device commands are available depending on the device type and accessories.
Cooler
Refers to a device used to cool samples.
Content structure
The content structure of a report comprises all the elements between the report header and footer, i.e. the actual (method-specific) content of the report.
D
Destination
Labware or target vessel into which liquid from another vessel (source) is transferred.
Destination well
Single well of labware defined as a destination.
F
FlowBox
Permanently installed filter device that purifies the air in the work area of the Liquid Handling Station flow.
Filling volume
Maximum volume of a labware or an individual well available for filling liquid.
G
Graphical view
Area in software that graphically displays the work table (with selected labware, filling, etc.).
H
Heater and shaker
The term Heater and Shaker refers to the device Teleshake 95, which can be used to heat and/or shake samples over an adjustable period of time. The device is placed at a position in the Work Table and controlled via the Heat/Shake command. The device can also be controlled outside of the Liquid Handling Station Software
in order, for example, to heat samples over a period of time longer than the method sequence.
L
Labware
Collective term for the microplates, PCR plates, deep-well plates, inserts, tube racks, tubes, tips, reservoirs, and waste box that can be used with the Liquid Handling Station.
Liquid End
1- or 8-channel pipetting unit coupled to the motor control unit in order to allow the execution of liquid transfers with the Liquid Handling Station.
Liquid type
Definition of various liquid parameters, such as aspiration and dispensing speed.
M
Master layout
The master layout of a report comprises the report header and footer, as well as general settings for the page layout, e.g. page margins, font size and style in the report. Method Procedure for the loading of the work table, the definition of commands, and the execution of the method. You can find a more detailed explanation of the term “method” in the chapter “Method Structure”.
Minimum immersion depth
(= minimum tip immersion depth). Distance of the lower end of the tip to the liquid surface.
This distance guarantees correct liquid aspiration and prevents, for example, accidental air intake.
Minimum bottom distance
(= minimum bottom distance). Refers to the shortest distance between the vessel bottom and the lower end of the tip moved into the labware during immersion. This distance is used to prevent crashes and to ensure a correct liquid aspiration.
Multidispense
Pipetting mode in which a volume aspired from a source is dispensed into a destination in partial steps.
P
Pipette
Pipetting mode in which a previously defined volume is aspired from a source and then completely dispensed immediately thereafter into a destination.
Pipetting step
The aspiration of a previously defined volume from a source and dispensing of this volume (as a whole or in partial steps).
Position
Individual recess on the work table of the Liquid Handling Station on which labware can be positioned. The work table of the Liquid Handling Station has eight positions. Seven of these can be equipped as desired, while one position is designated for the waste box.
Prewet
Designation for the preliminary conditioning of the tips through liquid aspiration from the source well and subsequent liquid dispensing into the source well.
Priority
Setting option for liquid names in the well content. If the liquid name is given a high priority, this is retained for all methods, i.e. the transfer history of a certain liquid can be racked.
R
Remaining volume
(= remaining volume). Volume that must remain in the vessel to allow a defined and reliable intake. It depends on the minimum immersion depth and the minimum bottom distance.
Restart behavior
Setting option for liquid volumes. If the method is restarted, the volume remaining from the feed line is used as the starting volume.
S
Sample selection Setting in the Execute tab that enables the reduction of the existing methods to the actual number of accumulating samples.
Settings
Settings that can be made for the labware at the individual positions and for the different commands. Shaker see Heater/Shaker
SMTP settings
Settings for the login of the e-mail service.
Source
Labware or source vessel from which liquid is removed in order to be transferred to another vessel (destination).
Source well
Individual well of labware defined as a source.
T
Tab
Refers to individual tabs on a menu tab. Example: Method tab in the main menu tab.
Transfer
A single transfer includes all the pipetting steps executed between one or more sources and one or more destinations in a (Transfer) command.
Transfer volume
Liquid volume that is transferred from the source to the destination or into the individual wells of the destination.
V
Distribution pattern
Specification of the source wells and destination wells.
W
Well content
In general: The content of one or more wells. In the operating software: Settings (e.g. liquid volume, name, liquid type) that apply to the content of a fillable labware.
Workbench
All relevant data required for using the Liquid Handling Station Software is found in the Workbench. (E.g. labware definitions, methods, user settings, etc.).
Work table
Work area of the Liquid Handling Station whose eight positions can be virtually loaded using the software.
The definition of the commands is followed by the physical loading of the work table.
Z
Z-tracking
Tracking of the liquid end on the Z-axis during liquid aspiration and dispensing. The Z-tracking corresponds to a downward movement during liquid aspiration and an upward movement during liquid dispensing. The starting point of aspirating and dispensing can be user-defined if necessary.
997496 | Printed in Germany | 0522

























