LUMEL LTR10 Multifunctional Timer Relay Instruction Manual

LTR10 Multifunctional Timer Relay
General:
LTR10 time relay is specifically designed for controlling the time and incoming data and can be used in industry, residential,factory facilities.
Function button (Fn): This button determines the functions. Please choose the desired function from the table. Max Time button ™: This button determines the maximum time desired. It is shown as a letter on the case and it has a maximum of 10 time value. The equivalent of the time- maximum time can be found in the table. Time Multiply Button( Xn): It allows you to reach at intermediate values by multiplying maximum values.It has 10 step multiplying value between 0.1 -1.0.
Usage of Device and Working Principle:
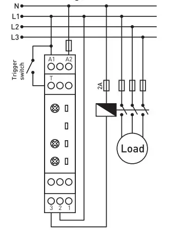
Please connect the device according to the diagram. Please define the function and time settings before energising the device. Time= Maximum time ™ x Time Scale Factor(Xn) Example: Lets say If the device is energised, it is desired that the relay becomes activated for 15 mins. and then should not be de-activated untill de-energised. Adjust the fn button to 2.Then adjust the MAX button (t) to 30 min (g) and the time scale factor button to 0,5 . ( 15 min = g(30 mini x 0.5 ) After the desired function and time is adjusted, the device can be energised accordingly.
Tecnical Specifications:
Connection diagram:
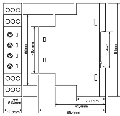
Dimensions:

Not_1:
Function changes must be made when the device is in a de-energised state or wait at least 0,3 sec. before function changes in an energised state. Turn the energy of the device off and then turn it on
again and apply. Otherwise the function change will not be recognized.
Not_2:
Sled: The led will appear when the T switch is on and dissapear when it is off.
Relay energised: 1 and 2 no contact ends open circiut, 2 and 3 no contact ends short-circuit.
Relay led appears.
Relay de-energised: 1 and 2 no contact ends short circuit, 2 and 3 no contact ends open-circuit.
Relay led dissapears.
Maintenance:
Switch off the device and release from connections. Clean the trunk of device with a swab. Don’t
use any conductor or chemical might damage the device. make sure device works after cleaning.
Warnings:
Please use the device according to the manual.
Don·t use the device in wet.
Include a switch and circuit breaker in the assembly.
Put the switch and circuit breaker nearby the device, operator can reach easily.
Mark the switch and circuit breaker as releasing connection for device

























