PS65N Barrel Cooler
Instruction Manual
PRODUCT INTRODUCTION:
Cylinder Refrigerator is our special design for the drink manufacturers and distributors. The product is a new unique design with strong advertisement image promotion. Imported compressors with CFC free refrigerant are used. Fully foamed cabinet and cover door with ABS for beautiful look and efficient cool keepin The features of the products are high efficient, fast cooling, low noise, very convenient. It can be widely used for the refrigeration of drink and low freezing of food by stores, family, special users. And it is a very good brand image promotion for food and drink brands.
It is a very unique commercial refrigeration product.
Commercial refrigeration display cooler.
Climate class: 32°C±2°C on appliances of climatic class 0, 1,2,3,4,6 or 8 43°C±2°C on appliances of climatic class 5 or 7
OPERATION PROCESS:
- Temperature Control Indicator”0″-“7” shows the operation from weak cooling to strong cooling.
- If the Thermostat Knob is turned from left to right, while the Temperature Control Indicator is changed from”0″to”7″, the temperature inside the cabinet will go down.
- In normal condition, the temperature inside the refrigerating cabinet will be 0-10, but maybe under O after running long-time.
- In normal condition, please keep the Temperature Control Indicator at the position on “4”-“5”.
- If the Thermostat Knob is turned at the position”7″, (Turn maximumly from left to right), the freezer will be at fast freezing condition, and the compressor will keep continuous running.
- The Thermostat Knob can not be turned from “7” to”0″. Otherwise the thermostat will be damaged.

NOTICE:
- Please turn the power on and check whether the unit is running. About 30 minutes later, the temperature inside the cabinet will go down apparently.
After confirming the freezer has been completely cooled down (It takes 2-3 hours to get the first time to freezing temperature), please put into the food. - It is not allowed to put into too much food at the same time.
- Please let the hot food cool down to normal temperature before putting into the freezer. It may affect the freshness keeping and increase energy consumption.
- Please keep certain space between food and food. Otherwise it will affect the cooling circulation.
- Do not put ice cream into the cabinet, otherwise the ice cream may be turned soft or melt.
- Do not keep the door opened for a long time in operation condition.
- When the power is cut, please do not open the door frequently to avoid cool leakage. If the power is off for a long time, dry ice or cold-storage block can be put inside.
- Do not touch the compressor by hand to avoid damage of burning.
- While the unit is not used for a long time, please: Take out all the food and unplug the power cord; Open the door, clean the inside cabinet and wipe off the water.
- Keep ventilation openings, in the appliance enclosure or in the built-in structure, clear of obstruction.
- This appliance is not intended for use by persons(including children) with reduced physical, sensory or mental capabilities, or lack of experience and knowledge, unless they have been given supervision or instruction concerning use of the appliance by a person responsible for their safety.
- Do not use mechanical devices or other means to accelerate the defrosting process, other than those recommended by the manufacturer.
- Do not damage the refrigerant circuit.
- This appliance can be used by children aged from 8 years and above and persons with reduced physical, sensory or mental capabilities or lack of experience and knowledge if they have been given supervision or instruction concerning use of the appliance in a safe way and understand the hazards involved. Children shall not play with the appliance. Cleaning and user maintenance shall not be made by children without supervision.
- If the supply cord is damaged, it must be replaced by the manufacturer, its service agent or similarly qualified persons in order to avoid a hazard.
- Do not store explosive substances such as aerosol cans with a flammable propellant in this appliance.
- When disposing of the appliance, do so only at an authorized waste disposal centre. Do not expose to flame.
- Warning: The lamp must not be replaced by the user! If the lamp is damaged, contact the customer helpline for assistance.
- The A-weighted emission sound pressure level is below 70 dB(A)
- The appliance shall be disconnected from its power source during cleaning or maintenance and when replacing parts.
- Do not throw items onto the shelves and do not place items totaling more than 25 kg on each shelf. The shelf could fall down, possibly causing Injury.
WARNING:
- Keep clear of obstruction all ventilation openings in the appliance enclosure or in the structure for building-in.
- Do not use mechanical devices or other means to accelerate the defrosting process, other than those recommended by the manufacturer.
- Do not damage the refrigerant circuit.
- Do not use electrical appliances inside the food storage compartments of the appliance, unless they are of the type recommended by the manufacturer.
- This appliance can be used by children aged from 8 years and above and persons with reduced physical, sensory or mental capabilities or lack of experience and knowledge if they have been given supervision or instruction concerning use of the appliance in a safe way and understand the hazards involved.
- Children shall not play with the appliance.
- Cleaning and user maintenance shall not be made by children without supervision.
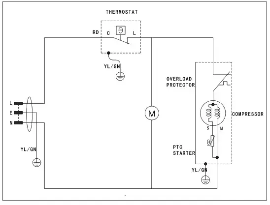
ELECTRICAL DIAGRAM (Static)
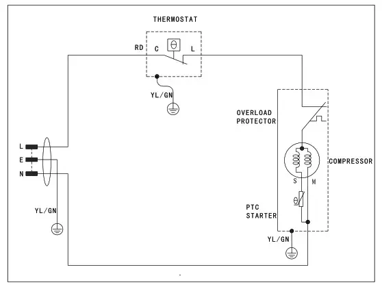
ELECTRICAL DIAGRAM (Ventilated)

KONTAKT OS/CONTACT US
Salg +45 8750 3447 [email protected]
Service +45 8750 3419 [email protected]
Telefontid: Mandag – torsdag: 8 – 16 Fredag: 8 – 15.30
Reservedele +45 8750 3422 [email protected]
Vibocold A/S reserves the right to change the parameters of the device and introducing different technical solutions. The information contained in this document may be changed by the manufacturer without notice to the user. Copying of this manual without permission is prohibited. Pictures and drawings are for illustration only and may differ from your device
Holstebrovej 101
DK-8800 Viborg
T +45 9861 3411
www.vibocold.dk
HOT & COLD
SOLUTIONS

ELECTRICAL DIAGRAM (Ventilated)
















