PoLabs AdapterBoard10V Device User Manual

Please read the following notes
- All information included in this document is current as of the date this document is issued. Such information, however, is subject to change without any prior notice.
- PoLabs does not assume any liability for infringement of patents, copyrights, or other intellectual property rights of third parties by or arising from the use of PoLabs products or technical information described in this document. No license, express, implied or otherwise, is granted hereby under any patents, copyrights or other intellectual property rights of PoLabs or others. PoLabs claims the copyright of, and retains the rights to, all material (software, documents, etc.) contained in this release. You may copy and distribute the entire release in its original state but must not copy individual items within the release other than for backup purposes.
- Descriptions of circuits, software and other related information in this document are provided only to illustrate the operation of the products and application examples. You are fully responsible for the incorporation of these circuits, software, and information in the design of your equipment. PoLabs assumes no responsibility for any losses incurred by you or third parties arising from the use of these circuits, software, or information.
- PoLabs has used reasonable care in preparing the information included in this document, but PoLabs does not warrant that such information is error free. PoLabs assumes no liability whatsoever for any damages incurred by you resulting from errors in or omissions from the information included herein.
- PoLabs devices may be used in equipment that does not impose a threat to human life in case of the malfunctioning, such as: computer interfaces, office equipment, communications equipment, test and measurement equipment, audio and visual equipment, home electronic appliances, machine tools, personal electronic equipment, and industrial robots.
- Measures such as fail-safe function and redundant design should be taken to ensure reliability and safety when PoLabs devices are used for or in connection with equipment that requires higher reliability, for example: traffic control systems, anti-disaster systems, anticrime systems, safety equipment, medical equipment not specifically designed for life support, and other similar applications.
- PoLabs devices shall not be used for or in connection with equipment that requires an extremely high level of reliability and safety, as for example: aircraft systems, aerospace equipment, nuclear reactor control systems, medical equipment or systems for life support (e.g. artificial life support devices or systems), and any other applications or purposes that pose a direct threat to human life.
- You should use the PoLabs products described in this document within the range specified by PoLabs, especially with respect to the maximum rating, operating supply voltage range and other product characteristics. PoLabs shall have no liability for malfunctions or damages arising out of the use of PoLabs products beyond such specified ranges.
- Although PoLabs endeavours to improve the quality and reliability of its products, semiconductor products have specific characteristics such as the occurrence of failure at a certain rate and malfunctions under certain use conditions. Further, PoLabs products are not subject to radiation resistance design. Please be sure to implement safety measures to guard them against the possibility of physical injury, and injury or damage caused by fire in the event of the failure of a PoLabs product, such as safety design for hardware and software including but not limited to redundancy, fire control and malfunction prevention, appropriate treatment for aging degradation or any other appropriate measures.
- Usage: the software in this release is for use only with PoLabs products or with data collected using PoLabs products.
- Fitness for purpose: no two applications are the same, so PoLabs cannot guarantee that its equipment or software is suitable for a given application. It is therefore the user’s responsibility to ensure that the product is suitable for the user’s application.
- Viruses: this software was continuously monitored for viruses during production, however the user is responsible for virus checking the software once it is installed.
- Upgrades: we provide upgrades, free of charge, from our web site at www.poscope.com. We reserve the right to charge for updates or replacements sent out on physical media.
- Please contact a PoLabs support for details as to environmental matters such as the environmental compatibility of each PoLabs product. Please use PoLabs products in compliance with all applicable laws and regulations that regulate the inclusion or use of controlled substances, including without limitation, the EU RoHS Directive. PoLabs assumes no liability for damages or losses occurring as a result of your noncompliance with applicable laws and regulations.
- Please contact a PoLabs support at support.poscope.com if you have any questions regarding the information contained in this document or PoLabs products, or if you have any other inquiries.
- The licensee agrees to allow access to this software only to persons who have been informed of and agree to abide by these conditions.
- Trademarks: Windows is a registered trademark of Microsoft Corporation. PoKeys, PoKeys55, PoKeys56U, PoKeys56E, PoKeys57U, PoKeys57E, PoKeys57CNC, PoScope, PoLabs, PlasmaSens and others are internationally registered trademark
Description
Adapter board 10 V 3.3 V is a professional, robust adapter board for analog signal. Adapter board is developed to help with the PlasmaDiv connection. Now the connection between devices (example: PlasmaDiv and PoKeys57CNC) is done and faster.
Electrical specifications
- Input voltage: 0 10 V,
- Output voltage: 0 3.3 V,
Layout

Connection to the PoKeys57CNC and plasma cutter equipment
In figure 2 and 3 below, connection without and with AdapterBoard 10V-3.3Vplasma is presented.
Only one input can be used at a time!
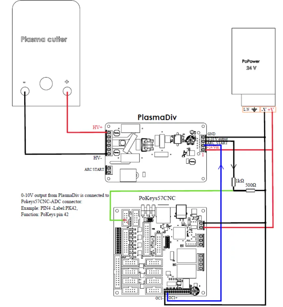
1. Direct connection – without Adapter Board

Figure 2: Connection without Adapter board
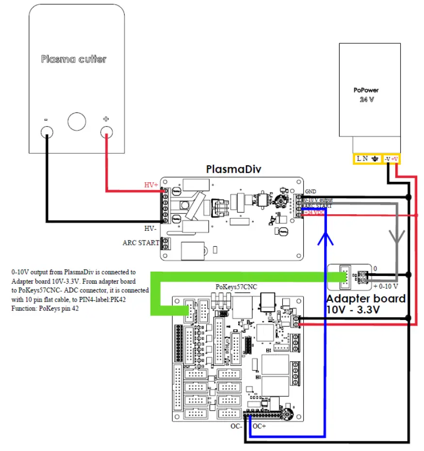
2. Direct connection – with AdapterBoard

Figure 3: Connection with Adapter board
3. Connection to PoKeys devices
Adapter board 10 V 3.3 V is very useful board which can be used with Pokeys (PoKeys57CNC, PoKeys57U and PoKeys57E) controllers analog inputs.


Grant of license
The material contained in this release is licensed, not sold. PoLabs grants a license to the person who is using any compatible PoLabs product, subject to the conditions listed below.
- Access
The licensee agrees to allow access to this manual only to persons who have been informed of and agree to abide by these conditions. - Usage
The information’s in this release is for use only with PoLabs products. - Copyright
PoLabs claims the copyright of, and retains the rights to, all material (software, documents etc) contained in this release. You may copy and distribute the entire release in its original state, but must not copy individual items within the release other than for backup purposes. - Liability
PoLabs and its agents shall not be liable for any loss or damage, howsoever caused, related to the use of PoLabs equipment or software, unless excluded by statute. - Fitness for purpose
No two applications are the same, so PoLabs cannot guarantee that its equipment or software is suitable for a given application. It is therefore the user’s responsibility to ensure that the product is suitable for the user’s application. - Mission Critical applications
Because the software runs on a computer that may be running other software products, and may be subject to interference from these other products, this license specifically excludes usage in ‘mission critical’ applications, for example life support systems. - Errors
This manual was continuously monitored for errors during production, however the user is responsible for error checking the manual once it is used. - Support
There could be errors in these manual, but if you found some, please contact our technical support staff, who will try to fix the problem within a reasonable time. - Upgrades
We provide upgrades, free of charge, from our web site at www.poscope.com. We reserve the right to charge for updates or replacements sent out on physical media. - Trademarks
Windows is a registered trademark of Microsoft Corporation. PoKeys, PoKeys55, PoKeys56U, PoKeys56E, PoKeys57U, PoKeys57E, PoKeys57CNC, PoScope, PoLabs, PoExtBus, PoExtBus Smart, PoRelay8, PlasmaSens and others are internationally registered trademarks.
support: www.poscope.com















