Instruction for
Chocolate Melting Machine
Thank you for buying our product, in order to ensure safe use, please read the Instructions before using and keep it for reference.
| Model | Dimensions(mm) | Volts(V) | Power(w) |
| SCSGH14 | 345x285x295 | 220-240/50HZ | 250 |
Safety Precautions
The following safety precautions must be followed when using the product.
- Please read the relevant instructions carefully before using the products.
- Please don’t share the same power and other high-power appliances to prevent overloading and causing other hazards.
- Never touch the plate or around while the products is working or just close because they are very hot, it could result in a burn.
- If you have a child near the machine, please take extra care to use the product, don’t let children alone and place the product in baby’s hand can reach.
- Don’t allow the product to be used in unattended.
- Please don’t contact the power line with sharp objects and hot surfaces, avoid damaging the power line.
- Always check the power line and plug if damaged, please stop using it once there are signs of damage, then look for a professional worker to repair or replacement.
- Don’t damage, excessively bend, stretch, twist the power line and put heavy objects on the power line, or nip the power line.
- After using it, the thermostat knob should be turned to the “0” position, and then pull the plug from the socket, to avoid the occurrence of leakage or insulation aging shock.
- The product should be installed in a dry, clean, well-ventilated location and placed in a level position.
- In order to ensure safety, the product must be grounded, and install the leakage switch, ensure personal safety, otherwise shall not be used.
- Please pull off the plug until the product is completely cooled before moving, checking or cleaning up.
- Don’t insert or unplug the plug with wet hand, avoiding the risk of electric shock.
No. 2 Note for the first time use
- Please read the Instructions carefully.
- Please check if all switches are in off position.
- Please check all the accessories are complete.
- Please tear up the protective film on the surface of the product, then clean the rust oil and wipe on the surface of the product with a dry cloth.
- The supply voltage must match the voltage specified on this machine.
No. 3 Operating Steps
- Turn on the power switch.
- Adjust the temperature you need.
No. 4 Care and Cleaning
- Unplug the power cable and ensure that the product is cooled completely, then clean and collect.
- Cleaning the cooking surface with a soft cloth or sponge dampened in a mild detergent.
- Please don’t use a wire brush, stiff brush or other corrosive liquids to clean it, avoiding damage to the surface coating.
- Never clean the product by sprinkling water and immersing in water.
No. 5 Special Declaration
- All the contents of this information have been checked carefully, if there is any misunderstanding because of printing and content, our company will reserve the right of final explanations.
- If there is a technical improvement, we will compile new specifications into the Instructions, without prior notice. If the appearance of the product, and color change, please make the object as the standard.
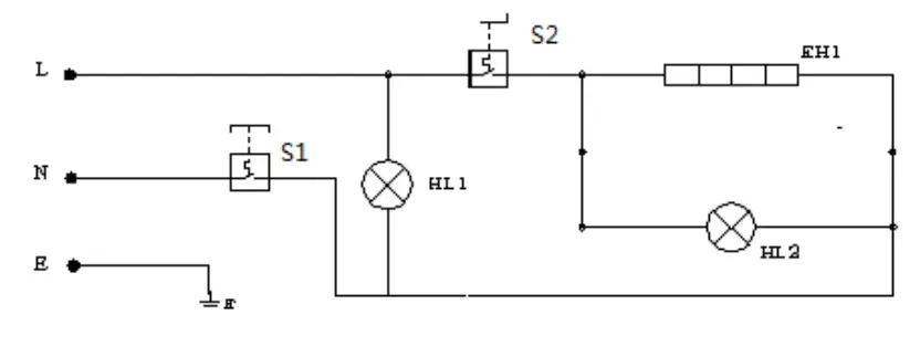
No. 6 Electrical schematic
S1: Power switch
S2: temperature display
HL1: Power indicator light (red, with power switch together)
HL2: Heating element work indicator light (green)
EH1: Heating element


















