
Electronic HH9880-BA Dual Band 5GHz 3×3
MIMO 802.11ac Mini PCIE WiFi Module
User Manual
Product Specifications
HH9880-BA V1.0
IEEE 802.11bgn/ac
Dual Band 5GHz 3×3 MIMO 802.11ac Mini PCIE WiFi
Module
Revision History
| Date | Version | Author | Description |
| 2022/10/24 | 1 | Peter | 1st release |
Photo

Key Features
- Qualcomm Atheros QCA9880
- 2.4GHz max 21dBm & 5GHz max 20dBm output power (per chain)
- IEEE 802.11ac compliant & backward compatible with 802.11a/b/g/n/ac
- 3×3 MIMO Technology, up to 1300Mbps
- Mini PCI Express edge connector
- Supports Spatial Multiplexing, Cyclic-Delay Diversity (CDD), Low-Density Parity Check (LDPC) Codes, Maximal Ratio Combining (MRC), Space Time Block Code (STBC)
- Supports IEEE 802.11d, e, h, i, k, r, v time stamp, and w standards
- Supports Dynamic Frequency Selection (DFS)
- Cards are individually calibrated for Quality Assurance
Product Specification
4.1 Hardware Specification
The Hardware specifications of the product are as below:
| Features | Additional Information | |||
| Chipset Solution | CPU / RF Transceiver : QCA9880 | |||
| Wi-Fi Standard | IEEE 802.11ac compliant & backward compatible with 802.11a/b/g/n | |||
| Operation Voltage | 3.3V | |||
|
Operation Frequency & Channel | – IEEE 802.11b/g/gnu 20MHz ISM Band · USA (FCC): 2.412GHz~2.462GHz · Europe (ETSI) : 2.412GHz~2.472GHz – IEEE 802.11gn 40MHz Band · USA (FCC): 2.422GHz~2.452GHz · Europe (ETSI) : 2.422GHz~2.462GHz – IEEE 802.11a/an 20MHz/40MHz ISM Band · USA (FCC): 5.15GHz~5.25GHz; 5.725GHz~5.85GHz · Europe (ETSI): 5.15GHz~5.35GHz; 5.47GHz~5.725GHz | |||
| Available Interfaces | Mini PCIe interface with PCIe 1.1 3 x U.FL Connectors | |||
| Power Consumption | 5W (Max) | |||
| Modulation | – IEEE 802.11 a/b/g · DSSS (DBPSK, DQPSK, CCK) · OFDM (BPSK, QPSK, 16-QAM, 64-QAM) – IEEE 802.11gn · OFDM (BPSK, QPSK, 16-QAM, 64-QAM) – IEEE 802.11ac · OFDM (BPSK, QPSK, 16-QAM, 64-QAM, 256-QAM) | |||
| Data Rate | – 802.11a/g: 6/9/12/18/24/36/48/54 Mbps & Auto fallback – 802.11b: 1/2/5.5/11 Mbps & Auto fallback – 802.11n: up to 450Mbps – 802.11ac: up to 1300Mbps | |||
| Output Power (Single chain) Tolerance ±2dB
**All modes are measured via single chain | 11b | 1Mbps | 20 dBm | |
| 11Mbps | 20 dBm | |||
| 11g | 6Mbps | 21 dBm | ||
| 54Mbps | 18 dBm | |||
| 11a | 6Mbps | 21 dBm | ||
| 54Mbps | 15 dBm | |||
| 11gn | HT20 | MCS0 | 21 dBm | |
| MCS7 | 14 dBm | |||
| HT40 | MCS0 | 20 dBm | ||
| MCS7 | 14 dBm | |||
| 11an | HT20 | MCS0 | 19 dBm | |
| MCS7 | 14 dBm | |||
| HT40 | MCS0 | 18 dBm | ||
| MCS7 | 14 dBm | |||
|
11ac | VHT20 | MCS0 | 19 dBm | |
| MCS8 | 13 dBm | |||
| VHT40 | MCS0 | 18 dBm | ||
| MCS9 | 13 dBm | |||
| VHT80 | MCS0 | 18 dBm | ||
| MCS9 | 13 dBm | |||
|
Sensitivity (Single chain) | 11g | 54Mpcs | -76dBm | |
| 11a | 54Mbps | -76dBm | ||
| 11gn | HT20 | MCS7 | -73dBm | |
| HT40 | MCS7 | -71dBm | ||
| 11an | HT20 | MCS7 | -74dBm | |
| HT40 | MCS7 | -71dBm | ||
| 11ac | VHT20 | MCS8 | -69dBm | |
| VHT40 | MCS9 | -65dBm | ||
| VHT80 | MCS9 | -61dBm | ||
4.2 Physical specification
The Physical specifications of the product are as below:
The environment specifications of the product are as below:
| Items | Description |
| Operating Temperature | -20°C to 70°C |
| Storage Temperature | -40°C to 90°C |
| Operating Humidity | 5% ~ 95% RH |
| Storage Humidity | Max. 90% |
| Green | RoHS compliant |
| Warranty | 1 year |
| Items | Description |
| Outline Dimension | 29.85 × 50.8 × 3.2 (mm) |
| Weight | ≦ 50g |
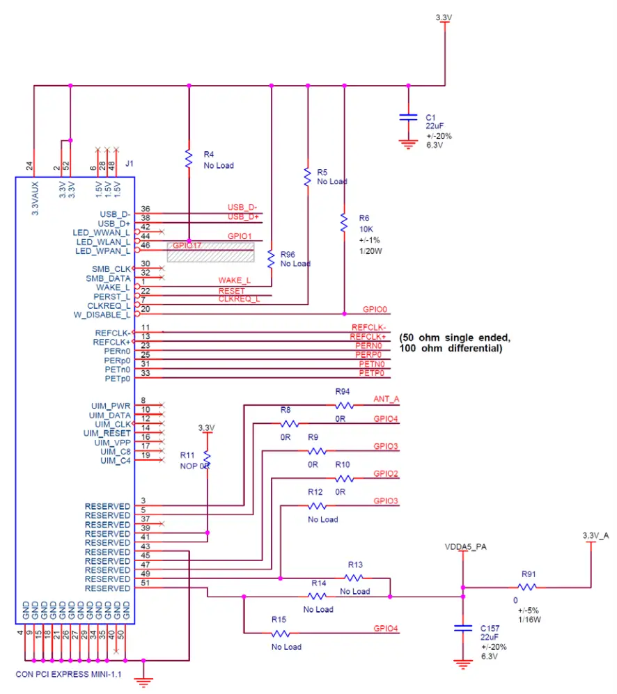
4.3 Environment Specification4.4 Pin Assignment

| Pin Number | Name | I/O | Descriptions |
| 1 | WAKE_L | OD | PCIE_WAKE_L, Active Low |
| 2 | 3.3V | PI | |
| 3 | GPIO19 | I/O | ANT_A |
| 4 | GND | ||
| 5 | GPIO4 | I/O | MCI_DATA_OUT/SM_ANT2 |
| 6 | NC | ||
| 7 | CLKREQ_L | OD | PCIE_CLKREQ_L, Active Low |
| 8 | NC | ||
| 9 | GND | ||
| 10 | NC | ||
| 11 | REFCLK- | IA | Differential reference clock(100 MHz) |
| 12 | NC | ||
| 13 | REFCLK+ | IA | Differential reference clock(100 MHz) |
| 14 | NC | ||
| 15 | GND | ||
| 16 | NC | ||
| 17 | NC | ||
| 18 | GND | ||
| 19 | NC | ||
| 20 | GPIO0 | I/O | W_DISABLE_L, Internal Pull-High, Active Low |
| 21 | GND | ||
| 22 | RESET | IL | PCIE_RST_L, Active Low |
| 23 | PERN0 | OA | PCIE transmit data (-) |
| 24 | 3.3V | PI | |
| 25 | PERP0 | OA | PCIE transmit data (+) |
| 26 | GND | ||
| 27 | GND | ||
| 28 | NC | ||
| 29 | GND |
| 30 | NC | ||
| 31 | PETN0 | IA | PCIE receive data (+) |
| 32 | NC | ||
| 33 | PETP0 | IA | PCIE receive data (-) |
| 34 | GND | ||
| 35 | GND | ||
| 36 | USB_D+ | NC | |
| 37 | NC | ||
| 38 | USB_D- | NC | |
| 39 | NC | ||
| 40 | NC | ||
| 41 | NC | ||
| 42 | NC | ||
| 43 | GND | ||
| 44 | GPIO1 | I/O | W_LED |
| 45 | GPIO3 | I/O | MCI_CLK_OUT/SM_ANT1 |
| 46 | GPIO17 | I/O | BT_LED |
| 47 | GPIO2 | I/O | MCI_CLK_IN/SM_ANT0 |
| 48 | NC | ||
| 49 | NC | ||
| 50 | GND | ||
| 51 | NC | ||
| 52 | 3.3V | PI |
Mechanical Dimensions

RF Performance Table
| Data Rate | TX Power (per chain) | TX Power (2 chains) | Tolerance | |
| 2.4GHz 802.11b | 1Mbps | 20dBm | 23dBm | ±2dB |
| 2Mbps | 20dBm | 23dBm | ±2dB | |
| 5.5Mbps | 20dBm | 23dBm | ±2dB | |
| 11Mbps | 20dBm | 23dBm | ±2dB | |
| 2.4GHz 802.11g | 6Mbps | 21dBm | 24dBm | ±2dB |
| 9Mbps | 21dBm | 24dBm | ±2dB | |
| 12Mbps | 21dBm | 24dBm | ±2dB | |
| 18Mbps | 21dBm | 24dBm | ±2dB | |
| 24Mbps | 21dBm | 24dBm | ±2dB | |
| 36Mbps | 20dBm | 23dBm | ±2dB | |
| 48Mbps | 19dBm | 22dBm | ±2dB | |
| 54Mbps | 18dBm | 21dBm | ±2dB | |
| 2.4GHz 802.11n HT20 | MCS 0 | 21dBm | 24dBm | ±2dB |
| MCS 1 | 21dBm | 24dBm | ±2dB | |
| MCS 2 | 21dBm | 24dBm | ±2dB | |
| MCS 3 | 20dBm | 23dBm | ±2dB | |
| MCS 4 | 20dBm | 23dBm | ±2dB | |
| MCS 5 | 20dBm | 23dBm | ±2dB | |
| MCS 6 | 18dBm | 21dBm | ±2dB | |
| MCS 7 | 16dBm | 19dBm | ±2dB | |
| 2.4GHz 802.11n HT40 | MCS 0 | 20dBm | 23dBm | ±2dB |
| MCS 1 | 20dBm | 23dBm | ±2dB | |
| MCS 2 | 20dBm | 23dBm | ±2dB | |
| MCS 3 | 19dBm | 22dBm | ±2dB | |
| MCS 4 | 19dBm | 22dBm | ±2dB | |
| MCS 5 | 19dBm | 22dBm | ±2dB | |
| MCS 6 | 18dBm | 21dBm | ±2dB | |
| MCS 7 | 16dBm | 19dBm | ±2dB |
| Data Rate | RX Specifications Sensitivity | Tolerance | |
| 2.4GHz 802.11b | 1Mbps | -95dBm | ±2dB |
| 2Mbps | -94dBm | ±2dB | |
| 5.5Mbps | -92dBm | ±2dB | |
| 11Mbps | -90dBm | ±2dB | |
| 2.4GHz 802.11g | 6Mbps | -94dBm | ±2dB |
| 9Mbps | -93dBm | ±2dB | |
| 12Mbps | -92dBm | ±2dB | |
| 18Mbps | -90dBm | ±2dB | |
| 24Mbps | -88dBm | ±2dB | |
| 36Mbps | -85dBm | ±2dB | |
| 48Mbps | -81dBm | ±2dB | |
| 54Mbps | -80dBm | ±2dB | |
| 2.4GHz 802.11n HT20 | MCS 0 | -93dBm | ±2dB |
| MCS 1 | -91dBm | ±2dB | |
| MCS 2 | -89dBm | ±2dB | |
| MCS 3 | -84dBm | ±2dB | |
| MCS 4 | -83dBm | ±2dB | |
| MCS 5 | -78dBm | ±2dB | |
| MCS 6 | -78dBm | ±2dB | |
| MCS 7 | -76dBm | ±2dB | |
| 2.4GHz 802.11n HT40 | MCS 0 | -92dBm | ±2dB |
| MCS 1 | -88dBm | ±2dB | |
| MCS 2 | -85dBm | ±2dB | |
| MCS 3 | -82dBm | ±2dB | |
| MCS 4 | -79dBm | ±2dB | |
| MCS 5 | -75dBm | ±2dB | |
| MCS 6 | -75dBm | ±2dB | |
| MCS 7 | -73dBm | ±2dB |

* List of applicable FCC rules
2.2FCC Part15 Subpart C, Section 15.247
2.3Specific operational use conditions Sufficient Power Supply. Wi-Fi Module is a mini-PCIe module and would be attached to the mini-PCIe interface of the main device.
As the transmitter power would require adequate power supply to the module for good performance, it is important to have at least 3.3V and 1A supplying to the module.
The information in this article, including the URL for reference, if there is any change, without prior
notice.
Documents are provided by the current version without any guaranteed responsibility, including merchantability, suitable for any particular purpose or non-infringement guarantees, and any guarantees presented by any proposal, specification, or sample mentioned elsewhere. This document has no responsibility, including the use of the information within this document produced by the infringement of any patent rights. This document in this, by estoppel or otherwise, grant any intellectual property licensing, whether express or implied license.
2.4 Limited module procedures
Not applicable. The module is a Single module and complies with the requirement of FCC Part 15.212.
2.5 Trace antenna designs
Not applicable. The module has its own antenna, and doesn’t need a host’s printed board micros rip trace antenna etc.
2.6 RF exposure considerations
This equipment complies with FCC radiation exposure limits set forth for an uncontrolled environment. This equipment should be installed and operated with minimum instance 20cm between the radiator & your body.
2.7 Antennas
Antenna Specification are as follows:
Type: Rod antenna
Gain: Wi-Fi 2.4G ANT1/ANT2/ANT3: 2.32dBi
Wi-Fi 5.2G ANT1/ANT2/ANT3: 1.59dBi
Wi-Fi 5.8G ANT1/ANT2/ANT3: 4.51dBi
This device is intended only for host manufacturers under the following conditions:
The transmitter module may not be co-located with any other transmitter or antenna;
The module shall be only used with the External antenna(s) that has been originally tested and certified with this module. The antenna must be either permanently attached or employ a ‘unique’antenna coupler.
2.8 Label and compliance information
Host product manufacturers need to provide a physical or e-label stating “Contains FCC ID:
2A9SPHH9880-BA with their finished product.
2.9 Information on test modes and additional testing requirements Operation Frequency:
WIFI 2.4G:
2412~2462MHz for 802.11b/g/n(HT20)
2422~2452MHz for 802.11n(HT40) WIFI 5.2G: 5180~5240MHz WIFI 5.8G: 5745~5825MHz
Number of Channel:
WIFI 2.4G:
11 Channels for 802.11b/g/n(HT20)
7 Channels for 802.11n(HT40)
WIFI 5.2G:
4 Channels for 802.11a/n(HT20)/ac(HT20)
2 Channels for 802.11n(HT40)/ac(HT40)
1 Channels for 802.11ac(HT80)
WIFI 5.8G:
5 Channels for 802.11a/n(HT20)/ac(HT20)
2 Channels for 802.11n(HT40)/ac(HT40)
1 Channels for 802.11ac(HT80)
Modulation:
WIFI 2.4G: CCK, DQPSK, DBPSK for DSSS; 64QAM, 16QAM, QPSK, BPSK for OFDM
WIFI 5G: OFDM with BPSK/QPSK/16QAM/64QAM/256QAM
Host manufacturer must preform test of radiated & conducted emission and spurious emission, etc. according to the actual test modes for a stand-alone modular transmitter in a host, as well as for multiple simultaneously transmitting modules or other transmitters in a host product.
Only when all the test results of test modes comply with FCC requirements, then the end product can be sold legally.
2.10All the mentioned brand names, trademarks and registered trademarks presented in this document are the property of their respective owners, and hereby declare.
FCC regulatory information
This device complies with Part 15 of the FCC Rules. Operation is subjected to the following two conditions:
(1) this device may not cause harmful interference, and (2) this device must accept any interference received, including interference that may cause undesired operation.
Note:
This equipment has been tested and found to comply with the limits for a Class B digital device, pursuant to part 15 of the FCC Rules. These limits are designed to provide reasonable protection against harmful interference in a residential installation. This equipment generates, uses and can radiate radio frequency energy and, if not installed and used in accordance with the instructions, may cause harmful interference to radio communications. However, there is no guarantee that interference will not occur in a particular installation. If this equipment does cause harmful interference to radio or television reception, which can be determined by turning the equipment off and on, the user is encouraged to try to correct the interference by one or more of the following measures:
– Reorient or relocate the receiving antenna.
– Increase the separation between the equipment and receiver.
– Connect the equipment into an outlet on a circuit different from that to which the receiver is connected.
– Consult the dealer or an experienced radio/TV technician for help.
Warning: Changes or modifications not expressly approved by the party responsible for compliance could void the user’s authority to operate the equipment.

















