
PHILIPS G5 LED Tube InstantFit Light

DBC905
Signal Dimmer Controller
Easy-to-install controller with flexible mounting options
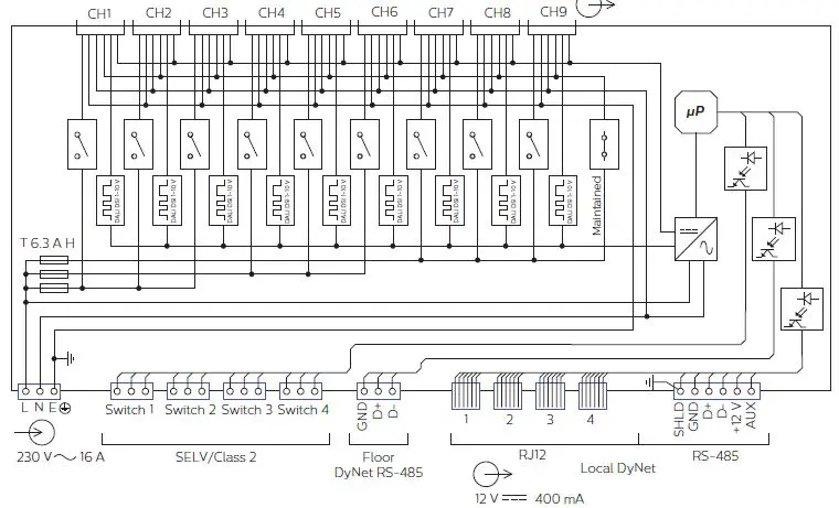
The Philips Dynalite DBC905 is a nine-channel signal dimmer controller, designed for direct installation within ceiling cavities. The device incorporates structured wiring connectors, to enable ready connection without the use of tools.
DBC905
Easy-to-install controller with flexible mounting options
- Multiple protocols supported – Each control output supports DALI broadcast, DALI addressed, 1-10 V and DSI protocols.
- Built-in energy savings – Control signals can be programmed to operate in tandem with five internal switched outputs, which will automatically isolate the power circuit when all associated channels are at 0%. This is a useful feature as DALI drivers still draw significant power when lamps are turned off via a DALI command.
- No tools required – The device is available with connectors suited to three major modular wiring brands – CMS Electragol, Wieland and Wagon.
- Inbuilt diagnostic functionality – Includes lamp and driver failure, circuit run time tracking/lamp life, automated battery tests and Device Online/Offline status indication.
Dimensions
397 mm (15.63 in)

DBC905 Signal Dimmer Controller Specification Sheet.
Specifications
Due to continuous improvements and innovations, specifications may change without notice.
DBC905
Signal Dimmer Controller
Electrical
- Supply Type Single-Phase
- Supply Voltage 230 VAC
- Supply Current 16 A
- DyNet DC Output Voltage 12 VDC
- DyNet DC Output Current 400 mA
- Switched Outputs 9 x 5 A resistive (All versions)
- 1 x Maintained NC 5 A resistive (CMS/Wieland only)
- Electrical Protection (Standard) 3 x 6.3 A Replaceable HRC fuses
- (CH1-CH3, CH4-CH6, CH7-CH9+MO)
- Output Channel Ratings (See below)
- IEC Overvoltage Category III.
Control
- Serial Ports 2 x RS-485
- Supported Protocols DyNet
- Control Channel Outputs 9
- (DALI Broadcast, DALI Addressed, DSI or 1-10 V)
- Control Channel Ratings (See below)
- Control Inputs 4 x voltage-free SPDT switch inputs
- (momentary or latch)
- Dry Contact Inputs 1 (AUX)
- User Input 1 x service override switch
- (All channels to 100%)
- Indicators 1 x diagnostic LED
- Diagnostic Functions Lamp failure
- Driver failure
- Circuit run time tracking/lamp life
- Automated battery tests
- Device online/offline status
Physical
- Dimensions (H x W x D) 189 x 416 x 35 mm (7.44 x 16.38 x 1.38 in)
- Packed Weight 2.0 kg (4.41 lb)
- Construction Moulded ABS Plastic
- Serial Ports 4 x RJ12
- 1 x 6-way pluggable screw terminal
- 1 x 3-way pluggable screw terminal
- Serial Port Conductor Size 2.5 mm2 (#12 AWG) (max)
- Supply Terminals 1 x connector terminal
- CMS/Wieland/WAGO (See Ordering Codes on Page 4)
- Input Terminals 4 x 3-way pluggable screw terminal
- Input Terminal Conductor Size 2.5 mm2 (#12 AWG) (max)
- Output Terminals 9 x connector terminal CMS/Wieland/WAGO
- (See Ordering Codes on Page 4)
Environment
- Operating Temperature 0° to 50°C ambient (32° to 122°F)
- Storage/Transport Temperature -25° to 70°C ambient (-13° to 158°F)
- Relative Humidity 0 to 95% non-condensing
- IEC Pollution Degree II
Compliance
- Certification CE, RCM, UKCA, RoHS For indoor installation only.
Control Channel Ratings
| DALI/DSI | Channel | Device |
| Output Voltage | 12.5 VDC | |
| Guaranteed Current | 15 mA | |
| Maximum Current | 250 mA | |
| Maximum Drivers | 5 | 45 |
| Insulation | Basic | |
| 1-10 V | Channel | |
| Current | sink 10 mA source 10 mA | |
Output Channel Ratings
| General Use | 5 A, 230 VAC 5 A, 230 VAC |
| Electronic Driver | 2 A, 230 VAC |
| Inrush Current | 100 A |
Maximum Group Load
CH1-CH3
CH4-CH6
CH7-CH9 +
Maintained
| Inrush Current | 100 A | 100 A | 100 A |
| Total Device Load | ≤ 15 A | ||

DBC905 Signal Dimmer Controller Specification Sheet
Electrical

Compatible Serial Connectors
| Local DyNet RS-485 | Wieland – Wiecon 8113 (Box 50) | 25.320.3653.0 | 25.320.8653.0 |
| Phoenix Contact – Combicon MSTB 2 (box 50) | 1754520 (5/6-ST) | ||
| PTR | AK950/6-5-0-GREEN | AK950/6L-5.0-GREEN | |
| Switch 1 – Switch 4 Floor DyNet RS-485 | Wieland – Wiecon 8113 (Box 50) | 25.320.3353.0 | 25.320.8353.0 |
| Phoenix Contact – Combicon MSTB 2 (box 50) | 1754465 (5/3-ST) | 1776168 (5/3-STZ-5,08) | |
| PTR | AK950/3-5.0-GREEN | AK950/3L-5.0-GREEN | |
Ordering Code
Electrical
Product
Philips 12NC
DBC905C (CMS connectors) 913703040509
DBC905W (Wieland connectors) 913703040009
2023 Signify Holding. All rights reserved. Specifications are subject to change without notice. No representation or warranty as to the accuracy or completeness of the information included herein is given and any liability for any action in reliance thereon is disclaimed. Philips and the Philips Shield Emblem are registered trademarks of Koninklijke Philips N.V. All other trademarks are owned by Signify Holding or their respective owners.
Revision 06 2023-02-02

















