LOOK Cycle 795 BLADE RS EXPANDER Look Compression Kit

Product Information
The ADS Stem is a high-quality product designed to suit the 795 BLADE RS frames for better integration of routing and easy maintenance. It comes in six different lengths: 80, 90, 100, 110,120, and 130mm. The stem is only compatible with the 795 BLADE RS fork and headset.
Tightening Torques
All adjustments must be carried out using a torque wrench to avoid excessive tightening of the stem leading to the destruction of the fork’s pivot. Please follow the recommended tightening torques.
Pre-Assembly Check
The screws 4 (Fig. 1) have all been treated with a thread lock and need to be tightened to a torque of 6 Nm. After assembling and disassembling, apply a drop of normal thread lock (LOCTITE 243TM type) to avoid any loosening.
Assembly of the Stem
- Fit your headset onto your frame as per the installation instructions for your 795 BLADES RS frame.
- Thread onto the pivot of your fork the number of spacers 7 and 8 (Fig. 1) needed for you to position yourself properly.
- Slide the stem over the fork’s pivot and spacers, ensuring thatit is correctly aligned with the front wheel.
- Insert the four screws (Fig. 2) and tighten them to a torque of8 Nm.
- Insert the top cap (Fig. 2) and tighten it to a torque of 1 Nmwith LOCTITE 222.
Cutting the Fork
The fork’s pivot is not cut when the frame is delivered, allowing for a height adjustment of 0 to 50 mm using spacers 7 and 8 (Fig. 1). To cut the fork, please refer to the installation instructions for your 795 BLADES RS frame.
Expander Assembly and Disassembly
Please refer to the installation instructions for your 795 BLADES RS frame for more information on expander assembly and disassembly.
Maintenance
Please refer to the maintenance instructions provided with your 795 BLADES RS frame for proper maintenance of the ADS Stem.
After Sales Service
If you require any assistance with your ADS Stem, please contact your nearest approved LOOK dealer.
Guarantee
Registering your LOOK bike will make you one of our preferred customers and give you lifetime guarantee on your frame and fork as well as other services. For more information on the terms, special offers, and coverage of the online registration, please visit our website www.lookcycle.com LOOK WARRANTY POLICY section > ONLINE PRODUCT REGISTRATION.
CONGRATULATIONS
You have chosen a LOOK accessory
Thank you for putting your trust in our products. By choosing this LOOK accessory, you get the advantages of a high-tech, French-designed product. Like almost all LOOK products, it is identical to those provided to the big professional teams, which are checked throughout their manufacture and it will give you complete satisfaction. Our products meet the various current European and international standards. LOOK products are protected by industrial property rights For more information, please go to www.lookcycle.com/patents. Before first use, read the whole of the instructions. Follow all the advice given to take full advantage of this high-quality product. For the assembly, we recommend you go to an approved LOOK dealer. LOOK reserves the right to change the product specifications with no prior notice in order to improve it.
Registering your new LOOK bike:
The registration of your LOOK bike will make you one of our preferred customers and also give you a lifetime guarantee on your frame and fork as well as other services.
For more information on the terms, special offers and coverage of the online registration, please visit our website www.lookcycle.com. LOOK WARRANTY POLICY section > ONLINE PRODUCT REGISTRATION.
IMPORTANT INFORMATION
Warning: The ADS stem is only compatible with the 795 BLADE RS fork, it was designed and developed to be assembled with the 795 BLADE RS headset.
Warning: LOOK products are designed and optimized for use by cyclists weighing no more than 100 Kg (220.5 lbs). Warning about Counterfeit Products : The use of counterfeit products is very dangerous and may cause you, and others, to have serious falls, causing serious injury or even death.
For further information, please visit www.lookcycle.com. LOOK WARRANTY POLICY section > COUNTERFEIT GOODS. For further details on IMPORTANT INFORMATION, please visit www.lookcycle.com. LOOK WARRANTY POLICY section > IMPORTANT INFORMATION. If you cannot visit our site, we can provide a printed copy of our warranty policies through your dealer.
INTRODUCTION TO THE PRODUCT
The ADS stem has been developed to suit the 795 BLADE RS frames, to allow better integration of the routing, while keeping the maintenance of the bike very simple.
This stem comes in the following lengths: 80 / 90 / 100 / 110 / 120 / 130 mm.
PRE-ASSEMBLY CHECK 
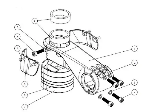
- Body of the ADS stem
- Front cover of the ADS stem
- Washers (x6)
- M5 stem body and cover locking screw (x6) – TORX T25
- Side cover (x2)
- M3 Side cover screw (x4) – TORX T10
- Lower 10 mm spacer (x4)
- Lower 5 mm spacer (x2)
- 1 1/8″ Carbon fibre ring 35 mm external Ø (x2)
TIGHTENING TORQUES
Important: All the adjustments must be carried out using a torque wrench. Excessive tightening of the stem may lead to the destruction of the fork’s pivot and may have serious consequences! Please follow the recommended tightening torques.
Note: The screws 4 (Fig. 1) have all been treated with a threadlock, after assembling and disassembling it a few times, a drop of normal threadlock (LOCTITE 243™ type) will need to be applied.
ASSEMBLY OF THE STEM
You must first fit your headset onto your frame (please refer to the installation instructions for your 795 BLADES RS frame).
The fork’s pivot is not cut when the frame is delivered. It allows a height adjustment of 0 to 50 mm using spacers 7 and 8 (Fig. 1). You can, therefore, easily change your stem height and thanks to the slot on the back of spacers 7 and 8 (Fig. 3) you won’t have to disconnect the handlebar liner.
- Thread onto the pivot of your fork the number of spacers 7 and 8 (Fig. 1) needed for you to position yourself properly.
- Place stem 1 (Fig. 1) on the fork pivot ensuring that the rear clamping screws are loosened.
- You have two choices: you can leave the fork pivot uncut in which case follow the rest of the instructions, otherwise go to the CUTTING THE FORK PIVOT section.

- Place on the top of the stem the number of carbon rings 9 (Fig. 1) needed to have a total of 50 mm of spacer for example If you have 20 mm spacers 7 and 8 (Fig. 1), you need to use 30 mm of carbon rings 9 (Fig. 1). If you have 5 mm spacer 8 (Fig. 1), you need to use 45 mm of carbon rings 9 (Fig. 1).
- Place the expander in the fork (see § 795 BLADE RS expander).
- Tighten your stem on the pivot to a torque of 8 Nm.
- Apply the carbon assembly paste (supplied with your stem) to the handlebars at the point where the stem attaches, and to the stem (inside of body and clamp), ensuring the screw heads and threads remain clean.
- Fit your handlebar onto the stem, tighten the screws to a torque of 6 Nm in a cross pattern (Fig. 4).
- Route your ADH 2 handlebar (recommended) (See instructions for ADH2 handlebar), or some other handlebar that will fit a 31.8 mm diameter.

CUTTING THE FORK
WARNING: Cutting the fork pivot cannot be undone! You will not be able to reach the “high” positions of the stem once the pivot has been cut! If you have any doubt whatsoever about cutting the pivot, try it first with an uncut pivot to make sure that the cut is necessary.
- Place the number of spacers 7 and 8 (Fig. 1) that you want to position yourself properly.
- Thread your stem on spacers 7 and 8 (Fig. 1), following steps 4, 5 and 6 of the STEM ASSEMBLY chapter.
- Disassemble your expander and remove the carbon rings from your fork.
- Make a mark on your fork at the same level as your expander support surface.
- Cut your fork at 5mm below this mark.
- Reassemble your stem and expander according to the recommendations of the instructions (see § Expander).

795 BLADE RS EXPANDER
With your 795 BLADE RS you will find a factory assembled expander developed specifically for the 795 BLADE RS pivot.
- Cap – HEX 6mm Allen – between 10 Nm (min) and 12 Nm (max) Grease the threads
- Compression bolt– 5 mm Allen HEX wrench – to 8 Nm Grease the head and threads
- Upper cone
- Locking rim (x2)
- O ring
- Lower cone – Grease the internal threads
EXPANDER INSTALLATION
- Ensure the steerer tube is correctly cut, 5mm below the contact surface of the expander (Fig.13). If the steerer tube is not cut, this surface will rest on the top of the spacer. Please note that if using a spacer, you must ensure it is perfectly fitted in the stem to avoid any play (see ADS stem manual).
- Degrease the inside of the steerer tube (with isopropyl alcohol) around the entire area the expander will fit into. Do not add any additional lubricant or grease.
- Loosen locking screw 2 (Fig. 12), so that the expander can be slid into the fork pivot without having to force it. Before inserting the expander into the steerer tube, ensure the cap screw is screwed in 3 full turns. The thread will fit into the cone (3), with room remaining to compress the headset.
- Lightly screw the expander into the steerer tube by tightening the locking screw (2) (Fig.12).
- Disassemble the top cap 1 (Fig.12) of the expander.
- Using a torque wrench with a 5mm Allen head, tighten the compression bolt 2 (Fig.12) to 8 Nm.
- Grease the thread and underside of the cap (1) before replacing it (Fig.12).
- Adjust the play in the headset by tightening cap 1 (Fig.12) using a torque wrench with a 6mm Allen head. Ensure it is tightened to torque between 10Nm (min) and 12Nm (max).
- To check if the play is correctly adjusted,
- Tighten the rear stem screws to a torque of 8Nm (see stem manual).
- Check for play in the headset.
- If there is still play, go over the assembly steps again.


EXPANDER REMOVAL
Unscrew locking screw 2 (Fig. 12) so that the expander can be removed from the fork. When performing routine maintenance, disassemble the expander, clean it, and then reassemble using the lubrication recommendations in the preceding table.
MAINTENANCE
Checking and maintenance are important for your safety and the useful life of your product. Poorly maintained bikes and components can break or malfunction, which could lead to an accident in which you could be killed, seriously injured or paralysed. For further information on maintenance requirements, please visit www.lookcycle.com. LOOK WARRANTY POLICY section > MAIN-TENANCE.
AFTER-SALES SERVICE
In spite of all the care we take during manufacture, if a defect appears or if a repair is necessary, contact your authorized LOOK dealer taking the defective product to them with your purchase receipt and tell them about the malfunction.
GUARANTEE
Statutory guarantee: LOOK, through its authorized agents and distributors in the country in which the product was purchased, guarantees its bicycles/frames against faults and hidden defects (1) for a period of two years (2) from the date of purchase.
- Hidden defects are only covered under French law. § 1641 to 1649 of the civil code.
- Some countries or states allow a longer time limit for an implicit warranty, and/or for the exclusion or limitation of direct or consecutive damages which implies that the limit described above would not apply. This limited warranty gives you specific legal rights, but possibly other rights too, which vary according to local legislation.
For further information on maintenance requirements, please visit www.lookcycle.com. LOOK WARRANTY POLICY section > LEGAL WARRANTY.
Lifetime guarantee:
The quality and reliability of our products that we oversee from design to marketing allow us, through our agents and authorized distributors, to offer you, in addition to the legally required guarantees, a free lifetime warranty on LOOK bike frames and forks.
For further information on maintenance requirements, please visit www.lookcycle.com. LOOK WARRANTY POLICY section > LIFETIME FRAME WARRANTY.
LOOK Cycle 795 BLADE RS EXPANDER Look Compression Kit




















