S R Smith 938-335-12 WetDek Splash Pad 12 Jet Pool Kit

INTRODUCTION
The WetDek is designed for use as a residential splash pad. Proper installation, use, and maintenance are essential for optimal performance and to reduce the risk of accident or injury. These instructions are developed and intended for use with either the stand alone or poolside versions of the WetDek with 6, 9, or 12 nozzles.
**IMPORTANT**
Check entire box and inside all packing materials for parts. Before beginning assembly, read the instructions and identify parts using the figures and parts listed in this document. It is critical that all parts be carefully inspected by the installer prior to installation to ensure that no damage occurred in transit and that a damaged part is not used. Proper installation cannot be overstressed, as improper installation voids S.R. Smith’s warranty and may affect the safety of the user.
WARNINGS
This unit must be hardwired only to a supply circuit that is protected by a ground fault circuit interrupter (GFCI). Such a GFCI is required by most building codes and should be
provided by the installer, and must be tested before each use. Consult GFCI manufacturers’ instructions for correct testing and operation. A bonding lug has been provided on the outside of the electrical control box. The lug permits the connection of No. 8 AWG solid copper bonding conductor between the controller and all other electrical equipment and exposed metal in the vicinity. ALL ELECTRICAL CONNECTIONS MUST COMPLY WITH NATIONAL ELECTRIC CODE, AS WELL AS ANY APPLICABLE LOCAL CODES. A LICENSED ELECTRICIAN MUST BE USED FOR ALL ELECTRICAL CONNECTIONS.
The custom circuit board in the WetDek AquaDirector Controller has been tested before leaving the manufacturing plant. A BLOWN CIRCUIT BOARD IS NOT COVERED UNDER THE WARRANTY OF THIS PRODUCT. It is important to have a licensed electrician install the AquaDirector. Also, it is important that they read the instructions provided here and the wire diagram in the controller to insure that the circuit board is not damaged.
DANGER RISK OF ELECTRICAL SHOCK. Install at least 5 feet (1.5m) away from all metal surfaces. A WetDek may be installed within 5 feet of metal surfaces if each metal surface is permanently connected by a minimum No. 8 AWG solid copper conductor that is bonded to the control box. Do not permit any electrical appliance such as a light, telephone, radio, or television within 5 feet (1.5m) of a WetDek.
EXTREME CAUTION adult supervision required during use. Do not leave children unattended around the WetDek. To avoid accidents and injury, insure that children cannot use the Wetdek unless they are supervised by a responsible adult at all times. Do not use the WetDek if the drain cover or nozzles are broken or malfunctioning in any way. A broken drain cover can cause severe injury so examination of drain before each use is critical. Insure before use that drain cover is secured and that drain is functioning properly. Note: the WetDek is not intended to be a wading pool of any sort; do not allow use if pooling or back up of water occurs.
CHEMICAL SAFETY Play it safe with chemicals. Maintain sanitizer level of 3-5 ppm of bromine or chlorine. There is risk of illness if the water is not properly sanitized. Follow all chemical manufacturers’ recommendations to insure proper sanitation. Always store chemicals according to the manufacturer’s label directions and keep them out of reach of children. The stand alone model reservoir should be emptied at least every two months.
WETDEK PARTS LIST
| Poolside | Stand Alone | ITEM NO. | QTY. | PART NO. | DESCRIPTION |
| X | X | 1 | 1 | 30011 | WetDek AquaDirector Controller |
| X | X | 2 | 6, 9, 12 | 31000 | Brass Nozzles |
| X | X | 3 | 4 | 30005 | 1” HPV Valves |
| X | X | 4 | 4 | 30006 | 1” Valve Manifold Tee |
| X | X | 5 | 1 | 30007 | 1” Globe Valve |
| X | X | 6 | 1 | 30013 | 8” Drain w/ 6” ABS Hub |
| X | X | 7 | 1 | 30014 | 6” ABS to 4” PVC Converter |
| X | 8 | 1 | 30001 | ¾ HP Pump | |
| X | 9 | 1 | 30015 | 25sf Filter Housing/Chlorinator | |
| X | 10 | 1 | 30004 | 150 Gallon Reservoir w/ Fittings |


ITEMS NEEDED FOR INSTALLATION
- PVC Pipe (4″, 1.5″ and 1″, length varies)
- PVC Fittings (Varies)
- PVC Primer
- PVC Glue
- 8 AWG Copper Bonding Wire
- 16 AWG Electrical Wire (Valves)
- 8 AWG Electrical Wire (Pump)
- Level
- PVC Saw
- Wire Cutters
- Tape Measure
- Valve Box (optional)
- 1″ Spigot (optional)
WETDEK INSTALLATION GUIDELINES
The WetDek can be installed as a stand alone product or as a poolside feature. Each model requires variations in installation. There is also a section of common installation requirements and a section for optional additions that can be added to the system.
BACKYARD STAND ALONE MODEL

The stand alone version of the WetDek, shown in FIGURE 1, requires the installation of a dependent pump and filtration system, as well as the placement of a 150 gallon reservoir. This is in addition to the valve manifold, control box, and spray pad area that are required for all WetDeks. Because the WetDek is based upon a gravity drain, the top of the reservoir must be located at least 6 inches lower than the drain.
This means that the reservoir should either be positioned below ground level or placed downhill from the WetDek surface (if the tank is located underground, DO NOT BACKFILL AROUND OR ON TOP OF THE TANK WITHOUT PROPER REINFORCEMENT OR TANK MAY COLLAPSE). The maximum change in height from the WetDek surface to the standing level of water in the reservoir is 5 feet; if more height is required contact S.R. Smith. DO NOT HOOK THE WETDEK UP TO A SUCTION RETURN.
- The 150 Gallon Reservoir (10) has four fittings that are pre-attached to the tank.
There are three 1 ½” female threaded fittings and one 4” female threaded fitting.
The dimensions for the tank are as follows: 32” diameter, 51” height. - The 4” fitting is designated for the drain line.
- The three 1 ½” fittings are in-line with each other, and are located 90 degrees from the 4” drain line, as shown in FIGURE 2.

- The lowest fitting is designated for the suction line to the pump.
- The middle fitting is designated for the recirculation/bypass line returning from the valve manifold.
- The top fitting on the reservoir should be connected as an overflow pipe or as an auto-fill. If used as an overflow pipe, it should run to a French drain or other overflow area.
- The ¾ HP Pump (8) and 25sf Filter/Chlorinator (9) should be setup as shown in FIGURE 3.

- The ¾ HP Pump (8) and 25sf Filter/Chlorinator (9) require 1 ½” PVC pipe for both inlet and outlet.
- The inlet of the pump should be connected to the lowest 1 ½” fitting on the reservoir; the maximum height for the self-priming pump above the waterline in the reservoir is 7 ft.
- The pump outlet should run directly to the filter/chlorinator.
- From the filter/chlorinator to the valve manifold the pipe should stay at 1 ½” as long as possible to reduce pressure loss in the pipe, but it needs to be scaled down to 1” before the valve manifold.
- The pump for the stand alone version of the WetDek should be wired directly to the control box that comes with the WetDek. THIS CONNECTION MUST BE DONE BY A LICENSED ELECTRICIAN. This will regulate when the pump runs in unison with the valves. The pump and controller run off of a 115 Volt power source. The WetDek AquaDirector Controller (1) is rated as a NEMA 3R enclosure, which allows it to be placed indoors or outdoors.
- The valve manifold for the Stand Alone version should be setup as shown in FIGURE 4.
- Each of the 1” Manifold Tees (4) should be attached to one of the 1” HPV Valves (3). This is done by threading the male portion of the manifold tee to the female inlet side of the valve. It is important to insure that the valve is placed in the correct direction for the system to work properly.
15. It is also important to insure that the valves are all in the same orientation before attaching the Manifold Tees (4) as shown in FIGURE 4. - The Manifold Tees (4) should first be wiped with a PVC Primer and then given a liberal amount of PVC Glue on one of the surfaces before connecting the male and female ends.
- The first three valves will each connect to one of the zones controlled by the WetDek AquaDirector Controller. The order is not important.
18. The fourth valve will control the daily recirculation function that is vital for the Stand Alone version of the WetDek to insure that the water remains clean. - The last portion of the valve manifold should connect the 1” Globe Valve (5) from the end of the valve manifold to the same line as the recirculation line, as shown in FIGURE 4. This will work as a bypass and will allow you to manually adjust the heights of the water spray for the whole system.

POOLSIDE MODEL

- The proper layout for the WetDek poolside plumbing is located in FIGURE 5.
- The poolside version of the WetDek should run off of an independent pump from the rest of the pool. This independent pool pump will need to provide the following gallons per minute (GPM): a six nozzle model will require 18 GPM minimum, a nine nozzle model will require 27 GPM minimum, and a twelve nozzle model will require 36 GPM minimum. This pump should be powered through the WetDek AquaDirector Controller (1) in the same manner as the Stand Alone version.
- Alternately, if the pool equipment is controlled by an intelligent system (i.e. Easy Touch, AquaLink) then the pool pump can be setup to provide the water flow required. This will be covered in the WetDek AquaDirector Controller Installation section.
- The drain must be a minimum of 6” above the surface of the water in the adjacent pool. This will help to eliminate puddles from forming on the surface. The drain should run directly to the pool and MUST NEVER BE CONNECTED TO A SUCTION RETURN. If bulkhead fittings are used, the 4” drain line can be split into two 1 ½” lines that run into the pool.
- For existing pools, where bulkhead fittings would be difficult, it is possible to hook up the drain line to the pool return line as long as it is not connected to the suction side.
- The WetDek should have its own 1 ½” or 2” pipe coming off of the independent pump. This should be sized down to 1” pipe right before the valve manifold.
- The valve manifold for the Poolside version should be setup as shown in FIGURE 6.
- Each of the 1” Manifold Tees (4) should be attached to one of the 1” HPV Valves (3). This is done by threading the male portion of the manifold tee to the female inlet side of the valve. It is important to insure that the valve is placed in the correct direction for the system to work properly.
- It is also important to insure that the valves are all in the same orientation before attaching the Manifold Tees (4) as shown in FIGURE 6.
- The Manifold Tees (4) should first be wiped with a PVC Primer and then given a liberal amount of PVC Glue on one of the surfaces before connecting the male and female ends.
- The first three valves will each connect to one of the zones controlled by the WetDek AquaDirector Controller. The order is not important.
- The last portion of the valve manifold should connect the 1” Globe Valve (5) from the end of the valve manifold back to the pools return line, as shown in FIGURE 6. This will work as a bypass and will allow you to manually adjust the heights of the water spray for the whole system.

COMMON INSTALLATION INSTRUCTIONS
1. The nozzles can be placed in any of the examples presented in the WETDEK CONFIGURATION EXAMPLES & GUIDELINES section. Please note: all nozzles must be approximately the same distance from the valves to assure that the height of the water streams remains constant.
2. The slope of the surface needs to have a minimum two degree slope toward the drain. This means that for every foot of radius there needs to be a quarter inch drop, e.g. 14 ft. diameter pad means a 7 ft. radius, so the pad should drop 1 ¾ in. from the edge of the pad to the drain.
20. The nozzles must be at least two feet from the edge of the pad to prevent overspray. The nozzles have adjustable ball valves that can be aimed in any direction, up to 60 degrees.
21. The distance from the pump to the valves and from the valves to the nozzles is important. Depending on the distance, the diameter of pipe needs to vary for optimal performance. TABLE 1 and FIGURE 7, below, show the size of pipe required for varying distances of pipe.
TABLE 1 – Maximum Pipe Distance due to Viscosity
| Distance (Ft) | Pump to Valves (Pipe Diameter in Inches) | Valves to Nozzles (Pipe Diameter in Inches) |
| 50 | 1.5 | 1 |
| 100 | 1.5 | Not Recommended |
| 150 | 2 | Not Recommended |
| 200 | 2 | Not Recommended |
| 250 | Not Recommended | Not Recommended |
5. The valves should be placed either in the pump house or in a valve box near the intended WetDek surface. The valves can only be placed in a pump house if the pad is within 50 feet of the WetDek surface.
6. The drain requires a 4” pipe to drain the surface efficiently.
7. The nozzles are designed with a 1” male threaded connection. The valves are designed with 1” female threaded connections.
8. The valves should be attached to the control box with a minimum of 16 gauge electrical wire. The valves are 24 Volt AC, so each valve needs to be attached with two separate wires; there is no common ground. The first three valves can be attached in any order, but the fourth valve is designed as the recirculation line and should be attached accordingly.
OPTIONAL INSTALLATION ADD-ONS
The following items are not provided with your WetDek kit but can be purchased additionally from many local suppliers.
- ADDITIONAL GLOBE VALVES: To help control the height of each individual zone it is required that a 1” Globe Valve (5) be placed after each 1” HPV Valve (3) as shown in FIGURE 8. This allows the WetDek to be customized even more. Water heights can be set to the exact same level or setup on a tiered system that separates each zone by measured increments.
- SPIGOT FOR STAND ALONE: A spigot can be incorporated in the stand alone version of the WetDek to allow for draining the reservoir, as shown in FIGURE 9; this spigot should be located between the pump (8) and filter/chlorinator (9). The spigot must be easily accessible to allow for connection to a hose. No spigot is required for the poolside version because the pool will have its own drain system.
- UNION FITTINGS: It is also a good idea to use union fittings before and after each piece of equipment used in the WetDek system to allow for easy repair or replacement. This is also shown in FIGURE 9.
- AUTO-FILL: Another optional item for the Stand Alone version of the WetDek, an Auto-Fill can be attached to the top 1 ½” fitting on the Reservoir to regulate the water level in the tank, as shown in FIGURE 10.
This is recommended for WetDeks located in hot climates where evaporation will have a greater effect on water levels. - VALVE BOX: If the valvemanifold needs to be moved closer to the pad because of distance requirements (maximum distance from the valve manifold to furthest nozzle is 50’), it is recommended that the valves be buried and placed in a standard green valve box used for sprinkler systems. This can be used for either the Stand Alone or Poolside versions.
WETDEK AQUADIRECTOR CONTROLLER INSTALLATION
The WetDek System Controller requires an onsite licensed electrician to install. These guidelines should be used to insure that the controller has been installed properly.

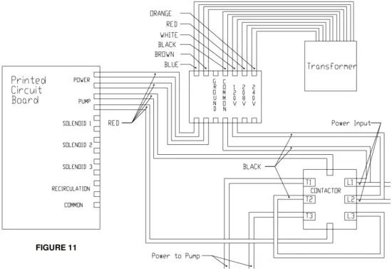
- FIGURE 11 shows the internal wiring for the WetDek AquaDirector Controller. The WetDek controller is manufactured to handle 120V input; this diagram shows how to install the standard configuration for 120V power. Please read this section carefully to prevent damage to the circuit board. All circuit boards are tested twice before they leave our shop to insure that they are operational. A blown circuit board is not covered under warranty.
- All wires that enter the controller should be placed in NEMA-3R, or higher, rated fittings. For UL purposes, the electrician installing the controller must drill these holes onsite and place the fittings.
- The first wires connected should run to the solenoid valves and recirculation lines. These wires connect to the Printed Circuit Board, and are labeled as follows: SOL1, SOL2, SOL3, RECIRC. The valves are 24V AC, which means that each valve needs two wires to run directly from the board to the valve. There will not be a common wire used for the valves. If the solenoid valve wires are touching this will cause continuance in the circuit and will blow the circuit board.
- The next item connected should be the pump, and this should be connected to the contactor in the inputs labeled T1 and T3.
- The last wires connected should be the power wires, and these run to the contactor as well but on the side labeled L1 and L2. (There are already black wires running to L1 and L2, but the power should be wired next to these wires.) If you use a 240V power source on the system as manufactured you will overload the transformer and blow the circuit board.
- It is possible to run the system at 240V if you are using a pump that requires this much voltage. To do this you must switch the wire that runs from the contactor to the terminal block, as shown in FIGURE 12. This wire needs to be moved to the terminal that reads 240V on the terminal block. This should be done before any other wiring is attached to the controller.
The WetDek AquaDirector can be hooked up to a pool control system, such as the Easy Touch or Aqua Link. This is accomplished by powering the AquaDirector from one of the free relays on the pool control system. It is important to follow all of the installation guidelines in this section to avoid damaging the AquaDirector. If attached to a pool control system, it is possible to run the pump through the pool control system instead of the AquaDirector, but it is important to insure that the pump cannot be running when the AquaDirector has stopped running. The AquaDirector is designed to default to an ON position for 30 minutes every time power is returned to the system. It will also remember the last program that was used.
If the pump is setup independently of the AquaDirector, it should be placed on a timer that shuts the pump off after 30 minutes to prevent damaging a component of the system (i.e. pump, valves, etc…)
WETDEK CONFIGURATION EXAMPLES & GUIDELINES
When building your WetDek configuration, follow these guidelines for best results.
- All piping from valve to nozzle should be approximately the same length. This will insure that the water shoots equally from each nozzle.
- To avoid forming puddles, make sure that the drain is located at the lowest point and that the surface has a steady slope.
- Nozzles must be placed so that top surface is level. The surface can slope around the nozzle, and the ball on the nozzle can be adjusted to aim the water after installation.
- Surface options are up to the installer; we recommend using stamped or brushed concrete.
ANY SURFACE USED WITH THE WETDEK MUST MEET ANY LOCAL OR NATIONAL CODES FOR NON-SLIP SURFACES AND HEALTH SAFETY.
The following images show the pipe layouts for the nozzles for various pad configurations. These are some stock examples, but custom designs are encouraged to give each project a unique feel. Nozzles should be divided evenly amongst the three zones (Two nozzles per zone for a 6 nozzle kit, three nozzles per zone for a 9 nozzle kit, and four nozzles per zone for a 12 nozzle kit). Nozzles can be placed anywhere on the loop to allow for maximum customization.

| PAD SIZE | A* | B* | C* |
| 11’ Diameter (6 Nozzles) | 84 | 48 | 24 |
| 13’ Diameter (9 Nozzles) | 108 | 72 | 36 |
| 15’ Diameter (12 Nozzles) | 132 | 96 | 48 |
TABLE 2 *All dimensions given in inches

| PAD SIZE | A* | B* |
| 12’ x 12’ (6 Nozzles) | 24 | 84 |
| 14’ x 14’ (9 Nozzles) | 36 | 108 |
| 16’ x 16’ (12 Nozzles) | 48 | 132 |
TABLE 3 *All dimensions given in inches

| PAD SIZE | A* | B* | C* |
| 12’ x 8’ (6 Nozzles) | 96 | 6 | 24 |
| 14’ x 10’ (9 Nozzles) | 120 | 12 | 36 |
| 16’ x 12’ (12 Nozzles) | 144 | 18 | 48 |
TABLE 4 *All dimensions given in inches
OPERATING THE CONTROLLER
The control box that operates the WetDek has three buttons, which are used to control the system, and four lights, as well as a four digit numerical display. The three buttons are labeled “Sel”, “Inc/+”, and “Dec/-“. The four lights are labeled “Program Select”, “Run Time”, “Recirc Start”, and “Time of Day”.
Buttons
| Sel | This button allows you to change between the different light functions |
| Inc/+ | This button will increase the variable on the numerical display by one. To increase time quickly, press and hold the button down |
| Dec/- | This button will decrease the variable on the numerical display by one. To decrease time quickly, press and hold the button down |
Lights
| Program Select | There are five programs to choose in the “Program Select” light, numbered 1-5: program 1 is a set pattern of one zone at a time with variable timeframes, program 2 is a set pattern of two or three zones for variable timeframes, program 3 is a randomized spray of variable time, program 4 is all of the jets spraying continuously, and program 5 cycles through all four of the other programs |
| Run Time | The run time can be set from 1 minute to 23 hours and 59 minutes. The system will shut itself off after the time frame has elapsed |
| Recirc Start | The start time for the recirculation function of the control box. It is meant to control the fourth solenoid valve and determines what time of day that it should run at. Generally, you would pick a time when the system would not normally be running because it will take away from the overall performance of the WetDek. Recirculation is only required on Stand Alone versions of the WetDek |
| Time of Day | Time of Day is set as a reference for the recirculation line and should remain constant, even if the box is unplugged because a battery is present to run the clock. |
COMMONLY ASKED QUESTIONS
- How do you hook up the controller to Pentair, Jandy and Hayward controllers? Just one power cord going from the SRS box to the controller. It will only use one relay on the automation system and will only control turning the box on/off.
- What size pump is required for the pool kit version? The builder should know the capabilities of the preexisting equipment. The size of the pump and filter will always be determined by the hydraulics and the body of water. Things like how far away the equipment is, to plumbing size or number of fittings, can determine this.
- How thick should the concrete slab be? Should rebar be used? The concrete slab should be 4” thick, and does not require rebar (although some local codes might require that rebar be used). The nozzles need to be grounded so this will help; otherwise, copper wire must be connected from each of the nozzles to a grounding point.
- What should the slab size be for either a square or round pad for each unit? What about different shape slab; will SRS help with jet and drain placement? For a 6 nozzle WetDek the recommended minimum size is either an 11’ diameter circle or a 12’ x 12’ square. This is to minimize the amount of water lost. Obviously someone could put it in a smaller pad, but an auto-fill would become a necessity and other issues could come up, so we do not recommend using a smaller pad.
SR Smith can help design custom pads but the customer will be charged for this service. - How to keep water from entering the drain in the winter? The easiest way to do this would be to keep the cover (which is plastic) or use a similar material and place it under the grate and tighten it in place.
- Can the nozzles be placed in the deck of a new pool and shoot water into the pool? Yes, there are endless possibilities for location of the nozzles and this one simplifies the process because of the removal of a drainage system.
- How long does it take to complete the whole job on a stand alone with 6 nozzles? Generally 3 days but after completing a few units this should be reduced to 1.5 to 2 days.
WETDEK CARE & MAINTENANCE
There are a couple of areas of the WetDek that require regular maintenance: water, plumbing, and the pump. Routine checks will help prolong the life of all components of the WetDek.
WATER TESTING
It is recommended that you test your WetDek water regularly with an accurate test kit or test strips. These are available from your local Pool & Spa Dealer. Also, be sure to follow chemical manufacturers’ instructions for chemical use.
pH CONTROL
All water solutions have pH, which is a measure of the acid to base relationship. A pH reading of 7.0 is neutral, a lower reading is acidic and a higher reading is basic. The proper pH for WetDek water is between 7.4 and 7.6 High pH (above 7.6) can reduce sanitizer efficiency, cloud the water, promote scale formation on surfaces and equipment, and interfere with filter operations. When pH is too high, add a pH decreaser. Low pH (below 7.2) is equally damaging and can cause equipment corrosion, water that is irritating, and rapid sanitizer dissipation. Add pH increaser to bring the pH higher.
It is important to use scale and stain inhibitor weekly to prevent calcium deposits from damaging your WetDek and equipment. If this happens, it could void the warranty. Refer to your chemical handbook for further information on water chemistry and troubleshooting.
DRAINING THE WATER
Locate the spigot between the chlorinator and valve manifold. Attach a garden hose and open the valve.
The controller should be set to recirculation during draining. Any water that the pump does not remove should be sucked out with a wet/dry vacuum.
FILTER MAINTENENCE
At least once a month, (or more often based on environmental conditions) check and clean the skimmer basket of the pump to ensure proper flow. Remove leaves, foreign matter and debris when present. It is also very important to maintain your WetDek filter cartridge clean and free of particles that can obstruct water flow. A clean filter will permit the system to function properly and also allows more efficient filtering.
Depending on how frequently your WetDek is used, we recommend cleaning the WetDek filter cartridge every four to six weeks. If this is not done, the filter may clog and restrict water flow, which causes inadequate filtration and poor nozzle performance.
CLEANING THE FILTER
Carefully pull up the filter cartridge and bring it out of the WetDek. Rinse cartridge using a garden hose. Rotate and separate filter pleats while spraying water to remove all debris possible. Let the filter dry and look for calcium deposits (scaling) or an oil film. If you find these, you will need to deep clean your filter cartridge with a “spa filter cleaning” solution to break down and remove mineral deposits and oils.
WINTERIZATION
You must winterize the WetDek when freezing temperatures are expected or if prolonged periods without use are expected; this will help protect all components. Water should be drained from the reservoir in the stand alone model, and water should be cleared from the pump, filter, chlorinator, and all piping. The balls in the nozzles should be rotated so that no water can drain into them, and then tightened.
IMPORTANT
PERSONALLY GIVE TO OWNER THIS WETDEK OWNER’S MANUAL, THE WARRANTY CARD AND ANSWER ALL QUESTIONS.
OFICINAS GENERALES
PLANTA OCCIDENTAL DE VENTAS Y FABRICACIÓN
P.O. Box 400 ● 1017 SW Berg Parkway
Canby, Oregon 97013
(503) 266-2231 ● Fax (503) 266-4334
www.srsmith.com























