Pioneer GEX-P920XM XM satellite radio at Crutchfield

Connecting the Units
Note:
- This unit is for vehicles with a 12-volt battery and negative grounding. Before installing it in a recreational vehicle, truck, or bus, check the battery voltage.
- To avoid shorts in the electrical system, be sure to disconnect the ≠ battery cable before beginning installation.
- Refer to the owner’s manual for details on connecting the power amp and other units, then make connections correctly.
- Secure the wiring with cable clamps or adhesive tape. To protect the wiring, wrap adhesive tape around wires that lie against metal parts.
- Securely route all wiring so it cannot touch any moving parts, such as the gear shift, handbrake and seat rails. Do not route wiring through places that get hot, such as near the heater outlet. If the insulation of the wiring melts or gets torn, there is a danger of the wiring short-circuiting to the vehicle body.
- Don’t pass the yellow lead through a hole into the engine compartment to connect to the battery. This will damage the lead insulation and cause a very dangerous short.
- Do not shorten any leads. If you do, the protection circuit may fail to work when it should.
- Never feed power to other equipment by cutting the insulation of the power supply lead of the unit and tapping into the lead. The current capacity of the lead will be exceeded, causing overheating.
- When replacing the fuse, be sure to only use a fuse of the rating prescribed on the fuse holder.
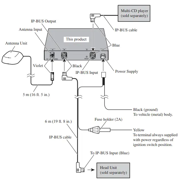
- To prevent incorrect connection, the input side of the IP-BUS connector is colored blue, and the output side is colored black. Connect the connectorsof the same colors correctly.
To safeguard from electromagnetic interference
- In order to prevent interference, set the following items as far as possible from this unit, its cables or leads:
- TV antenna and antenna lead
- FM, AM antenna and its lead
- GPS antenna and its lead
In addition route each antenna lead as far as possible from other antenna leads. Do not bind them together, lay or route them together, or cross them over each other. Increased interference could lead to TV reception appearing fuzzy.
- Cords for this product and those for other products may be different colors even if they have the same function. When connecting this product to another product, refer to the manuals supplied with both products and connect cords that have the same function.
Connection Diagram

Installation
Note:
- Before making a final installation of the unit, temporarily connect the wiring to confirm that the connections are correct and the system works properly.
- Use only the parts included with the unit to ensure proper installation. The use of unauthorized parts can cause malfunctions.
- Consult with your nearest dealer if installation requires the drilling of holes or other modifications of the vehicle.
- Install the unit where it does not get in the driver’s way and cannot injure the passenger if there is a sudden stop, like an emergency stop.
- When mounting this unit, make sure none of the leads are trapped between this unit and the surrounding metalwork or fittings.
- Do not mount this unit near the heater outlet, where it would be affected by heat, or near the doors, where rainwater might splash onto it.
- Before drilling any mounting holes always check behind where you want to drill the holes. Do not drill into the gas line, brake line, electrical wiring or other important parts.
- If this unit is installed in the passenger compartment, anchor it securely so it does not break free while the car is moving, and cause injury or an accident.
- If this unit is installed under a front seat, make sure it does not obstruct seat movement. Route all leads and cords carefully around the sliding mechanism so they do not get caught or pinched in he mechanism and cause a short circuit.
- When installing this unit, do not stack it with other products (e.g. do not stack with the hide-away TV tuner) as there is the possibility of the XM tuner interferring with the other unit, and causing poor reception.
- Install the antenna on as flat a place as possible.
- Do not paint the antenna, as this may affect its performance.
- Do not place items such as magnetic cards close to the antenna because it has a powerful field of magnetism.
- The antenna may be less sensitive when it is snowing.
- When installing the antenna with magnet, be careful not to scratch the vehicle body.
- Be sure to detach the antenna and place inside the vehicle every time you enter a carwash. If it is left on the outside it may be knocked off and scratch the vehicle body.
Installing the Unit
Mounting with Brackets

Installing the Antenna Unit
Installation using the magnet of the antenna
Note:
- If the antenna is mounted on the vehicle’s roof, it can be installed in positions other than those in the diagram. To ensure the best reception, mount more than six inches away from the edge of the roof.
- If mounted in an exterior location on the vehicle other than the vehicle’s roof, reception may be poor.
- Do not install inside the vehicle, as reception will be extremely poor.
Secure the antenna cable
Route the antenna cable
When routing the lead inside the trunk
When routing the lead through the top of the door
Note:
- Secure the antenna cable with the supplied clamps where required.
- Use clamps to secure the lead where necessary inside the vehicle.
Printed in Thailand
- <CRB2103-A/N> UCC
- <05C00000>


















