SO-LOW NU40 Ultra Low Freezers

Product Information
This product is a freezer designed to store items at low temperatures. It comes with safety precautions that need to be followed before using the unit to reduce the risk of fire, electric shock, or injury to persons. The user manual provides detailed information on various aspects of the unit, including starting instructions, pre-installation information, freezer storage procedure, alarm battery replacement, cleaning procedure, defrosting procedure, cleaning air condenser, changing setpoint/operation temperature, alarm system, dry contact relay, and maintenance checklist diagrams. The manual also contains various symbols used to ensure safe usage of the unit.
Product Usage Instructions
- Read all instructions and follow basic safety precautions before using the unit.
- Do not modify the plug provided with the freezer. If it will not fit the outlet, have a proper outlet installed by a qualified electrician.
- Ensure that the freezer is positioned at least 6 inches away from any wall or object on any side.
- Do not position equipment so it is difficult to disconnect from the power supply.
- While under warranty, do not attempt to repair or replace any part of the freezer for servicing without first contacting the So-Low Service Department.
- Save the instructions for future reference.
- Refer to the illustrated symbols in the manual to use the unit safely.
- If you see a caution symbol with a black lightning bolt on a yellow background, be cautious of the risk of electrical shock.
- If you see a warning symbol with a black exclamation point on a yellow background, refer to the accompanying documents for caution.
- Before any technical service is performed, unplug the unit and switch off the electrical breaker.
- Covers on the back/side of the freezer may only be removed by authorized personnel. Failure to re-install cover could result in a hazard.
- The unit must be operated on a dedicated electrical line. Using a non-dedicated line may result in unit startup failure.
- Plug the unit only into the proper outlet. Do not attempt to modify the plug in any way. Improper use of the electrical plug will void the warranty.
- Disconnect the unit from the power supply before performing maintenance on the unit.
- For upright units, protect the control from dripping water by placing a cloth or towel on the leading edge of the cooling chamber above the control to deflect/absorb water that could drain onto the control.
WARNING: READ BEFORE CONTINUING
To reduce the risk of fire, electric shock or injury to persons using this freezer, read all instructions and follow basic safety precautions before using the unit, including the following:
- Do not modify the plug provided with the freezer. If it will not fit the outlet, have a proper outlet installed by a qualified electrician.
- Do not position equipment so it is difficult to disconnect from the power supply. freezer must be at least 6” away from any wall or object on any side.
- While under warranty, do not attempt to repair or replace any part of the freezer for servicing without first contacting the So-Low Service Department.
SAVE THESE INSTRUCTIONS
SYMBOLS AND STARTING INSTRUCTIONS
Explanation
MEANING OF ILLUSTRATED SYMBOLS
ILLUSTRATED SYMBOLS
- Various symbols are used in this safety manual in order to use the unit without danger of injury and damage of the unit. Be sure that you understand the warnings and cautions in this manual before operating the unit.
CAUTION
- BLACK WITH YELLOW BACKGROUND LIGHTNING BOLT
- CAUTION, RISK OF ELECTRICAL SHOCK
WARNING
- BLACK WITH YELLOW BACKGROUND EXCLAMATION POINT
- CAUTION, REFER TO THE ACCOMPANYING DOCUMENTS
STARTING INSTRUCTIONS
- Move the freezer to an indoor location, and plug the freezer into an appropriate outlet with an adequate power supply. Consult your maintenance department for additional information on the proper electrical configuration for this unit.
- Once plugged in, the compressor(s) will start to operate and pull down to the setpoint on the temperature control. The freezers default setpoint is -85°C for cascade units, and -40°C for single stage units.
- Allow the freezer to reach the setpoint temperature. Depending on the size of the unit, this may take up to 12 hours.
- Product can now be loaded into the freezer for storage.
To prevent overloading the cooling system, product should be loaded gradually, in batches. Allow the temperature to recover to setpoint before the next batch of product is loaded into the unit.
UNIT REQUIREMENTS
Unit Information
PRE-INSTALLATION INFORMATION
RANGE OF ENVIRONMENTAL CONDITIONS
FOR WHICH THIS EQUIPMENT IS DESIGNED
- Indoor use.
- Altitude up to 2000m.
- Ambient temperatures 15°C to 30°C ( 60°F TO 85°F)
- Recommended humidity range of 30% to 90%.
- Mains supply fluctuations up to -5% to+ 10% of the nominal voltage.
- Transient over-voltages were typically present on the mains supply (overvoltage category II). Pollution degree 1.
WARNING
- DURING OPERATION THIS UNIT MUST REMAIN IN UPRIGHT POSITION. DURING TRANSPORTATION UNIT MUST NOT BE TIPPED MORE THAN 45° FROM AN UPRIGHT POSITION.
CAUTION
- UNPLUG UNIT AND SWITCH OFF ELECTRICAL BREAKER BEFORE ANY TECHNICAL SERVICE IS PERFORMED.
- COVERS ON BACK / SIDE OF FREEZER MAY ONLY BE REMOVED BY AUTHORIZED PERSONNEL. FAILURE TO RE-INSTALL COVER COULD RESULT IN HAZARDS.
- UNIT MUST BE OPERATED ON A DEDICATED ELECTRICAL LINE. USING A NON-DEDICATED LINE MAY RESULT IN UNIT STARTUP FAILURE.
- ONLY PLUG THIS UNIT INTO THE PROPER OUTLET. DO NOT ATTEMPT TO MODIFY PLUG IN ANY WAY. IMPROPER USE OF THE ELECTRICAL PLUG WILL VOID WARRANTY.
WARNING: DO NOT POSITION EQUIPMENT SO IT IS DIFFICULT TO DISCONNECT FROM THE POWER SUPPLY.
PREVENTATIVE MAINTENANCE
FREEZER STORAGE PROCEDURE
- The unit can be turned off for storage by unplugging the unit from the wall outlet and/or switching off the electrical breaker in the electrical box.
ATTENTION
- RISK OF ELECTRICAL SHOCK
- USE CAUTION NEAR ELECTRICAL CONNECTIONS
Once the unit is unplugged, the freezer will go into “Power Failure” alarm. To disable the Power Failure alarm;
- Locate the electrical panel on the side of the freezer.
- Remove the screws with a Phillips screwdriver, and remove the panel.
- Locate the battery (which is clearly marked) in the lower right hand corner.

- Disconnect one lead from the battery by removing the connector on the battery.
- When returning the unit to service, complete steps 1-4, but reconnect the unplugged battery in step 4. Then plug the unit into the outlet to restore power.
NOTICE: SEE STARTING INSTRUCTIONS WHEN PUTTING UNIT BACK INTO SERVICE.
ALARM BATTERY REPLACEMENT
NOTICE
- THE LO-BAT (LOW BATTERY ALARM) IS NOT ABLE TO BE SILENCED OR DISABLED.
- TO REDUCE THE VOLUME OF THE ALARM UNTIL A REPLACEMENT CAN BE INSTALLED, A PIECE OF TAPE CAN BE PLACED OVER THE BUZZER HOLE ON THE CONTROL.
To reduce the risk of fire, electric shock or injury to persons using this freezer, read all instructions and follow basic safety precautions.
CAUTION: DISCONNECT THIS UNIT FROM THE POWER SUPPLY BEFORE PERFORMING MAINTENANCE ON THE UNIT.
- Unplug freezer from power supply.
- Remove cover marked electrical panel located on side of cabinet.

- Disconnect wires from battery terminals – Note which color wires were connected to positive/negative. Colors vary depending on when unit was made. Older models used black wire as positive and white as negative. Newer models use red wire as positive and black as negative. See picture for battery location.
- Remove strap holding battery in place.
- Replace battery and reconnect wires (see #3)
- Test alarm.
- Reinstall battery strap and electrical box cover.
- Plug freezer back into power supply, and allow up to 24 hours for the new battery to fully charge.
CLEANING PROCEDURE
- Wipe down the exterior of the freezer with a soft cloth and/or general spray type polish. Do not use corrosive cleaners/chemicals on the exterior.
- If frost builds up in the chamber, a bucket and ice-scraper can be used to remove ice. If excessive ice builds up, the unit can be defrosted (see below).
DEFROST PROCEDURE
- Remove any product in the freezer, and temporarily store it in a back-up freezer or elsewhere.
- Unplug the freezer, and fully open the freezer front door/ lid.
- ATTENTION: FOR UPRIGHT UNITS, IT IS IMPORTANT TO PROTECT THE CONTROL FROM DRIPPING WATER. PLACE A CLOTH OR TOWEL ON THE LEADING EDGE OF THE COOLING CHAMBER ABOVE THE CONTROL TO DEFLECT / ABSORB WATER THAT COULD DRAIN ONTO THE CONTROL.
- Air out the freezer, allowing the unit to reach room temperature for at least 12 hours. Using fans to blow air into the unit is recommended.
- Take a rag and wipe up all the excess water in the unit (melted frost).
- Close the unit, and plug the unit in to activate the start-up process.
- PLEASE CONSULT THE START-UP INSTRUCTIONS ON PAGE 1 FOR UNIT STARTUP
- Once the desired temperature is reached, you may slowly begin to add your product back into the unit.
ATTENTION
- IT IS RECOMMENDED TO SLOWLY RE-ADD YOUR PRODUCT INTO THE FREEZER TO PREVENT AN EXTREME LOAD ON THE COMPRESSORS, WHICH COULD SHORTEN FREEZER LIFE EXPECTANCY.
CLEANING AIR CONDENSER
- Large amounts of dust build-up on the air-cooled condenser can cause excess stress for the refrigeration system.
- This excess stress may increase the chance of a refrigeration issue and reduce the life expectancy of the refrigeration system.
ATTENTION: IT IS RECOMMENDED TO CLEAN THE CONDENSER AT LEAST ONCE EVERY 90 DAYS TO PREVENT DUST BUILDUP.
- Using a Philips Head screwdriver, remove the screws for grill located on front of unit. Once the screws are removed, the front grill can be removed allowing easy access to the air cooled condenser.
- Note: It is recommended to keep the screws in a safe location, so they can be used to re-attach the grill once cleaning is completed.

- Note: It is recommended to keep the screws in a safe location, so they can be used to re-attach the grill once cleaning is completed.
- Use a vacuum cleaner to pull up any dust built up on the condenser fins. The most efficient method of doing this is using a furniture cleaning attachment (if available).
- Note: Cans of compressed air can also be used to blow away dust, however this is not the most recommended way to clean the condenser; as the dust may float through the air and eventually return to clog up the condenser.
- Once clean, re-align the front grill and attach it using a screwdriver.
UNIT OPERATION
CHANGING SETPOINT TEMPERATURE
The temperature control is manually adjustable to the desired temperature in 1 ° C increments within the limits of the control range.
TEMPERATURE SET POINT
The control has two displays;
- The upper display (GREEN) is the current actual unit temperature.
- The lower display ( RED) is the temperature set point.
The temperature set point has been pre-set at the factory. See page 1 for additional information on factory default setpoint.
CHANGING TEMPERATURE SETPOINT

- The set point can be changed by simply pressing SP on the touchscreen display.
- Use the keypad to enter your desired set point temperature and press the done button on the display to confirm.
WARNING: CHANGING THE CONTROL PARAMETERS OUTSIDE OF THE MANUFACTURE RECOMMENDED RANGE, COULD SHORTEN THE LIFE-SPAN OF YOUR EQUIPMENT; OR CAUSE ISSUES RESULTING IN MECHANICAL FAILURE.
ALARM/ RELAY OPERATION
ALARM SYSTEM
- When operating the unit for the first time, the alarm will be disabled until the unit reaches set point, or 8 hours after the unit has been first plugged in.
- The alarm will not sound again until the unit goes out of temperature range.
- THE FACTORY DEFAULT ALARM RANGE IS ±12°C (20°F) FROM SETPOINT.
Note: The freezer contains a back-up battery, which will power the alarm system for approximately 48 hours during a power outage.
ALARM SYSTEM BATTERY REPLACEMENT
- Rechargeable batteries should be changed approximately every three years with lead acid rechargeable 12.0 Ah min, model PS-12120 F2 or equivalent.
ATTENTION
- THE BATTERY DOES NOT POWER THE COOLING SYSTEM.
DRY CONTACT RELAY
The dry contact relay is a terminal strip located on the back of the freezer.
RATING OF THIS CONNECTION:
- 2A 125 VAC
- 2A30VDC
- RED – NORMALLY CLOSED
- WHITE – COMMON
- BLUE – NORMALLY OPEN
WARNING: IF IT IS NECESSARY TO REMOVE METAL COVER SCREEN ON BACK OF FREEZER TO MAKE CONNECTIONS TO ALARM RELAY, COVER MUST BE REPLACED BEFORE FREEZER IS PUT INTO OPERATION.
CONTROL PROGRAMMING
CONTROL KEYS & DISPLAYS
The nCompass display is split into two sections; the upper icon bar and bottom main display area. The basic functions and settings for the upper Icon Bar are listed below:

![]()
- The menu icon will open the main menu for navigating to the different control and monitoring screens. Menu items will dynamically appear providing available options based on the system area the user is in, i.e., security, data logging, setup, etc.
- The information (help) icon will display text based help associated with the current screen. Help is available in three languages, English, Spanish and French based on the user selection in the offline setup of section of nCompass.
- The home icon will return the user to the main view from anywhere in the nCompass application. The main view is set by the OEM in the nCompass configuration and can be the single or dual loop, trend, alarm, alarm history, event or digital 10 view.
- The alarm icon will appear and flash when a new system alarm occurs. Pressing the alarm icon will take the user directly to the alarm monitor screen in order to view/ reset the active alarm condition.
- The speaker icon will open the volume control menu, which controls the audible level of temperature and condition alarms. The volume setting of “100” is the factory default setting. Moving the volume dial to the “O” will disable the audible alarm.
WARNING: DO NOT USE ANY SHARP OR METAL OBJECTS ON THE TOUCH SCREEN AS THEY MAY DAMAGE THE SURFACE. ALSO BE SURE THAT HANDS AND FINGERS ARE FREE FROM OILS OR CHEMICALS WHICH MAY MAR THE SURFACE OF THE TOUCH SCREEN.
CONTROL DISPLAY VALUES
The nCompass display is split into two sections; the upper icon bar and bottom main display area. The basic functions and settings for the bottom Display Area are listed below:


ATTENTION: LOADING TIME MAY REQUIRE SEVERAL SECONDS BEFORE INFORMATION IS DISPLAYED. RAPIDLY PRESSING ICONS MAY RESULT IN PARAMETERS BEING INCORRECTLY CHANGED UNINTENTIONALLY.
DATA DOWNLOAD VIA USB
The nCompass temperature recording data is stored internally in the device, and can be downloaded via USB. This data file is stored in CSV format, and can be opened on a computer using common applications such as Microsoft Excel.

WARNING
- DO NOT ATTEMPT TO REMOVE THE HARD DRIVE FROM THE DEVICE, AS DOING SO CAN RESULT IN DATA LOSS.
- DO NOT ATTEMPT TO REMOVE THE SD CARD FROM THE DEVICE, AS DOING SO CAN RESULT IN DATA LOSS.
DATA UNLOCK MODE
The nCompass advanced settings are locked to prevent tampering by unauthorized users. Follow the below procedure to place the freezer into “OFFLINE MODE” to access additional parameters.

ATTENTION
- WHEN THE DATA SETTING IS TURNED OFF (DARK GREEN ICON), TEMPERATURE DATA WILL NOT BE RECORDED.
OPERATING SYSTEM
- THE NCOMPASS CONTROL USES A CUSTOM WINDOWS CE BASED SOFTWARE STORED ON AN INTERNAL HARD DRIVE INSIDE THE DEVICE. FUTURE DESIGN CONTROLS WINDOWS CE BASED NCOMPASS DISPLAY AND CONTROL MODULE (IDEC PLC) SOFTWARE (LISTED AS “SOFTWARE” IN THIS DOCUMENT) IS PROTECTED BY COPYRIGHT LAWS AND INTERNATIONAL COPYRIGHT TREATIES, AS WELL AS OTHER INTELLECTUAL PROPERTY LAWS AND TREATIES. ALL OWNERSHIP AND RIGHTS REMAIN WITH FUTURE DESIGN CONTROLS. THE NCOMPASS CONTROL DOES NOT RECEIVE SOFTWARE UPDATES THOUGH THE INTERNET, OR OTHER MEANS.
- TO REMOVE USER DATA FROM THE DEVICE, PLEASE CONTACT FUTURE DESIGN CONTROLS, INC. (888-751-5444)
TEMPERATURE SCALE ADJUSTMENT
The nCOMPASS temperature controller has an adjustable temperature scale, and can be set to show temperatures in Celsius or Fahrenheit.

OPERATING SYSTEM
- ONCE THE TEMPERATURE SCALE HAS BEEN CHANGED, ALL PAST AND FUTURE TEMPERATURE DATA WILL BE CONVERTED INTO THE SELECTED TEMPERATURE SCALE.
CALIBRATION PROCEDURE
In cases where the unit temperature goes out of calibration, the nCOMPASS temperature controller can be calibrated to read the correct temperature.

OPERATING SYSTEM
- IMPROPER USE OF CALIBRATION CAN CAUSE FREEZER TEMPERATURE INACCURACIES AND FLUCTUATIONS.
FREQUENTLY ASKED QUESTIONS
COMMON QUESTIONS
- Q: When should I defrost my unit?
- A: Units should be defrosted when ice accumulation reaches approximately 1/2 inch thick. Ice acts like an insulator and has to work harder to reach the same temperature.
- Q: Is this unit self-defrosting?
- A: No, this unit is a manual defrost unit.
- Q: Should I leave my freezer operating when I am not using it?
- A: This unit is designed to operate continuously. Leaving the refrigeration system in operation, (even if not in use) may extend the life of the freezer, and reduce the chance of refrigeration issues that may occur if the freezer is not in operation for long periods of time.
- Q: What ambient conditions is this unit designed for?
- A: This unit is designed for:
- Indoor use
- Altitude up to 2000m.
- Temperatures 15°C to 32°C ( 60°F TO 85°F)
- Recommended humidity range of 30% to 90%.
- A: This unit is designed for:
- Q: What electrical conditions is this unit designed for?
- A: This unit is designed for:
- Mains supply fluctuations up to -5% to+ 10% of the nominal voltage. Consult the serial tag for nominal voltage.
- Transient overvoltage typically present on the mains supply (overvoltage category II). Pollution degree 1.
- A: This unit is designed for:
- Q: Does my unit require a dedicated electrical line?
- A: Yes, this unit requires a dedicated electrical line. Please consult the labels on your unit for specific electrical requirements.
- Q: Will the backup battery keep my unit cool during power failure?
- A: NO, the backup battery only powers the alarm during power failure. It will not power the refrigeration system, and will not keep the unit cooling during power outages.
- Q: Will the freezer start up after a power outage?
- A: Yes, the freezer will automatically re-start when power is restored. The overall restart process will begin in stages to prevent system overloads; and may take up to minutes after restart before cooling resumes.
REPLACEMENT PARTS LIST
| COMPRESSOR MODEL | HP | VOLTAGE | HERTZ | PHASE | PART # |
| TECUMSEH AJB2433ZXA | 1 | 115 | 50/60 | 1 | AJB24-115 |
| TECUMSEH AJB2433ZXD | 1 | 208/220/230 | 50/60 | 1 | AJB24-208 |
| EMBRACO FFI12HBX | 1/3 | 115 | 50/60 | 1 | FF12-115 |
| DANFOSS SC15FTX | 1/3 | 115 | 50/60 | 1 | SC15-115 |
| DANFOSS SC18FTX | 1/2 | 208/220/230 | 50/60 | 1 | SC15-208 |
| TEMPERATURE CONTROL PARTS | PART # |
| FDC nCOMPASS | nCOMPASS |
| CASCADE ELECTRICAL PARTS | PART # |
| Heater Harness No. H-200 | 217-VOLTAGE |
| Refrigeration Switch No. 2X464 | TOGGLE |
| Condenser Fan Motor No. GE-5411 – 115/60/1 | 500-115 |
| Condenser Fan Motor No. GE-5421 – 230/50-60/1 | 500-VOLTAGE |
| Electrical Cord No. 8-3 (Please Specify Voltage) | PWRCRD-VOLTAGE |
| Control Board No. CECB2TUV (Please Specify Voltage) | 231-VOLTAGE |
| REFRIGERATION HIGH STAGE PARTS | PART # |
| Air Cooled Condenser No. 3CZ0602B | 254 |
| Drier No. C-053-S | 256H |
| Capillary Tube | HS-17, HS-20 |
| Oil Separator, Temprite Series 900 (If Applicable) | 900 |
| REFRIGERATION LOW STAGE PARTS | PART # |
| Pressure Control No. 20PS01-0039 | 259 |
| Receiver Condenser | RCN-LS |
| Drier No. CO-52S-S | 256L |
| Capillary Tube | LS-28, LS-31 |
| Oil Separator, Temprite Series 900 (If Applicable) | 900 |
| HARDWARE PARTS | PART # |
| Latch No. METL-L1-99 | REX37L1-3 |
| Chest Hinge | 59-928M |
| Upright Hinge No. Polar 109-LH | 59-928U |
| Cabinet Gasket | NX504B1 |
| Lid or Door Gasket | PSOS |
| Grill No. 650H | 356F, 356S |
| Sub-Lids (Must have Model Number) | SL-MODEL NUMBER |
| Inner Door (Must have Model & Serial Number) | 357-MODEL NUMBER-SERIAL NUMBER |
| Clips & Rollers for Inner Doors (Quantity 10 minimum) | 405 |
| Shelves for Freezer (Must have Model Number) | 4015-MODEL NUMBER |
TECHNICAL SUPPORT
TECHNICAL ASSISTANCE
IN CASE OF REQUEST FOR REPAIR
- If failure occurs, stop operation of unit, and turn OFF the breaker power switch located in the electrical panel box, and unplug the power plug.
WARNING: IF FAILURE OCCURS AND UNIT IS STILL UNDER WARRANTY, DO NOT ATTEMPT TO MAKE ANY REPAIR MODIFICATIONS TO THE UNIT BEFORE CONTACTING THE SO-LOW SERVICE DEPARTMENT, AS THIS MAY RESULT IN WARRANTY BEING VOIDED.
< CHECK FOLLOWING ITEMS BEFORE CALLING OR EMAILING >
- Model Number of Product
- Serial Number of Product
- Issue (as detailed as possible)
MAINTENANCE CHECKLIST
IT IS RECOMMENDED TO COMPLETE CHECKLIST EVERY 30 DAYS
- MODEL NUMBER OF PRODUCT
- SERIAL NUMBER OF PRODUCT
- Checked that freezer is operating at the correct setpoint temperature.
- Checked operation of condenser fans, and cleaned air cooled condenser.
- Confirmed unit is at least 6 inches away from walls, or obstacles, on all sides to allow for sufficient air flow.
- Confirmed ambient room temperature is within range acceptable ranges. Recommended room temperature range is 15″C to 26″C ( 60″F TO 80″F)
AMBIENT ROOM TEMPERATURE IS: ______
- Checked operation of alarm system on unit.
- Note: Alarm can be simulated by temporarily raising the setpoint out of range.
- Checked temperature recorders for proper operation (If applicable).
- Note: If there are any deviations observed, further diagnosing may be required.
- Check operation of CO2 or LN2 backup system. (If applicable)
ITEMS BELOW MUST BE CHECKED BY YOUR IN-HOUSE TECHNICAL PROFESSIONAL USE CAUTION WHEN WORKING AROUND ELECTRICAL CIRCUITS
- Checked AMP draw of unit when compressors stabilize.
- Checked incoming voltage and voltage drop when compressors start up.
- NOTES
- COMPLETED BY
- COMPLETED DATE
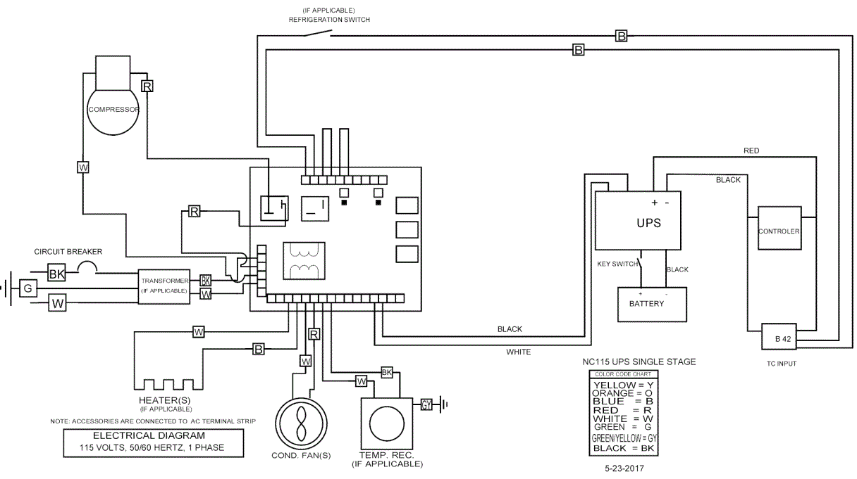
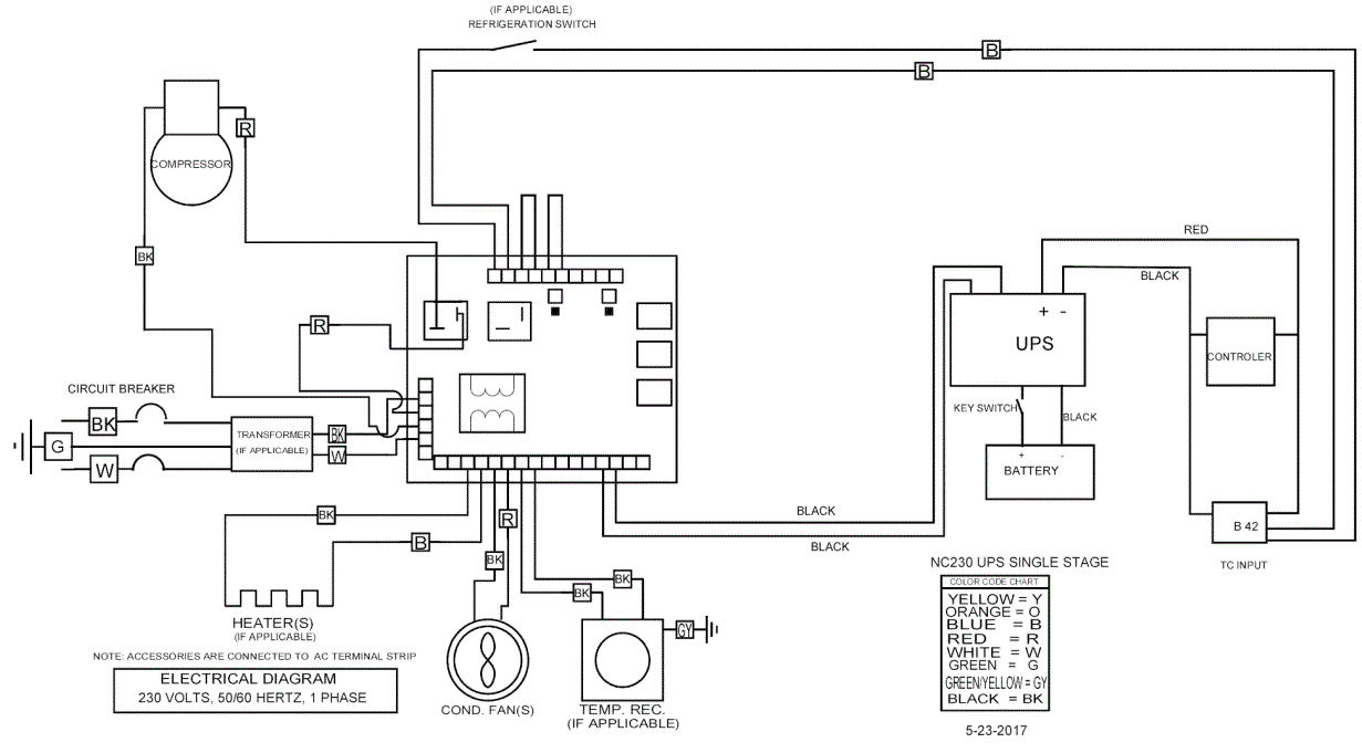
DIAGRAMS
NOTE: DIAGRAM ONLY APPLIES TO STANDARD CONFIGURATION (115 VOLT CASCADE), AND MAY NOT NECESSARILY YOUR SPECIFIC LINIT CONSULT A CERTIFIED REFRIGERATION EXPERT NECESSARILY APPLY TO YOUR SPECIFIC UNIT. CONSULT A CERTIFIED REFRIGERATION EXPERT.

NOTE: DIAGRAM ONLY APPLIES TO STANDARD CONFIGURATION (208-230 VOLT CASCADE), AND MAY NOT NECESSARILY APPLY TO YOUR SPECIFIC UNIT. CONSULT A CERTIFIED REFRIGERATION EXPERT.

NOTE: DIAGRAM ONLY APPLIES TO STANDARD CONFIGURATION, AND MAY NOT NECESSARILY APPLY TO YOUR SPECIFIC UNIT. CONSULT A CERTIFIED REFRIGERATION EXPERT.


Contacts
So-Low Environmental Equipment Company
- 10310 Spartan Drive
- Cincinnati, OH 45215-1221
- Tel: 513-772-9410
- http://www.so-low.com
- For customer service:
- Email: [email protected]
- For parts replacement:
- Email: [email protected]
- For technical support:
- Email: [email protected]















