amazon basics B07J4VHN5 Electronic Keypad Deadbolt Door Lock Installation Guide
TOOLS NEEDED

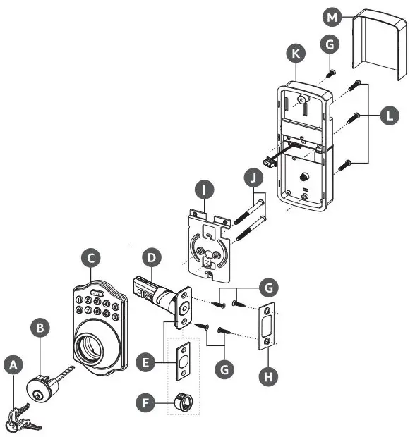
1. Product Parts DescriptioN
Electronic lock
A: KEY x2
B: CYLINDER
C: EXTERIOR KEY PAD
D: LATCY
E: LATCH FACE PLATE x2
F: DRIVE IN COLLAR
G: SCREW x5
H: STRIKE PLATE
I: MOUNTING PLATE
J: BOLT x2
K: INTERIOR
L: SCREW x3 BATTERY
M: COMPARTMENT COVER
2. Installation
For additional illustrated installation steps, refer to the end of the written instructions.
NOTICE
- This product is classified as “full indoor type” and should only be installed in indoor environment.
- Determine the door handing before installing the product.
Face the door from the exterior side:
- If the hinges are installed on the left, the door is left-handed.
- If the hinges are installed on the right, the door is right-handed.


NOTICE
- The turn piece is located on the interior assembly (K) installed on the interior side of the door. For left-handed doors, rotate the turn piece 45Q clockwise. For right-handed doors, rotate the turn piece 452 counter-clockwise.
- Prepare all the tools required for the installation.
- Follow the steps in chapter “Instructions for doors with existing holes” at the back of the manual to install the electronic lock and passage lever. For drilling, read chapter “Drilling instructions”.
- Illustrations in the steps in chapter “Instructions for doors with existing holes” and “Drilling instructions” are for left-handed doors. Reverse the lever position for right-handed doors.


















