294300909055 Electric Garden Tiller
Instruction Manual

| RATED POWER 1500W | SIX BLADES |
| POWER CABLE 10M | WEIGHT 11KG |
USER INSTRUCTION & OPERATION MANUAL
Thank you for purchasing this NETTA product.
Please read the user manual carefully before operating this appliance.
We will update our instruction manuals if necessary.
For the most up-to-date user manual, please visit our official website: www.nettadirect.com.
You can download a copy of up-to-date user manuals at any time in electronic format. We do not supply you with a paper-based user manual after each revision.
Require a larger version of this Instruction Manual?
Please download it electronically from our website and use a PDF reader on your device to enlarge the text if needed.
Safety and Warnings
Intended Use
This NETTA product is designed for private outdoor use only. It is not for use in public parks, sports grounds, agriculture, or forestry. Failure to use this product as intended will void the warranty.
Regular Check-Ups
Ensure the power cable and plug are not damaged before plugging them into a socket.
Check all the knobs are functioning correctly.
General Warnings
- Always follow this instruction manual and go through all the safety checks.
- This is not a toy – do not let children play with it.
- Do not modify this product in any way.
- Only use this product in a well-lit area.
- Do not operate tools in explosive atmospheres.
- Before using an electric-powered appliance, check the rating label and voltage information on this manual, or the rating label on the back of the machine.
- If the machine strikes a foreign body, turn it off immediately, wait for the tines to stop, and check for damage. If necessary, repair before restarting.
- If you are unsure, please seek a certified election for advice.
- The appliance must not be immersed in liquid.
- If the machine starts to vibrate abnormally, turn it off immediately and check for the cause.
- Do not use any power tool if the on/off switch is damaged.
- Check that the moving parts of your tool operate smoothly and are not cracked or damaged.
Risk of Personal Injury
- Before using the product, ensure all parts are working as normal and have no damage. Any part that is damaged should be properly repaired or replaced.
- Do not wear loose clothing or jewelry and wear protective hair covering to contain long hair.
- The use of rubber gloves and substantial footwear is recommended when working outdoors.
- Never carry this product by the cord or yank the cord to disconnect it from the socket. Keep the cord away from heat, oil, and sharp edges.
- Guide the tiller at a walking pace only. Always keep proper footing and balance.
- When not in use, the tiller should be stored indoors in a dry area out of children’s reach.
- Keep clean for best performance and to reduce the risk of injury. Inspect the extension cord periodically and replace it if damaged. Keep handles dry, clean, and free from oil.
- Do not operate the tiller on a slope that is too steep for safe operation. When on slopes, slow down and make sure you have good footing.
- Grip the guide bar firmly with both hands. Never operate the tiller with one hand.
- Always turn off the tiller, disconnect from the power supply and wait until the tines come to a complete stop before carrying out any maintenance or repairs
Assembling the Product

| 1 | Upper handle section | 1 |
| 2 | Safety and poser cable asst’ | 1 |
| 3 | Cord retainer | 1 |
| 4 | Cable clip | 2 |
| 5 | ling nut | 4 |
| 6 | Snap head bolt 16)(45 | 4 |
| 7 | Center handle section | 1 |
| 8 | Loser handle secti-I | 1 |
| 9 | Med lock pin | 1 |
| 10 | keel hub cap | 2 |
| 11 | Thee! | 2 |
| 12 | Protective shield | 1 |
| 13 | Tine assembly 2 | 1 |
| 14 | Tine assembly 1 | 1 |
| 15 | Horror housing | 1 |
| 16 | Lower handle secti-II | 1 |
Assembling the Product
This product must be assembled correctly before use.
Warning! If any parts are damaged or missing do not operate this product until the parts are replaced. Failure to heed this warning could result in serious personal injury. Call our support team on 0161 414 0001.
Warning! Do not attempt to modify this product or make use of accessories not recommended for use with this product. Any such alteration or modification is misused and could result in a hazardous condition leading to possible serious personal injury.
- Remove the screws (M5x12mm) and washers from the wheel frame. Insert the wheels on the axle of the wheel frame, then attach the washers and screws (M5x12mm) to secure (Fig. 21).
- To lower the wheel frame, lower the wheel frame (Step A) and pull out the lock pin on the lower handle section (Step B). Align the lock pin to the hole in the wheel frame and then release it to lock the wheel frame in position (Fig 2-2).
- Attach the center handle section (7) to the lower handle sections (9) using the two supplied M6x45mm bolts (6) and wing nuts (5) (Fig 2-4).
- Fasten the upper handle section (1) to the center handle section (7) using the two supplied M6x45 bolts (6) and wing nuts (5) (Fig. 2-4).
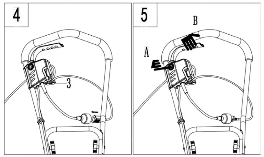
- Use the two supplied cable clips (3) to secure the cord. (Fig 25).
- Assembly is now complete.

Operating the Product
Starting the Machine:
Make sure the wheel frame is raised before you start the tiller. To raise the frame, pull out the lock pin (Step A); rotate the wheel frame upward, and release the lock pin (Step B). The wheel frame will be locked in place with the lock button (see Fig. 3).

Secure the extension cord into the cord retainer (5). The loop of the extension cord must be long enough for the cord retainer to freely slide from one side to the other. Plug the extension cord into the power cord plug on the tiller.
Use the tiller/cultivator for breaking sod, preparing seed beds, and cultivating gardens and flower beds. The tiller/cultivator can also dig small holes for planting saplings or potted plants.
Move the tiller/cultivator to the work area prior to starting the motor.
To lower the wheel frame, push the lock button on the back of the motor housing to release the frame. Lower the wheel frame and pull out the lock pin on the lower handle section. Align the lock pin to the hole in the wheel frame then release it to lock the wheel frame in position (Fig. 2-2).
Hold the tiller/cultivator firmly when starting. The tines will pull the tiller/cultivator forward during operation. Lower the tines slowly with the guide bar.
To start the tiller/cultivator press and hold the safety lock button(A) on the safety switch while pulling the trigger lever (B) up against the handlebar. The motor will start and the tines will begin to rotate. To stop the tiller/cultivator simply release the lever.

For breaking sod or deep tilling, allow the tines to pull the tiller/cultivator forward to the end of your arm’s reach, then firmly pull it back toward yourself. You will achieve the best results by repeatedly allowing it to move forward and pulling it back.
By pulling the tiller/cultivator back towards yourself, the tines will dig deeper and more aggressively. To prevent tripping, take extra precautions when moving backward and when pulling the tiller/cultivator toward yourself.
If the tiller/cultivator digs deep enough to stay in one spot, gently rock it side to side until it starts moving forward again.
Never pass the tiller/cultivator over the extension cord. Make sure the cord is always in a safe position behind you.
When working on inclines, always stand diagonally to the incline to retain a firm safe footing. Do not work on extremely steep slopes.
Before use, remove any visible stones or other foreign bodies from the area.
Switch off the tiller before moving from one work area to another.
Ensure the tines do not touch the ground whilst moving the tiller/cultivator.
For preparing seed beds, we recommend using one of these tilling patterns:
Pattern A: Make two passes over the area to be tilled, the second at a right angle to the first.
Pattern B: Make two passes over the area to be tilled, the second overlapping the first.

Cleaning, Maintenance and Storage
Before carrying out maintenance operations, disconnect the power supply.
Before each use, check the extension cord for signs of damage or aging. Replacing the cable if it is damaged in any way.
Check the condition of the tines and ensure that all threaded connections are securely tightened. If the tines become dull or blunt, sharpen or replace them.
Once per season, lubricate the tines and shaft. At the end of the season, check the tiller/cultivator for damage prior to storing.
Repair or replace damaged or broken parts.
Always clean the tiller/cultivator after each use. Failure to do so may result in damage to the machine, leading to poor performance.
Clean the underside of the motor support plate and housing around the tines with a scrub brush and a soft cloth dampened with mild soap and water mixture.
Never use a water hose to clean the tiller!
To remove soil and debris from the transmission and tines, use a stiff brush or a dampened cloth. Clean the vents on the motor housing and remove any remaining grass or dirt. Once cleaned, dry the tines and the shaft, and apply a light coat of oil to prevent rust.
Tines Removal and Installation
Worn tines invite poor performance and can overload the motor.
Check the tines before each use. Sharpen or replace the tine assemblies with new ones when necessary.

Injury can occur while working on the tines. Wear protective gloves.
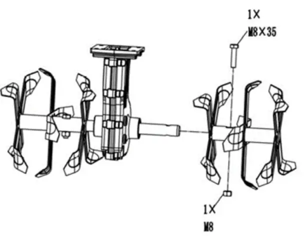
To remove the complete tine assemblies from the shaft, remove the M8x35 hex head bolt from the shaft (see above diagram).
Remove the tine assembly from the shaft. Reverse the above steps to install tines. Replace worn or damaged parts with original replacement parts only. Parts from another tiller/cultivator may not fit properly and cause an unsafe situation.
Make sure all protective devices are secure and in good condition. Repair or replace if necessary.
Lubrication
This product has grease applied at the factory. Therefore, is it not required nor recommended that grease is added during the first two years of use. After the second season of use, follow the directions as described below:

Drain the screw plugs which are located on the right side of the transmission housing.
Lay the tiller/cultivator on its left side and clean the transmission of dirt and debris prior to removing the drain screw plugs.
If necessary, remove the tine assemblies to have better access to the drain screw plug. Use a 5mm hex key to unscrew the plugs.
Using a squeeze bottle or tube, add approx. 70ml of auto gear lube. Do not overfill. When completed, reinstall both drain screw plugs into the transmission.
Storage
Store the tiller/cultivator in a dry, clean space out of the reach of children.
If storing for long periods, wipe all metal surfaces with oil to protect them from rust.
Fold the guide bar down and store the tiller/cultivator in a suitable place.
Troubleshooting
| Problem | Possible Causes | Remedy |
| The motor does not start | Unit not plugged in No electricity Defective cable Defective safety switch/plug Overheat protection activated | Plug in the unit Check power supply Check cable. Repair or replace if required Arrange for repair L Working depth too large, set to a shorter depth. 2. Blades blocked, remove the blockage. 3. Soil too hard, select correct work depth, and move forward and backward several times while slowing down the operation speed. Wait until the motor cools down for about 5 minutes before further use. |
| Abnormal noises | Blade is jammed Lubrication running out Bolts, nuts, or other components are loose. | Switch off. Wait till the tines come to a complete stop. Remove jammed objects. Tiller/cultivator must be repaired. Tighten all components. Arrange for repair if noises continue. |
| Abnormal vibrations | Blades damaged or worn Working depth too large | Replace damaged or worn blades. Set to correct working depth. |
| Poor results | Working depth too small Worn blades | Set to correct working depth. Replace damaged or worn blades. |
Spare Parts and Repairs
To order replacement parts, please go to www.nettadirect.com/parts.
You will need PDC information from your product, user manual, or carton box.
Alternatively, go to our website and use the search bar to find the parts available.
You can also find this code on the back of this User Manual.
For our Repair Service, please contact our customer support by email at [email protected] they will provide with more details of the repair service with NETTA.
Disposal of Product
IMPORTANT INFORMATION FOR CORRECT DISPOSAL OF THE PRODUCT IN ACCORDANCE WITH EC DIRECTIVE 2002/96/EC.
DISPOSAL:
Please dispose of this product responsibly. This item cannot be disposed of with general waste. Please contact your local council authority for more information on how to dispose of this product. If this product is disposed of with general waste, it will end up in a landfill and will leak hazardous substances into the groundwater – affecting our food chain.
![]()
Your Warranty
If you purchased with NETTADIRECT or one of our authorized resellers, you will automatically enroll your warranty for 1 (ONE) year. You do not need to register again for your warranty. All warranties will be carried out by our terms and conditions including warranty conditions you will find on our website at www.nettadirect.com.
Copyrights
NETTA and its logo including images and contents in this manual and website are copyrighted. All intellectual property rights belong to NETTA owner CONSUMABLE DIRECT LIMITED.
ANY UNAUTHORISED USE, MODIFICATION, or DISTRIBUTION of the NETTA logo, website image, and its contents (from the website, manuals) will violate worldwide copyright, trademark, and associated laws.
We reserve the right to proceed with lawsuits against anyone who is found breaching our copyright policy. For more details, please check our website copyright policy for more information.
Product Dependency Code (PDC)
Your PDC is below:
PDC: N1C-3JY-1500
SKU: 103890
NETTA is a registered trademark of CONSUMABLE DIRECT LIMITED.
Product Produced for CONSUMABLE DIRECT LIMITED M32 0JT U.K.
Printed in China



















