
TAC 1500 / TAC 3000

ORIGINAL INSTRUCTIONS
AIR CLEANER
Notes regarding the instructions
Symbols
| Warning of electrical voltage This symbol indicates dangers to the life and health of persons due to electrical voltage. | |
| Warning This signal word indicates a hazard with an average risk level which, if not avoided, can result in serious injury or death. | |
| Caution This signal word indicates a hazard with a low risk level which, if not avoided, can result in minor or moderate injury. | |
| Note This signal word indicates important information (e.g. material damage), but does not indicate hazards. Info Information marked with this symbol helps you to carry out your tasks quickly and safely. | |
| Follow the manual Information marked with this symbol indicates that the instructions must be observed. |
You can download the current version of the instructions and the EU declaration of conformity via the following link:
TAC 1500 | TAC 3000 |
Safety
Read this manual carefully before starting or using the device. Always store the manual in the immediate vicinity of the device or its site of use.
Warning
Read all safety warnings and all instructions.
Failure to follow the warnings and instructions may result in electric shock, fire and/or serious injury.
Save all warnings and instructions for future reference.
- Do not use the device in potentially explosive rooms or areas and do not install it there.
- Do not use the device in aggressive atmosphere.
- Only put up the device in an upright, stable position on firm ground.
- Let the device dry out after a wet clean. Do not operate it when wet.
- Do not use the device with wet or damp hands.
- Do not expose the device to directly squirting water.
- Never insert any objects or limbs into the device.
- Do not cover the device during operation.
- Do not sit on the device.
- This appliance is not a toy. Keep away from children and animals. Do not leave the device unattended during operation.
- Check accessories and connection parts for possible damage prior to every use of the device. Do not use any defective devices or device parts.
- Ensure that all electric cables outside of the device are protected from damage (e.g. caused by animals). Never use the device if electric cables or the power connection are damaged!
- The mains connection must correspond to the specifications in the Technical annex.
- Insert the mains plug into a properly fused mains socket.
- Observe the technical data when selecting extensions to the power cable. Completely unroll the extension cable. Avoid electrical overload.
- Before carrying out maintenance, care or repair work on the device, remove the mains plug from the mains socket. Hold onto the mains plug while doing so.
- Switch the device off and disconnect the power cable from the mains socket when the device is not in use.
- Do not under any circumstances use the device if you detect damages on the mains plug or power cable. If the power cable is damaged, it must be replaced by the manufacturer, its service agent or similarly qualified persons in order to avoid a hazard. Defective power cables pose a serious health risk!
- When positioning the device, observe the minimum distances from walls and other objects as well as the storage and operating conditions specified in the Technical annex.
- Make sure that the air inlet and outlet are not obstructed.
- Make sure that there are no loose items or dirt located in the immediate surroundings of air inlet and air outlet.
- Do not remove any safety signs, stickers or labels from the device. Keep all safety signs, stickers and labels in legible condition.
- Make sure that the suction side is kept free of dirt and loose objects.
- Dispose of replaced filters properly, especially after filtering substances hazardous to health.
- Never use the device as storage place or footstep.
Intended use
Only use the device to clean atmospheric air from non-conducting and non-combustible dusts, fogs or suspended matter whilst using the appropriate filter classes and adhering to the technical data.
The device is intended to be used in commercial areas.
Foreseeable misuse
- Do not place the device on wet or flooded ground.
- Do not place any objects, e.g. clothing, on the device.
- Do not use the device out of doors.
- Do not use the device to siphon off vapours or fluids.
- Any use other than the intended use is regarded as a reasonably foreseeable misuse.
- Any unauthorized modifications, alterations, or structural changes to the device are forbidden.
Personnel qualifications
People who use this device must:
- be aware of the dangers that occur when working with electrically driven air cleaners.
- have read and understood the instructions, especially the Safety chapter.
Electrically skilled person
Electrically skilled personnel must be able to read and understand electric circuit diagrams, to put electrical systems into service and to maintain them, to wire control cabinets, ensure the functionality of electrical components, and to identify possible hazards from electrical and electronic systems.
Instructed person
Instructed persons have been informed of the tasks they were entrusted with as well as of potential hazards resulting from inappropriate behaviour. They are allowed to operate and transport the device and perform simple maintenance activities (cleaning the housing, cleaning the fan).
The device is to be maintained and looked after by instructed personnel.
Residual risks
| Warning of electrical voltage Work on the electrical components must only be carried out by an authorised specialist company! | |
| Warning of electrical voltage Before any work on the device, remove the mains plug from the mains socket! Do not touch the mains plug with wet or damp hands. Hold onto the mains plug while pulling the power cable out of the mains socket. | |
| Warning Dangers can occur at the device when it is used by untrained people in an unprofessional or improper way! Observe the personnel qualifications! | |
| Warning The device is not a toy and does not belong in the hands of children. |
Warning
Risk of suffocation!
Do not leave the packaging lying around. Children may use it as a dangerous toy.
Caution
Risk of injury from parts being whirled up!
Before switching the device on, make sure that there are no loose parts (clothing, hair …) located near the air inlet or outlet!
Note
Observe the overvoltage protection.
The device comes equipped with an overvoltage protection. When checking for electrical safety, please bear in mind that the test voltage has to be reduced to 250 V.
Note
Do not operate the device without an air filter inserted into the air inlet!
Without the air filter, the inside of the device will be heavily contaminated. This could reduce the performance and result in damage to the device.
Note
Do not use abrasive cleaners or solvents to clean the device.
Behaviour in the event of an emergency
- Switch the device off.
- In an emergency, disconnect the device from the mains feed-in: Hold onto the mains plug while pulling the power cable out of the mains socket.
- Do not reconnect a defective device to the mains.
Information about the device
Device description
Air cleaners are used to filter the room air. On building sites and renovation areas high concentrations of dust can arise, for instance when using angle grinders or during blasting, chiselling or demolition operations as well as when mixing dry mortar or tile cement.
Depending on the inserted filter, the air cleaners of the TAC series serve to eliminate various dusts, e.g. from asbestos, building rubble, quartz, flour, wood, etc., but also mould spores, paint particles and mineral fibres in the air, possibly arising during the above-mentioned operations.
This dust is to be vacuumed off as close as possible to the point of origin in order to reduce the pollution of the breathing air to a minimum. Depending on the used filter quality it is permissible to employ the device for the separation of quartziferous mineral dusts, wood dust, lead-containing dusts, artificial mineral fibres
or high-temperature fibres.
Application as vacuum generator for mould remediation and asbestos abatement is also a possibility. In case of other hazardous substances there are additional requirements; hence observe the corresponding Technical Rules for Hazardous
Substances (TRGS) or the country-specific regulations.
The device is suited for:
- producing a vacuum in a room, e.g. in heavily contaminated spaces;
- air purification in workspaces via air circulation, e.g. indoor building sites, workshops etc.;
- producing overpressure in a room, e.g. cleanroom;
- supplying filtered fresh air.
The device is structured as follows: - housing with stacking aid
- adjustable fan for air transport
- filter monitoring for air volume flow
The device may be equipped with various filters. It provides the user with the possibility of configuring both the filter quality and the filter chain arrangement for the respective field of application. The filters must be selected according to the area of application.
The device is approvable for asbestos abatement as per TRGS 519, dust class H.
Info
The filters are not included in the scope of delivery! Choose the filters according to the area of application from our filter range. Insert the selected filters prior to initial start-up.
Device depiction
![]() | ![]() |
| No. 1 | Designation |
| 2 | transport handles |
| 3 | control panel |
| 4 | air outlet opening |
| 5 | side panel (service flap) |
| 6 | wheel |
| 7 | operating hours counter |
| air inlet opening |
Transport and storage
Note
If you store or transport the device improperly, the device may be damaged.
Note the information regarding transport and storage of the device.
Transport
Before transporting the device, observe the following:
- Switch the device off.
- Hold onto the mains plug while pulling the power cable out of the mains socket.
- Do not use the power cable to drag the device.
After transporting the device, proceed as follows: - Set up the device in an upright position after transport.
Storage
When the device is not being used, observe the following storage conditions: - dry and protected from frost and heat
- in an upright position where it is protected from dust and direct sunlight
- with a cover to protect it from invasive dust, if necessary
Assembly and start-up
Scope of delivery
- 1 x Device
- 1 x Manual
Unpacking the device
- Open the cardboard box and take the device out.
- Completely remove the packaging.
- Fully unwind the power cable. Make sure that the power cable is not damaged and that you do not damage it during unwinding.
Assembly
Inserting the filters
Info
The filters are not included in the scope of delivery! Choose the filters according to the area of application from our filter range. Insert the selected filters prior to initial start-up.
Prior to start-up the filter chain of the device must be configured according to the desired field of application. For this two filter boxes are available.
The filter boxes are located behind the lateral service flaps (4).
- For filter mounting remove the two side panels (4) towards the top.

- Open the tension locks (10) on both sides of the device.
- First pull out the tensioning frame (9).

- Remove further boxes from the device as required.
Note
For all filter installations always observe the correct flow direction according to the direction of the air current (air flow direction: from back to front)!
BOX 1: PRE-FILTER BOX
The pre-filter box can be equipped with a coarse filter G and/or a fine filter F.
We recommend using at least one coarse filter for pre-cleaning, so as to maximize the service life of the subsequent filter.
- coarse filter G: Z-line filter G4 (14)
- fine filter F: pleated M5 to F9 (16)
The coarse filter is to be assembled in a way that it is the first in the air stream.

BOX 2: FILTER BOX
One of the following main filter types is inserted in the FILTER BOX.
Version I:
High-efficiency particulate air filter: E10 to H14 or dust class M to H (15)
The high-efficiency particulate air filter is inserted in the filter box with its clip-on frame as follows:
- Pull the clip-on frame out of the guiding grooves.
- Attach the clip-on frame to the air outlet side of the HEPA filter.
- Push HEPA filter and clip-on frame into filter box 2. Make sure that the clip-on frame again fits into the guiding grooves. If applicable, place the HEPA filter with the clip-on frame on a table and fit filter box 2 to the clip-on frame from above.

Version II – alternative:
Bag filter: M5 to F9
When a bag filter is used, the fine filter in pre-filter box 1 may be omitted.
The bag filter is simply inserted in the filter box without further assembly. The clip-on frame does not need to be removed for this.
Note
When the device warns of a spent pre-filter (box 1) or main filter (box 2), still a flow rate of 500 m³/h (TAC 1500) or 1000 m³/h (TAC 3000) is ensured. For an effective filtration of pollutants, the scheduled directives of the (German) employer’s liability insurance association recommend to exchange the filter.
Filter types (not included in the scope of delivery)
The designated air filters are especially geared to these devices and come with the largest possible filter surface based on the geometric dimensions. This ensures maximum air flow rate and service life for safe operation.

| No. | Designation |
| 14 | Z-line filter G4 |
| 15 | HEPA filter E10 to H14 / dust class M + H |
| 16 | pleated filter M5 to F9 |
| 17 | bag filter M5 to F9 |
The Vario-shift function provides the user with the possibility of selecting the filter quality and the filter ladder according to the case of application and the applicable rules and regulations.
Filter ladder and configuration depend on the pollutant particle size, filtration efficiency and the field of application. The filter technology is monitored by sensors. For proper monitoring of the filter function sensor hose lines are connected to both filter boxes.
Configuration A
General configuration for the air filtration of coarse dusts and fine particulates or the separation of suspended matter according to EN 60335-2-69 up to dust class H. Here the filtration of dust particles and other suspended material harmful and hazardous to health has priority. The filter ladder must be operated in a vacuum, i.e. with terminal fan: the fan is to be arranged downstream of the main filter FILTER BOX 2.
Configuration B
Here air is usually lead from a contaminated area into a clean area, e.g. as filtered fresh air supply. Suspended matter as per EN 1822-1:1998 up to filter class H14 can be filtered, a higher filtration efficiency is possible with a reduced air volume. The filter ladder is operated at excess pressure, i.e. with terminal fine filter: the fan is to be arranged upstream of the main filter FILTER BOX 2.
The TAC series is equipped with Vario-shift function. This means that the filter elements can be variably arranged for all application scenarios and in line with the regulations.
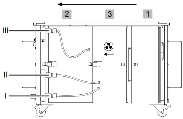
Side view electrics:

| No. | Designation |
| 1 | PRE-FILTER BOX: COARSE FILTER G and/or FINE FILTER F |
| 2 | HEPA filter E10 to H14 / dust class M + H |
| 3 | FILTER BOX: HEPA filter or bag filter |
| I | connection for filter box 2 |
| II | connection for fan control |
| III | connection for fan box 3 |
| 9 | tensioning frame |
| 10 | tension lock |
Side view sensor hose side:
| No. | Designation |
| S1 | sensor hose S1 |
| S2 | sensor hose S2 |
| 11 | measuring position for fan box 3 |
| 12 | measuring position for frame (here with dummy plug) |
| 13 | measuring position for filter box 2 |
Arranging and connecting filter boxes
For maximum efficiency bag and Z-line filters are to be assembled vertically.
- Place PRE-FILTER BOX 1 with inserted filter to the first position behind the air inlet opening.
- Insert FILTER BOX 2 and FAN BOX 3 according to the desired configuration.
- Insert the tensioning frame behind PRE-FILTER BOX 1.
- Close all tension locks, both on the side of the electrics and on the sensor hose side.
- Connect the cable connections on the side of the electrics to the corresponding plugs:
Plug Cable Connection CABLE 1 black grey III CABLE 2 white black II CABLE 3 black black I
Configuration A:
Configuration B:

Then connect the two sensor hoses on the sensor hose side in accordance with the selected configuration:
Configuration A
(11): sensor hose S2 => fan box 3
(12): dummy plug B => frame
(13): sensor hose S1 => filter box 2

Note
Push the sensor hoses firmly into the corresponding sensor socket until the hose securely clicks into place. The dummy plug has to be relocated depending on the configuration – for proper functioning the sensor sockets must not remain open.
In order to remove hose or dummy plug, press the outer ring of the measuring point and pull hose or dummy plug at the same time.

Start-up
When positioning the device, observe the minimum distance from walls or other objects as described in the chapter Technical annex.

- Before restarting the device, check the condition of the power cable. If there are doubts as to the sound condition, contact the customer service.
- Only put up the device in an upright, stable position on firm ground.
- Do not create tripping hazards when laying the power cable or other electric cables, especially when positioning the device in the middle of the room. Use cable bridges.
- Make sure that extension cables are completely unrolled.
- Position the device near the source of air contamination.
- When positioning the device, keep a sufficient distance to heat sources.
- Make sure that no curtains or other objects interfere with the air flow.
- Make sure that the air inlet and outlet are not obstructed.
Installation of the device in the room, the air of which is to be purified
- When positioning the device, make sure it is located in the centre of the room the air of which is to be cleaned. Alternatively, you can also position the device near the source of air contamination.
- Prior to operation you have to ensure that the filters have been installed in the device as desired.
- Also check, whether the pressure sensors are connected correctly. If the device, during operation, emits a warning of a filter being spent, the respective filter has to be replaced. If the device issues a warning, although a new filter has only just been inserted, check whether all sensor hoses are firmly attached.
- The device works in recirculation mode, this means that the contaminated air enters the air cleaner via the air inlet opening and is blown out through the air outlet opening in purified state.
Air purification in sealed off area via air circulation:

Installation of the device outside of the room, the air of which is to be purified
The device can be connected in either recirculation or ventilation mode.
- In recirculation mode, the air to be cleaned is led via a hose from the room into the air inlet opening of the device. The purified air is fed through another hose from the air outlet opening and back into the room.
- In ventilation mode, the air to be cleaned is led via a hose from the room into the air inlet opening of the device. This creates a slight negative pressure in the room. Clean, fresh air flows in from outside.
Installation variants for maintaining the pressure:

When connecting hoses, the following must be observed:
- The used pipes and hoses must be designed for the available static compression of the fans. They should preferably be laid in a straight line and at full length. 7.6 m of air hose each can be connected to the air inlet and air outlet openings of the device.
- There ought to be a minimum distance of 1 m between air inlet and air outlet opening.
Connecting the power cable
- Insert the mains plug into a properly fused mains socket.
Operation
Operating elements

| No. | Designation | Meaning |
| 6 | Operating hours counter | Indication of operating hours |
| 18 | Visual and acoustic filter change indicator FILTER BOX 2 | Indication of required HEPA or bag filter change |
| 19 | Visual and acoustic filter change indicator PRE-FILTER BOX 1 | Indication of required coarse or fine filter change |
| 20 | Air volume control dial | For setting the desired air volume |
| 21 | Power button | For switching the device on or off |
Switching the device on
Once you have positioned the device as described in the Start-up chapter, you can switch it on.
- Ensure that air inlet and outlet are not covered.
- Turn the air volume control dial (20) counter-clockwise to the lowest air volume.
- Press the power button (21).
• The power button (21) lights up.
Adjusting the air volume
By use of the infinitely variable air flow regulation you can adjust the fan speed and thus regulate the air flow rate of the device.
With the filter arrangement G4, F7 and H13 to meet the requirements of dust class H, the device with connected exhaust air hose (7.6 m, laid in 2 90° arcs) reaches an air flow rate of:
- TAC 1500: 600 m³/h
- TAC 3000: 1150 m³/h
If the filter change indicator (18) or (19) warns that a filter change will soon be required, the following min. air flow rate will still be ensured:
- TAC 1500: 500 m³/h
- TAC 3000: 1000 m³/h
Exchange the corresponding filters in a timely manner.
- To increase the air volume, turn the air volume control dial (20) clockwise.
- To decrease the air volume, turn the air volume control dial (20) counter-clockwise.
Shutdown
Warning of electrical voltage
- Do not touch the mains plug with wet or damp hands.
- Switch off the device.
- Hold onto the mains plug while pulling the power cable out of the mains socket.
- Clean the device according to the Maintenance chapter.
- Store the device according to the Transport and storage chapter.
Available accessories
Warning
Only use accessories and additional equipment specified in the instructions.
Using insertion tools or accessories other than those specified in the instructions may cause a risk of injury.
| Designation | Article number TAC 1500 | Article number TAC 3000 |
| G4 Z-line filter | 7.160.000.404 | 7.160.000.428 |
| F7 pleated filter cartridge | 7.160.000.409 | 7.160.000.429 |
| F7 bag filter | 7.160.000.414 | 7.160.000.430 |
| H13 HEPA filter approved for dust class H | 7.160.000.424 | 7.160.000.431 |
| Spray paint filter | 7.160.000.416 | 7.160.000.432 |
| Air transport hose Tronect SP-T, length 7.6 m | 6.100.001.200 | 6.100.001.205 |
Errors and faults
The device has been checked for proper functioning several times during production. If malfunctions occur nonetheless, check the device according to the following list.
The device does not start:
- Check the power connection.
- Check the power cable and mains plug for damage.
- Check the on-site fusing.
- Wait for 10 minutes before restarting the device. If the device is not starting, have the electrics checked by a specialist company or by Trotec.
The device is loud or vibrates:
- Check whether the device is set up in a stable and upright position.
The device gets very warm, is loud or is losing performance:
- Check the air inlets and air filters for dirt. Remove external dirt.
The device gives off an unpleasant odour:
- Smoke, e.g. dense tobacco smoke, odours and contaminations may be in the air. Ventilate the room.
The device still does not operate correctly after these checks:
Please contact the customer service. If necessary, bring the device to an authorised specialist electrical company or to Trotec for repair.
Maintenance
Note
All service activities other than those specified in the maintenance table may only be performed by a specialist company authorized by Trotec.
Activities required before starting maintenance
Warning of electrical voltage
Do not touch the mains plug with wet or damp hands.
- Switch the device off.
- Hold onto the mains plug while pulling the power cable out of the mains socket.
Warning of electrical voltage
Tasks which require the device to be opened must only be carried out by authorised specialist companies or by Trotec.
Note
Observe the overvoltage protection.
The device comes equipped with an overvoltage
protection. When checking for electrical safety, please bear in mind that the test voltage has to be reduced to 250 V.
Cleaning the housing
Clean the housing with a soft, damp and lint-free cloth. Make sure that no moisture enters the housing. Protect electrical components from moisture. Do not use any aggressive cleaning agents such as cleaning sprays, solvents, alcohol-based or abrasive cleaners to dampen the cloth.
Visual inspection of the inside of the device for dirt
- Remove the air filters.
- Use a torch to illuminate the openings of the device.
- Check the inside of the device for dirt.
- If you see a thick layer of dust, clean the inside of the device with a vacuum cleaner.
- Reinsert the air filters.

Cleaning the inside of the device
- First remove the filters and the filter frame as described in the Assembly and start-up chapter.
- Clean the inside of the device and the filter frame with a soft, damp and lint-free cloth. Make sure that no moisture enters the housing. Protect electrical components from moisture. Do not use any aggressive cleaning agents such as cleaning sprays, solvents, alcohol-based or abrasive cleaners to dampen the cloth.
- Reinsert the filters and the filter frame into the device.
Changing the filter(s)
The filters must be changed if the filter change indicator for FILTER BOX 2 (18) or PRE-FILTER BOX 1 (19) lights up during operation and an acoustic signal is emitted.
If a filter needs to be replaced, please proceed as described in the Inserting the filters section in the Assembly and start-up chapter.
Technical annex
Technical data
| Parameter | Value | |
| Model | TAC 1500 | TAC 3000 |
| Article number | 1.580.000.105 | 1.580.000.115 |
| Recommended amount of air for dust class H | 500 m3/h | 1000 m3/h |
| Dust class (as per DIN 60335-2-69) | dust class H (transmittance < 0.005 %) for substances with a max. allowable concentration of < 0.1 mg/m3, carcinogenic hazardous substances as per GefStoffV § 11 (Ordinance on Hazardous Substances), TRGS 905 or 906 (Technical Rules for Hazardous Substances), approvable for asbestos abatement as per TRGS 519 | |
| Motor power | 175 W | 450 W |
| Mains connection | 1/N/PE — 230 V / 50-60 Hz | 1/N/PE — 230 V / 50-60 Hz |
| Nominal current | 1.3 A | 2.8 A |
| Connection cable | CEE 7/7, cable length 3 m rubber conduit (HO5RR-F3G1) length = 3.5 m | |
| Air transport hose connector inlet/ outlet side | 200 mm | 250 mm |
| Sound level (at a distance of 1 m) | 61 dB(A) | 65 dB (A) |
| Dimensions (length x width x height) | 705 x 362 x 377 mm | 833 x 460 x 532 mm |
| Weight | 20 kg | 34 kg |
| Recommendation for filter combinations specific to the application and corresponding room size suitability | TAC 1500 | TAC 3000 | |||
| suitable for rooms sized up to “ | |||||
| Fields of application | Filter combination | m3 | m2 | m3 | M2 |
| Coarse dust 2) (s 3 ACHE)) | G4 | 220 | 75 | 500 | 170 |
| Fine particulates 3) (s 3 ACHE’) | G4 + F7 to F9 | 110 | 37 | 270 | 90 |
| Suspended matter ” (s 3 ACHE)) | G4 + H13 | 50 | 17 | 100 | 34 |
| Hygienic areas 5) (s 3 ACHE’) | G4 + H13 | 35 | 12 | 70 | 23 |
1)With an assumed room height of 3 m; 2) Typical coarse dust tasks: sawing, filing; 3) Typical fine dust tasks: restoration works with materials containing minerals or glass wool; 4) Typical suspended matter tasks: grinding, asbestos abatement or mould remediation, mineral dusts etc.; 5) H13 downstream; 6) Air exchange per hour
| Optional equipment | TAC 1500 | TAC 3000 |
| Guiding wheels with pneumatic tyres, traceless | on request | on request |
| Trestle rollers (instead of guiding wheels) | on request | on request |
| Fork pockets for fork lifts | on request | on request |
Performance charts


| A | Fan |
| B | Recommended amount of air for dust class H |
| C | With G4+H13 filter combination (approval for dust class H) and air transport hose* |
| D | With G4+F7 filter combination and air transport hose* |
| E | With G4 filter and air transport hose* |
| With spray paint filter and air transport hose* | |
| F | Without filter, with air transport hose* |
| * Connected to the pressure side, standard length 7.6 m, laid with one 90° arc. When the air hose is laid stretched and arc-free, an increase of air volume by up to 25 % is possible! | |
Disposal
The icon with the crossed-out waste bin on waste electrical or electronic equipment stipulates that this equipment must not be disposed of with the household waste at the end of its life. You will find collection points for free return of waste electrical and electronic equipment in your vicinity. The addresses can be obtained from your municipality or local administration. You can also find out about other return options that apply for many EU countries on the website https://hub.trotec.com/?id=45090. Otherwise, please contact an official recycling centre for electronic and electrical equipment authorised for your country.
The separate collection of waste electrical and electronic equipment aims to enable the re-use, recycling, and other forms of recovery of waste equipment as well as to prevent negative effects for the environment and human health caused by the disposal of hazardous substances potentially contained in the equipment.
Declaration of conformity
Declaration of conformity in accordance with the EC Machinery
Directive 2006/42/EC, Annex II, Part 1, Section A
We – Trotec GmbH – declare in sole responsibility that the product designated below was developed, constructed and produced in compliance with the requirements of the
EC Machinery Directive in the version 2006/42/EC.
Product model / Product:
TAC 1500
TAC 3000
Product type: air cleaner Year of manufacture as of: 2019
Relevant EU directives:
- 2011/65/EU: 01/07/ 2011
- 2014/30/EU: 29/03/2014
Applied harmonised standards:
- EN ISO 12100:2010
- EN ISO 13849-1:2015
- EN ISO 13857:2008
- EN ISO 14118:2018
- EN 55011:2009
- EN 60204-1:2006
- EN 60335-1:2012/AC:2014
- EN 60335-2-65:2003/A1:2008
- EN 60335-2-65:2003/A11:2012
- EN 61000-6-1:2007
- EN 61000-6-3:2007+A11:2011+AC:2012
Applied national standards and technical specifications: Manufacturer and name of the authorised representative of the technical documentation:
Trotec GmbH
Grebbener Straße 7, D-52525 Heinsberg
Phone: +49 2452 962-400
E-mail: [email protected]
Place and date of issue:
Heinsberg, 30.09.2013

Detlef von der Lieck, Managing Director
Trotec GmbH
Grebbener Str. 7 D-52525 Heinsberg
+49 2452 962-400, +49 2452 962-200
[email protected], www.trotec.com




















