
makes a differrence
K 7 Compact

![]()
Register
your product
www.kaercher.com/welcome
![]()
![]()



General notes
Read these original operating instructions and the enclosed safety instructions before using the device for the first time. Act in accordance with them. Keep both books for future reference or for future owners.
Environmental protection
Environmental protection The packing materials can be recycled. Please dispose of the packaging in accordance with the environmental regulations.
Electrical and electronic appliances contain valuable, recyclable materials and often components such as batteries, rechargeable batteries or oil, which – if handled or disposed of incorrectly – can pose a potential danger to human health and the environment. However, these components are required for the correct operation of the appliance. Appliances marked by this symbol are not allowed to be disposed of together with the household rubbish.
Cleaning work producing in oily wastewater, e.g. washing engines, washing undercarriages, etc., may only be performed at washing stations with an oil separator.
Working with detergents may only be performed on watertight surfaces with connection to the wastewater sewage system. Do not allow detergent to enter waterways or the soil.
Extraction of water from public waterways is not permitted in some countries.
Notes on the content materials (REACH)
Current information on content materials can be found at: www.kaercher.de/REACH
Intended use
Use the high-pressure cleaner in private households only. The high-pressure cleaner is intended for cleaning machines, vehicles, buildings, tools, façades, terraces, garden machines etc. using a high-pressure water jet.
Accessories and spare parts
Only use original accessories and original spare parts. They ensure that the appliance will run fault-free and safely.
Information on accessories and spare parts can be found at www.kaercher.com.
Scope of delivery
The scope of delivery for the appliance is shown on the packaging. Check the contents for completeness when unpacking. If any accessories are missing or in the event of any shipping damage, please notify your dealer.
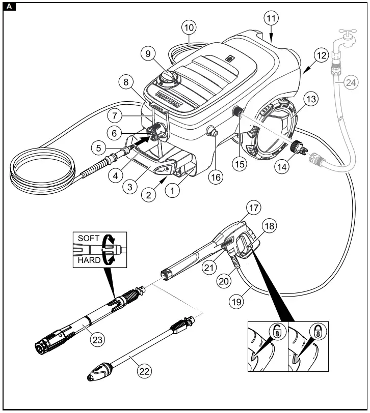
Device description
For the illustrations, refer to the graphics page Illustration A
| 1 Storage for spray lance 2 Storage for high-pressure gun 3 Transport handle, telescoping 4 Carrying handle 5 High-pressure cleaner connection (with anti-twist 6 Quick coupling for high-pressure hose 7 Rubber band 8 Storage for high-pressure hose and mains connection cable 9 Power switch “0/OFF” / “I/ON” 10 Mains connection cable with mains plug 11 Carrying handle 12 Type plate 13 Transport wheel 14 Water connection coupling 15 Water connection with integrated sieve 16 Suction hose for detergent (with filter) 17 High-pressure gun | 18 High-pressure gun lock 19 High-pressure hose 20 High-pressure gun connection 21 Button for separating the high-pressure hose from the high-pressure gun 22 Spray lance with dirt grinder for stubborn soiling 23 Vario Power spray lance for common cleaning tasks. The working pressure can be continuously in- creased from “SOFT” to “HARD”. To adjust the working pressure, release the trigger gun lever and turn the spray lance to the desired position. Detergent can be added to the water jet when the spray lance is turned all the way in the SOFT direction. 24 **Garden hose with commonly available coupling – Fabric reinforced – Diameter of at least 1/2 inch (13 mm) – Length at least 7.5 m ** additionally required |
Safety devices
CAUTION
Missing or modified safety devices
Safety devices are provided for your own protection. Never modify or bypass safety devices.
Power switch
The power switch prevents the unintentional operation of the device.
High-pressure gun lock
The lock locks the lever of the high-pressure gun and prevents the device from starting unintentionally.
Auto-stop function
If the lever of the high-pressure gun is released, the pressure switch turns off the pump, and the high-pressure jet stops. The pump switches on again when the lever is pressed.
Motor circuit breaker
The motor circuit breaker shuts off the device if power consumption it too high.
Symbols on the device
Do not aim the high-pressure jet may at persons, animals, live electrical equipment or the device itself.
Protect the device against frost. The device may not be directly connected to the public drinking water network
Installation
For the figures, refer to the graphics page. Fit the supplied loose parts onto the device before starting up the device.
Install the transport handle
- Attach the transport handle.
Illustration B
Installing the water connection coupling
- Screw the water connection coupling onto the water connection on the device.
Illustration C
Initial startup
ATTENTION
Exceeding the maximum permissible grid impedance
Material damage Take care not to exceed the maximum permissible grid impedance on the connection point (see chapter Technical data). Contact your electricity supplier in the case of any uncertainties regarding the mains grid impedance at your electrical connection point.
- Place the device on a flat and level surface.
- Insert the high-pressure cleaner connection (with anti-twist) of the high-pressure hose into the quick coupling on the device until it audibly latches into place.
Illustration D - Insert the high-pressure hose into the high-pressure gun until it audibly latches into place.
Note Take care to ensure the correct alignment of the nipple.
Illustration E - Check for a secure connection by pulling on the high-pressure hose. 5. Plug the mains plug into a mains socket.
Water supply
For the connection values, see the type plate or chapter Technical data. Observe the water distribution company regulations.
ATTENTION
Damage through contaminated water Contamination in the water can damage the pump and the accessories. KÄRCHER recommends using the KÄRCHER water filter for
protection(special accessory, order number 4.730-059).
Connection to the water line
ATTENTION
Damage to the pump
A metal hose coupling with Aquastop on the garden hose can cause damage to the pump. Use a plastic hose coupling or a KÄRCHER brass hose coupling.
- Plug the garden hose onto the water connection coupling.
Illustration F - Connect the garden hose to the water line.
- Open the water tap fully.
Sucking water from open containers
When used with the KÄRCHER suction hose with a check valve (special accessory, order number 2.643-100) this high-pressure cleaner is suitable for sucking up surface water, e.g. from rain barrels or ponds (for the maximum suction height see chapter Technical data). The water connection coupling is not required for suction operation.
- Fill the suction hose with water.
- Screw the suction hose onto the device’s water connection and hang it in a water source (e.g. water butt).
Vent the device
- Switch the device to “I/ON”.
- Unlock the lever of the high-pressure gun.
- Press the lever of the high-pressure gun. The device switches on.
- Allow the device to run a maximum of 2 minutes until the water escaping from the high-pressure gun is free of air bubbles.
- Release the lever of the high-pressure gun.
- Lock the lever of the high-pressure gun.
Operation
ATTENTION
Pump running dry
Damage to the device If pressure does not build up in the device after 2 minutes then switch the device off and proceed according to the instructions in the chapter Troubleshooting guide.
High-pressure operation
ATTENTION
Damage to painted or sensitive surfaces
Surfaces can be damaged when the jet is too close to the surface or an unsuitable spray lance is used. Maintain a minimum spray distance of 30 cm when cleaning painted surfaces.
Do not clean car tires, paint, or sensitive surfaces such as wood with the dirt grinder.
- Insert a spray lance into the high-pressure gun and lock it by turning it 90°.
Illustration G - Switch the device on (“I/ON”).
- Unlock the lever of the high-pressure gun.
- Press the lever of the high-pressure gun. The device switches on.
Operation with detergent
DANGER
Failure to adhere to the safety data sheet
Incorrect handling of the detergent can seriously damage your health Observe the safety data sheet of the detergent manufacturer, in particular the instructions on personal protective equipment.
Note Detergent can only be mixed into the jet at low pressure.
- Pull the desired length of the detergent suction hose out of the casing. Illustration H
- Hang the detergent suction hose in a container with a detergent solution.
- Use the Vario Power spray lance.
- Turn the spray lance all the way in the “SOFT” direction. The detergent solution is mixed with the water jet during operation.
Recommended cleaning method
- Spray the detergent sparingly on the dry surface and let it work for a while (do not let it dry).
- Rinse off the loosened dirt with the high-pressure jet.
After operation with detergent
- Flush the device with clear water for approx. 30 seconds.
Interrupting operation
- Release the lever of the high-pressure gun. The device switches off when the lever is released. The high pressure in the system is retained.
- Lock the lever of the high-pressure gun.
- Insert the high-pressure gun into the high-pressure gun storage compartment.
- Place the high-pressure gun with the spray lance in the parking position.
- Switch the device off “0/OFF” during work breaks longer than 5 minutes.
Finishing operation
CAUTION
Pressure in the system
Injuries from high-pressure water escaping uncontrollably Only disconnect the high-pressure hose from the high-pressure gun or the device when the system is fully depressurized.
CAUTION
Hot water
Danger of burns
When disconnecting the garden hose or high-pressure hose, hot water can leak out of the connections after the operation.
- Release the lever of the high-pressure gun.
- Close the water tap.
- Press the lever of the high-pressure gun for 30 seconds. The pressure remaining in the system is discharged.
- Release the lever of the high-pressure gun.
- Lock the lever of the high-pressure gun.
- Disconnect the device from the water supply.
- Switch off the device “0/OFF”.
- Pull the mains plug out of the socket.
Transport
CAUTION
Failure to observe the weight
Risk of injury and damage Be aware of the weight of the device during transportation.
Carrying the device
- Lift and carry the device by the carrying handles.
Pulling the device
- Pull the transport handle out until it audibly latches into place.
- Pull the device via the transport handle.
Transporting the device in a vehicle
- Secure the device against slipping and tipping over.
Care and service
DANGER
The danger of electric shock Injuries due to touching live parts Switch off the device. Remove the mains plug. The device is maintenance-free, i.e. you do not need to perform any maintenance work.
Clean the sieve in the water connection
ATTENTION
Damaged sieve in the water connection Damage to the device through contaminated water Check the sieve for damage before inserting it in the water connection.
If necessary, clean the sieve in the water connection.
- Remove the water connection coupling.
- Pull the sieve out using flat pliers.
Illustration I - Clean the sieve under running water.
- Insert the sieve into the water connection.
Clean the detergent filter
Clean the detergent filter before long periods of storage age.
- Pull the filter off the detergent suction hose.
Illustration J - Clean the filter under running water.
Storage
CAUTION
Failure to observe the weight
Risk of injury and damage Be aware of the weight of the device during storage.
Storing the device
- Place the device on a level surface.
- Disconnect the spray lance from the high-pressure gun.
- Press the separation button on the high-pressure gun and disconnect the high-pressure hose from the high-pressure gun.
- Store the mains connection cable and accessories on the device. 5. Store the high-pressure hose on the device.
- Secure the mains connection cable and the high-pressure hose with the rubber band.
Illustration K
Observe the additional instructions before storing the device for a longer period of time, see chapter Care and service.
Frost protection
ATTENTION
Danger of frost
Incompletely emptied devices can be destroyed by frost. Completely empty the device and accessories. Protect the device from frost.
The following requirements must be satisfied:
• The device is disconnected from the water supply.
• The high-pressure hose is removed.
- Switch the device on “I/ON”.
- Wait for a maximum of 1 minute until no more water escapes from the high-pressure connection.
- Switch off the device.
- Store the device in a frost-protected room, together with all accessories.
Troubleshooting guide
Malfunctions often have simple causes that you can remedy yourself using the following overview. When in doubt, or in the case of malfunctions not mentioned here, please contact your authorized Customer Service.
DANGER
The danger of electric shock
Injuries due to touching live parts Switch off the device. Remove the mains plug.
Device not running
- Press the lever of the high-pressure gun. The device switches on.
- Check that the voltage specified on the type plate corresponds to the voltage of the power source.
- Check the mains connection cable for damage.
- If the motor is overloaded and the motor circuit breaker has triggered:
a Switch off the device “0/OFF”.
b Allow the device to cool down for 1 hour.
c Switch the device on “I/ON” and resume operation.
Has the device been checked by Customer Service if this fault occurs repeatedly?
The device does not start up, the motor buzzes
Voltage drop due to a weak mains grid or when using an extension cable
- When switching on, first press the lever on the high-pressure gun and then switch on the device “I/ON”.
The device does not reach the required pressure
The water supply is too low
- Open the water tap fully.
- Check the water supply for an adequate flow rate.
The sieve in the water connection is dirty.
- Pull the sieve in the water connection out using flat pliers.
- Clean the sieve under running water.
Air is in the device.
- Vent the device: a Switch on the device without a connected high-pressure hose for
a maximum of 2 minutes until the water escaping from the high-pressure connection is free of air bubbles.
b Switch off the device.
c Connect the high-pressure hose.
d Observe the maximum suction height during suction operation (see chapter Technical data).
Strong pressure fluctuations
- Clean the high-pressure nozzle:
a, Use a needle to remove dirt from the nozzle drill.
b, Rinse the high-pressure nozzle from the front with water. - Check the water supply volume.
Device leaking
- The device leaks a small amount for technical reasons. If the leak is severe, request authorized Customer Service.
Detergent is not sucked in
- Use the Vario Power spray lance and turn it all the way in the “SOFT” direction.
- Clean the filter on the detergent suction hose.
- Check the detergent suction hose for kinks.
Warranty
The warranty conditions issued by our relevant sales company apply in all countries. We shall remedy possible malfunctions on your appliance within the warranty period free of cost, provided that a material or manufacturing defect is the cause. In a warranty case, please contact your dealer (with the purchase receipt) or the next authorized customer service site. (See overleaf for the address)
Technical data
Electrical connection
| Voltage | V | 230 |
| Phase | ∼ | 1 |
| Frequency | Hz | 50 |
| Maximum permissible mains grid impedance | Ω | 0,394 + j0,246 |
| Connection output | kW | 3,0 |
| Degree of protection | IPX5 | |
| Protection class | I | |
| Power protection (slow-blowing) | A | 16 |
Water connection
| Feed pressure (max.) | MPa | 1,2 |
| Input temperature (max.) | °C | 60 |
| Input amount (min.) | l/min | 12 |
| Suction height (max.) | m | 0,5 |
Device performance data
| Operating pressure | MPa | 15 |
| Max. permissible pressure | MPa | 18 |
| Water flow rate | l/min | 9,2 |
| Maximum flow rate | l/min | 10 |
| Detergent flow rate | l/min | 0,3 |
| High-pressure gun recoil force | N | 27 |
Dimensions and weights
| Typical operating weight | kg | 17, 6 |
| Length | mm | 378 |
| Width | mm | 291 |
| Height | mm | 516 |
Determined values in acc. with EN 60335-2-79
| Hand-arm vibration value | m/s² | < 2,5 |
| K uncertainty | m/s² | 0,7 |
| Sound level LpA | dB(A) | 76 |
| K uncertainty pA | dB(A) | 3 |
| Sound power level LWA + K uncertaintyWA | dB(A) | 91 |
Subject to technical modifications.
EU Declaration of Conformity
We hereby declare that the machine described below complies with the relevant basic safety and health requirements in the EU Directives, both in its basic design and construction as well as in the version placed in circulation by us. This declaration is invalidated by any changes made to the machine that are not approved by us.
Product: High-pressure cleaner
Type: 1.447-xxx
Currently applicable EU Directives
2000/14/EC
2014/30/EU
2006/42/EC (+2009/127/EC)
2011/65/EU
Harmonized standards used
EN 50581
EN 55014-1: 2017
EN 55014-2: 2015
EN 60335-1
EN 60335-2-79
EN 61000-3-2: 2014
EN 61000-3-11: 2000
EN 62233: 2008
Conformity evaluation procedure used
2000/14/EC: Appendix V
Sound power level dB(A)
Measured: 89
Guaranteed: 91
The signatories act on behalf of and with the authority of the company management.

Documentation supervisor: S. Reiser
Alfred Kärcher SE & Co. KG
Alfred-Kärcher-Str. 28 – 40
71364 Winnenden (Germany)
Ph.: +49 7195 14-0
Fax: +49 7195 14-2212
Winnenden, 2018/10/01

Registrieren Sie Ihr Produkt and profitieren Sie von vielen Vorteilen. Register your product and benefit from many advantages. Enregistrez votre produit et beneficier de nombreux avantages. Registre su producto y aproveche de muchas ventajas.
www.kaercher.com/welcome
![]()

www.kaercher.com/dealersearch
Alfred Kärcher SE & Co. KG
Alfred-Kärcher-Str. 28-40
71364 Winnenden (Germany)
http://kaer.ch/er/?l=TwSoJtl9IUOwZyAe1rHDyw
References
Cher - Official Site
Cleaning equipment and pressure washers | Kärcher International
Dealer Search | Kärcher International
Home Garden Warranty Registration Karcher North America USA | Kärcher
Reinigungsgeräte und Hochdruckreiniger | Kärcher
Lieferkette und Produkte | Kärcher
Kärcher totaaloplossingen voor al uw reinigingsproblemen: Karcher hogedrukreinigers, veegmachines, schrobmachines, stofzuigers, carwash, ... | Kärcher

















