RETRO-M Retrofit Intercom & Music Distribution System

Installation Instructions
Retrofit Intercom & Music Distribution System
Thank you for purchasing an Intrasonic Technology product. Our products are built to provide you with years of high quality sound. If you need assistance with the installation or operation of this product, please contact our Customer Service Support team at 1-877-435-0670. You may also get information on this and other Intrasonic Technology products on our website at www.intrasonictechnolgy.com
Safety Instructions
- To reduce the risk of electrical shock, the system must be installed by a qualified installer or dealer.
- Please read the instruction manual in its entirety before installing.
- Please do not attempt to remove or repair your existing system or the Intrasonic Technology Retro system. Call a qualified installer or dealer.
- The apparatus shall not be exposed to dripping or splashing from liquids. No objects filled with liquids, such as vases shall be placed on the apparatus.
- Before performing any work on the existing system or the Intrasonic Technology Retro system, make sure the power is turned off.
- Do not expose outdoor units like the Patio or Door unit to direct water exposure. Direct water exposure could cause premature failure and performance issues.
- Use only Intrasonic Technology certified replace parts.
NOTE: THE RETRO-M MASTER MUST BE INSTALLED IN AN EXISTING APPROVED INTERCOM HOUSING OR THE I1000H HOUSING TO MEET LOCAL ELECTRICAL CODES AND SAFETY REQUIREMENTS.
CAUTION – TO REDUCE THE RISK OF ELECTRIC SHOCK, DO NOT REMOVE COVER (OR BACK). NO USER-SERVICEABLE PARTS INSIDE. REFER TO QUALIFIED SERVICE PERSONNEL
Don’ts
- Expose any parts of the Intrasonic Technology Retro system to moisture.
- Install any room, patio, or door station closer than 10 feet from each other or back to back on the same wall. This could cause system feedback.
- Perform any work on the system without turning the system power off first.
Do’s
- Use a qualified installer or dealer.
- Use with Intrasonic Technology approved products.
- Use a dedicated 110VAC line to the master. Not using a dedicated line could cause popping, humming or buzzing noises in the system.
- Use a dedicated line with its own disconnect device.
- Locate away from any heat sources.
- Label all wires.
- Only one auxiliary input can be installed per system.
- Wiring must follow NEC 640 and 725 for audio wiring.
- All holes must be filled with wires and any remaining area must be filled and sealed.
Warnings
- An apparatus with Class 1 construction shall be connected to a MAINS socket outlet with a protective earthing connection.
- Un appareil avec la construction de la classe 1 sera relié à une sortie de douille de FORCES à un raccordement
- To prevent injury, this apparatus must be securely attached to the floor/wall in accordance with the installation instructions.
Wiring
The Intrasonic Technology Retro system is designed to work on the existing wiring. If the existing wiring contains 3, 4, 6 or more wires, you will need to select 3 of the wires for each room, patio and door station. Runs need to be 350 feet each or less. If the existing system is still operating, it is a good idea to test the system and all stations to make sure the existing wires are not damaged.
Maximum Number of Stations
The system will handle the following number of stations;
- 11 room stations
- 2 patio stations (can be used for room stations)
- 2 door stations
- 1 auxiliary input unit
Ohm Speakers
The Intrasonic Technology Retro system is an 8 ohm based system. External speakers need to high efficiency speakers. Speakers rated at less than 8 ohms could degrade performance or even damage the system.
Tools Needed
- Tape measure
- Wire stripper and cutter
- Hammer
- Drill
- Screw drivers
- Tin Snips
- Volt/ohm meter
- Pry bar
Getting Started
First determine the make and model of the system you are replacing. This includes room, patio and door stations. Also if there are any ceiling speakers, what size they are and if they are 8 ohms impedance. The Intrasonic Technology Retrofit system requires the use of 8 ohm speakers. This will allow you to acquire the correct replacement components and adapter plates. Make sure the power is off to the existing system. Taking out the existing system can be a messy process. Bring some “drop cloths” to put under the units to be removed. Perform a test on the existing system operation to make sure the wiring is complete and undamaged.
Removing the Old Master
- If the existing system is still operational, run a test by playing the radio and testing the intercom functions to each room, patio and door station. If one or more of the stations do not function, this could be a sign that there is faulty wiring.
- If one of the stations does not function properly, try swapping the defect station with a working station. If the defective station works in the new location, and the working station now does not work in its new location, this is a sign that there is trouble with the wiring. If the defective station does not work in the new location, this probably means the station is defective.
- Make sure the power to the existing system is turned off.
- Remove the master unit from its housing.
- If you encountered wiring issues in the operational test above, this would be a good time to perform and continuity and short test on the existing wiring.
- Check to see if the existing wires are marked. There should be wires for each room, patio and door station, antenna (both AM & FM) and power. If these are not already marked, place a tag on each wire show what station it goes to or what it is used for. If you are not sure of the use, the printed circuit board where the wire is connected is normally marked with connection details.
- Once all the wires are marked, you can disconnect all the wires and remove the master unit from its housing.
- NOTE: In some cases certain colors of wires are all clumped together. If this is the case you will need to ohm out each wire to its location to label what wire go to which rooms.

With the master removed, the housing should look something like this with all the wires disconnected and marked.
- The Intrasonic Technology Retrofit system is designed to work with most existing housings. To determine if you can use the existing wall housing measure the inside height and width of the existing housing. If it measures between 14 1/8 inches to 14 3/8 inches in width and at least 5 ¾ inches high, you should be able to use the existing housing.
- If you find that you cannot use the existing housing, you will need to remove the old housing and install an Intrasonic Technology I2000H Rough-In kit.
- Remove existing transformers from old system. Some old systems have the power coming in to a box that hangs from the bottom of the wall housing that contains one or two transformers. The Retrofit system does not use transformers. You will need to carefully remove these transformers, bring the Romex (110 Voltage) up into the housing for connection to the Retrofit Master unit.
- (Note: Do not remove the old transformer housing and if there was a cover you will need to save it. The cover should be replaced once the Romex is wired to the Intrasonic Technology wires.)
- If you are using the original housing, you will need to install the Intrasonic Technology mounting straps. These come with Retrofit RETRO-M master. Be sure to install them with the flat side facing the chassis. As closely as possible mount them with the mounting screw hole centered between the top and bottom. If there are holes available you can use them to screw the mounting straps to the chassis. But be careful not to mount them too far towards the back. The mounting strap needs to be no more then 1/2” from the front end of the chassis. If there are no holes, drill holes to mount the mounting strap.

The view above shows the existing master housing with the right side strap installed. When mounting the left side strap, make sure the left and right straps are level. This will insure that the master is level when installed.
Wiring in the Master Station
- Determine how many room, patio and door stations you will be installing. Remove the appropriate number of green connectors from the rear of the master printed circuit board
- Strip the existing wires ¼ inch for all the stations.
- For each station there are connections marked “+15V”, “GND” & “LINK”. Select a wiring pattern or color code system to use throughout the entire system.
(Example: select red, black and white wires. All red wires to the +15V, all black wires to the GND and all the white wires to the LINK.) - The one important thing to remember the same wire color scheme must be used on the end of the wires in the master housing and on the other end at the individual room, patio and door stations. (NOTE: The green connectors usually need to be flipped upside down to tighten wires, make sure when you flip it back the color code still matches)
- Leave the station wires with the connectors attached hanging in the master housing, while proceeding to connect the rest of the wires.


Wiring in the Master Station
- Prior to starting the wiring, align the plastic adapter frame to the existing rough-in box.
TIP: Hold in place by placing masking tape on the corners. - To wire the power you will need a licensed Electrician. The existing Romex will need to be wired to the power leads on the Retrofit master, the connections placed in the old power or transformer box and the cover replaced. DO NOT TURN ON POWER.
- Now you can plug in the removable connectors you wired to the existing wires for the room, patio and door stations. The receptacles on the master printed circuit board are marked for “room” “door” and “Patio”. Plug in the existing wires into the appropriate receptacle.
- NOTE: The Door station must be plugged into Door port 14 or Door Port 15
Wiring AM/FM Antenna
- Existing FM antenna wire usually looks like the picture below, this will hook up to the 2 screws on the coaxial connector pictured below and attached to the coaxial hook up pictured below.
- Existing AM antenna is usually a brown or orange wire and it will connect to the green circuit board with the screw on top. The Green circuit board is attached with a black and red clip. Pull the Green circuit board out and attach the AM antenna to the screw (if you do not have an existing AM antenna than the brown wire attached to the coaxial connector can be attached) then put the green circuit board back onto the red and black clips.

AUX Input
- If you are installing the optional auxiliary input wall plate, you need to plug the wires from the AUX wall plate into the two (red & white) phono jacks on the back of the master printed circuit board.
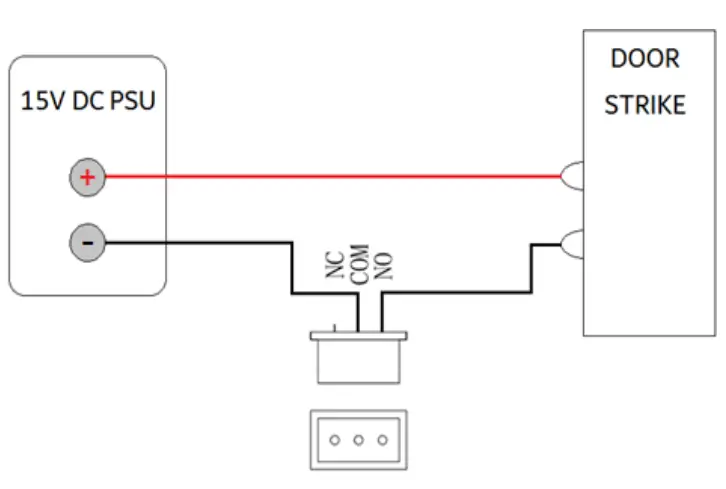
Door Release Connection
- If you are connecting to an electronic door release mechanism, connectors CN5 and CN6 provide both “Normally Open” and Normally Closed” contacts for this function. The most common use is the normally open contacts that would close and allow power from the bell transformer to activate the release mechanism. Make the appropriate connections at CN5 for door 1 and CN6 for door 2.

Installing the Master in the Wall Housing
- Before installing the master, check that all wires are connected, there are no wires touching or close to each other that could cause shorts, there are no strands loose that could cause shorts and any unused existing wires are safely covered and moved out of the way.
- Important Note: Only need to do this if you have an external door lock connected to the system On the back of the master, the green station connectors are numbered from 1 to 13. Connectors 1 through 9 are for room stations only. Connectors 10, 11, 12 and 13 can be used for either a room station or a patio station. But for proper operation when using these 4 ports, you must select either room or patio on switch SW1-4 located on the back of the main printed circuit board.
- Place the Intrasonic Technology master over the rough-in box and align the two mounting holes over the holds in the rough-in housing. Insert one of the 2 inch mounting screws provided and proceed to tighten for 2 to 5 turns. Once started insert the second mounting screw and proceed to tighten. Tighten both mounting screws firmly but do not over tighten.

Changing the RETRO-PMPDOOR
- Take the master faceplate and look at the back. The Door will have 2 screws that will need to be taken off along with the connectors. Take the old door off and line up the new door. Put the connectors and screws back into place and tighten.

- Finish the master assembly by attaching the outer face plate and tightening the 3 screws on the bottom of the face plate.
Removing the Old Room and Patio Stations
- There are numerous old makes and models of existing intercoms, it is impossible to describe in specific detail the process to remove the old room stations. The steps listed below are general steps that may or may not apply to the specific make and model you are replacing.
- Remove the room station from the wall.
- Disconnect the wires attached to the old room station and set it aside.
- Depending on the existing hole will depend on the adaptor plates that will be used. RETRO Leave any existing room station mounting rings installed.
- RETRO-5RAV or RETRO-5RAH or RETRO-8RAP will mount to existing rough-in.

- Once the old room station has been removed and the wires disconnected, the existing station hole with the existing mounting ring should look something like the above picture.
Installing the new Room and Patio Stations
- Below is a picture of how the metal adaptor bracket will mount to the existing housing unit. Line up metal adaptor plate with housing and screw mounting plate into existing housing unit.
- In most cases you will be able to mount the metal adaptor plate using the existing holes but in some cases it may be required to drill holes in the adaptor plate to match the existing housing unit to get a mounting match.

- Pictured below is the metal adaptor plate with the plastic trim plate mounted on top.
- When mounting the plastic trim plate is lined up with the metal adaptor plate there will be 4 exposed screw holes on the metal plate for the room station to be mounted

Patio Surface Mount Installation
- Retro-PSB will be needed for surface mount installation.
- Remove old patio surface mount box and mount Retro-PSB patio surface mount box.
- Install Retro patio station onto surface mount box.
- When installing the new Intrasonic Technology Retrofit master station, you selected 3 wire colors from the existing wires. Please select those same 3 color wires and attach them to the same terminals (+15V, GND, LINK) on the back of the room station. Remember it is important to use the same color wire for each of the 3 terminals at both ends of the wire.
- If you are attaching the room station to existing ceiling or in-wall speakers, you will need to attach the wires from these speakers to the connector CN4 on the rear of the room station.
- Make sure if there are 2 ceiling or in-wall speakers that they are wired in parallel.
- Many existing systems use 25 ohm and 45 ohm speakers. If the existing speakers are either 25 or 45 ohms, they will need to be changed out for 8 ohm speakers. The Intrasonic Technology speakers are designed to work with this Retrofit system and provide maximum performance and volume. Other 8 ohm speakers may be used, but performance may be affected.
- Be sure to move JP1 to correct position when connecting external speakers. Use terminals 1&2 for internal speaker and terminals 2&3 for external speakers

- Now attach the new room station to the adapter plate with the 4 screws provided. Be careful not to over tighten these screws.

- The last step would be to snap the dress ring on to the room or patio station.

- These steps are generic only. There are too many possible variations to be able to be specific with installation details. Because of this, from time to time there may be additional cutting, drilling or possible sheetrock work that may be required to install any retrofit system.
- Every effort has been made to make the adapter plates as universal as possible. But if you find that the provided adapter plate does not have the correct holes for a specific retrofit application, you can simply drill additional holes in the adapter plate to match the application.

Removing the Old Door Station
- Remove the screws holding the old door station and carefully pull out the old door station.
- Disconnect the wires from the old door station and set it aside (Label if necessary)
- Leave the existing door station mounting box installed if it is recessed in the wall.
- If the door station is surface mounted the Retro-DSB which is the retro door surface box will need to be installed.
Installing the New Door Station
- Attached the same terminals (+15V, GND, LINK) on the back of the door station. Remember it is important to use the same color wire for each of the 3 terminals at the master and at the door station
- Now attached the door station using the screws provided.
- When replacing larger door stations such as a Nutone door station, the Retro-DAP (door adaptor plate) will be needed.
- As mentioned earlier, these steps are generic only. There are too many possible variations to be able to be specific with installation details. Because of this, from time to time there may be additional cutting, drilling or possible patch work that may be required to install any retrofit system.


RETRO MYDOOR™ INSTALLATION
- Ensure that the door has been powered on and connected to the home Wi-Fi before installation* Refer to the Operation Manual for the initial Wi-Fi setup instructions.

- Now is also a good time to position the door unit where it’s going to be installed so you know the angle at which the camera needs to be adjusted.

- There are two (2 conductor) cables coming out of the back of the included adapter bracket Make sure that these are routed through the bracket opening before installation.

- With all of the wiring routed through the opening of the adapter bracket, position it appropriately and adhere it to the wall.

- The aforementioned cables coming off of the back of the bracket (which should now be routed through the bracket) must also be routed through the opening of the rain guard and
connected to the back of the door unit as such.
- With the rest of wiring routed through the opening of the rain guard, position the guard on the wall accordingly. We also advise applying some sort of caulk to the top and sides of the guard AND adapter bracket (bottom open) for added weather protection* The station is weather resistant – NOT weather proof!

- The MyDoor™ must then be screwed to the adapter bracket – securing the rain guard in place behind it.

- Lastly, position the faceplate over the MyDoor™ and secure it in place with the included bolts.

CONNECTORS

Connection from Adapter Bracket
- This will be one of the two connectors tethering the adapter bracket to the door station itself.
Lock #2 Relay_
- You can connect up to two locks/strikes. The pin layout for relay #2 is as below_

EXAMPLE: 
Reset/Programming button_
This button serves as both the reset and initial programming button. Refer to the Operation Manual for further details on the programming procedure.
- Holding this button for 10 seconds will reset the unit
SD Card Slot_
Internal storage for the device can be expanded up to 64GB using a standard Micro SD card. The oldest data will be overwritten as the card reaches its maximum storage capacity.
Lock #1 Relay_
- You can connect up to two locks/strikes. The pin layout for relay #1 is as below_

- Not Used_
This connector is not used for the RETRO version of the MyDoor™. - Connection from Adapter Bracket_
This will be one of the two connectors tethering the adapter bracket to the door station itself. - Ethernet/RJ45 Connector_
Connect a CAT5 cable to this port (from your home router or switch) for the best data transfer. - Adjustable Camera_
Prior to installation, you can adjust the angle at which the camera is pointing.
Trouble Shooting Guide
| Problem or Question | Solution |
| Cannot hear music at the room stations | Check that radio volume in the master settings is turned up
Check that the master is not set to audio off |
| Cannot hear room intercom | Check that intercom volume in the master settings is turned up Check system wiring |
| What happens if the power goes off? | Like most electronic devices, when the power is lost the equipment will not operate. The Intrasonic Technology Retro System has a battery backup that should keep the owner selected settings during most power outages |
| Where is the battery backup and how do I replace it? | The battery backup is located behind the front panel on the master station. Simply loosen the screws holding the front panel and remove the front panel. In the upper right corner there is a square cover with a singlr screw. Remove the screw and remove the battery behind it. Watch the battery polarity and put the new battery in using the same direction as the old battery. The replacement battery number is CR2032. After installing the new battery replace the square cover plate and screw holding the plate. Then replace the master face plate and tighten the three screws on the bottom of the master face plate. |
| I cannot hear my music source plugged into the aux wall plate | If a music source is plugged into the master docking station, then the system will automatically select that source to be distributed. If you want to distribute the Aux wall plate source, make sure there is no music source plugged into the master docking station. |
| Various operation issues | To trouble shoot the system when you are having various issues, remove the master from the wall. Unplug all the room, patio and door stations from the main printed circuit board on the rear of the master. Check that the master is functioning properly. Then one at a time plug in each room, patio and door station, checking after each one is plugged in for the issue. If there is either bad wiring or a defective station, the issue will appear when the defective station (or station with bad wiring) is plugged back in. |
Warranty
Intrasonic Technology 2 Year Limited Warranty
Intrasonic Technology warrants its products to be free of manufacturing defects for two years from the date of closing or actual installation. This warranty only applies to products purchased from authorized dealers and distributors. If proof of installation cannot be supplied, the manufacturing date code may be substituted. This warranty extends to the original user or subsequent owner of the product during the warranty term. Intrasonic Technology will replace or repair the product at its option at no charge with a rebuilt or new product. All products with manufacturing defects must be returned to Intrasonic Technology. If an Intrasonic Technology product is determined to have a defect, please call our toll free number (877- 435-0670) before any attempt to dismantle or repair the product. Any attempt to dismantle or repair the product will void the warranty. An RMA (Return Material Authorization) will be required prior to returning a product to Intrasonic Technology. To obtain and RMA number, call our toll free number (877-435- 0670) and speak with a customer service representative. All products returned without an RMA number will be refused. If an item is beyond its two-year coverage, the customer still has the option to send in the product for ‘out-of-warranty’ repairs. There is a $25 diagnostic fee – and an $80 fee that’d be charged if we’re able to make the repair. If repairable, it’d just be $80 total – not in addition to the diagnostic fee. An ‘out-of-warranty’ repair will then hold a new 6 month warranty. The limited warranty is in lieu of any other warranty, expressed or implied and any other obligations or liability on the seller’s part. The limited warranty does not cover service calls, damage caused by improper installation, acts of God, or violation of building or electrical codes. Intrasonic Technology will not be liable for consequential, incidental or other damage arising in connection with use or inability to use this product. In no event shall Intrasonic Technology’s liability hereunder exceed the cost of the product covered hereby. No person is authorized to assume for Intrasonic Technology or obligate Intrasonic Technology for any other liability in connection with the sale of this product. Some states do not allow exclusion or limitation of consequential, incidental damage, so the above limitation or exclusion may not apply. This limited warranty gives you specific legal rights, and you may also have other rights, which may vary from state to state.
Register Products Online At
https://www.intrasonictechnology.com/customer-support/product-registration/+
- Intrasonic Technology, Inc. l 9525 Forest l View Street l Dallas, Texas 75243 877-435-0670

















