
![]()

Website: www.foicare.com
E‐mail: [email protected]
PRECAUTIONS
Thank you for purchasing the FC‐P1. We sincerely hope that it will bring convenience and enjoyment to your daily life.
Please read the instructions before using the chair in order to operate and maintain it properly. FC‐P1 assumes no responsibility for personal injury or property damage sustained by or through the use of this product. 
| Please pay attention to the following content with these warning symbols. | |
| Failure to take precautions could result in serious injuries. | |
| It can also damage or decrease the life expectancy of the FC‐P1. |
Components
![]() | ![]() |
Safety Guide
The user must be with sound mind and judgment. They must be conscious and have unimpaired motor functions in their hand to use the controller.- The user must read this user’s guide before operating the chair and get familiar with its components and features.

- The user should practice driving skills with assistance on open, flat, and safe grounds before normal use.

Moving forward and Parking
- To move forward, push the joystick forward lightly
- To stop, release the joystick..

Moving backward
- To move backward, push the joystick backward lightly
- The user must be aware of what is behind them before maneuvering backward to avoid collisions

Turning
- To turn, push the joystick to the left or right
- The user must be aware of what is to the left or right to avoid collisions when turning
Safety Guide (continued)
![]() | Driving on bends Lightly push the joystick in the direction of the bend. Practice speed control. |
| Practice avoiding obstacles Lightly push the joystick in either direction to avoid and maneuver around the obstacle/s, and practice speed control. | |
| Driving Fast Push the joystick all the way in the direction you want to go. Pull the joy‐ Stick back to the middle if you do not feel you are 100% in control. | |
| Driving over small curbs Lightly push the joystick and drive slowly over the curb. The step should not be higher than 3 centimeters | |
| Driving Uphill Keep your body tilted forward to keep the center of gravity stable. Drive slowly. We recommend the slope be less than 12 degrees for optimal performance. |
Safety Guide (continued)
Entering &Exiting Elevator
- The user should pay attention to the opening and closing intervals of the elevator door to avoid collisions while entering or exiting the elevator.

Driving on sidewalks
- The user should stay on the sidewalk and avoid entering the motor vehicle lane unless to cross the street. Pay attention to obstacles and avoid contact with them.

Crossing the street
- Pay attention to avoid cars and only cross when you are allowed. Must drive slowly over the curb, to get back on the sidewalk, which should not be more than 3cm high.

Driving over train/railroad racks
- We highly recommend you do not cross railroad/train tracks alone in the FC‐P1. You should be accompanied by an assistant, friend or others.
- Attempting to cross tracks that are elevated too high (more than 3cm) could result in a rollover or accident. It could endanger the personal safety of the user.
Safety Guide (continued)

Driving over a high curb/step or steep incline.
- Driving over too high of a curb/step (more than 3cm) could result in a rollover.
- Driving a very steep incline ould also result in a rollover.


Getting into and out of abed/chair/couches
- We recommend that the user has assistance getting out and into the chair.
- Move the armrests and footrest out of the way before entering and exiting the chair.
Driving downhill
- Make sure the electromagnetic brake is closed before driving downhill. Otherwise, it may lead to personal injury. Check the image to the right to see how the brake should appear closed.


Crossing the Road
- Pay attention to the traffic light and look both ways for oncoming traffic.
Driving through the street
- Make sure your chair has sufficient power before crossing the street. Stopping suddenly because of power loss in the middle of the street can cause personal injury or even death.
Self-repair of the FC‐P1
- DO NOT attempt to repair the product by yourself. It may cause permanent damage to the chair and could put you at risk of injury or death.
- The product should be repaired by a professional repair shop or maintenance service personnel.
Seat Belt
- Use the seat belt anytime when using the FC‐P1

Moving someone into the chair
- Avoid moving or handling the battery case when assisting users on or off the chair, It could result in damage to the chair and could cause harm.
Safety Guide (continued)

Washing the FC‐P1
- DO NOT hose down(Spray) the chair with water or any liquids.
It will cause damage to the chair and could also harm or endanger your personal safety. - Wipe with cloth.
- The seat cushion could also be removed to be washed separately
Battery handling and care 1
- DO NOT leave the battery or electrical components of the chair in a car that is baking(heating up)in the sun .It will cause permanent damage.
- Keep the battery away from fire and heat sources.

Battery handling and care 2
- DO NOT allow children access to the battery or electrical components to the chair.
- Store the battery in a cool, dry area that children do not have access to

Battery handling and care 4
- DO NOT store the battery in direct sunlight. Again ,it should be stored in a dry, cool, and ventilated area that children don’t have access to.
- DO NOT store in a severe cold environment. It will damage and decrease the life of the battery.
Safety Guide (continued)
Battery handling and care 5
- Fully charge the battery in case of long term storage. The battery has discharge characteristics and must be charged once every three months or it could lead to over discharge damage.
- The Lithium Battery is recyclable. Please discard responsibly through a recycling option
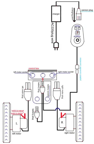
Electrical connection diagram
Unfolding and Folding
![]() | Unfolding—Step 1 Pull the wheelchair body up. |
| Unfolding—Step2 Lock the red button on the back of the wheelchair. | |
| Unfolding—Step3 Put the foot pedal down. |
![]() | Folding—Step1 Release the red button on the back of the wheelchair |
| Folding—Step2 Push the wheelchair body down and the wheelchair will fold down. |
Please visit our website www.foicare.com
There you can watch a video on Folding and Unfolding.
Unfolding and Folding
WARNING
If the chair is not locked in the open position, it can collapse when attempting to sit on the chair. This can cause damage to the chair and also the user.
WARNING
Check the locking device to make sure the chair is opened all the way and locked into position.
WARNING
If the front wheel is not in the proper position the chair will not fold tightly and could cause damage. Make sure the front wheels are in the correct position before closing.
Charging Instructions

- Please use original charger
- Insert the charger into the joystick socket, while being mindful of the plug orientation.
- Insert the charger into an electrical outlet, which will cause the charging light to turn on
- Red Indicator light means the battery is charging
- Green Indicator light means the battery is fully charged.
Charging Instructions

DO NOT turn on the controller power or use the chair during charging.- Ensure that the charger and battery are cool while charging.
These components should not be heating up. Failure to check can cause damage to the chair and even start a fire. - Charging time can vary from 2 to 4 hours.
- DO NOT keep the charger plugged in after a successful charge, it must be unplugged shortly after.
- Keep the charger away from moisture and crusher.
Installing the Joystick Controller
Insert the controller joystick into the armrest tube and tighten the knob to fix it in position
- Plug the three-prong side into the battery socket. Keep in mind the orientation of the plug and socket so they are aligned properly.
Electric Operation

Joystick Function Keys
- Joystick: controls the chair’s direction and speed.
- Power on: press to turn on the power
- Power off: press to turn off the power
- Speaker: Horn, that sounds when the user presses the button.
- Speed up: presto adjust to higher speed.
- Speed down: presto adjust to slower speed
- Speed display: All lights on means it is set to max speed.
- Battery display: All lights on means it has full charged
Electric Operation
Before the user is seated in the chair, put down the red brakes which are near the rear wheels. 
- Turning on the power and push the joystick.
- Pushing the joystick forward to go forward.
- Pulling the joystick back to go back.
- Pushing joystick left to turn left.
- Pushing joystick right to turn right.
- Release the joystick to park the chair.
- Press the power off button to shutdown the power.
- Pull up the red brakes which are near the rear wheels.
- For more info please refer to the “Safety Guide”.

Warning!
- DO NOT use the joystick unless you are sitting in the chair.
- DO NOT disconnect any plugs by pulling on the wire . Disconnect by pulling the plugs from the sockets to prevent damage to the wire.
- The cable should be around the armrest in order to avoid pulling on the joystick.
- DO NOT DRINK AND DRIVE. 15
Manual Operation
- Lift the red brakes up at the engaged position. This will allow the wheels to move freely so someone can push the chair.
- Press down the red brakes to keep the brakes at the separation position. When the chair is powered electrically, the chair cannot be pushed manually.

If the user operates the chair without assistance, the red brakes must be put down. Otherwise, the user will not have control over the chair.- Make sure the chair is in the electric model when the user is without assistance. Otherwise, it may cause injury, especially on a slope.
Transport & Storage

- To pick up the chair, stand it up when it is folded, use one hand to grab the seat cushion tube, lift, and transport.
- Folding method please refer to “Unfolding & Folding”
- Folded chair can be stored in the car trunk.
- The battery should be fully charged and the chair should be placed in cool, dry, and ventilated place in case of the chair will long‐term placement.
- The battery needs to be charged once every three months, otherwise it could lead to over‐discharge damage.
Transport & Storage
- Avoid storing the chair around heat, cold or direct sunlight. The rubber parts will age quicker and shorten the service life.
- The battery is very sensitive to high (hot) temperature environments and it may cause a fire.
- There are electronic components in the joystick. Avoid pressing and putting too much pressure on it
- There is/are lithium battery/batteries at the side and bottoms of the frame.
- Please avoid putting pressure on the battery, it may cause a fire.
Maintenance and Testing
- Periodically check if the frame connector screws are loose every 6 months. Tighten them if they are loose
- Check if the battery connectors have oxidized. If so, please replace them.
- Check if the folding locks work. If it is loose or jamming, please replace it promptly.
- Check the wheels/device. If it is loose or jamming, please replace it promptly.
- Part replacement should be done by a professional repair shop or Maintenance service personnel. DO NOT replace them by yourself.
Technical Specifications
| Parameter | Imperial Units | Metric Units |
| Device Weight(with battery) | 63.9 pounds | 29 kg |
| Max Capacity | 440.9 pounds | 200 kg |
| Unfolded Dimensions | 42.5*25.2*36.2inches | 108*64*92 cm |
| Folded Dimensions | 30.3*24.4*14.2inches | 77*62*36 cm |
| Seat Size (Lx W) | 17.3*17.3 inches | 44*44cm |
| Seating Height(from ground) | 18.1 inches | 46 cm |
| Arm Rest Height(from ground) | 25.2 inches | 64 cm |
| Maximum Speed | 3.2 miles per hour | 6 km per hour |
| Distance on Full Battery | 10.8 miles | 20 km |
| Front Wheels(diameter x | 8* inches | 20.32* cm |
| Rear Wheels(diameter x width) | 12* inches | 30.48* cm |
| Gradeability | 12% | |
| Wheel Material | A mix of Polyurethane and Rubber (for smoother ride/shock absorption) | |
| Motor Type | Brush‐less Motor, 24VDC,250Wx2 Power Rating | |
| Battery | Lithium battery 24V/10Ah | |
| Charger | 2‐4 hours | |
| Brake Type | Electromagnetic Brakes | |
Packing List
| Name | Quantity |
| Electric Wheelchair | 1 |
| Seat Cushion | 1 |
| Back Cushion | 1 |
| Controller | 1 |
| Battery(pcs) | 1 |
| Instruction | 1 |
| Certificate | 1 |
| Wrench | 1 |
Service History
| Date | Description of Service |
Warranty
| Part | Coverage | Remarks |
| Frame | 2Years | Non-deliberate damage |
| Motor | 1Years | Non-deliberate damage |
| Battery | 1Years | Non-deliberate damage |
| CPU | 1Year | Non-deliberate damage |
| Joystick | 1Year | Non-deliberate damage |
WARRANTY CARD USER COPY
Model Number:………………………………
Ex‐factory Date:…………………….. …..
Inspector: …………………………………..
Destination Country: ………………………
Distributor company: …………………………………..
Contact person: ……………………………………….
Customer Name: ……………………………..
Address:………………………………………
Tel: …………………………………..
Purchase Date: ………………………………………..
Website: www.foicare.com
E‐mail: [email protected]




























