
FSR10 MULTI-CABLE FUNCTIONAL SMITH RACK MACHINE
ASSEMBLY MANUAL

FEATURES
- Functional trainer with all cable attachments (weight plates not included)
- Linear bearing commercial smith machine with solid steel barbell and diamond-cut machined knurl for a firm grip
- Functional trainer adjustable dual pulley system with commercial sealed bearing pulleys and a 2204 lb (1000 kg) high tensile cable system
- Multi-grip pull up bar with rubber and ring for resistance band assisted pull-ups
- Plate loaded the machine with a maximum 440 lb (200 kg) capacity on cables
- Multiple post plate storage to keep weights off the floor
- This machine comes with 2 dip attachments that are attached at the front of the machine. The position of the dip handles allows you to use them with a resistance band to give you assistance when performing dips.
- The machine includes a rotational core trainer with t-bar row handles. Combine this with an Olympic barbell(not included) and you can perform many exercises including bent over rows and rotational resonator core twists.
TECH SPECS
SPECS
- Linear bearing smith machine
- 200 lbs max on J HOOKS
- Solid steel smith barbell 880 lb (400kg) rating
- High tensile 2204 lb (1000 kg) rated cables
- Commercial sealed bearing pulleys
- Adjustable dual cable pulleys with swivel cable tracking
- High tensile bolts maximum strength
- Premium powder coating anti-rust protection
- Plate storage Post
- Dual post plate loaded pulley system up to 440 lb (200 kg)
Note some of the construction:
- Plastic weight horns and plastic weight holders
- Dip bars bend when using
- Smith bar catches are metal on metal and likely will wear, bend or scratch after lots of use
- Some Bolt / Screw Threads might need to be redone when assembling as some do not line up perfectly. Note if you pay for the assembly service this would be included. But if you didn’t just note if you are assembling yourself
- Inner frame width could prevent tall people from fully extending elbows inside the frame
TECH SPECS
- Smith Bar Height Range: 25.5″ to 71.25
- Max Load on Cables: 440 lb (200 kg)
- Weight: 308.6 lb (140 kg)
- Dimensions: 47 in x 43 in x 90.5 in (120 cm x 110 cm x 230 cm) old dimension
- Depth: 69′ (allow 75″ with plates)
- Width: 77″ (Smith Bar), 45.e (Outer Frame), 41.75″ (Inner Frame)
- Height: 91″
WARRANTY
10 Years Parts, 1 Year Labor (Home)
IMPORTANT SAFETY NOTICE
PRECAUTIONS
This exercise machine is built for optimum safety. However, certain precautions apply whenever you operate a piece of exercise equipment. Be sure to read the entire manual before you assemble or operate your machine. In particular, note the following safety precautions:
- Keep children and pets away from the machine at all times. DO NOT leave children unattended in the same room with the machine.
- Only one person at a time should use the machine.
- If the user experiences dizziness, nausea, chest pain, or any other abnormal symptoms, STOP the workout at once. CONSULT A PHYSICIAN IMMEDIATELY.
- Position the machine on a clear, leveled surface. DO NOT use the machine near water or outdoors.
- Keep hands away from all moving parts.
- Always wear appropriate workout clothing when exercising. DO NOT wearrobes or other clothing that could become caught in the machine. Running or aerobic shoes are also required when using the machine.
- Use the machine only for its intended use as described in this manual. DO NOT use attachments not recommended by the manufacturer.
- Do not place any sharp object around the machine.
- Disabled persons should not use the machine without a qualified person or physician in attendance.
- Before using the machine to exercise, always do stretching exercises to properly warm up.
- Never operate the machine if the machine is not functioning properly.
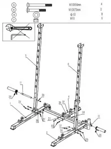
Parts List
| No. | Name | Qty. | No. | Name | Qty. |
| 1 | Ground tube | 1 | 32 | Cable | 2 |
| 2 | Ground tube | 1 | 33 | Cable | 1 |
| 3 | Connecting ground tube | 1 | 34 | Cable | 1 |
| 4 | Rear tube | 1 | 35 | Upper frame tube | 2 |
| 5 | Rear column | 1 | 36 | Cable | 2 |
| 6 | Rear column | 1 | 37 | Nuts | 58 |
| 7 | Rear Prop. | 2 | 38 | Washers | 116 |
| 8 | Bar holder | 1 | 39 | Bolts 10 x 90 | 27 |
| 9 | Left column | 1 | 40 | Bolts 10 x 70 | 25 |
| 10 | Right column | 1 | 41 | Bolts 10 x 25 | 6 |
| 11 | Weight horns | 2 | 42 | Rods | 2 |
| 12 | Rear column | 1 | 43 | Rubber rods | 4 |
| 13 | Weight sleeve | 1 | 44 | Adjustable hooks | 2 |
| 14 | Cross bar | 1 | 45 | Rod sleeve | 2 |
| 15 | Upper rear connection | 1 | 46 | Smith bar | 1 |
| 16 | Upper connection | 1 | 47 | Hook | 2 |
| 17 | Support Tube | 2 | 48 | Safety Cathes 12 | 2 |
| 18 | Pull up bar | 1 | 49 | Land mine | 1 |
| 19 | Adjustable pulley bracket | 2 | 50 | Pip handles | 2 |
| 20 | Pulley housing | 2 | 51 | Handles | 2 |
| 21 | Plates 110 mm | 4 | 52 | Lat bar | 1 |
| 22 | Plates 90 mm | 4 | 53 | T bar | 1 |
| 23 | Welded pulley | 2 | 54 | Short straight bar | 1 |
| 24 | Dual pulley bracket | 1 | 55 | Smith Bar | 1 |
| 25 | Smith bar sleeves | 2 | |||
| 26 | Spring collars | 4 | |||
| 27 | Pulley bracket | 1 | |||
| 28 | Flat Washer (Bushing) Assembled | 2 | |||
| 29 | Adjustable PIN | 2 | |||
| 30 | Pulleys (Already Assembled) | 27 |


CLEAN GUIDE RODS
Step must be completed prior to installing. Failure to do so can leave residue from packaging and other sources stuck in the bushings Guide rods need to make sure they are cleaned prior to installation otherwise this will cause the top plate to get stuck. It causes buildup in the bushings of the top plates. They just need to be cleaned out as well as the guide rods. Use Silicon Spray and fiber to remove any excess residue. These can be found around the house or at a nearby hardware store, pics below. Use silicon Spray and fiber.




























