
VEVOR DC83933 Cordless Electric Ratchet Wrench User Manual

MODEL:DC83933
Support and E-Warranty Certificate
https://www.vevor.com/support
We continue to be committed to offering tools at competitive prices. “Save Half”, “Half Price”, or any other similar expressions used by us only represent an estimate of savings you might benefit from buying certain tools with us compared to the major top brands and do not necessarily mean to cover all categories of tools offered by us. You are kindly reminded to verify carefully when placing an order with us if you are saving half in comparison with the top major brands.
NEED HELP? CONTACT US!
Have product questions? Need technical support? Please feel free to contact us:
This is the original instruction, please read all manual instructions carefully before operating. VEVOR reserves a clear interpretation of our user manual. The appearance of the product shall be subject to the product you received. Please forgive us that we won’t inform you again if there are any technology or software updates on our product.
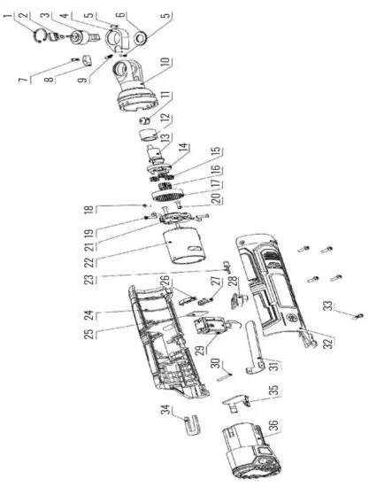
EXPLODED VIEW

GENERAL SAFETY RULES

WARNING: Read all safety warnings, instructions, illustrations and specifications provided with this power tool. Failure to follow all instructions listed below may result in electric shock, fire and/or serious injury. Save all warnings and instructions for future reference.
Work area safety
Keep the workplace clean and bright. Chaos and dark places can cause an accident. Do not operate electric tools in explosive atmospheres, in the presence of explosive liquids, gases or dust. The spark generated by the power tool ignites dust or gas. To operate the power tools when children and bystanders are not at the scene. Distraction will make you relax to control power tool.
Electrical safety
Avoid contact with the ground surface, such as pipes, heat sinks and refrigerators. If your body is grounded, increase the risk of electric shock. Do not expose the power tool to rain or moisture. Water entering the power tool will increase the risk of electric shock.
Personal safety
Be alert, pay attention to the operation and stay awake when operating the power tool. Do not operate the power tool with fatigue, medication, alcohol, or therapeutic response. Disenchantment during operation of the power tool can result in serious personal injury.
Use safety devices. Always wear goggles. Safety devices, such as dust masks under
suitable conditions, non-slip safety shoes, helmets, hearing protection and other
devices can reduce personal injury.
Remove all adjustment keys or wrenches before the power tool is switched on. A wrench or key left on a rotating part of a power tool can cause personal injury. Do not stretch your hands too long. Always pay attention to the foot and body balance. So that in the case of accidents can be a good control of power tools.
Dress properly. Do not wear loose clothing or wear jewelry. Keep your hair, clothes and sleeves away from moving parts. Loose clothing, ornaments or long hair may be involved in moving parts.
If provided with the chip removal device, dust collection device connected to the device, make sure they are connected and used properly. The use of these devices reduces the risk of debris.
Power tools use and care
Do not abuse the power tool, use the appropriate power tool according to the application. Choosing the right design power tool will make your work more efficient and safer.
If the switch can not be switched on or off, the power tool can not be used. Power tools that can not be controlled by switches are dangerous and must be repaired. Store the idle power tools out of the range of children and do not operate the power tools with those who are not familiar with the power tools or who do not understand them. Power tools are dangerous in the hands of untrained users.
Maintenance of power tools. Check the mounting deviation or stuck of the moving parts, damage to the parts and other conditions that affect the operation of the electric tool. If damaged, the power tool must be repaired before use. Many accidents are caused by poorly maintained power tools.
Keep the cutting tool sharp and clean. A well-maintained tool with a sharp cutting edge is not easy to jam and easy to control.
Use power tools, accessories, and tool heads, etc., depending on the operating instructions and the specific type of power required to use the power tool, taking into account the operating conditions and the operations performed. Using power tools as those that do not comply with the requirements may result in a dangerous situation.
Service
Have your power tool serviced by a qualified repair person using only identical replacement parts. This will ensure that the safety of the power tool is maintained. Using a month after a service, usually do not use or store, please check the battery pack for electric, electric storage can prolong the service life of the machine.
- Prevent unintentional starting. Ensure the switch is in the off-position before connecting to battery pack, picking up or carrying the power tool. Carrying the power tool with your finger on the switch or energizing power tool that have the switch on invites accidents.
- Disconnect the battery pack from the power tool before making any adjustments, changing accessories, or storing power tool. Such preventive safety measures reduce the risk of starting the power tool accidentally.
- Recharge only with the charger specified by the manufacturer. A charger that is suitable for one type of battery pack may create a risk of fire when used with another battery pack.
- Use power tools only with specifically designated battery packs. Use of any other battery packs may create a risk of injury and fire
- When battery pack is not in use, keep it away from other metal objects, like paper clips, coins, keys, nails, screws or other small metal objects, that can make a connection from one terminal to another. Shorting the battery terminals together may cause burns or a fire.
- Under abusive conditions, liquid may be ejected from the battery; avoid contact. If contact accidentally occurs, flush with water. If liquid contacts eyes, additionally seek medical help. Liquid ejected from the battery may cause irritation or burns.
- Do not use a battery pack or power tool that is damaged or modified. Damaged or modified batteries may exhibit unpredictable behavior resulting in fire, explosion or risk of injury.
- Do not expose a battery pack or power tool to fire or excessive temperature. Exposure to fire or temperature above 265°F may cause explosion.
- Follow all charging instructions and do not charge the battery pack or power tool outside of the temperature range specified in the instructions. Charging improperly or at temperatures outside of the specified range may damage the battery and increase the risk of fire.
- Have servicing performed by a qualified repair person using only identical replacement parts. This will ensure that the safety of the product is maintained.
- Do not modify or attempt to repair the power tool or the battery pack except as indicated in the instructions for use and care.
- The battery Charger gets hot during use. The Charger’s heat can build up to unsafe levels and create a fire hazard if it does not receive adequate ventilation, due to an electrical fault, or if it is used in a hot environment. Do not place the Charger on a flammable surface. Do not obstruct any vents on the Charger. Especially avoid placing the charger on carpets and rugs; they are not only flammable, but they also obstruct vents under the charger. Place the Charger on a stable, solid, nonflammable surface (such as a stable metal workbench or concrete floor) at least 1 foot away from all flammable objects, such as drapes or walls. Keep a fire extinguisher and a smoke detector in the area. Frequently monitor the Charger and Battery Pack while charging.
- Lithium Battery Safety Warnings:LItHIUM BATTERIES STORE A LARGE AMOUNT OF ENERGy AND WiLL VENT FIRE OR EXPLODE IF MIStREATED:
a. Keep Battery pack dry.
b. DO NOT DO ANY OF THE FOLLOWING tO THE BATTERY PACK: • Open, • Drop,
• Short-circuit, • puncture, • incinerate, or • Expose to temperatures greater than 265°F.
c. Charge Battery Pack only according to its Charger’s instructions.
d. Inspect Battery Pack before every use; Do not use or charge if damaged.
COMPONENT LIST


OPERATION INSTRUCTIONS
Battery pack water or rain. Battery short circuit can lead to current increases, overheating, burning or even breakdown.
Tools and battery packs shall not be stored where the temperature is likely to reach or exceed 50°C(122.F).
Even if the battery pack has been severely damaged or completely depleted, and can not be burned. The battery pack will explode in the fire.
Pay attention to the battery pack do not fall, vibration, collision battery, when the hammer and so on.
Keep the maximum battery life expectation!
To charge the battery pack before it is fully discharged. When the machine is found to be insufficient, be sure to stop the machine and charge the battery pack. Do not charge the battery pack again. Excessive charging will shorten battery life. To the indoor temperature of 10°C -40°C (50.F-104.F) under the conditions of the battery pack. Charge the battery pack in the hot state before charging to recharge.
Charging instructions
Charging, indicating that the red light is always on. (When the battery pack is used up, plug the charger, turn on the green light, indicating overheating protection, then wait for the battery pack to cool before charging.
Full of electricity, indicating that the green light is always bright.
In the charging process, (such as the indicator light does not shine, flashing lights and other abnormalities, please do not intermittent charge, immediately sent to professional personnel for maintenance.
PRODUCT INTRODUCTION
- 3/8” output shaft
- Ratchet head component
- Left/right Housing
- Paddle switch
- Battery
- Battery button

OPERATION INSTRUCTIONS

1. Adjusting the knob of ratchet head, Turning R to make it forward, thus tightening bolt; Turning F to make it reverse, thus taking off bolt

2.When Pressing the paddle switch, the ratchet wrench start to on work.

3. When loosening the paddle switch, the machine stop working.

4. Installing the sleeve: Inserting the sleeve according to the direction.

5. Remove the output shaft’s spring, output shaft, 3/8, 3/8 and 1/4 can be swap. It also can be external 3/8 conversion head.

Important safety precautions for battery packs
Before using the battery pack, please carefully read the relevant instructions and (1) the charger (2) the battery pack and (3) the warning mark on the product that requires the use of the battery. Do not disassemble the battery pack
If the working lime is significantly shorter, you should immediately stop the operation. Otherwise it will cause overheating, or even explode.
If the electrolyte splashed into his eyes, immediately rinse with water and seek medical treatment otherwise it may lead to blindness.
Do not make the battery pack for a long time short circuit. (1) Do not allow any conductor to come into contact with the battery terminals. (2) Do not put the battery pack with nails. Coins and other metal objects stored in the same container. (3) Do not let the
WARNING
This ratchet wrench can only be used as auxiliary tool precession nut and exit nut, when screw diameter is too large or screw is very tight, can’t turn the nut as a torque A rod hard, (when using a ratchet wrench screw nut in place, will need to use manual wrench tightening nut or break loose, do not remove or lock by violence. Not operation according to this, the company shall not be liable for the product quality problem when the Ratchet head is damaged)

Manufacturer: Zhejiang Dechuang Intelligent Technology Co., Ltd
Address: No. 1, Weiqi East Road, Tongqin Town, Wuyi County, Jinhua City,
Zhejiang Province

Support and E-Warranty Certificate
https://www.vevor.com/support
Read More About This Manual & Download PDF:
















