
User Manual

2 & 3 Bowl Juice Dispenser
Models: RDM-32, RDM-33
Please read and keep these instructions. Indoor use only
WWW.AvantcoEquipment.com
Important Safeguards
- When using electrical appliances, basic safety precautions should always be followed including the following:
- Read all instructions
- Close supervision is necessary when any appliance is used by or near children.
- Make sure the appliance is OFF when not in use, before putting on or taking off parts, and before cleaning.
- Do not operate any appliance with a damaged cord or plug or after the appliance malfunctions, or is dropped or damaged in any manner. Return appliance to the nearest authorized service facility for examination, repair, or electrical or mechanical adjustment.
- Do not use outdoors.
SAVE THESE INSTRUCTIONS
Useful instruction for transport
- In order to prevent the oil contained in the hermetic compressor from flowing into the cooling circuit, it is necessary to always carry, store and handle the machine in a vertical position, following the instructions found on the packaging.
- If the machine was accidentally or purposely placed in a non-vertical position during transport, before operating the machine, it should be kept in a straight position for approximately 30 minutes, to allow the oil to flow back into the compressor.
Unpacking: Remove cardboard and plastic covering. Make sure that the machine has not been damaged. Remove the plastic film from all the stainless steel panels.
Important: The various packaging should be kept from Children since they are potentially dangerous. Dispose of the packaging according to the regulations from the local authorities.
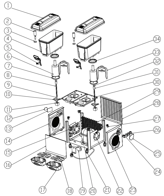
Parts Overview and Technical data
| Model | Capacity | Voltage (V) (Hz) | Power (W) | Dimension (Inch) | Gas |
| RDM-32 | 2 x 3 Gal | 120/60 | 265 | 17x18x25 | R134a |
| RDM-33 | 2 x 3 Gal | 120/60 | 272 | 24x18x25 | R134a |

| 1 | Cover | 13 | Front panel | 25 | Main box |
| 2 | Stainless steel valve | 14 | Lid of the water tray | 26 | Back panel |
| 3 | Tap gasket | 15 | Water tray | 27 | Fan cover |
| 4 | Tank | 16 | Compressor | 28 | Electrical panel |
| 5 | Tap lever | 17 | Adjustable leg | 29 | coupler |
| 6 | rootstock | 18 | Condenser | 30 | Aluminum shaft |
| 7 | Motor mounting plate | 19 | Switch side fan plate | 31 | Rotor |
| 8 | Motor | 20 | Power switch SC767 | 32 | Rotor positioning plate |
| 9 | Control panel sticker | 21 | Switch for mixing motor SC791 | 33 | Washer of Evaporator |
| 10 | Controller | 22 | Cover for switches | 34 | Paddle |
| 11 | ABS Side panel(Controller side) | 23 | Axial flow ventilator | 35 | Tank Evaporator |
| 12 | Corner Plug | 24 | Transformer | 36 | Gasket for bowl |
Operating Instructions
Positioning
- Do not install the appliance in the area where a water jet could be used.
- Place the machine on a horizontal and sturdy
- Please install the appliance in locations where it can be overseen by trained
- For good ventilation, keep a distance of 7 inches, between the unit and walls or other objects. Increase the distance if the obstacles are a heating source. When the dispenser is in place, adjust the legs in order to keep it level. (FIG.1)

Assembling
- Remove the cover from the tank.
- Hang the waste liquid container is hanging holes on the front panel.
- Insert the taps (with gasket) to the tank and through the tap lever
Electrical connection
Before inserting the plug into the electrical socket, carefully read the following precautions:
- Make sure that the machine is properly connected to an efficient grounding system, in compliance with current safety standards.
- Make sure that the voltage is in accordance with what is indicated on the “serial number’ label applied on the chassis.
- The current available is sufficient for the maximum required by the machine.
- If necessary, use only approved multiple outlets, in compliance with current safety
If in doubt, consult only specialized technicians.
By law, the machine must always be grounded.
How To Use:
Before using, the tanks and taps of the appliance should be cleaned carefully
Filling
To ensure correct usage of the machine ensure that the liquid level of the tank does not go below 3-4 Qt (please use the level lines on the tank for reference).
- Mix product in a separate container (FIG. 2).
- Make sure to unplug the appliance before filling up the container.
- Do not fill the container with the hot products.
- Do not let liquid level exceed the “MAX” level line (FIG. 3).

Beverage Temperature Adjustment (FIG.5)
To adjust the temperature of each individual bowl, lift up the plastic cover on the left side of the unit. Bowl 1 is on the left-hand side of the unit when looking from the front.
- Turn on the main switch on the right hand of The main power light (A) will now indicate the digital control
- To set the temperature of bowl no.1 press the button marked ① twice. The indicator lamp under the bowl ① at the top of the display will now illuminate and the current set temperature will flash. Adjust the arrow keys to set the desired temperature and then press “set”. The temperature range may be set between 32°F and 50°F.
The controlled temperature for bowl 1 is now set. Repeat the process using the buttons marked ② and ③ set the temperature of the remaining bowls. - When in operation the unit will automatically display the actual temperature of each bowl for 2 seconds as indicated by the lamp beneath the bowl
Beverage Temperature Adjustment (FIG.5) - The motor and stirrer for each bowl can be operated independently using the relevant switch on the right-hand side of the unit.
- To switch off the cooling to a selected bowl, press the relevant bowl number on the control panel for 3 seconds. The letters “OFF” will display for the bowl number selected. Turn on the cooling press and hold for 3 seconds.
Cleaning and Maintenance
Observe the ambient temperature
The appliance is suitable for an ambient temperature ranging between 16°C – 32°C.
Cleaning
For health standards and good quality beverages, clean tanks, lids, and mixing paddles/pumps as often as possible.
Caution: Do not clean the appliance by water jet.
- Before carrying out cleaning and refilling, remove the power plug
- Do not use abrasive powders that might impair the tanks and lid’s polished glossy finish.
- Use a neutral soap and a little warm water to wash the container, lid, mixing paddles/pump, refrigerator tank, and tap. Rinse carefully with water in order to remove any soap residue.
- To maintain a high standard of flavor, leave the dispenser turned on night and day in order to avoid deposits forming.
- Pour out the wastewater into the waste liquid reservoir and clean it as often as possible.
Caution: Do not use any organic solvents (petrol, alcohol, etc.) for cleaning the appliance. The case of the appliance may be damaged and explosive vapors may develop. Do not use any sharp-edged objects for cleaning.
The appliance may be cleaned with a damp towel, but may never be immersed in water.
After cleaning the appliance make sure that it will be dried completely.
Disassembling and Assembling the tanks:
To disassemble and assemble the tanks or to change the rubber tank gaskets:

- Disconnect the unit by removing the plug.
- Remove the cover from the tank.
- Remove the mixing paddle from its shaft. For the pump disassembling follow the instructions reported on the diagram (Fig.6).
- Lift the container with both hands in a light, swinging motion. If there is a difficulty, please wet the cooling column and gasket.
- To remove the tap, lift it from its setting.
- Change the gaskets for tanks and taps only with the genuine gaskets that are supplied by an authorized supplier.
To reassemble the unit, repeat the above operations in reverse.
Wiring diagram

| LEGEND | DESCRIPTION |
| SH1 | POWER SWITCH |
| SH2 / SH3 / SH4 | MOTOR SWITCH |
| M3 / M4 / M5 | PUMP MOTOR |
| WX | TEMPERATURE DISPLAY |
| NTC1 /NTC2 / NTC3 | BOWL TEMPERATURE SENSOR |
| M1 | COMPRESSOR |
| YV1 / YV2/ YV3 | SOLENOID VALVE |
| FA | OVERLOAD PROTECTOR |
| M2 | CONDENSER FAN MOTOR |
| T1 | TRANSFORMER |
PLEASE NOTE:
Switch SH4, Solenoid valve YV3, Probe NTC3 are only used on RDM-33 3 Bowl model

SCHEMATIC: 3 BOWL VERSION SHOWN.
| Item | Description |
| c | Compressor |
| C | Condenser |
| F | Filter |
| Bc | Boiler |
| El | Evaporator |
| E2 | Evaporator |
| E3 | Evaporator |
| D | Distributor |
| Ca | Capillary coils |
| 1 | High-Pressure Side |
| 2 | Liquid Line |
| 3 | Low-Pressure Side |
| YV1 | Solenoid valve |
| YV2 | Solenoid valve |
| YV3 | Solenoid valve |
Troubleshooting
| Trouble | Possible causes | Solution | |
| No power to the machine | • Plug is not in. | •Insert the plug into a mains socket | |
| • the Main switch is not on the “I” position. | •Switch the main switch to the “I” position. | ||
| • Power cord is broken. | •Replace the power cord | Ask for authorized service department to check and repair it. | |
| • the Main switch is broken. | •Replace the main switch | ||
| The machine is not cooling | • Compressor does not start | •See the “compressor does not start” section. | |
| • Gas leak into the cooling circuit. | • Find the leak, filter it out, and re-charge the cooling circuit | ||
| • Condenser is clogged. | • Clean the condenser | ||
| • The fan motor is burnt. | • Replace fan motor | ||
| • Lack of airflow | • Increase the distance between the machine and other obstacles/heating sources | ||
| Compressor does not start | • the Main switch is broken | • Replace the main switch | Ask for authorized services department to check and repair it. |
| • Compressor protector is broken. | • Replace compressor protector | ||
| • Compressor relay is broken | • Replace compressor relay | ||
| • Compressor motor is broken | • Replace motor | ||
| One tank is not cooling | • Gas leak into the cooling circuit | • Find the leak, filter it out, and re-charge the cooling circuit | |
| • Condenser is clogged | • Clean the condenser | ||
| • Lack of airflow | • Increase the distance between the machine and other obstacles/heating sources | ||
| • Tube of the cooling circuit is clogged. | • Cut the tube, eliminate the clog, re-charge the cooling circuit | ||
| • Filter is clogged | • Replace the filter | ||
| The mixing paddles are not working | • The mixing motor is broken | • Replace the mixing motor |
Beverage Temperature Adjustment (FIG.5)

















